Backofen verascht mich?

  • Ersteller Ersteller @@@
  • Erstellt am Erstellt am
Status
Für weitere Antworten geschlossen.
cartridge_case schrieb:
Was hat eine Vermieterin mit einem Backofen zu tun?!
Vielleicht ist es ein Service? Ich wohne in einem Haus mit mehreren Wohneinheiten.
Die Küchen sind wohl alle die gleichen, soweit ich das gesehen habe. Vielleicht kauft der Mieter bei der Installation direkt ein paar Verschleissteile mit? Nur so eine Idee. Wenn ich diese Lampe alle 10-15 Jahre mal wechseln müsste, wäre es mir die 18 EUR vllt sogar wert, dass ich mich nicht selber drum kümmern muss.
 
  • Gefällt mir
Reaktionen: @@@
Fast interessanter ist ja, wie man die Lampe auf bekommt.

Das Glas im Ofen meiner Eltern ist dermaßen fest, da ist nicht mal mit Gummihandschuhen oder den speziellen Klemmen/Werkzeugen oder Ölfiltergriffen was zu machen. Der Schrank von Küchenbauer-Onkel hat auch nichts machen können. Außer zerstören (nicht so dolle) haben wir keine Ideen mehr und wären für Vorschläge dankbar. :)
 
@conf_t
Beim Herd werden alle Verbraucher mehr oder weniger gleichmäßig auf alle Phasen verteilt. Steht aber als Anschluß nur eine Phase zur Verfügung, werden mittels der Brücken alle Verbraucher parallel geschaltet und betrieben. Die Lampe hängt immer an L und N. Wenn N fehlt, geht die Lampe nicht. Beim Drehstrommotor sieht es anders aus, fehlt da N, kommt es zur Überspannung. Siehe Kommentar von @KnolleJupp
 
  • Gefällt mir
Reaktionen: pedder59
Naja aber der Backofen hat in den wenigsten Fällen nen Drehstrommotor.
Ehrlich gesagt mir ist auch noch kein Drehstrommotor mit Neutralleiter untergekommen^^
 
@Looniversity
Kann man nur versuchen, Silikonspray oder Kriechöl (WD40) in das Glasgewinde zu sprühen. Am besten ohne den Glaskörper außen komplett einzusauen. Dann einwirken lassen und die Glasglocke abwechselnd weiter fest schrauben und wieder lösen. Und ja: Vorher die Sicherungen rausmachen.
 
  • Gefällt mir
Reaktionen: Looniversity
Looniversity schrieb:
Fast interessanter ist ja, wie man die Lampe auf bekommt.
Habt ihr es mal versucht, während der Ofen heiss ist? Falls da eingebranntes Fett am Gewinde ist, wird es vielleicht weicher, wenn es heiss ist.
 
  • Gefällt mir
Reaktionen: Looniversity
HyperSnap schrieb:
Naja aber der Backofen hat in den wenigsten Fällen nen Drehstrommotor.
Ehrlich gesagt mir ist auch noch kein Drehstrommotor mit Neutralleiter untergekommen^^
Ja, N= Schutzleiter. Nennt sich klassische Nullung!
1588452733610.png
 
Ein Herd läuft mit 3x230V und nicht mit 400V heißt, ohne N Leiter fließt kein Strom. Der Generator welcher die Spannung erzeugt ist geerdet ja (Sternpunkt) damit auch 230V abgegriffen werden können. Und den Einsatz eines FI Schutzschalters überhaupt erst ermöglicht. Die Erdung ist unser größter Schutz aber auch der größter Nachteil (Potenzial).
Denn über die Phasenverschiebung fließt der Strom immer über eine Phase zurück. Deswegen benötigt ein Drehstrommotor (Verbraucher) auch keinen Nullleiter.

Was aber immernoch nicht erklärt warum die Birne ständig kaputt geht.:-)
 
Zuletzt bearbeitet:
@Looniversity ich hab letztens bei meinem Backofen das Gleiche gehabt. Die Lösung bei mir war eine Wasserrohrzange um die ich einen Lappen gewickelt habe. Damit konnte ich dann vorsichtig das Glas lösen, ohne es zu beschädigen.
 
  • Gefällt mir
Reaktionen: Looniversity
conf_t schrieb:
@NOTAUS eben und die Lampe bekommt den Strom von einer Phase des Anschlusses und wenn man mit den Brücken alle 3 Phasen auf eine Eingangsphase legt sind da bisschen mehr als 230 V auf der Lampe
Das ist leider falsch. Wenn ein E-Herd mit 1 Phase angeschlossen wird (also alle 3 Phasen am Klemmbrett gebrückt werden dann hast du eher eine niedrigere Spannung, durch den belasteten zustand gibt es einen Spannungseinbruch -> eher positiv für eine Glühlampe mit Unterspannung betrieben zu werden
NOTAUS schrieb:
Beim Drehstrommotor sieht es anders aus, fehlt da N, kommt es zur Überspannung. Siehe Kommentar von @KnolleJupp
Auch falsch ein Drehstrommotor hat keinen N, einzige Außnahme er besitzt eine 230V Bremse inkl. Bremsgleichrichter im Klemmbrett oder der Drehstrommotor wird in der Steinmetzschaltung betrieben wo dieser mit 1 Phase + N + 1-2 Kondensatoren (einer zum Anlaufen ;optional; und einen Betriebskodensator) betrieben wird, hat man häufig in "normalen" Waschmaschinen welche ohne Umrichter laufen. Ein Drehstrommotor braucht keinen N da dieser eine Symmetrische Last erzeugt ---> Keine Neutralleiter nötig.

Viper1982 schrieb:
Ein Herd läuft mit 3x230V und nicht mit 400V heißt, ohne N Leiter fließt kein Strom
Ebenfalls nicht 100% Korrekt, der klassische 7-Takt E-Herd ist so aufgebaut das der Backofen an 1 Phase + N hängen und die Herdplatten an 2 Phasen also 400v

1588454843839.png
 
  • Gefällt mir
Reaktionen: @@@, pedder59, HyperSnap und eine weitere Person
@Kytor Aber wie soll dieser Herd dann mit nur einer Phase und Null funktionieren? Ist es nicht eher so, dass die 230 V über 1/2/3 Wiederstände zum N hin geschaltet werden. Und die 400V variante eher in Großküchen zu finden ist?

1588456825170.png


@NOTAUS

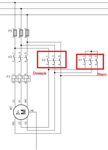
SternDreieck.png


Das Gehäuse wird Geerdet ja!

Und die Birne brennt immernoch durch.:-)
 
Zuletzt bearbeitet:
NOTAUS schrieb:
@Kytor
Drehstrommotor in Sternschaltung wird immer an N (PEN) angeschlossen!
Das ist absolut falsch und in keinem Fall zulässig. Bitte Noch einmal informieren welchen Sinn und welche Aufgabe ein Neutralleiter hat.



@Viper1982

Nein das klappt so, nur der Herd wird bei 1phasigen Betrieb nicht so heiß bzw auch nicht so schnell warm wie bei 2 und 3 Phasen. Geht auch schlecht da bei 16a ja eh nur 3680watt an elektrischer Leistung umgesetzt werden können bis das Überstromschutzorgan auslöst (nach x min)
 
  • Gefällt mir
Reaktionen: pedder59 und Viper1982
Können wir den Thread bitte in "Grundkurs Elektrotechnik" umbenennen? Ich finde die Diskussion jedenfalls spannender als den Eingangspost zum Leuchtmittel. :)
 
  • Gefällt mir
Reaktionen: BFF und Viper1982
Myron schrieb:
@Looniversity ich hab letztens bei meinem Backofen das Gleiche gehabt. Die Lösung bei mir war eine Wasserrohrzange um die ich einen Lappen gewickelt habe. Damit konnte ich dann vorsichtig das Glas lösen, ohne es zu beschädigen.

Danke! Das hab ich mich noch nicht getraut, hört sich erstmal etwas gewagt an. Aber so wie wir schon an dem Ding gerissen haben kann eine vorsichtig angesetzte Zange vermutlich nicht schlimmer sein. 🙃

Kurios ist, dass wir keine Schwierigkeit haben, einen guten "Griff" zu bekommen, d. h. egal wie viel Kraft, wir rutschen nicht ab. Der Baumarkt verleiht auch einen "Griff" für das Glas, auch damit kein Glück. Es tut sich einfach nur nix :D (Ist da vielleicht ein Riegel/Hebel/sonstwas? Handbuch des Ofens sagt nicht dergleichen...)

Schon verrückt wie irre fest das sitzt hehe.
 
Zuletzt bearbeitet:
parats schrieb:
Thread bitte in "Grundkurs Elektrotechnik" umbenennen
Hört sich nach einer menge Spaß an :D


back to Topic.

Die häufigsten Fehlerquellen für solche Glühlampen sind :

  • - Glühlampe wurde mit "nackten" Fingern angefasst -> Fettschicht von den Fingern überträgt sich an den Glaskolben, dies führt zu einer stark reduzierten Lebensdauer
  • - "billig" Glühlampe wurde verwendet die in Wirklichkeit gar nicht für die Temperatur ausgelegt ist oder eine zu große Serienstreuung hat -> Lieber ein Marken Produkt von Philips oder Osram/LEDVANCE verwenden
  • Kontaktproblem in der Fassung -> Glühbirne schaltet deswegen häufig "ein und aus" was zu einer stark verminderten Lebensdauer führt. Kann man häufig an der alten Glühlampen Fassung erkennen wenn diese deutlich geschwärzt ist.
  • Verschiebung des Sternpunktes innerhalb der Gebäudeinstallation -> hierbei wird wie bereits von @KnolleJupp erklärt zu einer Überspannung kommen welche die Lebensdauer der Glühlampe (und fast aller anderen Elektrogeräte im Haus bzw des betroffenen Bereichs hängen) stark reduziert bzw lässt diese direkt hops gehen
 
  • Gefällt mir
Reaktionen: @@@, commandobot und Looniversity
@parats Bringt ja nichts wenn die Birne immernoch durchbrennt.:-)
 
Xero261286 schrieb:
Schon mal an einen Fabrikationsfehler gedacht? Tausch die Birne um und probier es noch mal...

EDIT: Auch die günstige Lampe läuft laut Datenblatt im Ofen: "Bis 300° für Herd und Ofen"

Hallo und danke für deinen Gedanken. Das Komische an dieser Sache ist aber das meine
Hauswartin eben auch schon davon gesprochen hat das andere Birne durchbrennen. Deswegen überhaupt erst dieses
Thema, ich denke das kein Fabrikationsfehler vorliegt.


cartridge_case schrieb:
Was hat eine Vermieterin mit einem Backofen zu tun?!

Das habe ich falsch niedergeschrieben, es sollte "Hauswartin" heissen.

Vaporwave schrieb:
@cartridge_case

"Der Mieter muss danach in einem Jahr höchstens 150 – 200 Euro für alle Kleinreparaturen zusammen zahlen"

Wenn ihr die Küche gehört und diese im Mietvertrag steht, ziemlich viel?

Edit:

Die Summe zählt, daher mit anderen Mängeln berechnen.

Captain Flint schrieb:
...ist das dein Backofen oder gehört er zur Einrichtung des Vermieters?

Er gehört zur Einrichtung des Vermieters ( Eine Stiftung )

Das wussten wir nicht mal, danke für diesen Tipp.
Muss man Kleinreparaturen Melden oder reicht einfach eine Dokumentation?

NOTAUS schrieb:
Jede billige Backofenlampe sollte da funktionieren. Haste mal die Daten der kaputten Lampe überprüft?


Ja sicher, es ist eben diese Fischer Backofen Lampe, die ich im ersten Beitrag gepostet habe.

Looniversity schrieb:
Fast interessanter ist ja, wie man die Lampe auf bekommt.



Das Glas im Ofen meiner Eltern ist dermaßen fest, da ist nicht mal mit Gummihandschuhen oder den speziellen Klemmen/Werkzeugen oder Ölfiltergriffen was zu machen. Der Schrank von Küchenbauer-Onkel hat auch nichts machen können. Außer zerstören (nicht so dolle) haben wir keine Ideen mehr und wären für Vorschläge dankbar. :)


Diese wurde mir vom Hauswart eben empfohlen.

parats schrieb:
Können wir den Thread bitte in "Grundkurs Elektrotechnik" umbenennen? Ich finde die Diskussion jedenfalls spannender als den Eingangspost zum Leuchtmittel. :)


Nein.


Kytor schrieb:
Hört sich nach einer menge Spaß an :D





back to Topic.



Die häufigsten Fehlerquellen für solche Glühlampen sind :



  • Glühlampe wurde mit "nackten" Fingern angefasst -> Fettschicht von den Fingern überträgt sich an den Glaskolben, dies führt zu einer stark reduzierten Lebensdauer
  • "billig" Glühlampe wurde verwendet die in Wirklichkeit gar nicht für die Temperatur ausgelegt ist oder eine zu große Serienstreuung hat -> Lieber ein Marken Produkt von Philips oder Osram/LEDVANCE verwenden
Kontaktproblem in der Fassung -> Glühbirne schaltet deswegen häufig "ein und aus" was zu einer stark verminderten Lebensdauer führt. Kann man häufig an der alten Glühlampen Fassung erkennen wenn diese deutlich geschwärzt ist.
Verschiebung des Sternpunktes innerhalb der Gebäudeinstallation -> hierbei wird wie bereits von @KnolleJupp erklärt zu einer Überspannung kommen welche die Lebensdauer der Glühlampe (und fast aller anderen Elektrogeräte im Haus bzw des betroffenen Bereichs hängen) stark reduziert bzw lässt diese direkt hops gehen

Danke für die Lösung Vorschläge.
Ich werde mir eine Backofenlampe Osram bestellen. Der Glaskobeln wurde nicht angefasst und die alte Glühlampe war nicht geschwärzt.
 
Status
Für weitere Antworten geschlossen.
Zurück
Oben