Fireplace

Beratung: Elektronische Schaltungen

A

alpAsytLer

Gast
Ich möchte mir etwas für mein PC bzw. für mein Zimmer bauen.

Ich möchte dabei LED's verwenden. Auch LCD Anzeige, wenn die Teile nicht über 1 Euro kosten. Ich habe nun folgende Fragen.

Ich möchte mir das ganze an dem PC anschliessen (Stromversorgung),
die haben ja immer 12V Anschlussspannung. (4pin Molex)

Welche Widerstände brauche ich ? Kann ich auch eine Sicherung einbauen ? Welche passen, welches Moddel? Kann ich auch ne Diode verwenden, falls ja welches ?

Wie teuer kosten denn Mikrochips, ich möchte gerne eins kaufen, falls es nich teuer ist, dann möchte ich das programmieren bzw. configieren, und somit die LED's steuern.. oder kann man das auch ohne Chip ? Von Programmierung habe ich keine Ahnung, gibts dafür ein Software, der das für mich macht ?

Ich möchte sowenig wie möglich ausgeben, und irgendwas basteln, hauptsache es leuchtet schön hat ne gute funktion.

ihr bin für alles offen, welche iddeen habt ihr ? vllt. kann ich eure vorschläge mit meins verbinden und etwas besseres bauen.

könnt ihr mir auch ein schaltplan machen, damit ich weiss, wo was hinkommt. aber einfache darstellung biite..

mfg alp
 
alpAsytLer schrieb:
Ich möchte mir das ganze an dem PC anschliessen (Stromversorgung),
die haben ja immer 12V Anschlussspannung. (4pin Molex)

Welche Widerstände brauche ich ? Kann ich auch eine Sicherung einbauen ? Welche passen, welches Moddel? Kann ich auch ne Diode verwenden, falls ja welches ?

LED vorwiderstandsrechner
Das sollte helfen die richtigen Widerstaende auszurechnen.

Am Molex liegen auch 5V an ;), auch kannst Du eine Feinsicherung einsetzen.

alpAsytLer schrieb:
Wie teuer kosten denn Mikrochips, ich möchte gerne eins kaufen, falls es nich teuer ist, dann möchte ich das programmieren bzw. configieren, und somit die LED's steuern.. oder kann man das auch ohne Chip ? Von Programmierung habe ich keine Ahnung, gibts dafür ein Software, der das für mich macht ?

Ich möchte sowenig wie möglich ausgeben, und irgendwas basteln, hauptsache es leuchtet schön hat ne gute funktion.

ihr bin für alles offen, welche iddeen habt ihr ? vllt. kann ich eure vorschläge mit meins verbinden und etwas besseres bauen.

könnt ihr mir auch ein schaltplan machen, damit ich weiss, wo was hinkommt. aber einfache darstellung biite..

mfg alp

Nun ja, Du stellst sehr viele Fragen, ich denke Du solltest Dir einen Fertigbausatz kaufen und den Zusammenloeten.

Was die Einzelteile kosten , findest Du via Google raus, sofern Du weist was Du moechtest. In jedem Fall solltest Du Dich erst ein wenig in die Materie einarbeiten bevor Du selber was baust.

Schaltplaene kannste Dir auch selber erstellen. Dafuer gibt es Programme mit denen Du die erstellte Schaltung auch testen kannst. (Gibt Vermutlich eval. Versionen)

Allerdings bin ich selber schon ne weile raus und kann Dir keinen Planer empfehlen.

EDIT: korrektur der deutschen sparche ;)
 
Zuletzt bearbeitet:
also erstmal musst du wissen was du willst.

Ein Microchip bzw Microcontroller nennt man die richtig, kostet zwischen 1,5€-3€
Widerstände kosten ca 5Cent
LEDs dürften um die 20Cent liegen.


wenn du einen Microcontroller einsetzen willst, dann brauchst du noch ein Programmiergerät für Selbigen.
Die einfachsten Steckt man an den Druckeranschluss des PCs.
Der Selbstbau eines Programmier Adapters schägt mit ~5€ zu Buche.

Programmiert wird das Ganze mit der Software BASCOM
Die Programmiersprache ist Basic.

Wenn du sagst was genau du vor hast, dann kann man dir sagen wie du es am günstigsten hin bekommst.
 
Du hast auch ne 5V Schiene am Molex-Stecker, das ist etwas Sparsammer.

Welche Widerstände Du brauchst hängt von den LED´s ab und wie sie geschaltet sind.
Viele eBay Shops die LED´s anbieten liefern die passenden Widerstände und Schrumpfschlauch mit.
http://stores.ebay.de/DELLOPTOELECTRONICS
Was willst Du mit ner Sicherung? Was willst Du mit ner Diode?
 
Also eigentlich wollte ich ganz am Anfang,
ne Anzeige bauen aus LED's.

Damit sollte man z.b nen Wort enstehen, für sowas braucht man ganz viele LED's was sehr teuer wäre.

Aber es gibt auch fertige, ich weiss net wie man die nennt, LCD-Baustein oder so, die in digitalen Anzeigen z.b taschenrecher zu finden sind.

gibt es ne möglichkeit sich eine led leiste zu bauen und dann eine lcd anzeige die die auslastung des cpu bestimmen? Hie rist ne zeichnung:



ist das möglich, was braucht man hier alles ?
 
eine Sicherung würde ich auf alle fälle auch einbauen.
Ist zwar nicht zwingend nötig, schadet aber auch nicht ;)

Dioden?
kommt letzten Endes darauf an was du machen willst.

Zur LCD Anzeige:
eine anzeige mit 2x16 Zeichen kostet 7€
um diese Anzusteuern brauchst du auf alle fälle einen Microcontroller.

Wenn man mittels Microcontroller LEDs schalten will, dann müssen da auch noch Treiber ran. (z.b. Transistoren)


Wie sieht es eigentlich mit dem Lotkünsten aus?
ist ein Lotkolben mit halbwegs kleiner Spitze vorhanden?



edit:
Wenn du Daten aus dem PC auslesen willst, dann brauchst du eine Entsprechende Software.
Nutzt du Windows XP oder Vista?
Hast du einen Parallelport?

Das mit der Balkenanzeige kannst vergessen.
Bauteile aller art gibt es günstig bei Reichelt.de
 
Zuletzt bearbeitet:
Ich glaub das wird zu kompliziert.

Dann mach ich folgendes. Ich mach mir einfach eine LED Kette.
Mein Inverter für CCFL braucht 12V Spannung, habe Sie an den 4pin Molex angeschlossen, läuft perfekt, warum denn plötzlich 5V ???

Eine Frage zur Lichterkette. Braucht man da extra Platine, oder wie kann sich das kaufen.

Muss ich mehrere Widerstände oder eine kaufen.
Was ist wenn ich keinen kaufe 8x LED sind doch gut für 12V Spannung oder ? je 1.5v ..

und wie kann ich ne sicherung machen (verpolungsschutz) diode ??

EDIT: Lötkolben: Die Spitze ist net spitz, ist aber nicht schlimm, ich kann auch so löten..
 
alpAsytLer schrieb:
Ich glaub das wird zu kompliziert.

Dann mach ich folgendes. Ich mach mir einfach eine LED Kette.
Mein Inverter für CCFL braucht 12V Spannung, habe Sie an den 4pin Molex angeschlossen, läuft perfekt, warum denn plötzlich 5V ???
man kann beides Nehmen, was Effizienter ist kommt auf die Schaltung an.

Eine Frage zur Lichterkette. Braucht man da extra Platine, oder wie kann sich das kaufen.
Was für eine Lichterkette?

Muss ich mehrere Widerstände oder eine kaufen.
Pro LED 1 Widerstand. wenn man strom Sparen will dann schaltet man ein paar LEDs Zusammen.
ein Widerstand kostet aber nur 1Cent daher ist das egal.


Was ist wenn ich keinen kaufe 8x LED sind doch gut für 12V Spannung oder ? je 1.5v ..
es gibt keine LEDs mit 1,5V.
Rote LEDs haben z.b. 2-2,2V. Blaue LEDs haben ca 3-3,5V die anderen Farben brauchen ungefähr gleichviel wie die Roten/Blauen
Ohne Widerstand kann man nur schätzen welcher strom Fließt, man verschenkt also einiges an Leuchtkraft(oder überlastet die LED)


und wie kann ich ne sicherung machen (verpolungsschutz) diode ??
Sicherung machen?
wießo keine Sicherung Kaufen? (10Cent)
bei Dioden ist ein Verpolen egal. sie leuchten zwar nicht, gehen aber auch nicht Kaput.


EDIT: Lötkolben: Die Spitze ist net spitz, ist aber nicht schlimm, ich kann auch so löten..
Bei Lötaugen hat man ca. 1mm Platz.
wenn die spitze dicker ist, dann wird es schwer.

Wie sieht denn deine Löterfahrung aus?
 
Zuletzt bearbeitet:
Mache grad mein Praktikum, morgen ist es zu ende. (Elektronik Unternehmen)
Ich denke, dass ich Löten kann ;)

edit:

+ |> - R1 + |> - R2 + |> - R3 + |> - R4 + |> - R5 + |> - R6 ______________-
____________________________________________________________+ 12V

wieviel volt spannung brauchen denn die LED ? (blau und rot)
 
Zuletzt bearbeitet:
Ja ok, aber mit dem Theoretischen klappt es nicht so :D


Zurück zur Lichterkette:
Wie viele LEDs?
Wie Lange?
welche LEDs?
Einschaltbar?
Verschiedene Modus geplant oder alle Dauer An/aus?
...
...

Spannung liegt jeh nach LED zwischen 1,9-3,7Volt.
rot liegt immer um die 2 Volt
Blau um die 3 Volt
Die Streuung der verschiedenen Farben liegt aber bei ca 0,5V daher must du dir erst die leds aussuchen und dann die Widerstände.
 
Zuletzt bearbeitet:
1. 8-10 Stück.

2. Länge ist egal.

3. 3/5/8mm blau oder rot

wenns geht modus
 
alpAsytLer schrieb:
1. 8-10 Stück.
Standard LEDs? oder Power LEDS (teuerer + sehr hell)
2. Länge ist egal.
hmm 0,5m 1m 10m?
3. 3/5/8mm blau oder rot
8mm gibt es sowas überhaupt? naja egal

wenns geht modus

Mein Vorschlag: Nimm einen Drehschalter (3pole 4 Stellungen). Damit kannst du 3 LED Module ansteuern und in 4 Verschiedenen Farianten leuchten lassen.
man könnte z.b. RGB LEDs einsetzen. dann kann man mit dem Drehschalter zwischen ROT/GRÜN/BLAU/ALLE (weiß) wählen.

mit einem 2. Drehschalter könnte man die Zwischenfarben erzeugen (Orange,Lila....)


edit:
wie die Werbung hier so schön passt.
Oben rechts ist werbung von LEDs.de die haben allerlei LEDs und sind sehr günstig.


edit2:
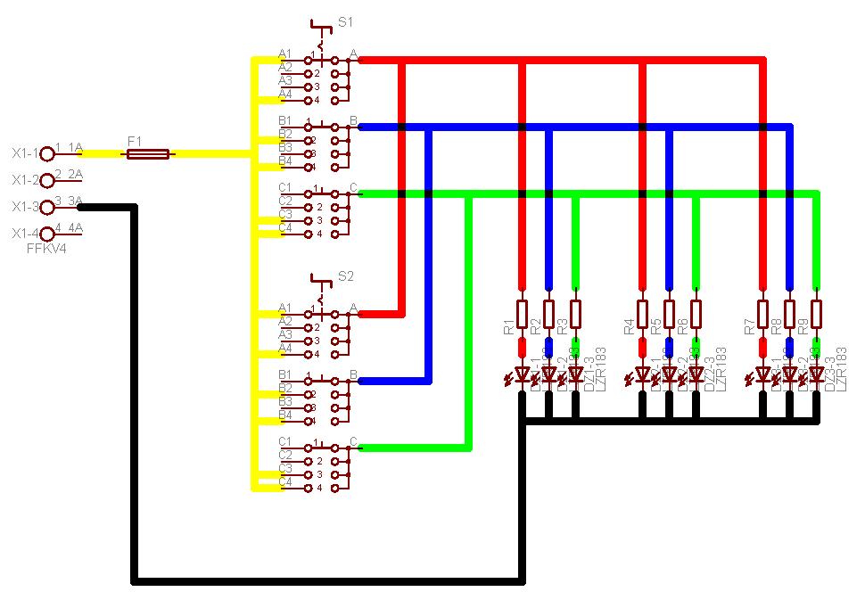
ich hab da mal was vorbereitet.
bei einem Schalter kannst 4 Farben machen, bei 2 Schaltern kannst 7 Farben machen.
Die Anzahl der LEDs ist fast beliebig erweiterbar.

Das ganze in einem Aluminium Profil versteckt, alle 5-10cm eine 3er LED, abgedeckt mit Matten Plexiglas, perfekt.
 

Anhänge

  • Unbenannt.JPG
    Unbenannt.JPG
    74,9 KB · Aufrufe: 186
Zuletzt bearbeitet:

Ähnliche Themen

AMD Ryzen 9 9950X3D2
Zurück
Oben