D
Deltasniper4
Gast
Guten Abend,
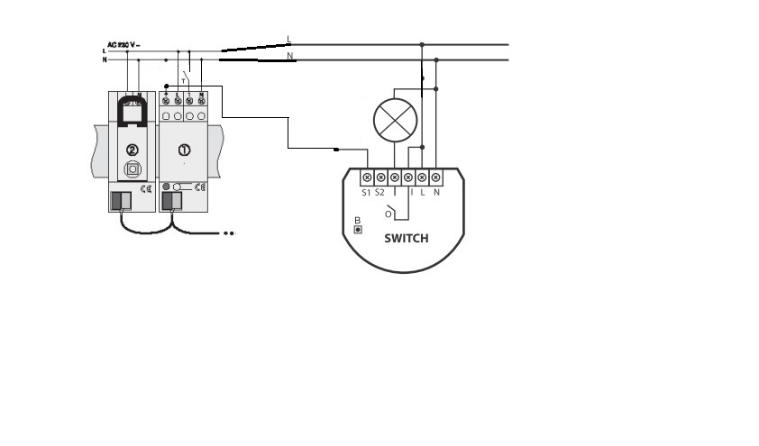
ich habe momentan für meine Gartenbeleuchtung ein System von Gira in einem kleinen Sicherungskasten in der Garage montiert. GIRA 113400 FUNK SCHALTAKTOR. Dieser hat auch noch eine "Nebenstelle", einen normalen Wippschalter.

Nun möchte ich dieses System mit einem Fibaro FGS211 kombinieren.

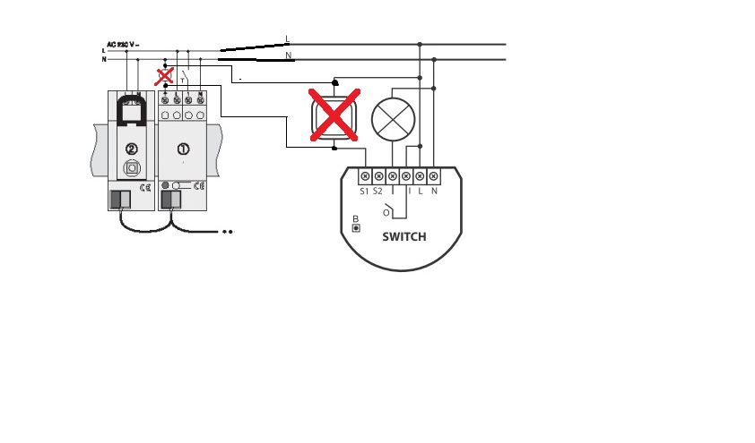
Dazu will ich den Gira komplett als Schalter verwenden. Im Prinzip wäre der Gira dann der Schalter im Schaltbild des Fibaro.
Ist das prinzipiell möglich oder lassen sich solche zwei Systeme nicht parallel betreiben? Ich weiß, dass solche Arbeiten nur von einem Elektriker ausgeführt werden sollen. Aber bevor ich diesen bei mir erscheinen lasse, wollte ich einmal kurz eure Meinung dazu hören. Vielleicht ist ja einer hier, der sich damit ein wenig besser auskennt.
ich habe momentan für meine Gartenbeleuchtung ein System von Gira in einem kleinen Sicherungskasten in der Garage montiert. GIRA 113400 FUNK SCHALTAKTOR. Dieser hat auch noch eine "Nebenstelle", einen normalen Wippschalter.

Nun möchte ich dieses System mit einem Fibaro FGS211 kombinieren.

Dazu will ich den Gira komplett als Schalter verwenden. Im Prinzip wäre der Gira dann der Schalter im Schaltbild des Fibaro.
Ist das prinzipiell möglich oder lassen sich solche zwei Systeme nicht parallel betreiben? Ich weiß, dass solche Arbeiten nur von einem Elektriker ausgeführt werden sollen. Aber bevor ich diesen bei mir erscheinen lasse, wollte ich einmal kurz eure Meinung dazu hören. Vielleicht ist ja einer hier, der sich damit ein wenig besser auskennt.

