Suche Wasserkühler für Striker II Extrene Fusionblock

q88

Lt. Junior Grade
Registriert
Dez. 2007
Beiträge
355
Hi leut!

Ich möchte mir demnächst ein paar dickere Schläuche zulegen! (19/13)
Die passen natürlich dann nicht mehr an die Fusionblocktüllen. (10/8)

Ich suche jetzt passenden Kühler dafür! Hat jemand von euch den schon mal gewechselt?
Wenn ja, welchen habt ihr benutzt oder wo kann ich solche finden? Ich habe
schon ewig danach gesucht.

Ich war auch schon drauf und drann mir selbst einen zu fräsen aber bei den Abmaßen
40mm x 40mm ist es schwer noch ein paar schlauchtüllen (19/13) zu verbauen. Mit den winzigen Schraubenhalterugen sowiso! M2 oder so
 

Anhänge

  • 1.jpg
    1.jpg
    142,5 KB · Aufrufe: 258
Zuletzt bearbeitet:
Also spontan gefunden hab ich den hier. Der passt laut der
Kompatibilitätstabelle von EK...
Der hier würde sich auch für deine Mosfets machen.
Es gibt bestimmt noch andere, die Tabelle von EK ist mir halt grad so eingefallen ;)

*edit* ich weis aber nicht in wiefern du deine Heatpipekonstruktion am Mainboard ansägen musst das der drauf passt.
Bei mir (ASUS Maximus II Formula) muss ich auch 2 Heatpipes abtrennen damit ich die Mosfets drauf bekomm.
Der Northbridgekühler wird bei mir zum Glück so drauf gesetzt ^^
 
Zuletzt bearbeitet:
Naja, die 2 Schrauben lösen, Fusionblock runter und dann sauber machen. Danach neue
Wärmeleitpaste drauf und den Kühlermontieren.
Bei den Mosfets sähs anders aus:
Das ganze Heat-Gestell abnehmen, die Heatpipes (Kupferrohre) die zu den Mosfets führen am Ansatz
des großen Kühlkörpers abtrennen und die Wakü-Kühler aufsetzen.

l_9c16a2efb29e478d1846572229f7ab0c.jpg


1.jpg


water.jpg


Viel Spass beim Umbauen, pls danach Bilder posten :)




*edit* Also wenns garnet passt das ganze Gestell runternehmen, evtl kann man den neuen Kühler auch einfachso draufmachen,
allerdings müssen die Mosfets und die SB ja auch iwi gekühlt werden. Aber beim Kühler sollte ne Anleitung dabei sein,
wenn nicht, einfach nochmal schreiben ;)
 
ey aber nach durchtrennen der Heatpipes können Mosfet´s und southbridge nicht mehr ausreichend gekühlt werden. Kennst du die Funktion der Heatpipes??? und ich möchte eigendlich die nicht extra mit wakü kühlen.

aber danke für die google bilder habe ich auch schon gsehen.
 
Kann mich dran erinnern das ein User hier im Forum beim alten Striker Extreme
die Heatpipe durch trennt hat und nur die NB mit Wasser gekühlt hat und den
Rest mit der durchtrennten Heatpipe passiv. Mal schauen ob ich den Link finde.
Habe so etwas nämlich auch mit meinem Maximus vor.
 
natürlich funktioniert das aber dann hast du denn schönen kühler zersägt!!!
 
Finde den Thread leider nicht mehr. Aber wenn ich nächsten Monat die Sache
umsetze werde ich sicher berichten :)
 
Wenn man die Möglichkeit hat sich einen zu Fräsen ist
das natürlich optimal :)
 
Ja!

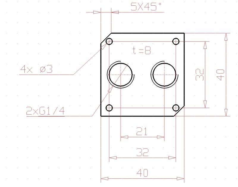
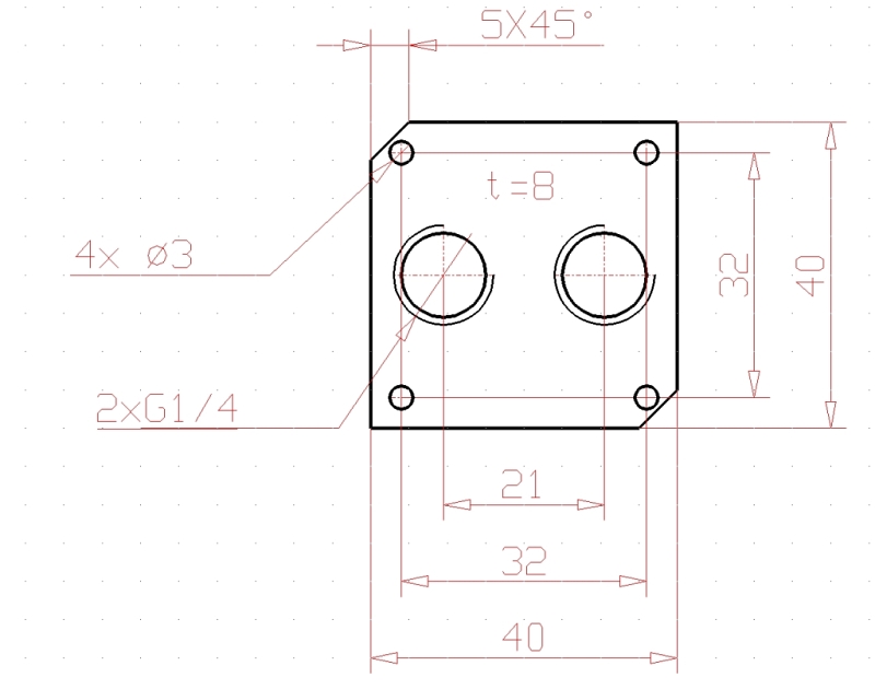
Ich habe mal nen paar kleine Zeichnungen
von nen ganz einfachen Kühler konstruiert und hochgeladen.

Haltebohrungen kommen später! die werden vom orginalbohrmuster abgebohrt.
Tiefe der Fräsungen bestimme ich auch später.

Aber ich weiß noch nicht ob das so funktionert.

Zeichnung Kühlkörper (Alu oder Kupfer) und Deckel (PVC Schwarz oder Delrin Weiß)
 

Anhänge

  • Zwischenablage03d.jpg
    Zwischenablage03d.jpg
    96,1 KB · Aufrufe: 223
  • Zwischenablage02dd.jpg
    Zwischenablage02dd.jpg
    96,2 KB · Aufrufe: 235
Gut Danke Leute!

Aber ich habe mir jetzt selbst einen Kühler gefräst! (Bohrmuster kommt noch)

Wollt den nur mal zur Schau stellen.
(Das kommt eigendlich in nen anderes Forum... wollt nur noch abschließen)

Ich bin mal gespannt auf die ersten test´s!
 

Anhänge

  • DSC04551.jpg
    DSC04551.jpg
    78,2 KB · Aufrufe: 250
  • DSC04559.jpg
    DSC04559.jpg
    84,3 KB · Aufrufe: 243
  • DSC04569.jpg
    DSC04569.jpg
    140,4 KB · Aufrufe: 283
Gefällt mir wirklich gut. Saubere Arbeit :D

Und schon Ergebnisse oder ist er noch nicht
im Betrieb?
 
Haste mal überlegt dir den aus Cu zu fräsen? Von der Optik her würde das glaube ich noch ein ganzes Stück mehr hermachen. Das war jetzt allerdings nicht als Kritik zu sehen. Das Teil sieht bombe aus :)
 
Ja Cu wäre 100 Pro besser aber da der Fusionblock auch aus Al ist bringt das nicht viel! Außerdem hatte ich nocht so viel Zeit und Al lässt sich einfacher, schneller fräsen.

Nachher kommen neue Bilder habe Haltebohrungen gebohrt / gefräst
 
Also:
1: der Kühlblock sieht echt schick aus :)
2: ich kenne die Funktion von Heatpipes... ;)
3: selbige zu durchtrennen wäre ja nur im Falle von eine Mosfet-Wakü....

(hab mein Maximus 2 heute übrigens genauso bearbeitet, wenn nächste Woche meine
anderen Wakü-Teile kommen gibts nen Projektthread.... )
 
soo!

Das Letzte ist geschehen! Er ist montiert!

Fazit:

bei 25°C Raumtemperatur und Montage mit MX2 WLP

Alter Kühler 55°C

Neuer Kühler 38°C

Huuuui
Das hätte ich nie gedacht. Ich glaube als nächstes kommt ein CPU Kühler im selben Stil! :D
 

Anhänge

  • DSC04587.jpg
    DSC04587.jpg
    64,3 KB · Aufrufe: 229
  • DSC04618.jpg
    DSC04618.jpg
    82,7 KB · Aufrufe: 238
  • DSC04580n.jpg
    DSC04580n.jpg
    86,3 KB · Aufrufe: 251
Zurück
Oben