Benmchmarking 2

Umbau FRITZ!Box 6850 5G für vier externe Antennen

Shazam86

Banned
Registriert
Aug. 2018
Beiträge
801
Moin,

ich habe mich nun entschieden meine FRITZ!Box 6850 5G doch ein wenig umzurüsten, da ich derzeit unter erheblichen Geschwindigkeits- und Verbindungsproblemen leide.

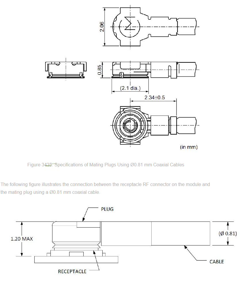
Hierbei möchte ich die internen Antennen gegen externe ersetzen. Ein Kumpel und ich haben uns dafür leider ein falsches Adapterkabel erworben, um zwei weitere SMA-Anschlüsse an der Box anzubringen. Hierbei sollte das Adapterkabel über die Lüftungsschlitze nach außen geführt werden. Wir wissen nun ehrlich gesagt nicht was das für ein Anschluss in der Box am 5G-Modem ist, an den dieser Adapter angeschlossen werden muss, unser aktuelles Kabel passt jedoch nicht. Wir haben uns dieses Kabel erworben, dieses passt aber nicht auf die Buchse des 5G-Modems, kann uns hier jemand kompetent helfen?

Vielen Dank,

Gruß
 
1723906294968.jpeg


Wenn ich das richtig ergoogelt hab, benötigst du SMA, dein Link ist aber ein RP-SMA

AVM-Link: https://at.avm.de/service/wissensda.../524_Aussenantenne-an-FRITZ-Box-anschliessen/

Die Außenantenne verfügt über SMA-Steckerverbinder (Sub-Miniature-A).
 
Nein, ich meine ein Kabel um zwei weitere SMA-Buchsen an der Box anbringen zu können, an denen dann die Antennen angeschlossen werden. Also ein Kabel welches vom 5G-Modem innerhalb der Fritzbox, also innerhalb des Gehäuses nach außen führt. Dieses hat an der einen Seite SMA und an der anderen?
 
OnlineMick schrieb:
Hierbei möchte ich die internen Antennen gegen externe ersetzen.

Was meinst du? Da sind doch zwei externe Antennen dabei? Die beiden Dinger, die hinten abstehen.

Außerdem bringen mehr Antennen nichts, wenn sie nicht richtig auf den LTE-Sender ausgerichtet sind. Dann lieber eine Außen- oder Fensterantenne kaufen, die richtig ausrichten, und eben an die beiden SMA-Stöpsel anbringen.
OnlineMick schrieb:
Also ein Kabel welches vom 5G-Modem innerhalb der Fritzbox, also innerhalb des Gehäuses nach außen führt.

Wat? Warum willst du innen an der Platine rumfummeln?
 
Derzeit sind bereits zwei Außenantennen mit der Box anstelle der Plastikantennen, die beigelegt wurden, verbunden. Dennoch ist insbesondere der Upload echt schlecht. Dieser liegt bei maximal 5 Mbit/Sekunde, wenn sich die Box hinter der Fensterscheibe befindet, denn diese ist beschichtet. Sobald ich den Router ans geöffnete Fenster lege erhöht sich der Upload auf 30 - 40 Mbit/Sekunde, was mich vermuten lässt, dass dies an den internen Antennen liegt. Ich kann den Router aber auch nicht auf die Fensterbank außerhalb des Fensters legen, denn dann ist sie dem Wetter ausgesetzt und wird über kurz oder lang zerstört. Daher bringen auch die Antennen von AVM nichts, das habe ich schon versucht. Daher müssen die internen Antennen gegen externe Außenantennen ersetzt werden und das geht nur mit diesem Adapter, an dem an der einen Seite ein SMA-Anschluss angebracht wurde und an der andere Seite ein Anschluss, den wir halt nicht kennen. An die neuen SMA-Buchen kommen dann die zwei weiteren Außenantennen, die sich dann auf meinem Balkon befinden.
 
Ich habe Deine erste Nachricht bereits als E-Mail erhalten @Mitaru, daher gehe ich auf diese auch jetzt ein.

Klar liegt es an der Beschichtung, aber wenn die Box keine internen Antennen besäße, hätte ich dieses Problem jetzt nicht, denn dann würde die Box ausschließlich auf die Außenantennen zurückgreifen, da sie aber interne Antennen besitzt, werden diese natürlich auch benötigt und diese befinden sich innerhalb des Raumes. Ich habe bereits zwei Außenantennen angeschlossen, das habe ich schon erwähnt. Diese befinden sich auf meinem Balkon, dennoch ist das Netz sehr instabil und langsam, insbesondere im Upload. Insofern habe ich Deinen Vorschlag bereits umgesetzt, jedoch ohne Erfolg. Da ich die Fenster nicht austauschen darf und keine andere Möglichkeit sehe dieses Problem zu beseitigen, bleibt nur die Option die internen Antennen gegen Außenantennen zu ersetzen. Ich habe von FTS Hennig bereits die Auskunft erhalten, welches Kabel ich brauche und habe dieses in zweifacher Ausfertigung, denn es sind zwei interne Antennen, die ersetzt werden müssen, bereits bestellt. Sobald dieses hier zugestellt wurde, werde ich mein Vorhaben in die Tat umsetzen und hoffe dann Ruhe zu haben. Daher, ja ich werde in dem Router herumfummeln, weil ich keine andere Wahl habe um den Empfang zu verbessern.

Ach ja, die von Dir genannte Antenne hatte ich schon in den Händen, dann aber zurückgeschickt, weil ich sie hier nirgendwo anbringen kann. Ich darf keine Löcher bohren, dies wurde mir von der Hausverwaltung untersagt, daher ging die Antenne zurück.
 
Hey gibts denn einen link zu den kabeln? möchte das auch machen, aber keine 40€ dafür bezahlen
 
Ich habe mir diese Kabel direkt bei FTS Hennig bestellt. Bei Amazon habe ich sie nicht gefunden. Sie sind auch schon angekommen, allerdings fehlt mir das Werkzeug um dieses Vorhaben sicher umsetzen zu können. Mein Kumpel hat dieses, sodass ich nun auf ihn warte, damit wir endlich das Projekt beenden können.
 
10€ für ein so Kabel? Schon heftig
 
Ich habe dort angefragt, welches Kabel man dafür braucht und mir wurde dieses empfohlen. Ich hatte auch keine Lust mehr zu suchen, da wir uns beide auch nicht mit diesen Anschlüssen auskannten und daher dieser Empfehlung nachgingen.
 
Ist ja quasi das?
Ich habe gerade diesen erstaunlichen Artikel auf AliExpress gefunden. Probiere ihn aus! 2,15€ | 2-teilige SMA/RP-SMA-Buchse auf MHF4 IPEX IPX HF-Stecker Pigtail-Kabel für Mini 0,81 mm PCI-Karte Intel WIFI-Karte 10 cm 15 cm 20 cm 30 cm
https://a.aliexpress.com/_mPpVw9E
 
Das ist für eine WLAN-Karte. Ich wäre skeptisch ob das der korrekte Anschluss ist, denn dies sieht nach dem Anschluss aus, den wir hier zuerst ausgesucht haben und bei dem das Kabel dann falsch war. Das falsche Kabel hätte auf eine WLAN-Karte eines alten Sony Vaio Notebooks gepasst, aber nicht auf das 5G-Modem der FRITZBox.
 
enspricht genau den daten von dem dem ausm link und sieht gleich aus, man kann nur auswählen zwischen RP-SMA-K (Wlan) und dem SMA-K das gleiche wie von Delock.
und der andere stecker MHF4

weis nur nicht ob das genauso gut ist

Insertion loss
≤0.15dB/6GHz

beim Delock
Kabeldämpfung 4,9 dB @ 2,4 GHz pro Meter
 
Ich kenne mich damit nicht so aus. Da es auch noch eine Weile dauern kann bis das ich dies getestet habe, kann ich dazu aktuell nichts sagen.
 
Ich setze weiterhin auf meine Außenantennen, die sollten auch funktionieren. Mal sehen
 
Zurück
Oben