3 Pin Power LED passt nicht auf 2 Pin Anschluss B550 Board

marco1973nrw

Cadet 4th Year
Registriert
Juli 2008
Beiträge
82
Hallo, Ich habe mir ein B550 Board bestellt und versuche es gerade in mein altes Antec P182 Gehäuse einzubauen.
Der Power LED stecker vom Gehäuse hat 3 PIN - der in der Mitte ist nicht belegt. Laut Boardbeschreibung soll ich den 2 PIN Stecker verbinden.
Ich habe im Netz nur gefunden, dass entweder das Board noch eine weitere Verbindungsmöglichkeit hat oder dass man den 3 Pin Stecker umbauen soll. Ich bekomme aber den Pin nicht gelöst und somit nicht in die Mitte verlegt. Wenn ich ihn nicht schon ganz zerstört habe...
Da ich nicht viel im Netz gefunden habe, gehe ich davon aus, dass die Lösung ganz einfach ist. Ich finde sie aber nicht und würde mich über eure Hilfe freuen.
LG
Marco
 
Anderen Stecker anlöten eine Moglichkeit? Oder den vorhandenen Stecker mit einer Zange in der Mitte auseinander clipsen?
 
Also entweder selber löten oder damit leben, dass es nicht leuchtet.
Du brauchst ja nur den Power Schalter zur Funktion, alles andere ist optional.
Ich habe noch ein Gehäuse aus den 90er Jahren, da ist es ähnlich.
Nur der Power Knopf geht immer.
Der Rest ist optional.
 
marco1973nrw schrieb:
Ich habe mir ein B550 Board bestellt
Ich hoffe, es ist auch angekommen. Welches der 83 in Deutschland verfügbaren B550-Boards ist es denn?
Ergänzung ()

Bartmensch schrieb:
Also entweder selber löten oder damit leben, dass es nicht leuchtet.
oder 3. den Stecker umbelegen (easy mit einer simplen Nadel machbar)
oder 4. einen irgendwo geernteten passenden Stecker mittels Scotchlok dranbasteln
oder 5. hoffen dass das Board einen Anschluss hat, der 2x Masse für der Powerbutton bietet
oder 6. einen komplett neuen Powerknopf verbauen.

Und das waren nicht alle Möglichkeiten - also bitte mit diesem "es gibt nur dieses 2 Lösungen" aufhören, nur weil der eigene Horizont nur diese 2 Lösungen hergibt...

Bartmensch schrieb:
Du brauchst ja nur den Power Schalter zur Funktion, alles andere ist optional.
Ja, er spricht auch nur vom Powertaster. Logischerweise braucht er dafür nur den Powertaster. Der übrigens kein Schalter ist.
 
Zuletzt bearbeitet:
Spackibert schrieb:
Ich hoffe, es ist auch angekommen. Welches der 83 in Deutschland verfügbaren B550-Boards ist es denn?
Ergänzung ()
Naja wenn er schon dabei ist den Stecker drauf zu bekommen dann sollte das Board wohl angekommen sein.

@ TE: Ich würde auf den Stecker verzichten. Hauptsache die Grundfunktion funktioniert. Hinter geht noch mehr kaputt.
 
Upinnen, umlöten oder eben den Stecker in den Mitte auftrennen, das nicht benötigte Plastik entfernen und die Pins einzeln aufstecken. Möglichkeiten gibt es viele... ;)
 
@Spackibert Wenn Wir schon beim Klug Scheissen sind: Der TE schrieb eindeutig von POWER LED nicht von POWER SWITCH!

Und wenn Du noch mehr klugscheissen möchtest: Auf den Mainboards steht immer etwas von POWER SWITCH. Du darfst gerne mal Google fragen, was "Switch" bedeutet.
Alles anderfe sind die Feinheiten der deutschen Sprache.

Und: Ich kenne durchaus auch PowerSchalter aus AT Computern.
Aber hierzulande sagt man zum UEFI ja auch BIOS, obwohl es keines mehr ist....;)
 
  • Gefällt mir
Reaktionen: cyberpirate
Bartmensch schrieb:
Wenn Wir schon beim Klug Scheissen sind: Der TE schrieb eindeutig von POWER LED nicht von POWER SWITCH!
Huch, da hast du natürlich recht :D

Bartmensch schrieb:
Auf den Mainboards steht immer etwas von POWER SWITCH.
Das ändert genau gar nichts daran, dass das ein Taster ist.
Bartmensch schrieb:
Und: Ich kenne durchaus auch PowerSchalter aus AT Computern.
Ja, die kenne ich ebenfalls. Auch das ändert aber absolut nichts daran, dass es heutzutage keine Schalter mehr sind.
 
Normalerweise sollte es mit einem kleinen Schraubendreher, Nadel o.ä. kein Problem sein den Kontakt umzulegen. Der Kontaktstift wird durch eine kleine Nase daran gehindert aus dem Stecker heraus zu rutschen. Diese sieht man in der seitlichen Öffnung des Steckers. Da drückst du vorsichtig drauf und ziehst gleichzeitig vorsichtig am Kabel.
Danach kannst Du das Kabel in die mittlere Öffnung des Steckers stecken.

Achtung Holzhammer ;)
Oder du nimmst einen Seitenschneider o.ä. und knippst den Stecker genau in der Mitte beim leeren Kontakt durch. Dann hast du zwei einzelne Stecker.
 
  • Gefällt mir
Reaktionen: Gelöscht 871778
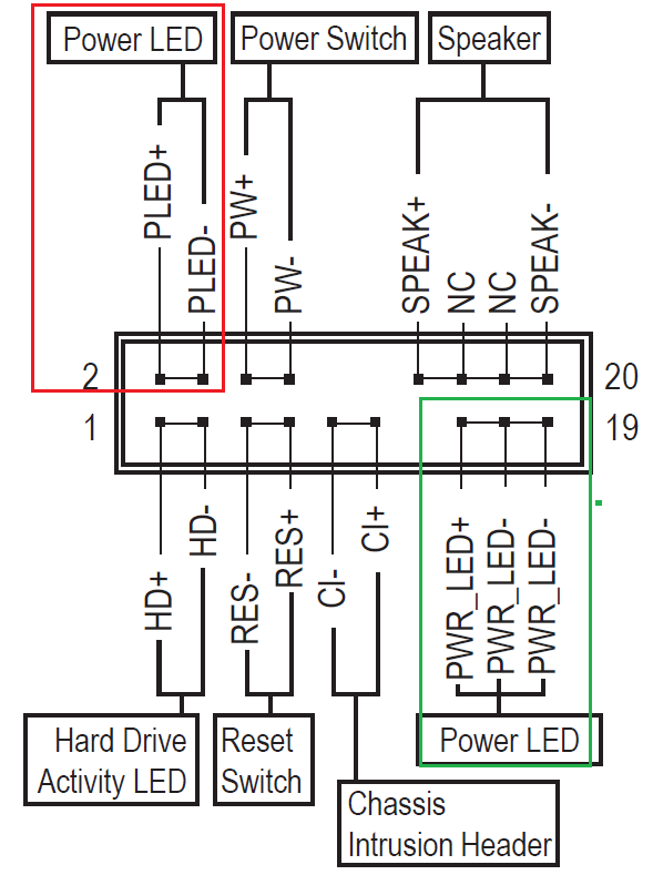
1.png

Hier ein B550 Board von Gigabyte, dieses hat zwei Power LED anschlüsse, da du deines nicht angegeben hast guck mal ins Handbuch.
 
  • Gefällt mir
Reaktionen: marco1973nrw und Gelöscht 871778
Oh, schon so viele Antworten - DANKE schon mal.

Ich dache die B550 Boards wären an der Stelle alle gleich - ich habe mir das MSI MPG B550 Gaming Edge WIFI gekauft. Wäre natürlich cool, wenn es da an einer anderen Stelle Platz für den Stecker gibt und ich nicht umbauen müsste. Wenn ich den Stecker... äh... den Taster, nicht schon geschrottet habe durch meine Versuche, das Kabel da raus zu bekommen.
Ergänzung ()

1647340563886.png

das hatte ich als Anleitung dabei...
Ergänzung ()

1647340863170.png

Mit diesen Komponenten, falls das noch wen interessiert...
 
Zuletzt bearbeitet:
marco1973nrw schrieb:
Wäre natürlich cool, wenn es da an einer anderen Stelle Platz für den Stecker gibt und ich nicht umbauen müsste.
Der Anleitung gibt es das leider nicht, du wirst also basteln müssen.

Der Vorschlag hier im Thread, einfach mit einem Seitenschneider die Mitte deines Steckers durchzuknipsen, dürfte am schnellsten gehen.
 
  • Gefällt mir
Reaktionen: marco1973nrw
durchknipsen und verkleinern - oder auf das Licht am Powerknopf verzichten?
Ergänzung ()

oder doch ein neues Gehäuse kaufen... wer weiß was da noch für Probleme kommen.
Ergänzung ()

muss nicht verkleinert werden.. die überstände kann ich einfach nach oben hin weggucken lassen... ja top, dann versuche ich das heute Abend mal
 
Wie nach oben die Anschlüsse liegen nebeneinander.
 
AMD Ryzen 9 9950X3D2
Zurück
Oben