PaladinX
Captain
- Registriert
- Okt. 2008
- Beiträge
- 3.397
Hi Leute,
bräuchte mal Eure Hilfe.
An meinem Dark Base sind ja die beleuchteten Front-LED-Seitenlinien (ich nenns mal so). Diese kann man mit dem Knopf oben am Panel in der Farbe wechseln etc. Ging immer super.
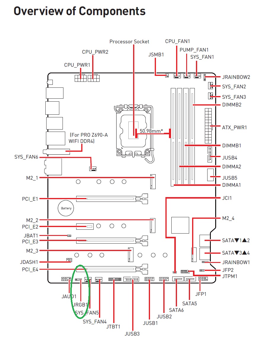
Nun dachte ich heute, ich probiere mal die MSI Mystic Light Steuerung aus (die schon die Beleuchtung meines RAMs steuert) und habe das RGB Kabel vom Controller auf der Rückseite des Gehäuses an den entsprechenden JRGB1 Anschluss des Boards angeschlossen (ja, richtig herum mit den 4 Pins)
Rechner gestartet, Software gestartet - ich konnte dort nichts an der Front-Panel-Beleuchtung modifizieren. Wird also entweder nicht erkannt oder kann nicht gesteuert werden.
Soweit, so gut, habs Anschlusskabel von JRGB wieder abgezogen.
Jetzt leuchtet das Front-panel nur noch in Weiss. Druck auf den Licht-Button am Frontpanel bewirkt garnichts mehr.
Ist da jetz was kaputt? Kann man das irgendwie resetten?
PC schon xmal neugestartet, Strom dran, Strom weg, es geht nur noch weiß oder garnicht, wenn ich das Stromkabel entferne.
Irgendwelche Ideen?
bräuchte mal Eure Hilfe.
An meinem Dark Base sind ja die beleuchteten Front-LED-Seitenlinien (ich nenns mal so). Diese kann man mit dem Knopf oben am Panel in der Farbe wechseln etc. Ging immer super.
Nun dachte ich heute, ich probiere mal die MSI Mystic Light Steuerung aus (die schon die Beleuchtung meines RAMs steuert) und habe das RGB Kabel vom Controller auf der Rückseite des Gehäuses an den entsprechenden JRGB1 Anschluss des Boards angeschlossen (ja, richtig herum mit den 4 Pins)
Rechner gestartet, Software gestartet - ich konnte dort nichts an der Front-Panel-Beleuchtung modifizieren. Wird also entweder nicht erkannt oder kann nicht gesteuert werden.
Soweit, so gut, habs Anschlusskabel von JRGB wieder abgezogen.
Jetzt leuchtet das Front-panel nur noch in Weiss. Druck auf den Licht-Button am Frontpanel bewirkt garnichts mehr.
Ist da jetz was kaputt? Kann man das irgendwie resetten?
PC schon xmal neugestartet, Strom dran, Strom weg, es geht nur noch weiß oder garnicht, wenn ich das Stromkabel entferne.
Irgendwelche Ideen?