Dumpfer Knall beim Einschalten des Computers

LittleHelper

Cadet 2nd Year
Registriert
Dez. 2005
Beiträge
24
Hallo,

Beim Einschalten meines Computers kommt aus den Lautsprechern immer ein dumpfer Knall. Ich habe es auch mit Kopfhörern proviert - das selbe.
Wahrscheinlich kommt es beim Einschalten am Audioausgang der Onbord-Soundkarte zu einer Spannungsschwankung.

Habe ein Abit AV8 mit AC'97 Onbord Sound und aktuellen Treiber von Realtek installiert.

Worin liegt da die Ursache? Was kann man dagegen tun?

MfG
 
Die abrupte Spannungsänderung (bei Ein- und Ausschalten) verursacht bei billigen Verstärkern das Knacken an den Lautsprechern. Bessere Geräte haben da eine Verzögerung eingebaut, scheint bei dem Board ja nicht der Fall zu sein.
 
Zuletzt bearbeitet:
Das ist (leider) Normal. das erste Signal, das deine Soundkarte abgibt, ist ein kancken. Das ist bei mio anderen Rechnern (auch bei mir) genauso. ist nix schlimmes! Aber lässt sich auch nicht ändern. Es sei denn du lässt beim anschalten die Lautsprecher aus...
 
die kontakte, bzw lötstellen sind bei onboardkarten net so das ware
dein knacksens ist zwar relativ stark, aber sollte normal sein
 
bobSE schrieb:
Was ham wa gelacht...

Die abrupte Spannungsänderung (bei Ein- und Ausschalten) verursacht bei billigen Verstärkern das Knacken an den Lautsprechern. Bessere Geräte haben da eine Verzögerung eingebaut, scheint bei dem Board ja nicht der Fall zu sein.[/QUOT


Richtig!!! Aber musst ihn ja nicht gleich dumm machen...
 
Wenn das "normal" ist, dann bin ich beruhigt.

Könnte man da etwas mit einem elektronischen Bauteil, wie einer Impuls- oder Verzögerungsschaltung, machen?
 
@Grandepunto
Das bezog sich auf nen mittlerweile gelöschten post...
Da hatte wer den falschen Thread erwischt und ich dachter ER wollte sich lustig machen.
 
bei dem AC97-Chip, wenn er im 5.1-Modus betrieben wird, ist der eigentlich Mikrofoneingang der Ausgang vom Subwoofer
beim Hochfahren und Laden der Treiber wird die Spannung für das Mikro (die von den meisten benötigt wird) abgeschaltet und das verursacht das Knallen
im Stereo-Betrieb sollte es nicht sein
es liegt keinesfalls an dem Lautsprechersystem

noch ne Frage, wo hast Du die Kopfhörer angeschlossen, am Verstärker oder am Ausgang des PC´s
ich kenne dieses Problem nicht von diesem Chip und ich hab schon einige Boards damit verbaut
 
Zuletzt bearbeitet:
Ich schließe Lautsprecher und Kopfhörer immer nur an den (grünen) Audioausgang der Onboard Soundkarte an. Ich habe keinen Verstärker.

MfG
 
dann hat das Board wirklich nen Knacks weg - also ich kenn das nicht
die Ausgänge sind galvanisch entkoppelt über einen Kondensator der so eine kleine Kapazität hat, dass selbst bei niederohmigen Lasten nichts zu hören sein sollte
es kann auch ein Fehler in der Reset-Schaltung des IC´s sein, so dass die Ausgänge zu früh freigegeben werden
aber darauf hat man keinen Einfluss

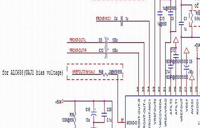
für alle Zweifler anbei ein Schaltungsauszug
 

Anhänge

  • 1.jpg
    1.jpg
    65,2 KB · Aufrufe: 365
Zuletzt bearbeitet:

Ähnliche Themen

Zurück
Oben