Alternate 1

Gehäuse Umzug (Pure Base 500DX)

Ozymandiaz

Cadet 4th Year
Registriert
Nov. 2017
Beiträge
74
Moin zusammen,

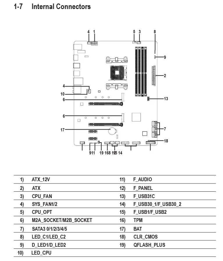
da ich von meinem alten Gehäuse in das neure Pure Base 500DX umziehe und das ja RGB Sachen installiert hat, würde ich diese an mein Mainboard Gigabyte Aorus X570 Elite anstecken wollen.

Nun bin ich jedoch zu dumm, um das Handbuch zu lesen. Wo stecke ich denn die entsprechenden Kabel des 500 DX auf dem Mainboard an? Sind die bei 8 oder 9 anzuhängen?

1639488399435.png
1639488463293.png
 
Ozymandiaz schrieb:
...und das ja RGB Sachen installiert hat...
Was sind "RGB-Sachen" ???
Und falls das neu sein sollte: Sowohl für das Mainboard als auch das Gehäuse gibt es Manuals in PDF-Form zum downloaden... Recherche? Schon mal gehört?
 
Zuletzt bearbeitet:
  • Gefällt mir
Reaktionen: HiveTyrant
Deathangel008 schrieb:
3pin-ARGB -> D_LED
Super danke für die Hilfe. Kurze Frage nebenbei. Wofür ist der andere Anschluss?

zonediver schrieb:
Was sind "RGB-Sachen" ???
Sorry, mit RGB-Sachen war gemeint das interne RGB Panel und an der Meshfront.

Und ja Handbücher hab ich mir beide angesehen, welche ich ja anscheinend nicht verstanden habe.

Schonmal in das 500 DX Handbuch geguckt?
Nein?

Hier zum nachlesen: https://www.manualslib.de/manual/638277/Be-Quiet-Pure-Base-500Dx.html?page=25#manual

Gibt nicht viel her das Ding.

Was soll direkt diese genervte Grundhaltung, wenn man als Laie mal Hilfe benötigt?
 
Zuletzt bearbeitet:
  • Gefällt mir
Reaktionen: HiveTyrant und Asghan
an C_LED kannste die üblichen „Meterware“ 12V RGB Streifen ausm Baumarkt anhängen
Die, wo nur eine Farbe gleichzeitig leuchtet. Gibt auch Lüfter mit sowas. Und LED_CPU evtl für den Prism Wraith Kühler von AMD, kA
 
  • Gefällt mir
Reaktionen: Cardhu und Ozymandiaz
1639493626891.png

Wenn man es weiß, sieht man, dass es ein 5V Anschluss ist :p


andimo3 schrieb:
an C_LED kannste die üblichen „Meterware“ 12V RGB Streifen ausm Baumarkt anhängen
lol, auf die Idee bin ich noch gar nicht gekommen :D
Das ist ja eine hervorragende Idee!
 
Lian Li O11 Vision-M
Zurück
Oben