Gesucht: Ein Tool welches dauerhaft PC Werte aufzeichnet zur Fehlersuche für PC Abstürze

1. ATX 24 Polig am Netzteil hängt schief ...

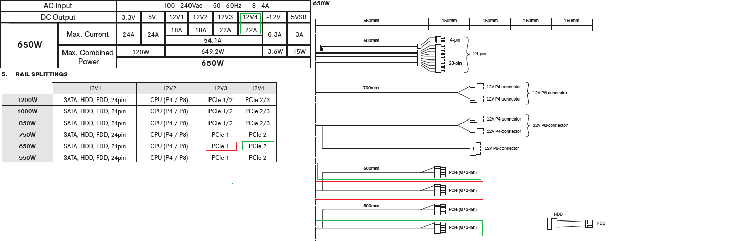
2. dein Netzteil hat 4 Rails da du die Grafikkarte nur an einem Rail Anschliesst kann es sein das der etwas überlastet. Bequiet empfiehlt daher bei Grafikkarten mit mehr als einem PCIe Stromanschluss je einen PCIe Stecker vom Netzteil in eine der GPU Buchsen zu stecken ... also beide Kabel benutzen die vom Netzteil kommen ... das kann die Systemstabilität erhöhen.

Rails des Netzteils

+12V1 (A)18
+12V2 (A)18
+12V3 (A)22
+12V4 (A)22

Welche davon ein PCIe sind ist jetzt nicht bekannt ... da 1 PCIe Stecker = 150 Watt Strom ... 2 am Kabel = 300 Watt maximum.

22 Ampere bei 12 Volt sind aber nur 264 Watt ... somit könnte die Grafikkarte ein Rail überbelasten wenn sie kurzzeitg viel fordert.

Wenn da nur 18 Ampere drann sind schauts noch düster aus. 216 Watt.
 
Zuletzt bearbeitet:
  • Gefällt mir
Reaktionen: iamcriso
9.png


Soo die Karte wird an jeder Ecke zu warm die einzigen 80 Grad sind bei der GPU. Von deinem Netzteil lassen sich von PCIE 3 und 4 Kabel ziehen und von den 4 Kabeln die de dann hast schließt dujeweios nur eines an die Karte an eines von 12V v3 und eines von 12 V V 4 wenn dir das zweite Kabel fehlt dann ist es so.

https://www.computerbase.de/forum/attachments/650-png.1014572/

Bin damit raus es wurden genug Sachen bemängelt und Lüsungvorschläge unterbreitet. Bevor das nicht behoben ist braucht man nirgends anders das suchen Anfangen.
Ergänzung ()
 
Zuletzt bearbeitet:
Viper1982 schrieb:
Bin damit raus es wurden genug Sachen bemängelt und Lüsungvorschläge unterbreitet. Bevor das nicht behoben ist braucht man nirgends anders das suchen Anfangen.

Das ist jetzt eine ernsthafte Frage, habe ich dir irgendetwas getan oder woher kommt dieser konstant abwertende/genervte Tonfall?
 
es hat sich für dich jemand in seiner Freizeit darum gekümmert zu helfen ... also Arbeit zu machen..

er hatte schon im Post#11 gesagt das das netzteil 2 Rails hat und du sie auch nutzen sollst.

dann deine Einschätzung es wäre alles richtig ... @ Post#20 .... wo immer noch das Netzteil mit einem PCIe Anschluss auf die Karte geht ....

er hat dir alles aufgezeigt ... liefern musst du nun.

P.S. ich bin auch raus ...
 
Zurück
Oben