Enermax Triathlor FC 550W in einem vergleichenden Test
Von Reinhard Szalghary.
Gliederung
1 Allgemeines zu PC-Netzteil-Tests
Unter allen Komponenten, die in modernen PCs eingesetzt werden, gibt es nirgends so große Qualitätsunterschiede wie bei Netzteilen. Und gleichzeitig sind bei keiner anderen Komponente qualifizierte Tests derart aufwändig.
Die Messung der Ausgangsspannungen eines PC-Netzteils bei Aufschaltung definierter Lasten ergibt alleine noch keinen besonders aussagekräftigen Test. Moderne CPUs und GPUs haben sowohl einen hohen Leistungsbedarf unter voller Last, als auch effektive Energiesparmechanismen. Zwischen diesen Leistungsprofilen können sie schnell umschalten. Ein PC-Netzteil muss wechselnde Lastsituationen ausregeln und darf dabei auch nicht kurzzeitig den Toleranzbereich der Spannungen verletzen.
Einige Tester verwenden günstige (~ 2000–5000$) automatische PC-Netzteil-Testsysteme (ATE) aus Taiwan (Sunmoon, Fast Auto, TechRed), andere nutzen die teuren Testsysteme (Chroma) der Labore von Netzteil-Distributoren oder -herstellern. Der letzte Ansatz bietet theoretisch die meisten Möglichkeiten, erfordert aber auch, dass sich die Tester gründlich mit dem Testsystem vertraut machen, dieses frei konfigurieren und ausnutzen können.
1.1 Netzteil-Technik
Effiziente Netzteile arbeiten heute meist nach dem Prinzip des LLC-Resonanzwandlers. Hierbei wird ein LC-Serien-Schwingkreis mit dem Transformator in Reihe geschaltet. Die Ansteuerung erfolgt nahe der Resonanzfrequenz. Somit fliessen Sinus-ähnliche Ströme, welche verlustarm bei Spannungsnulldurchgängen geschaltet werden können (Zero-Voltage-Switching). Als Nebeneffekt werden auch hochfrequente Spikes und Störstrahlung minimiert, wodurch die sekundärseitigen Entstördrosseln kleiner ausfallen oder ganz entfallen können. Die Lastregelung ist aber nur in gewissen Grenzen über eine Anpassung der Schaltfrequenz möglich. Bei geringer Last wird die Effizienz zunehmend schlechter und schließlich versagt die Regelung. Nun muss der Regler in einen anderen Modus wechseln und beispielsweise die Pulsweite anpassen.
Wir haben damit heute einerseits Hardwarekomponenten mit immer aggressiver arbeitenden Stromsparmechanismen und gleichzeitig Netzteile, für welche die Anpassung an plötzliche Lastschwankungen eine große Herausforderung darstellt.
1.2 Technische Standards und Anforderungen
Die technischen Anforderungen an PC-Netzteile spezifiziert der Intel „Power Supply Design Guide“. Dessen Vorgaben sind als Mindestanforderungen zu verstehen, die in einigen Bereichen von der Praxis überholt wurden. Auch im Interesse der Zukunftssicherheit ist es vorteilhaft, diese Vorgaben zu übertreffen. So wurde 2013 mit ATX12V 2.4 für den "Deep stand by mode"-C6/C7 der Haswell-CPUs der CPU-Mindestlaststrom (12V2) von 0.5 auf 0.05A abgesenkt, was nicht alle älteren Netzteile stabil beherrschten. Intel kümmert sich als CPU-Hersteller hier auch nicht weiter um die Anforderungen für Grafikkarten.
Für die Stromversorgung stehen allen PCI-Express-Erweiterungskarten 12V und 3.3V (max. 3A) zur Verfügung. Ein x1 Slot kann 10W bereitstellen, x4/x8 Slot 25W und ein x16 Slot 75W. Alle Laufwerke in einem PC werden aus 12V und 5V versorgt, vorgesehen aber (noch?) ungenutzt sind auch 3.3V.
Die PCI Express Workgroup spezifizierte 12V-Stromversorgungsstecker (2x3-polige: "150W Graphics Spec 1.0", 2x4 polig: "225 W/300 W High Power Card Specification 1.0"), die zusätzliche Leistung bereitstellen. Die Spannungswandler der Grafikkarten müssen dann selbst für eine entsprechende Lastverteilung der einzelnen Spannungsquellen sorgen.
Silentpcreview hatte die reale Lastverteilung auf den einzelnen PC-Versorungsleitungen untersucht. Dabei zeigte sich, dass heute die 12V-Schiene die Hauptlast trägt und für CPU und GPU alleine verantwortlich ist. Damit wird auch nur diese Schiene hohen dynamischen Belastungen ausgesetzt, während die 5V- und 3.3V-Schienen nur eine weniger schwankende Grundlast für einige On-Board-Komponenten, Erweiterungskarten und Laufwerke tragen.
1.3 Ausgewählte Netzteil-Anforderungen
Gemäß Intels Spezifikationen wird in bezug auf die Spannungsregulation die Einhaltung von 5% Toleranzen gefordert - mit Ausnahme der jetzt optionalen -12V-Schiene, die 10% abweichen darf. Das Netzteil muss auch mit kapazitiven Lasten von 10mF an jeder positiven Ausgangsspannung stabil arbeiten. In bezug auf das dynamische Lastregelverhalten (Output Transient Response) wird ein gleichzeitiger und zügiger (1A/µs, d.h. ~20µs Anstiegszeit) Belastungsimpuls auf eine Höhe von 40%, 60%, 30%, 30% des Maximalstroms von 12V1 (Mainboard), 12V2 (CPU), 5V und 3.3V vorgesehen, bei dem die Toleranzen ebenfalls nicht verletzt werden dürfen.
„Ripple“ bezeichnet periodische und „noise“ zufällige Schwankungen der Ausgangsspannungen. Niederfrequenter Ripple geht auf Wechselanteile der Eingangsnetzspannung zurück, hochfrequenter auf die Schaltfrequenz. Gemäß Spezifikation dürfen die Ripple- und Noisespannungen dabei maximal 120mVpp (pp: peak-to-peak) für die +/-12V-Schienen und 50mVpp für die Übrigen betragen - gemessen in einem Frequenzbereich von 10Hz bis 20MHz. Gute Netzteile unterschreiten diese Werte erfahrungsgemäß deutlich.
Ein hoher Ripple auf den Ausgangsspannungen kann zu einer verminderten Lebenserwartung von (Elektrolyt-) Kondensatoren auf den PC-Komponenten führen oder die Stabilität eines übertakteten Systems gefährden.
1.4 Abgeleitete Folgerungen für den Netzteil-Test
Es werden präzise, programmier- oder einstellbare elektronische Lasten benötigt, welche eine schnelle Umschaltung zwischen verschiedenen Lastprofilen erlauben. So kann auch das dynamische Lastverhalten und die Stabilität untersucht werden. Ein gleichzeitiges Monitoring aller Spannungen ermöglicht eine Berechnung der tatsächlichen Ausgangsleistung. Die Erfassung von Ripple- und Noise-Spannungen muss sehr breitbandig erfolgen.
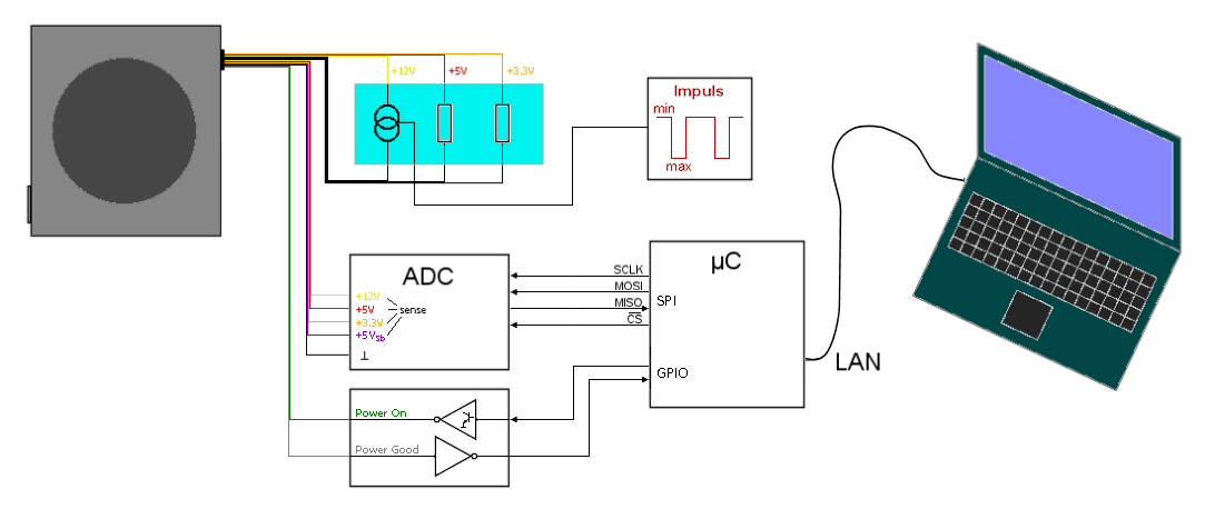
2 Die Netzteil-Testschaltung
Um auch technische Aspekte wie das dynamische Lastregelverhalten, welches in vielen Reviews nicht berücksichtigt wird, testen zu können, wurde eine Testschaltung entwickelt. Diese umfasst eine Lastschaltung, eine Mess- und A/D-Wandlerschaltung und ein Mikrocontollersystem.
Die Lastschaltung enthält einen NE555 basierenden Impulsgeber, dessen High- und Low-Zykluszeiten getrennt einstellbar sind. Dieser Impulsgeber schaltet OPV-geregelte Stromquellen permanent zwischen hohen und niedrigen Lastströmen an 12V2 (CPU) um, welche getrennt einstellbar sind. Die Stromquellen sind gegenwärtig mit bipolaren Transistoren realisiert, die bis 2x100W (2x8A) belastet werden können. Für höhere Belastungen wären mehr Lastkanäle und der Einsatz von IGBTs notwendig. Die anderen Spannungsschienen werden bisher mit Festwiderständen belastet.
Für die automatisierte Messung und Protokollierung wird ein „Raspberry Pi2“ als Zielsystem eingesetzt. Es verwendet ein BCM2835 System-On-a-Chip, das neben einem klassischen ARM Prozessor-Core verschiedene Funktionseinheiten (Video Core, SDRAM, GPIO) enthält. Seine GPIO-Pins (General Purpose Input/Output) werden auf einer zweireihigen 26-pin Pfostenleiste mit 17 digitalen I/O Pins nach Außen geführt. Einige Pins besitzen eine alternative Funktion, dazu gehört das hier verwendete schnelle SPI-Interface mit 2 Adressleitungen [CS].
Zum „gleichzeitigen“ Messen der Ausgangsspannungen wird der kostengünstige 4-Kanal 12Bit-A/D-Wandler MCP3204 eingesetzt. Er arbeitet nach dem Prinzip der sukzessiven Approximation und sendet sehr zeiteffektiv synchron zu einem laufenden Wandlungsvorgang die bereits festliegenden höherwertigen Bits seriell über den SPI-Bus.
40KHz Eingangstiefpassfilter schwächen transiente Spannungsspitzen (Spikes) ab. Multi-Turn Trimmer erlauben eine exakte Anpassung an die Eingangspegel entsprechend der softwareseitigen Skalierung. Eine TL431 Spannungsreferenz stellt die angestrebte Genauigkeit unter allen Temperatur- und Lastzuständen sicher.
Für die Ansteuerung der SPI Schnittstelle und der GPIO-PINs unter C erwiesen sich die Linux-Systemtreiber als nicht performant genug. Verwendet wurde daher die BCM2835 Bibliothek von Mike McCauley. Der MCP3204 wird bei 3.3V mit einem SPI-Takt von 2MHz betrieben, was 80 KS/s [80000 Messwerte pro Sekunde] erlaubte. Mit höheren SPI-Takten werden die Messergebnisse zunehmend ungenauer. Der Impulsgeber der Lastschaltung wurde auf 500Hz mit einem Tastverhältnis von 1:4 (hoher : niedriger Strom) eingestellt.
Das erstellte Testprogramm initiiert und protokolliert zunächst einen An-/Abschaltvorgang des Netzteils und überwacht dann die Spannungen im eingeschalteten Zustand. Interessante Spannungsverläufe werden in Log-Dateien im CSV-Format protokolliert. Ein separat implementierter Web-Server ermöglicht die Übertragung der Logdateien über das Netzwerk mittels HTTP-GET Befehl. Die Logdateien werden mit der auf numerische Berechnungen spezialisierten Software Matlab auf einem PC ausgewertet und veranschaulicht.
2.1 Lasttest
Für den dynamischen Lasttest wurde eine PC-ähnliche Last konfiguriert. Die Laständerungen entsprechen einer stark übertakteten CPU oder einer Mittelklasse-GPU. Diese Lasten sollten 550W-Netzteile souverän handhaben können ohne auch nur in die Nähe der Toleranzgrenzen zu gelangen.
Min-Last: 37W
Für die Betrachtung von Ripple und Noise auf den Ausgangsspannungen mit einem 100MHz-Oszilloskop wurde eine höhere 12V-Last verwendet. Im Interesse möglichst aussagekräftiger und vergleichbarer Ergebnisse wurden die Messungen in Anlehnung an Intels Empfehlungen für einen "Differential Noise Test Setup" mit kleinen Abblockkondensatoren (0.1+10uF) an den Ausgängen des Netzteils durchgeführt, welche eine angeschlossene Last simulieren.
Osz-Last: 291W
3 Das Enermax Triathlor FC 550W ETA550AWT-M
Das Triathlor FC wurde 2012 auf den Markt gebracht und vom Marketing als "Langläufer" beworben. Es ersetzte die ältere MODU82+ Serie, ist ebenfalls 80Plus-Bronze zertifiziert und weist mit 140mm Tiefe die kompakte Standardgröße auf. In Deutschland wurde die Serie durch das Triathlor Eco ersetzt; international sind noch das 650W und 700W Modell im Handel.
Bei diesem Modell wurde auf einen aufwändigen LLC-Resonanzwandler verzichtet, sonst sind alle modernen technischen Kernmerkmale vorhanden: Aktiv-PFC, Synchrongleichrichtung mit geschalteten MOSFETs, DC-DC-Schaltregler-Module für 3.3V und 5V sowie ein komplettes Schutzschaltungs-Set. Die DC-to-DC-Module sollen für verbesserte Effizienz und Spannungsregulation bei aggressiven Energiesparfunktionen der versorgten CPU und GPU sorgen. Der 12cm Lüfter besitzt ein langlebiges und laufruhiges „Twister-Lager“. Die Kabel für Mainboard und CPU wurden gesleevt; modular bestückbare Flachbandkabel sind für Laufwerke und Grafikkarten vorgesehen. Die Steckerkonfiguration lässt keine Wünsche offen, so liegt z.B. ein 6+2 und ein 2x 6+2 poliges PCI-E-Kabel bei. Die 12V-Schiene wurde in zwei separat Überstrom-überwachte Schienen (12V1, 12V2) aufgeteilt. Das Netzteil besitzt ein durch Enermax selbst entwickeltes PCB.
3.1 Kommentierung technischer Details
Das PCB besitzt ein ordentliches, aber etwas gedrängtes Layout. Aufgrund der Platzenge um die DC-DC-Module wurden einige Komponenten etwas schräg bestückt. Die Kühlung der Halbleiter-Baulemente erfolgt über zwei passend gestanzte und schwarz eloxierte Profil-Kühlkörper sowie ein Kühlblech für den primärseitigen Brückengleichrichter. Das PCB basiert - wie so oft in dieser Netzteilklasse - nur auf einseitig kupferkaschiertem (single-layer) Hartpapier (Pertinax). Der Netzspannungs-Eingang wurde mit abziehbaren Flachsteckern ausgestattet, der Platinenausbau ist platzbedingt dennoch nicht ganz einfach. Der Netzspannungs-Eingangsfilter ist vollständig. Ein Ringkern, der MOV und eine Strom-kompensierte Eingangsdrossel wurden mit Schrumpfschläuchen isoliert - letzteres wirkt auch lastabhängigem Spulen-Summen entgegen. Die Einschaltstrombegrenzung findet wie üblich mit einem NTC statt. Der primäre Siebekondensator ist ein 390µF 400V Panasonic UQ mit 85 Grad Temperaturfestigkeit. Die sekundäre Ausgangskapazität wird durch drei Nippon Chemi-con 2200µf 16V KZE Elektrolytkondensatoren gebildet. Dieses speziell für PC-Netzteile miniaturisierte Modell taucht nicht im KZE-Datenblatt auf, wird aber von verschiedenen Netzteilherstellern oft verwendet. Die Ausgänge der 5V- und 3.3V-VR-Module besitzen nur jeweils 2x820µF + 100µF Polymer-Kapazität. Zur Unterdrückung von hochfrequenten Spikes besitzen alle Ausgangs-Schienen Ringkern-Entstördrosseln, große keramische Ausgangskondensatoren (MLCs) wurden nicht vorgesehen. Nach den Entstördrosseln sitzen an den 3.3V- und 5V-Ausgängen die erwähnten 100µF Polymerkondensatoren, welche mangels niederinduktiver Masseflächen auf kurzem Wege nur an die Gehäusemasse und nur über lange Umwege an die Masseschiene geschaltet wurden. Da zudem das Gehäuse elektrisch isolierend lackiert wurde, ist ihre Wirksamkeit sehr eingeschränkt.
Die Lötqualität ist generell gut und das PCB wurde auch ausreichend gereinigt.
4 Test
4.1 Impulslast
Bei der Beaufschlagung der 12V-Schiene mit mit 180W-Lastimpulsen zeigte sich das Triathlor erfreulich stabil. Die 12V-Spannung driftet kurzeitig nur um 1.5%. Der Regler arbeitet flink, schwingt in Lastphasen aber etwas nach. Der Normwert der Ausgangsspannungen liegt grundsätzlich innerhalb des Bereiches von 1% um den Idealwert. Das dynamische 12V-Lastregelverhalten ist sehr gut, die 5V- und 3.3V-DC-DC-VR-Module sind allerdings nur gering von der 12V-Spannung entkoppelt.
Die 500Hz Impulslast war aus relativer Nähe akustisch gut wahrnehmbar, eine 5 KHz Impulslast auch noch aus einigem Abstand.
4.1.1 Impulslast im Vergleich mit anderen Netzteilen
Durch das schnellere Reglerverhalten sind die kurzzeitigen Spannungsschwankungen bei Impulslasten nur etwa halb so groß wie bei den 80+Gold-zertifizierten Netzteilen Enermax Revolution 87+ und Cooler Master V550S, die mit einem LLC-Resonanzwandler arbeiten.
Das SilverStone SST-ST60F-SG wird nur mit den Sugo SG07/SG08 Gehäusen vertrieben. Es ist ein 600W 80+Bronze Netzteil, das auf stabile Spannungen zu geringen Kosten ausgelegt wurde. Die 12V-Schiene wurde mit satten 11000µF Pufferkapazität bestückt. Kernmerkmale sind aktive PFC, passive Gleichrichtung mit Shottky-Dioden, eine einzige +12Volt-Schiene (46 A), Gruppenregelung für 12V und 5V. Die 3.3V Spannung wird auf klassischem Wege durch Verschieben der Impulse der 5V-Schiene auf eine zusätzliche Drossel erzeugt, wobei eine Shunt-Spannungsreferenz als zusätzlicher Spannungsregler eingesetzt wird.
Die Gruppenregelung macht sich bei den 12V-Impulslasten in einer bleibenden Reglerabweichung bemerkbar. Die maximalen Spannungsabweichungen sind aber ähnlich groß wie beim Triathlor. Der Regler reagiert langsam und ohne Überschwinger auf die Belastung.
Bei der Betrachtung aller Ausgangsspannungen wird der spiegelbildliche Effekt des Regelung auf 12V und 5V deutlich: die Gegenreaktion des Reglers auf einen 12V-Spannungseinbruch hat eine Erhöhung der 5V-Spannung zur Folge. Hier zeigt sich auch der Grund für die behutsam langsame Regelung: jede plötzliche Spannungsdrift führt zu einer empfindlichen Einschwingreaktion des 3.3V Reglers. Die maximale Drift aller Ausgangsspannungen bleibt im 2% Bereich. Beim Einschaltvorgang erreicht die 3.3V-Spannung kurzzeitig einen Wert von über +7%, was aber noch erlaubt ist.
Das be quiet! Straight Power E9 400W (E9-400W) basiert auf der FSP Aurum Plattform und verwendet die Technologien des Active Clamp und der aktiven Synchrongleichrichtung um eine Effizienz auf 80+Gold-Niveau zu erreichen. Im Netzteil hatte ich allerdings die Elektrolytkondensatoren (CapXon, Ost) gegen langlebige Rubycon ZLH/ZL mit geringerem ESR aber auch geringerer Kapazität ausgetauscht.
Der Regler des E9 arbeitet noch wesentlich langsamer als der des SST-ST60F-SG, so dass die Spannungseinbrüche bei Impulsbelastung kaum mehr kapazitiv aufgefangen werden können. Die maximale Drift ist hier mit 2.8% (im Original etwa 2.6%) deutlich höher.
Warum bei gruppenregulierten Netzteilen so behutsam geregelt wird, macht ein Blick auf das ältere Cooler Master RS-520 deutlich. Es handelt sich um eines der ersten Netzteil-Modelle mit aktiver PFC und 80+ Zertifizierung.
Der Regler des RS-520 arbeitet sehr flink und die Spannungsdrift auf 12V und 5V bleibt auch recht gering. Dafür kommt es aber bei allen (v.a. aber den steigenden) Lastimpuls-Flanken zu einem starken transienten Schwingen der 3.3V Spannung.
Nach diesem vergleichenden Ausblick geht es weiter mit dem Triathlor 550W.
4.2 Kapazitive Last
Bei kapazitiver Belastung der 12V-Ausgänge mit 3600µF, was etwas mehr ist, als in heutigen PC-Systemen erwartet werden kann, zeigt sich ein noch etwas besseres Lastregelverhalten. Dabei kommt es auch nicht zu einer stärkeren Schwingneigung.
4.3 An-/Ausschaltvorgang
Die Betrachtung eines kompletten An-/Abschaltzyklus bei aktivierter Impulslast zeigt keine Überraschungen. Zum Ende des Tests kommt es zu einer moderaten Erhöhung der 12V-Spannung auf +3%. Verursacht wurde dies durch einen Lastimpuls, der noch nach dem Ausschalten auftrat, was unkritisch ist.
4.4 Ripple und Noise
Ein Blick mit dem Oszilloskop auf das halb-ausgelastete Netzteil zeigt, wie sauber die Ausgangsspannungen sind.
Zu beachten ist, dass hier im Gegensatz zu den Reviews des Cooler Master V550S und des Enermax Revolution 87+ eine Empfindlichkeit von nicht 10mV sondern 20mV pro Skaleneinheit verwendet wurde.
Die Ausgangsspannungen weisen eine geringe Restwelligkeit, aber ausgeprägte hochfrequente Spikes auf. Diese betragen bei allen Hauptspannungen über 120mVpp und bei 5Vsb 85mVpp. Die Spikes an 5V und 3.3V verletzten damit die erlaubten Noise-Spannungen des ATX-Standards.
Hier zeigen sich die Auswikungen der unter 3.1 (technische Details) besprochenen Designschwäche. Das single-layer PCB besitzt keine Masseflächen zur Entkopplung der Ausgänge und die Gehäusemasse ist auch bei einem Einbau des Netzteils in ein PC-Gehäuse durch eine Lackschicht isoliert. Im Interesse einer etwas besseren Entstörung der Ausgangsspannungen empfielt es sich daher, dafür keine glatt-flächigen und keine lackierten Gehäuseschrauben zu verwenden, um über die Schrauben eine elektrische Verbindung zwischen PC- und Netzteil-Gehäuse herzustellen.
4.5 Effizienzmessung
Abschliessend wurde eine vergleichende Berechnung der Effizienzen durchgeführt. Dafür wurde die aufgenommene primäre Wirkleistung mit einem NZR SEM 16+ Energiemonitor gemessen. Bei diesem einfachen Versuchsaufbau sind die bestimmten Wirkungsgrade allerdings nicht bis zur letzten Stelle genau.
5 Fazit
Das Design des Netzteils wirkt - wie von Enermax gewohnt - trotz Kostenoptimierung sorgfältig und funktionssicher. Das PCB-Basismaterial ist preiswertes aber gut verarbeitetes Pertinax, die Lötqualität und die Bauteilqualität sind gut. Das Netzteil weist präzise Spannungen und ein sehr gutes dynamisches 12V-Lastregelverhalten auf. Bedingt durch das Layout und die einseitig kupferkaschierte Platine ist die Entstörung der Ausgangsspannungen unbefriedigend. Das lackierte Gehäuse sollte deshalb beim Einbau einen elektrischen Kontakt zum PC-Gehäuse erhalten. Der Wirkungsgrad ist für die Effizienzklasse bei höherer Last sehr gut, bei geringer Last aber enttäuschend. Der Lüfter läuft auch bei schwacher Last nicht unhörbar, sondern nur relativ leise. Bei Impulslast wird auch ein Spulensummen hörbar. Für dedizierte Silent-Projekte, die Unhörbarkeit anstreben, eignet sich dieses Netzteil nicht. Anwender, die nur einen relativ leisen PC wünschen, sollten aber zufriedengestellt werden.
In Reflexion dieses Tests sollte man bei der Anschaffung preiswerter Netzteile bedenken, dass 80+Bronze-Netzteile, die keinen LLC-Resonanzwandler aber DC-DC-Module besitzen, in der dynamischen Spannungsregulation stabiler sind und daher auch stärker ausgelastet werden können. In PC-Systemen, die nicht den Großteil ihrer Einsatzzeit im Idle-Zustand verharren und bei denen die Spannungs-Stabilität im Vordergrund steht (Gaming, Overclocking), haben diese Netzteile absolut ihre Berechtigung.
Für aussagekräftige Tests von Netzteilen mit LLC-Resonanzwandlern muss v.a. das dynamische Lastregelverhalten (transient response test) berücksichtigt werden, wogegen für Netzteile ohne LLC-Resonanzwandler Tests mit statischen Lasten (inkl. crossload) meistens bereits aussagekräftig sind.
Hinweis: das Netzteil wurde mir ursprünglich von Enermax zur Verfügung gestellt, wofür ich meinen späten Dank aussprechen möchte.
Von Reinhard Szalghary.
Gliederung
- 1 Allgemeines zu PC-Netzteil-Tests
- 2 Die Netzteil-Testschaltung
- 3 Das Enermax Triathlor FC 550W ETA550AWT-M
- 4 Test
- 5 Fazit
1 Allgemeines zu PC-Netzteil-Tests
Unter allen Komponenten, die in modernen PCs eingesetzt werden, gibt es nirgends so große Qualitätsunterschiede wie bei Netzteilen. Und gleichzeitig sind bei keiner anderen Komponente qualifizierte Tests derart aufwändig.
Die Messung der Ausgangsspannungen eines PC-Netzteils bei Aufschaltung definierter Lasten ergibt alleine noch keinen besonders aussagekräftigen Test. Moderne CPUs und GPUs haben sowohl einen hohen Leistungsbedarf unter voller Last, als auch effektive Energiesparmechanismen. Zwischen diesen Leistungsprofilen können sie schnell umschalten. Ein PC-Netzteil muss wechselnde Lastsituationen ausregeln und darf dabei auch nicht kurzzeitig den Toleranzbereich der Spannungen verletzen.
Einige Tester verwenden günstige (~ 2000–5000$) automatische PC-Netzteil-Testsysteme (ATE) aus Taiwan (Sunmoon, Fast Auto, TechRed), andere nutzen die teuren Testsysteme (Chroma) der Labore von Netzteil-Distributoren oder -herstellern. Der letzte Ansatz bietet theoretisch die meisten Möglichkeiten, erfordert aber auch, dass sich die Tester gründlich mit dem Testsystem vertraut machen, dieses frei konfigurieren und ausnutzen können.
1.1 Netzteil-Technik
Effiziente Netzteile arbeiten heute meist nach dem Prinzip des LLC-Resonanzwandlers. Hierbei wird ein LC-Serien-Schwingkreis mit dem Transformator in Reihe geschaltet. Die Ansteuerung erfolgt nahe der Resonanzfrequenz. Somit fliessen Sinus-ähnliche Ströme, welche verlustarm bei Spannungsnulldurchgängen geschaltet werden können (Zero-Voltage-Switching). Als Nebeneffekt werden auch hochfrequente Spikes und Störstrahlung minimiert, wodurch die sekundärseitigen Entstördrosseln kleiner ausfallen oder ganz entfallen können. Die Lastregelung ist aber nur in gewissen Grenzen über eine Anpassung der Schaltfrequenz möglich. Bei geringer Last wird die Effizienz zunehmend schlechter und schließlich versagt die Regelung. Nun muss der Regler in einen anderen Modus wechseln und beispielsweise die Pulsweite anpassen.
Wir haben damit heute einerseits Hardwarekomponenten mit immer aggressiver arbeitenden Stromsparmechanismen und gleichzeitig Netzteile, für welche die Anpassung an plötzliche Lastschwankungen eine große Herausforderung darstellt.
1.2 Technische Standards und Anforderungen
Die technischen Anforderungen an PC-Netzteile spezifiziert der Intel „Power Supply Design Guide“. Dessen Vorgaben sind als Mindestanforderungen zu verstehen, die in einigen Bereichen von der Praxis überholt wurden. Auch im Interesse der Zukunftssicherheit ist es vorteilhaft, diese Vorgaben zu übertreffen. So wurde 2013 mit ATX12V 2.4 für den "Deep stand by mode"-C6/C7 der Haswell-CPUs der CPU-Mindestlaststrom (12V2) von 0.5 auf 0.05A abgesenkt, was nicht alle älteren Netzteile stabil beherrschten. Intel kümmert sich als CPU-Hersteller hier auch nicht weiter um die Anforderungen für Grafikkarten.
Für die Stromversorgung stehen allen PCI-Express-Erweiterungskarten 12V und 3.3V (max. 3A) zur Verfügung. Ein x1 Slot kann 10W bereitstellen, x4/x8 Slot 25W und ein x16 Slot 75W. Alle Laufwerke in einem PC werden aus 12V und 5V versorgt, vorgesehen aber (noch?) ungenutzt sind auch 3.3V.
Die PCI Express Workgroup spezifizierte 12V-Stromversorgungsstecker (2x3-polige: "150W Graphics Spec 1.0", 2x4 polig: "225 W/300 W High Power Card Specification 1.0"), die zusätzliche Leistung bereitstellen. Die Spannungswandler der Grafikkarten müssen dann selbst für eine entsprechende Lastverteilung der einzelnen Spannungsquellen sorgen.
Silentpcreview hatte die reale Lastverteilung auf den einzelnen PC-Versorungsleitungen untersucht. Dabei zeigte sich, dass heute die 12V-Schiene die Hauptlast trägt und für CPU und GPU alleine verantwortlich ist. Damit wird auch nur diese Schiene hohen dynamischen Belastungen ausgesetzt, während die 5V- und 3.3V-Schienen nur eine weniger schwankende Grundlast für einige On-Board-Komponenten, Erweiterungskarten und Laufwerke tragen.
1.3 Ausgewählte Netzteil-Anforderungen
Gemäß Intels Spezifikationen wird in bezug auf die Spannungsregulation die Einhaltung von 5% Toleranzen gefordert - mit Ausnahme der jetzt optionalen -12V-Schiene, die 10% abweichen darf. Das Netzteil muss auch mit kapazitiven Lasten von 10mF an jeder positiven Ausgangsspannung stabil arbeiten. In bezug auf das dynamische Lastregelverhalten (Output Transient Response) wird ein gleichzeitiger und zügiger (1A/µs, d.h. ~20µs Anstiegszeit) Belastungsimpuls auf eine Höhe von 40%, 60%, 30%, 30% des Maximalstroms von 12V1 (Mainboard), 12V2 (CPU), 5V und 3.3V vorgesehen, bei dem die Toleranzen ebenfalls nicht verletzt werden dürfen.
„Ripple“ bezeichnet periodische und „noise“ zufällige Schwankungen der Ausgangsspannungen. Niederfrequenter Ripple geht auf Wechselanteile der Eingangsnetzspannung zurück, hochfrequenter auf die Schaltfrequenz. Gemäß Spezifikation dürfen die Ripple- und Noisespannungen dabei maximal 120mVpp (pp: peak-to-peak) für die +/-12V-Schienen und 50mVpp für die Übrigen betragen - gemessen in einem Frequenzbereich von 10Hz bis 20MHz. Gute Netzteile unterschreiten diese Werte erfahrungsgemäß deutlich.
Ein hoher Ripple auf den Ausgangsspannungen kann zu einer verminderten Lebenserwartung von (Elektrolyt-) Kondensatoren auf den PC-Komponenten führen oder die Stabilität eines übertakteten Systems gefährden.
1.4 Abgeleitete Folgerungen für den Netzteil-Test
Es werden präzise, programmier- oder einstellbare elektronische Lasten benötigt, welche eine schnelle Umschaltung zwischen verschiedenen Lastprofilen erlauben. So kann auch das dynamische Lastverhalten und die Stabilität untersucht werden. Ein gleichzeitiges Monitoring aller Spannungen ermöglicht eine Berechnung der tatsächlichen Ausgangsleistung. Die Erfassung von Ripple- und Noise-Spannungen muss sehr breitbandig erfolgen.
2 Die Netzteil-Testschaltung
Um auch technische Aspekte wie das dynamische Lastregelverhalten, welches in vielen Reviews nicht berücksichtigt wird, testen zu können, wurde eine Testschaltung entwickelt. Diese umfasst eine Lastschaltung, eine Mess- und A/D-Wandlerschaltung und ein Mikrocontollersystem.
Die Lastschaltung enthält einen NE555 basierenden Impulsgeber, dessen High- und Low-Zykluszeiten getrennt einstellbar sind. Dieser Impulsgeber schaltet OPV-geregelte Stromquellen permanent zwischen hohen und niedrigen Lastströmen an 12V2 (CPU) um, welche getrennt einstellbar sind. Die Stromquellen sind gegenwärtig mit bipolaren Transistoren realisiert, die bis 2x100W (2x8A) belastet werden können. Für höhere Belastungen wären mehr Lastkanäle und der Einsatz von IGBTs notwendig. Die anderen Spannungsschienen werden bisher mit Festwiderständen belastet.
Für die automatisierte Messung und Protokollierung wird ein „Raspberry Pi2“ als Zielsystem eingesetzt. Es verwendet ein BCM2835 System-On-a-Chip, das neben einem klassischen ARM Prozessor-Core verschiedene Funktionseinheiten (Video Core, SDRAM, GPIO) enthält. Seine GPIO-Pins (General Purpose Input/Output) werden auf einer zweireihigen 26-pin Pfostenleiste mit 17 digitalen I/O Pins nach Außen geführt. Einige Pins besitzen eine alternative Funktion, dazu gehört das hier verwendete schnelle SPI-Interface mit 2 Adressleitungen [CS].
Zum „gleichzeitigen“ Messen der Ausgangsspannungen wird der kostengünstige 4-Kanal 12Bit-A/D-Wandler MCP3204 eingesetzt. Er arbeitet nach dem Prinzip der sukzessiven Approximation und sendet sehr zeiteffektiv synchron zu einem laufenden Wandlungsvorgang die bereits festliegenden höherwertigen Bits seriell über den SPI-Bus.
40KHz Eingangstiefpassfilter schwächen transiente Spannungsspitzen (Spikes) ab. Multi-Turn Trimmer erlauben eine exakte Anpassung an die Eingangspegel entsprechend der softwareseitigen Skalierung. Eine TL431 Spannungsreferenz stellt die angestrebte Genauigkeit unter allen Temperatur- und Lastzuständen sicher.
Für die Ansteuerung der SPI Schnittstelle und der GPIO-PINs unter C erwiesen sich die Linux-Systemtreiber als nicht performant genug. Verwendet wurde daher die BCM2835 Bibliothek von Mike McCauley. Der MCP3204 wird bei 3.3V mit einem SPI-Takt von 2MHz betrieben, was 80 KS/s [80000 Messwerte pro Sekunde] erlaubte. Mit höheren SPI-Takten werden die Messergebnisse zunehmend ungenauer. Der Impulsgeber der Lastschaltung wurde auf 500Hz mit einem Tastverhältnis von 1:4 (hoher : niedriger Strom) eingestellt.
Das erstellte Testprogramm initiiert und protokolliert zunächst einen An-/Abschaltvorgang des Netzteils und überwacht dann die Spannungen im eingeschalteten Zustand. Interessante Spannungsverläufe werden in Log-Dateien im CSV-Format protokolliert. Ein separat implementierter Web-Server ermöglicht die Übertragung der Logdateien über das Netzwerk mittels HTTP-GET Befehl. Die Logdateien werden mit der auf numerische Berechnungen spezialisierten Software Matlab auf einem PC ausgewertet und veranschaulicht.
2.1 Lasttest
Für den dynamischen Lasttest wurde eine PC-ähnliche Last konfiguriert. Die Laständerungen entsprechen einer stark übertakteten CPU oder einer Mittelklasse-GPU. Diese Lasten sollten 550W-Netzteile souverän handhaben können ohne auch nur in die Nähe der Toleranzgrenzen zu gelangen.
Min-Last: 37W
12V: 13.4W
5V:13.3W
3.3V:7.7W
5Vsb: 2.5W
Max-Last: 217W 12V: +180W
Für die Betrachtung von Ripple und Noise auf den Ausgangsspannungen mit einem 100MHz-Oszilloskop wurde eine höhere 12V-Last verwendet. Im Interesse möglichst aussagekräftiger und vergleichbarer Ergebnisse wurden die Messungen in Anlehnung an Intels Empfehlungen für einen "Differential Noise Test Setup" mit kleinen Abblockkondensatoren (0.1+10uF) an den Ausgängen des Netzteils durchgeführt, welche eine angeschlossene Last simulieren.
Osz-Last: 291W
12V: +74W
3 Das Enermax Triathlor FC 550W ETA550AWT-M
Das Triathlor FC wurde 2012 auf den Markt gebracht und vom Marketing als "Langläufer" beworben. Es ersetzte die ältere MODU82+ Serie, ist ebenfalls 80Plus-Bronze zertifiziert und weist mit 140mm Tiefe die kompakte Standardgröße auf. In Deutschland wurde die Serie durch das Triathlor Eco ersetzt; international sind noch das 650W und 700W Modell im Handel.
Bei diesem Modell wurde auf einen aufwändigen LLC-Resonanzwandler verzichtet, sonst sind alle modernen technischen Kernmerkmale vorhanden: Aktiv-PFC, Synchrongleichrichtung mit geschalteten MOSFETs, DC-DC-Schaltregler-Module für 3.3V und 5V sowie ein komplettes Schutzschaltungs-Set. Die DC-to-DC-Module sollen für verbesserte Effizienz und Spannungsregulation bei aggressiven Energiesparfunktionen der versorgten CPU und GPU sorgen. Der 12cm Lüfter besitzt ein langlebiges und laufruhiges „Twister-Lager“. Die Kabel für Mainboard und CPU wurden gesleevt; modular bestückbare Flachbandkabel sind für Laufwerke und Grafikkarten vorgesehen. Die Steckerkonfiguration lässt keine Wünsche offen, so liegt z.B. ein 6+2 und ein 2x 6+2 poliges PCI-E-Kabel bei. Die 12V-Schiene wurde in zwei separat Überstrom-überwachte Schienen (12V1, 12V2) aufgeteilt. Das Netzteil besitzt ein durch Enermax selbst entwickeltes PCB.
3.1 Kommentierung technischer Details
Das PCB besitzt ein ordentliches, aber etwas gedrängtes Layout. Aufgrund der Platzenge um die DC-DC-Module wurden einige Komponenten etwas schräg bestückt. Die Kühlung der Halbleiter-Baulemente erfolgt über zwei passend gestanzte und schwarz eloxierte Profil-Kühlkörper sowie ein Kühlblech für den primärseitigen Brückengleichrichter. Das PCB basiert - wie so oft in dieser Netzteilklasse - nur auf einseitig kupferkaschiertem (single-layer) Hartpapier (Pertinax). Der Netzspannungs-Eingang wurde mit abziehbaren Flachsteckern ausgestattet, der Platinenausbau ist platzbedingt dennoch nicht ganz einfach. Der Netzspannungs-Eingangsfilter ist vollständig. Ein Ringkern, der MOV und eine Strom-kompensierte Eingangsdrossel wurden mit Schrumpfschläuchen isoliert - letzteres wirkt auch lastabhängigem Spulen-Summen entgegen. Die Einschaltstrombegrenzung findet wie üblich mit einem NTC statt. Der primäre Siebekondensator ist ein 390µF 400V Panasonic UQ mit 85 Grad Temperaturfestigkeit. Die sekundäre Ausgangskapazität wird durch drei Nippon Chemi-con 2200µf 16V KZE Elektrolytkondensatoren gebildet. Dieses speziell für PC-Netzteile miniaturisierte Modell taucht nicht im KZE-Datenblatt auf, wird aber von verschiedenen Netzteilherstellern oft verwendet. Die Ausgänge der 5V- und 3.3V-VR-Module besitzen nur jeweils 2x820µF + 100µF Polymer-Kapazität. Zur Unterdrückung von hochfrequenten Spikes besitzen alle Ausgangs-Schienen Ringkern-Entstördrosseln, große keramische Ausgangskondensatoren (MLCs) wurden nicht vorgesehen. Nach den Entstördrosseln sitzen an den 3.3V- und 5V-Ausgängen die erwähnten 100µF Polymerkondensatoren, welche mangels niederinduktiver Masseflächen auf kurzem Wege nur an die Gehäusemasse und nur über lange Umwege an die Masseschiene geschaltet wurden. Da zudem das Gehäuse elektrisch isolierend lackiert wurde, ist ihre Wirksamkeit sehr eingeschränkt.
Die Lötqualität ist generell gut und das PCB wurde auch ausreichend gereinigt.
4 Test
4.1 Impulslast
Bei der Beaufschlagung der 12V-Schiene mit mit 180W-Lastimpulsen zeigte sich das Triathlor erfreulich stabil. Die 12V-Spannung driftet kurzeitig nur um 1.5%. Der Regler arbeitet flink, schwingt in Lastphasen aber etwas nach. Der Normwert der Ausgangsspannungen liegt grundsätzlich innerhalb des Bereiches von 1% um den Idealwert. Das dynamische 12V-Lastregelverhalten ist sehr gut, die 5V- und 3.3V-DC-DC-VR-Module sind allerdings nur gering von der 12V-Spannung entkoppelt.
Die 500Hz Impulslast war aus relativer Nähe akustisch gut wahrnehmbar, eine 5 KHz Impulslast auch noch aus einigem Abstand.
4.1.1 Impulslast im Vergleich mit anderen Netzteilen
Durch das schnellere Reglerverhalten sind die kurzzeitigen Spannungsschwankungen bei Impulslasten nur etwa halb so groß wie bei den 80+Gold-zertifizierten Netzteilen Enermax Revolution 87+ und Cooler Master V550S, die mit einem LLC-Resonanzwandler arbeiten.
Das SilverStone SST-ST60F-SG wird nur mit den Sugo SG07/SG08 Gehäusen vertrieben. Es ist ein 600W 80+Bronze Netzteil, das auf stabile Spannungen zu geringen Kosten ausgelegt wurde. Die 12V-Schiene wurde mit satten 11000µF Pufferkapazität bestückt. Kernmerkmale sind aktive PFC, passive Gleichrichtung mit Shottky-Dioden, eine einzige +12Volt-Schiene (46 A), Gruppenregelung für 12V und 5V. Die 3.3V Spannung wird auf klassischem Wege durch Verschieben der Impulse der 5V-Schiene auf eine zusätzliche Drossel erzeugt, wobei eine Shunt-Spannungsreferenz als zusätzlicher Spannungsregler eingesetzt wird.
Die Gruppenregelung macht sich bei den 12V-Impulslasten in einer bleibenden Reglerabweichung bemerkbar. Die maximalen Spannungsabweichungen sind aber ähnlich groß wie beim Triathlor. Der Regler reagiert langsam und ohne Überschwinger auf die Belastung.
Bei der Betrachtung aller Ausgangsspannungen wird der spiegelbildliche Effekt des Regelung auf 12V und 5V deutlich: die Gegenreaktion des Reglers auf einen 12V-Spannungseinbruch hat eine Erhöhung der 5V-Spannung zur Folge. Hier zeigt sich auch der Grund für die behutsam langsame Regelung: jede plötzliche Spannungsdrift führt zu einer empfindlichen Einschwingreaktion des 3.3V Reglers. Die maximale Drift aller Ausgangsspannungen bleibt im 2% Bereich. Beim Einschaltvorgang erreicht die 3.3V-Spannung kurzzeitig einen Wert von über +7%, was aber noch erlaubt ist.
Das be quiet! Straight Power E9 400W (E9-400W) basiert auf der FSP Aurum Plattform und verwendet die Technologien des Active Clamp und der aktiven Synchrongleichrichtung um eine Effizienz auf 80+Gold-Niveau zu erreichen. Im Netzteil hatte ich allerdings die Elektrolytkondensatoren (CapXon, Ost) gegen langlebige Rubycon ZLH/ZL mit geringerem ESR aber auch geringerer Kapazität ausgetauscht.
Der Regler des E9 arbeitet noch wesentlich langsamer als der des SST-ST60F-SG, so dass die Spannungseinbrüche bei Impulsbelastung kaum mehr kapazitiv aufgefangen werden können. Die maximale Drift ist hier mit 2.8% (im Original etwa 2.6%) deutlich höher.
Warum bei gruppenregulierten Netzteilen so behutsam geregelt wird, macht ein Blick auf das ältere Cooler Master RS-520 deutlich. Es handelt sich um eines der ersten Netzteil-Modelle mit aktiver PFC und 80+ Zertifizierung.
Der Regler des RS-520 arbeitet sehr flink und die Spannungsdrift auf 12V und 5V bleibt auch recht gering. Dafür kommt es aber bei allen (v.a. aber den steigenden) Lastimpuls-Flanken zu einem starken transienten Schwingen der 3.3V Spannung.
Nach diesem vergleichenden Ausblick geht es weiter mit dem Triathlor 550W.
4.2 Kapazitive Last
Bei kapazitiver Belastung der 12V-Ausgänge mit 3600µF, was etwas mehr ist, als in heutigen PC-Systemen erwartet werden kann, zeigt sich ein noch etwas besseres Lastregelverhalten. Dabei kommt es auch nicht zu einer stärkeren Schwingneigung.
4.3 An-/Ausschaltvorgang
Die Betrachtung eines kompletten An-/Abschaltzyklus bei aktivierter Impulslast zeigt keine Überraschungen. Zum Ende des Tests kommt es zu einer moderaten Erhöhung der 12V-Spannung auf +3%. Verursacht wurde dies durch einen Lastimpuls, der noch nach dem Ausschalten auftrat, was unkritisch ist.
4.4 Ripple und Noise
Ein Blick mit dem Oszilloskop auf das halb-ausgelastete Netzteil zeigt, wie sauber die Ausgangsspannungen sind.
Zu beachten ist, dass hier im Gegensatz zu den Reviews des Cooler Master V550S und des Enermax Revolution 87+ eine Empfindlichkeit von nicht 10mV sondern 20mV pro Skaleneinheit verwendet wurde.
Die Ausgangsspannungen weisen eine geringe Restwelligkeit, aber ausgeprägte hochfrequente Spikes auf. Diese betragen bei allen Hauptspannungen über 120mVpp und bei 5Vsb 85mVpp. Die Spikes an 5V und 3.3V verletzten damit die erlaubten Noise-Spannungen des ATX-Standards.
Hier zeigen sich die Auswikungen der unter 3.1 (technische Details) besprochenen Designschwäche. Das single-layer PCB besitzt keine Masseflächen zur Entkopplung der Ausgänge und die Gehäusemasse ist auch bei einem Einbau des Netzteils in ein PC-Gehäuse durch eine Lackschicht isoliert. Im Interesse einer etwas besseren Entstörung der Ausgangsspannungen empfielt es sich daher, dafür keine glatt-flächigen und keine lackierten Gehäuseschrauben zu verwenden, um über die Schrauben eine elektrische Verbindung zwischen PC- und Netzteil-Gehäuse herzustellen.
4.5 Effizienzmessung
Abschliessend wurde eine vergleichende Berechnung der Effizienzen durchgeführt. Dafür wurde die aufgenommene primäre Wirkleistung mit einem NZR SEM 16+ Energiemonitor gemessen. Bei diesem einfachen Versuchsaufbau sind die bestimmten Wirkungsgrade allerdings nicht bis zur letzten Stelle genau.
5 Fazit
Das Design des Netzteils wirkt - wie von Enermax gewohnt - trotz Kostenoptimierung sorgfältig und funktionssicher. Das PCB-Basismaterial ist preiswertes aber gut verarbeitetes Pertinax, die Lötqualität und die Bauteilqualität sind gut. Das Netzteil weist präzise Spannungen und ein sehr gutes dynamisches 12V-Lastregelverhalten auf. Bedingt durch das Layout und die einseitig kupferkaschierte Platine ist die Entstörung der Ausgangsspannungen unbefriedigend. Das lackierte Gehäuse sollte deshalb beim Einbau einen elektrischen Kontakt zum PC-Gehäuse erhalten. Der Wirkungsgrad ist für die Effizienzklasse bei höherer Last sehr gut, bei geringer Last aber enttäuschend. Der Lüfter läuft auch bei schwacher Last nicht unhörbar, sondern nur relativ leise. Bei Impulslast wird auch ein Spulensummen hörbar. Für dedizierte Silent-Projekte, die Unhörbarkeit anstreben, eignet sich dieses Netzteil nicht. Anwender, die nur einen relativ leisen PC wünschen, sollten aber zufriedengestellt werden.
In Reflexion dieses Tests sollte man bei der Anschaffung preiswerter Netzteile bedenken, dass 80+Bronze-Netzteile, die keinen LLC-Resonanzwandler aber DC-DC-Module besitzen, in der dynamischen Spannungsregulation stabiler sind und daher auch stärker ausgelastet werden können. In PC-Systemen, die nicht den Großteil ihrer Einsatzzeit im Idle-Zustand verharren und bei denen die Spannungs-Stabilität im Vordergrund steht (Gaming, Overclocking), haben diese Netzteile absolut ihre Berechtigung.
Für aussagekräftige Tests von Netzteilen mit LLC-Resonanzwandlern muss v.a. das dynamische Lastregelverhalten (transient response test) berücksichtigt werden, wogegen für Netzteile ohne LLC-Resonanzwandler Tests mit statischen Lasten (inkl. crossload) meistens bereits aussagekräftig sind.
Hinweis: das Netzteil wurde mir ursprünglich von Enermax zur Verfügung gestellt, wofür ich meinen späten Dank aussprechen möchte.
Anhänge
-
tria550w_platine.jpg635,7 KB · Aufrufe: 1.062 -
tria550w_set.jpg486,2 KB · Aufrufe: 1.090 -
tria550w.jpg569,6 KB · Aufrufe: 1.085 -
tria_revo87_puls_12v_drift.png39,1 KB · Aufrufe: 1.066 -
tria_v550s_puls_12v_drift.png36 KB · Aufrufe: 1.055 -
tria_st60f_puls_12v_drift.png38 KB · Aufrufe: 1.060 -
tria_e9_puls_12v_drift.png41 KB · Aufrufe: 1.071 -
st60f.impuls.png49,1 KB · Aufrufe: 1.061 -
tria.impuls_norm_vs_cl.png38 KB · Aufrufe: 1.086 -
tria.on-off.png51 KB · Aufrufe: 1.079 -
tria_osz.JPG276,7 KB · Aufrufe: 1.078 -
tria.impuls.png47,3 KB · Aufrufe: 1.079 -
rs520.impuls.png51,8 KB · Aufrufe: 1.033 -
tria550w-kabel.png15,6 KB · Aufrufe: 951
Zuletzt bearbeitet: