Hallo,
im Zuge meiner Recherche bin ich auf Widersprüchliches zum Thema Keystones und UP-Schalterdosen gestoßen. Die Keystone-Module bzw. Platten sind ja unterschiedlich lang - je nach Hersteller.
Leider wurden bei uns im Haus nur "normale" UP-Schalterdosen mit 40mm Tiefe versetzt. Mit Putz sind das ca 45mm Gesamttiefe. Die CAT7-Kabel kommen alle aus 7 Uhr oder 5 Uhr raus. Hier 2 Bilder der Einbau-Situation. Ich würde gerne insg. 2 Kabel da durchziehen - je nachdem 2 CAT oder 1 Cat + 1 Koax Kabel.


Metz
Metz bspw liefert ja ziemlich detaillierte techn. Zeichnungen seines Systems. Hier sehe ich, dass das Modul bei einer Tiefe von 40.5mm ansteht. Die kann ich wohl nicht nutzen.
Anschlussdose 2 Port 130B12D21002-E mit 270°-Modul 130B22-E. Das Modul selbst ist 36mm tief.


Rutenbeck
Rutenbeck hat das Modul UM-Cat.6A iso 10G (Art Nr 13900304) das alleine schon 42 tief ist - das scheidet wohl auch aus. Die dazu passende Anschlussdose wäre UM-Cat.6A iso 10G-MD 2 Up 0, Art Nr 139104071). Technische Zeichnung von Dose und Modul gibt es nicht.

Digitus
Über das DIGITUS CAT 6A Keystone Modul (Art Nr DN-93615) finde ich in der techn. Spezifikation, dass die Module eine Tiefe von 34,5mm haben. Die techn. Zeichnung ist widersprüchlich und sagt, dass die Tiefe des Moduls 36,21 ist. Über die dazu passende Anschlussdose (Art Nr DN-93801-1) gibt es auch kaum Maße. Technische Zeichnungen von der Dose mit Modul gibt es keine.

Busch-Jäger
Busch-Jäger hat das Modul Universalmodul, RJ45, Cat. 6A iso, geschirmt (Art Nr 0219-101) mit dem passenden Montageadapter Unterputz (Art Nr 0219/12). Leider finde ich in den Datenblättern keine Angaben zu Maßen.
DeleyCon
Die DeleyCon Module (Art Nr MK4967) haben ein Maß lt. Datenblatt von B 16 x H 22 x T 37 mm. Aus den Angaben in der technischen Zeichnung zur passenden Anschlussdose (Art Nr MK3125) geht leider nicht hervor was die Gesamttiefe ist.

LogiLink
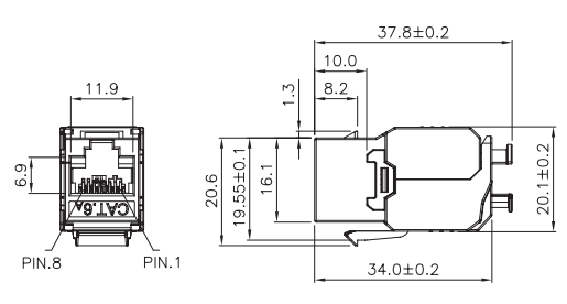
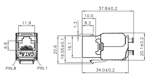
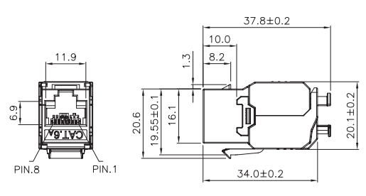
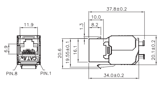
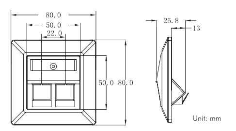
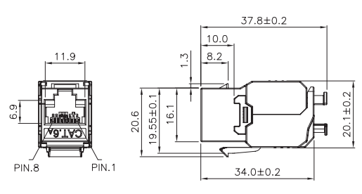
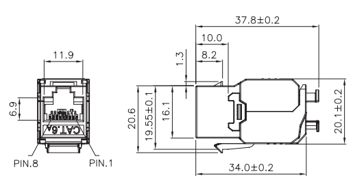
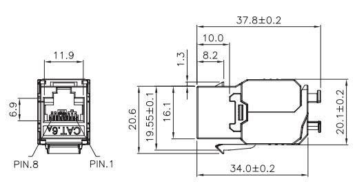
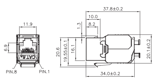
Das Cat 6A Modul von LogiLink (Art Nr KJ28F10) hat eine Tiefe von 37,8mm. Aus der Zeichnung zur dazu passenden Anschlussdose (Art Nr NK4020) geht nicht hervor, was die Gesamttiefe ist.


EasyLan
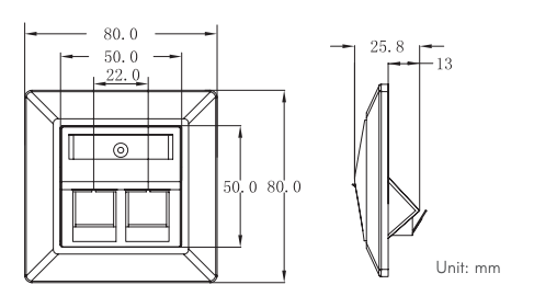
EasyLan wirbt damit, dass sein Modul (Art Nr CKWAK007EP) eine minimale Einbautiefe von 27mm hat. In einer Skizze zur Anschlussdose (Art Nr CKVDUSL2R) ist aber eine Gesamttiefe von 45 eingezeichnet.
Zusammenfassung
Wozu würdet ihr mir raten? Gibt es noch andere Hersteller? Soll ich lieber auf normale LSA Dosen setzen - da es hier ja doch zu knapp zugeht? Wenn Metz noch die kürzesten Module hat (lt Tabelle) und ich da schon bei 40,5mm Einbautiefe (ohne Kabel!!) bin, dann kann sich das ja nie ausgehen. (EDIT: Nachdem ich das EasyLan Modul gefunden habe, neige ich dazu, dieses zu besorgen. Das Problem ist, dass die relativ unbekannt zu sein scheinen und ich nicht viel gefunden habe.)
Ich wollte auch Koax aus der selben Dose haben, weswegen ich die Module bei den Anschlussdosen ganz attraktiv fand. Muss ich den Gedanken wohl aufgeben?
im Zuge meiner Recherche bin ich auf Widersprüchliches zum Thema Keystones und UP-Schalterdosen gestoßen. Die Keystone-Module bzw. Platten sind ja unterschiedlich lang - je nach Hersteller.
Leider wurden bei uns im Haus nur "normale" UP-Schalterdosen mit 40mm Tiefe versetzt. Mit Putz sind das ca 45mm Gesamttiefe. Die CAT7-Kabel kommen alle aus 7 Uhr oder 5 Uhr raus. Hier 2 Bilder der Einbau-Situation. Ich würde gerne insg. 2 Kabel da durchziehen - je nachdem 2 CAT oder 1 Cat + 1 Koax Kabel.


Metz
Metz bspw liefert ja ziemlich detaillierte techn. Zeichnungen seines Systems. Hier sehe ich, dass das Modul bei einer Tiefe von 40.5mm ansteht. Die kann ich wohl nicht nutzen.
Anschlussdose 2 Port 130B12D21002-E mit 270°-Modul 130B22-E. Das Modul selbst ist 36mm tief.


Rutenbeck
Rutenbeck hat das Modul UM-Cat.6A iso 10G (Art Nr 13900304) das alleine schon 42 tief ist - das scheidet wohl auch aus. Die dazu passende Anschlussdose wäre UM-Cat.6A iso 10G-MD 2 Up 0, Art Nr 139104071). Technische Zeichnung von Dose und Modul gibt es nicht.

Digitus
Über das DIGITUS CAT 6A Keystone Modul (Art Nr DN-93615) finde ich in der techn. Spezifikation, dass die Module eine Tiefe von 34,5mm haben. Die techn. Zeichnung ist widersprüchlich und sagt, dass die Tiefe des Moduls 36,21 ist. Über die dazu passende Anschlussdose (Art Nr DN-93801-1) gibt es auch kaum Maße. Technische Zeichnungen von der Dose mit Modul gibt es keine.

Busch-Jäger
Busch-Jäger hat das Modul Universalmodul, RJ45, Cat. 6A iso, geschirmt (Art Nr 0219-101) mit dem passenden Montageadapter Unterputz (Art Nr 0219/12). Leider finde ich in den Datenblättern keine Angaben zu Maßen.
DeleyCon
Die DeleyCon Module (Art Nr MK4967) haben ein Maß lt. Datenblatt von B 16 x H 22 x T 37 mm. Aus den Angaben in der technischen Zeichnung zur passenden Anschlussdose (Art Nr MK3125) geht leider nicht hervor was die Gesamttiefe ist.

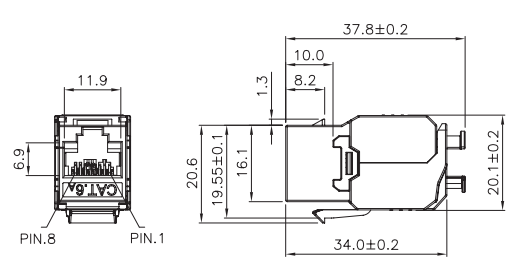
LogiLink
Das Cat 6A Modul von LogiLink (Art Nr KJ28F10) hat eine Tiefe von 37,8mm. Aus der Zeichnung zur dazu passenden Anschlussdose (Art Nr NK4020) geht nicht hervor, was die Gesamttiefe ist.


EasyLan
EasyLan wirbt damit, dass sein Modul (Art Nr CKWAK007EP) eine minimale Einbautiefe von 27mm hat. In einer Skizze zur Anschlussdose (Art Nr CKVDUSL2R) ist aber eine Gesamttiefe von 45 eingezeichnet.
Zusammenfassung
| Hersteller | Modul-Tiefe | Gesamttiefe Kante Montageplatte - Ende Modul |
|---|---|---|
| Metz | 36 | 40,5 |
| Rutenbeck | 42,6 | ? |
| Digitus | 36,21 (34,5?) | ? |
| Busch-Jäger | ? | ? |
| DeleyCon | 37 | ? |
| LogiLink | 37,8 | ? |
| EasyLan | 36 | 45 |
Wozu würdet ihr mir raten? Gibt es noch andere Hersteller? Soll ich lieber auf normale LSA Dosen setzen - da es hier ja doch zu knapp zugeht? Wenn Metz noch die kürzesten Module hat (lt Tabelle) und ich da schon bei 40,5mm Einbautiefe (ohne Kabel!!) bin, dann kann sich das ja nie ausgehen. (EDIT: Nachdem ich das EasyLan Modul gefunden habe, neige ich dazu, dieses zu besorgen. Das Problem ist, dass die relativ unbekannt zu sein scheinen und ich nicht viel gefunden habe.)
Ich wollte auch Koax aus der selben Dose haben, weswegen ich die Module bei den Anschlussdosen ganz attraktiv fand. Muss ich den Gedanken wohl aufgeben?
Anhänge
-
Screenshot 2023-02-13 at 23.51.04.png27,8 KB · Aufrufe: 231 -
Screenshot 2023-02-13 at 23.48.59.png37,5 KB · Aufrufe: 244 -
Screenshot 2023-02-13 at 23.48.59.png37,5 KB · Aufrufe: 240 -
Screenshot 2023-02-13 at 23.48.59.png37,5 KB · Aufrufe: 242 -
Screenshot 2023-02-13 at 23.48.59.png37,5 KB · Aufrufe: 301
Zuletzt bearbeitet: