Relais für Eheim Pumpe

flow87

Lieutenant
Registriert
Dez. 2008
Beiträge
625
Hallo,
ich habe von einem Relais für eine Eheim Pumpe gehört. Wo bekomme ich sowas her?
 
Glaube das gibts nicht mehr, wegen 230v offen im Gehaeuse und so... War doch das Eheim 1046 Pumpenrelais?
Alternativ, am besten mit Hilfe von einem Elektriker, ein Relais bauen. Zb. mit einem kleinen Industrie Steckrelais und dem passenden Sockel: http://www.hinkel-elektronik.de/shop/1117.html Am besten eins mit 12V Spule und 2 Wechsler. Das mit dem Sockel hat den Vorteil einfach angeschlossen werden zu koennen.
Falls es sich bei deiner um eine 230v Pumpe handelt ist vorsicht geboten, also alles in einer zumindest Spritzwasser geschuetzen Box unterbringen.
Oder noch viel einfacher, 12V Pumpen benutzen und einfach am Netzteil anschliessen.
 
Zuletzt bearbeitet:
es wird meine erste wakü! ich teste das erstmal mit der pumpe und kaufe dann ggf. eine neue....
 
Gibt doch auch solche Master/Slave Steckdosenleisten, das waere ja das einfachste neben einer 12V Pumpe denke ich.
Aber wenn du dich etwas mit Elektrik auskennst und gerne bastelst ,gibts die Relais auch noch kleiner, zum anloeten auf Platinen. So wuerde alles in eine kleine Abzweigdose passen.
So sollte man es jedoch nicht machen :evillol: https://www.computerbase.de/forum/t...der-duemmsten-pc-abenteuer.76647/#post-711353
Mfg
 
ich arbeite mit einer steckerleiste und hab die pumpe (220v) direkt am netzteil angeschlossen - kleines loch gebohrt, stecker ab, kabel rein, angelötet fertig.
so ist zumindest gewährleistet, dass die pumpe immer an ist, wenn der pc läuft
 
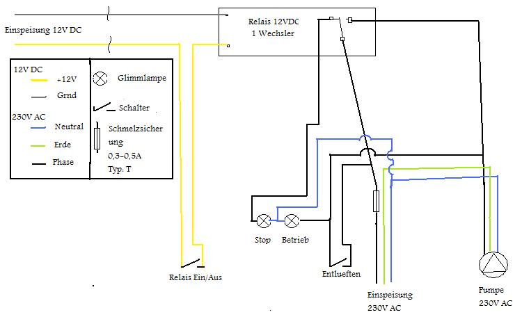
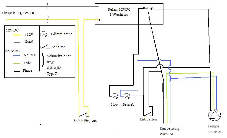
Habe mir auch mal was ueberlegt fuer unseren 23000 Liter Teich, wollte naehmlich auch die Pumpe ueber ein Relais mit 12V Sicherheitsspannung schalten. Wasser, Feuchtigkeit und 230V passen meiner Meinung nach nicht zusammen. Daher hier mal ein kleiner Entwurf:
12V-230Vpumpenrelais.jpg
Habe es ein wenig runterskaliert, aber ansonsten je dicker die Verkabelung, Sicherung, Schalter und Relais, desto mehr Strom koennte drueber laufen. Ich werde das ganze dann in einer IP54 Abzweigdose mit sauber abdichtenden Kabeldurchfuehrungen einbauen.
 
Zuletzt bearbeitet:
P0RN0 schrieb:
ich arbeite mit einer steckerleiste und hab die pumpe (220v) direkt am netzteil angeschlossen - kleines loch gebohrt, stecker ab, kabel rein, angelötet fertig.
so ist zumindest gewährleistet, dass die pumpe immer an ist, wenn der pc läuft


das versteh ich jetzt nicht ganz. kannste das mal erläutern?
ich hab zur zeit eine steckerleiste wo pc und pumpe drin stecken. geht also nur beides - ist aber etwas lästig!
 
Er hat einfach das Anschlusskabel der Pumpe direkt im Netzteil mit angelötet. Dementsprechend wird die Pumpe mit dem gleichen Stromkabel wie der restliche PC versorgt.
Aber: Geh' sowas nur an, wenn du wirklich weisst, was du tust. Sonst kriegst du, wenns schiefgeht, bestenfalls tierisch eine gewischt - schlechtestenfalls ist das kaputte Netzteil dann deine allergeringste Sorge.
 
nein nein, da kauf ich mir lieber eine neue 12v pumpe. muss dann erstmal lesen, weil lauter als die Eheim sollte es auf keinen fall sein!
 
Zurück
Oben