Schieberegister Funktion von UND-Gattern beschreiben

Status
Für weitere Antworten geschlossen.

BottomOfBottle

Cadet 1st Year
Registriert
Jan. 2022
Beiträge
8
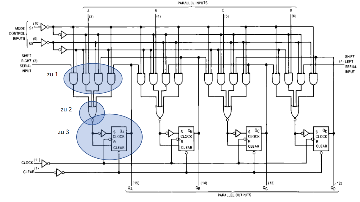
Hi, das ist ein bidirektional-paralleles 4 Bit Schieberegister. Auch bekannt als universal Schieberegister. Es soll die Aufgabe der ersten 4 UND-Gatter beschrieben werden. Leider habe ich absolut keine Ahnung, wie ich das in Worte fassen könnte. Ich verstehe das Grundprinzip, wenn es jedoch zu den Details kommt, bräuchte ich einen kleinen Anstupser. Alles, was ich bei meiner Recherche herausgefunden habe, ist das die 4 UND-Gatter + das ODER-Gatter zusammen einen Multiplexer darstellen. Aber selbst den Innenaufbau des Multiplexers zu verstehen, hilf hier nicht weiter. Deshalb die Frage, ob mir jemand dabei helfen könnte.
1641160975675.png

LG und vielen Dank.
 
klassische hausaufgabe mitte des Semesters :)
Fang damit an: Beschreib was ein schieberegister ist.
Erklaere anhand der zeichnung warum es Bidirektional ist (was bedeutet das, wie funktioniert das)
warum Parallel
Das mit dem MUX ist schonmal richtig :) Beschreib doch mal was der macht.


mach das erstmal, dann sehen wir weiter.
 
  • Gefällt mir
Reaktionen: BottomOfBottle
Ich würde mir an deiner Stelle mal zu jedem AND-Baustein anschauen, woher es das Signal bekommt, welches es an das Shift-Register weiterleiten soll. Und wie es sich dann über ein paar Clockcycle fortpflanzt. S1 und S0 sind ja jeweils nur zwei Bits die definieren, in welchem Funktionszustand sich das Register befinden soll und demnach die Auswahl treffen, welches AND-Gatter sein Signal über das OR zum Flipflop weiterleiten darf.

Du kannst die Schaltung auch in LTspice nachbauen und simulieren. Das geht recht schnell und macht die Funktion verständlich.

Schieberegister sind tolle Bauteile mit denen man jeglichen Unsinn machen kann. Zählen, Teilen, Multiplizieren, Seriell zu parallel wandeln oder umgekehrt...
 
Zuletzt bearbeitet:
  • Gefällt mir
Reaktionen: BottomOfBottle und madmax2010
Also wenn ich schon das Bild (das ist im 74LS194) da oben finde im Netz, kann ich auch hier zu machen.

HangClosed.png
 
  • Gefällt mir
Reaktionen: riversource
Status
Für weitere Antworten geschlossen.
Zurück
Oben