Signalverdoppler

DerBergmann

Cadet 3rd Year
Registriert
Okt. 2020
Beiträge
53
Hab leider nichts passendes gefunden!

Möchte gerne ein Signal verdoppeln im Anhang befindet sich eine Aufnahme!
Hab einen

Signalverdoppler - MINI MCR-SL-UI-2I-NC - 2864176​

Von der Beschreibung her würde er genau passen aber es funktioniert nicht!
Es wird dann auch das Ausgangssignal was durchgeschliffen wird nicht mehr erkannt


Danke schon mal
 

Anhänge

  • 20210104_124908.jpg
    20210104_124908.jpg
    2 MB · Aufrufe: 465
ähm, ein Kurzer blick ins Datenblatt von deinem Spannungsdopper sagt mir, dass nur Eingangsspannungen von 0-10V akzeptiert werden.
Auf deinem Oszi hast du aber offenbar auch negative Spannungen. Mit einer Vpp von 0,13V bist du wahrscheinlich auch aus dem Arbeitsbereich von deinem Bauteil.

Wahrscheinlich währen zwei Spannungsfolger/Impedanzwandler für deinen nicht genannten Anwendungsfall besser geeignet
 
  • Gefällt mir
Reaktionen: Gothic74
Danke für die schnelle Antworten!
Es ist ein 18 Pin Signal Stecker und da ist eine Leitung die Temperatur vom chip und Zustand ob alles ohne Probleme läuft an die Platine sendet nur die eine leitung würde ich gerne kopieren (einfach das Signal verdoppeln ohne das es das ursprungssignal behindert oder verändert) den "abnehmer" der das Signal verarbeiten kann hab ich schon, bekomm nur das verdoppeln nicht hin!
Wenn ich mitn multimeter drauf gehe zeigt es 3,2volt bei beiden Ausgängen an aber das Oszilloskop zeigt 130mv?
Aufzeichnung im anhang
 

Anhänge

Wie gesagt, dein Analogwertdoppler wird die Spannung, die du verwendest nicht können. Auf dem Oszi-Bild sieht man eindeutig, das du 50mV/Div eingestellt hat - also passen die ~130mV zumindest laut deinem Bild schon.
Das du unterschiedliche Spannungen misst, kann an den Parasitären-Eingangsimpedanzen deiner Messgeräte liegen. Vielleicht belasten sie die Messleitung unterschiedlich.
Generell kann man aber Multimetern bei nicht periodischen Analogwerten nicht 100% trauen. Du erhälts entweder den Gleichanteil(Spannungsmessung "Gleichstrom") oder den Effektivwert (Spannungsmessung "Wechselstrom").

Wenn du deine "rechte" Varriante verwendest, halbierst du im besten Fall den Pegel (-3dB), solange du mit gleicher Eingangsimpedanz das Signal abgreifst.
Wenn du allerdings ungleichmäßig Belastest, hast du vermutlich dein "beeinflussen".

Für diesen Fall wurde eben ein OP-Amp Impedanzwandler erfunden.
Die Eingangsimpedanz ist im Idealfall unendlich groß, sodass dein Ursprungssignal (die gemessene Temperatur), nicht beeinflusst werden kann.
Das Ausgangssignal folgt dem Eingangssignal fast genau 1:1, jedoch mit einer niedrigen Ausgangsimpedanz (ideal = 0Ohm), sodass dieses Signal wiederum nicht anderweitig beeinflusst werden kann.

Am einfachsten ist, du probierst die Schaltung einfach aus. Besorg dir ein OP-Amp IC (z.B. https://www.conrad.de/de/p/on-semic...zweck-pdip-14-1253053.html#productDescription), Spannungsversorgung dran, Schaltung wie im Wiki-Link und dein Signal auf die Nicht-Invertierenden Eingänge.

Wenn du mehr Input benötigst, muss du schon genau sagen was du tun willst und welche Chips/Sensoren du verwendest.
 
  • Gefällt mir
Reaktionen: ghecko
Super danke das du dir die mühe gemacht hast es mir detailliert und leicht verständlich zu erklären!!
schätze das sehr!!!

wenn der OP-Amp IC das für 0,30€ kann wäre ja super die Signlaverdoppler kostet ja ein vermögen!!!
nur kurze zwischen frage mit dem könnte man auch ein Digitales Signal kopieren oder?

Hab mir die Anschaltung kurz angesehen sieht machbar aus :)
der benötigt auch eine externe Versorgungsspannung? 3V-max. 32V? könnte ich dann meine jetzige mit 24V problemlos verwenden? da ich ja nur 3,2V benötige?

wo ich noch nicht durchblicke blöde frage aber sind die 14 Kontakte vom OP-Amp IC markiert oder wie finde ich die Anschlüsse für Versorgung, Eingang, Ausgang heraus?

Danke schönen Tag
Manuel
 
Du kannst ein einfaches, relativ Passives Bauteil das zu Millionen aus den Chipfabriken fallen nicht mit Industrieelektronik vergleichen. Letzteres Benötigt jede mögliche Zertifizierungen, Schutzschaltungen, Sicherheits- und Brandfreigaben etc, daher kommt meist ein überproportional höherer Preis zustande im vergleich zu einfachen IC-Lösungen.

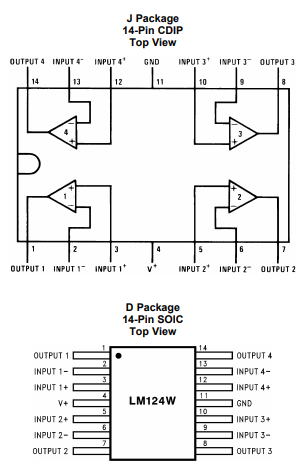
In dem LM324 findest du insgesamt 4 Operationsverstärker. Da du nur zwei davon benötigst kannst du die anderen normal schwebend lassen.
1609957091055.png


Was die Versorgungsspannung betrifft: ja, du kannst den IC an alles von +3V bis +32V (gegen 0V) anschließen.
Wo ich mir aber nicht zu 100% sicher bin: Musst du +-1,5 bis +-16V für negative Spannungen am Ausgang anschließen? Evtl ausprobieren oder auf andere Antworten hoffen.

Natürlich kannst du auch Digitale Signale an den OP-Amp anschließen, allerdings musst du bedenken dass, je nach Taktfrequenz Dämpfungseffekte auftreten und gleichzeitig die Sprungantwort oftmals etwas "geglättet" wird:

1609958239218.png

Hier reden wir von ~25kHz
Weiteres findest du im Datenblatt.
 
frost21 schrieb:
Evtl ausprobieren oder auf andere Antworten hoffen.
Von Signal her sieht es nicht danach aus, als ob er jetzt negative Anteile benötigt.
Wenn es aber darum geht, digitale Signale zu verdoppeln, ist es besser dafür keinen einfachen Impedanzwandler zu nehmen, sondern ihn so zu beschalten, dass er sich zusätzlich wie ein Schmitt Trigger verhält. Oder einfach direkt Logikbausteine verwenden, die diese Funktion beinhalten.
Macht ja keinen Sinn die Verzerrungen bis zum Verdoppler in den Output mitzunehmen.
Um dir aber die richtigen Bauteile dafür zu nennen müsste man vorerst genau wissen, was das nun für ein Signal ist.
Analog? Digital? Spannungsbereich?
Deine Veranschauung hat da nicht wirklich Licht ins Dunkle gebracht.
 
  • Gefällt mir
Reaktionen: frost21
Danke noch mal!
Hab welche bestellt und werde es mal probieren meld mich bei Erfolg oder Misserfolg! :)

hab leider ein ganz billiges Oszilloskop da tu ich mir mitn genauen feststellen der sinuslinie Schwer. weiß es noch von früher mit einen richtigen Oszilloskop das man das ganz genau heraus zoomen kann!

Der spannungsbereich müsste 3,2V Gleichstrom sein.
und Analog was man so beim Bild sieht!
 
  • Gefällt mir
Reaktionen: frost21
Hat super funktioniert mit dem LM324 danke
den 200€ Signalverdoppler hab ich zum glück auch zurück geben können!

Das selbe bräuchte ich noch für das Digitale Signal(im Anhang) funktioniert mit dem LM324 leider nicht vermutlich sind die 3MHz zu schnell!?

Gibt es für dieses Signal auch so etwas wie den LM324 da wo das ursprungssignal nicht beeinflusst wird und bezahlbar ist?
Die Anschaltung mit einen plus input und einen Output wäre auch super!

Danke!
 

Anhänge

  • 20210110_124030.jpg
    20210110_124030.jpg
    1,8 MB · Aufrufe: 381
  • Gefällt mir
Reaktionen: frost21 und ghecko
Bei digitalen Signale in dem Frequenzbereich muss man viel beachten. Das geht bei der Verkabelung los, zieht sich über das Platinendesign, Bauteilauswahl und Beschaltung.

Ich würde das Problem wohl mit einem ADUM1400 lösen:
Screenshot_2021-01-10 ADuM1400 ADuM1401 ADuM1402 (Rev L) - ADuM1400_1401_1402 pdf.png

https://www.analog.com/media/en/technical-documentation/data-sheets/ADuM1400_1401_1402.pdf
Der hat 4 hochohmige Eingänge mit Schmitt-Trigger, davon könntest du 2 koppeln um am Ausgang das Signal 2x zu erhalten.
Für den musst du aber eine SMD-Platine mit Spannungsregulierung entwickeln und fertigen.
Das geht zb mit KiCAD und JLPCB schnell und kostengünstig.

Der ADUM ist eigentlich dafür da, Bussysteme galvanisch zu trennen. Aber die Funktion braucht man in deiner Anwendung wohl nicht und kann man ignorieren, da die restliche Funktionalität für deinen Einsatz zweckmäßig ist. Es gibt sicher noch einfachere Bauteile, die genau deinen Einsatzzweck erfüllen, aber da fällt mir gerade keins ein. Und mit der ADUM-Reihe hab ich schon öfter gearbeitet.

//ein ADUM1200CR dürfte auch gehen.
Würde dann so aussehen:
Bildschirmfoto_2021-01-10_17-21-38.png
 
Zuletzt bearbeitet:
:) puh danke für die schnelle Antwort da werden die Gehirnzellen warm!!:)
Das Heißt würde 5 V operation benötigen? (weil ich 3,95V hab) das heißt die Versorgungsspannung muss zwischen 4,5V und 5,5V liegen?
dafür benötige ich dann den Spannungsregulierer je konstanter die ist desto besser!

was schließe ich bei VE2 an? da steht das die Ausgänge nur aktiv sind wenn (VE2 is high or disconnected)

das Eingangs Signal splitte ich einfach auf zwei Eingänge auf? oder was meinst du mit koppeln?

im Anhang ist die Anschaltung
 

Anhänge

DerBergmann schrieb:
weil ich 3,95V hab
Ne, der läuft auch noch mit 3V. Wusste nicht genau was du da an Spannung hast, aber in dem Fall brauchst du keinen Spannungswandler.
Screenshot_2021-01-10 ADuM1200 ADuM1201 (Rev K) - ADuM1200_1201 pdf.png

Und ignorier das mit dem ADUM1400, das mit dem zu machen 1200 ist einfacher.
Bildschirmfoto_2021-01-10_18-12-29.png
 
Zuletzt bearbeitet:
aber was schließe ich bei VE2 an? weil der schaltet laut Beschreibung erst die Ausgänge frei!
 
Sorry hat mir nicht alles angezeigt!!!
ja passt danke den ADUM1200 probiere ich!!
 
Aber denk dran:
ghecko schrieb:
Für den musst du aber eine SMD-Platine mit Spannungsregulierung entwickeln und fertigen.
Das geht zb mit KiCAD und JLPCB schnell und kostengünstig.
Du wirst zumindest die Spannungsversorgung mit 100nf Kerkos entkoppeln müssen.
KiCAD ist das Ding aus dem ich die Screenshots habe. Findest du in meiner Fußzeile.
 
super danke!!

bin jetzt gerade bei der suche zum bestellen des Adum 1200 aber da gibts auch verschiedene der AR verkraftet nur 2,52VDC Eingangsspannung, beim ARZ ist bei 1MBit/s schluss.

Dann nehme ich den Adum1200 CR wie bei dir oben steht!!?


Schönen Tag
 
Zurück
Oben