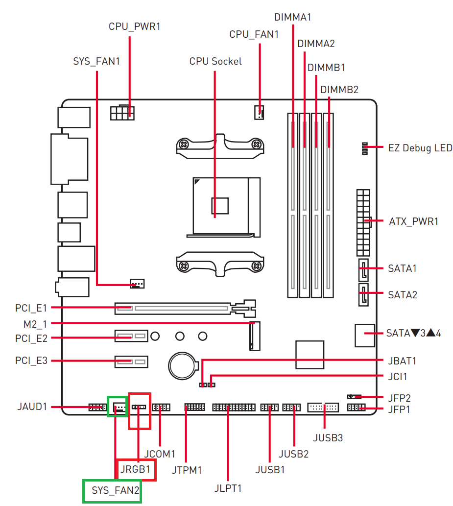
Warum passen RGB-Gehäuse und Mainboard nicht zusammen?

Ob die Kabel für die RGB Anschlüsse von vorne und hinten an den Anschluss reichen ist aber nicht sicher.


1699304810451.png
 
  • Gefällt mir
Reaktionen: Oc3an
Hallo zusammen,

ich möchte mich bei euch allen bedanken! :)

Habe das billig PC Gehäuse zurück gesendet und mir das Corsair 4000D Airflow geholt und was soll ich sagen, ein Unterschied wie Tag und Nacht in Sachen Qualität bzw. Verarbeitung.

Dann habe ich mir die dreier Version ARCTIC P12 PWM PST RGB geholt. Mehr Lüfter braucht es bei dem Gehäuse gar nicht.

Jetzt kommen noch zwei LED Streifen ins Gehäuse, einen externen Lautstärkeregler und einen externen Ein-Aus-Schalter. ;)

Gruß Daniel
 
  • Gefällt mir
Reaktionen: Müritzer und RaptorTP
Zurück
Oben