News Balkonkraftwerk: Deye-Wechselrichter erhalten Update gegen Lücke auto­matisch

Ich benutze auch einen Hoymiles mit ahoy(ähnlich OpenDTU). Die zusätzlichen Möglichkeiten sind für normale User nicht so interessant. Aber man kann damit den Strom auch abregeln wenn man nur 600W angemeldet hat um zu vermeiden dass man mit zu hoher Einspeisung auffällt.
 
tx3a schrieb:
Was ja nicht viel ändert, selbst wenn man nur 100€ spart, ist das bei dem Anlagenpreis schon gut. Selbst dann amortitisiert sich das schneller als eine große Anlage.

Lohnt sich auf jeden Fall, zumal die Lebenserwartung von Solarpaneelen sehr lange ist, man kann von 30 Jahren ausgehen. Andererseits, viele Wechselrichter aus Fernost halten nur ein Bruchteil dieser Zeit. Die beste Anlage für den Privatmensch ist sowieso die, die man selbst einfach warten kann, auf einem Giebeldach rumkraxeln ist nicht jedermanns Sache...

tx3a schrieb:
Mehr Panels bringen nicht so viel, da der Wechselrichter auf 600W limitiert ist. Mehr ist nicht erlaubt. Auch wenn man die Einspeisung limitiert. VDE-gerecht braucht ja eine 600W-Anlage nicht sein, das ist ja gerade der Vorteil.

Ganz im Gegenteil, denn mit 800pW ist ein 600W Wechselrichter vielleicht nur im Juni um die Mittagszeit ausgelastet, aber was ist in der restlichen Zeit? Ich habe nur darauf hingewiesen, dass auch der Sicherungsautomat von 16A auf 13A gewechselt werden müsste, sonst könnte man im Fall des Falles in Regress genommen werden bzw. bleibt auf seinen Schaden sitzen.

Um beim Thema zu bleiben, ich finde es lächerlich, dass so kleine Wechselrichterchen mit dem Internet verbunden bzw. Funken können werden, wozu soll das bei einer Balkonanlage gut sein? Wenn man auf Arbeit z.B. sieht, aha die Sonne scheint, dann schaltet man per Hand (oder Heimnetzsteckdose) die Waschmaschine ein.
Ergänzung ()

Thukydides schrieb:
Dennoch sollte man mehr Panels verbauen um auch in Schwachlichtphasen an das Limit heranzukommen. Ich persönlich werde min. das doppelte an Peak Leistung dessen was der Wechselrichter beherrscht, verbauen.

Ich würde jedem empfehlen noch ein paar Monate zu warten, wenn es dann die 800 Watt Wechselrichter gibt.

Oder sich gleichen einen 1000W kaufen. Dies würde hier in Italien keine Sau interessieren. ;)

Aber Steckdosenlösungenn gehen da nicht, da muss man zur Betriebssicherheit schon neue Leitungen ziehen, aber das weißt Du sicher.

Thukydides schrieb:
Ich persönlich werde dann einen 800 Watt Wechselrichter mit 4 x 405 Watt Panels also 1620 Watt Peak Leistung kombinieren. Dann habe ich auch bei Bewölkung noch 800 Watt und bei sehr sehr schlechtem Licht noch 400 Watt.

Das aber auch nur bei perfektem Azimutwinkel, also im Sommer müssten die Paneele im Idealfall recht flach stehen und zur Wintersonnenwende dann immer steiler, alleine deshalb sollte man eben mehr Leistung montieren.

Thukydides schrieb:
Kann jemand eine gute Firma für hochwertige Wechselrichter empfehlen? Da kenne ich mich noch nicht gut aus und weiß nicht welche Firma man bevorzugen sollte.

Schwieriges Thema, da sollte man darauf achten, wie lange die Hersteller Gewährleistung geben. Gerade jetzt, wo der Markt boomt, wird leider diesbezüglich sehr viel Elektronikschrott angeboten.
 
Zuletzt bearbeitet:
juwa schrieb:
Oder sich gleichen einen 1000W kaufen. Dies würde hier in Italien keine Sau interessieren. ;)

Aber Steckdosenlösungenn gehen da nicht, da muss man zur Betriebssicherheit schon neue Leitungen ziehen, aber das weißt Du sicher.
Das ist totaler Käse. Über eine normale Steckdose gehen locker 2kW. Wieso kommt plötzlich bei Solaranlagen dieses Thema auf? Es gibt haufenweise Geräte, die mehr als 1kW verbrauchen und da hatte nie irgendjemand Bedenken.
 
Ich erkläre Dir gerne die Fondue-Problematik dahinter:

Über eine normale Steckdose gehen maximal sogar bis zu 3680W (16A bei 230V), schließt man dazu extern hinter der Absicherung noch 1000W über eine Solaranlage an, dann kann ein Gerät plötzlich bis 4680W Leistung ziehen. Der Sicherungsautomat würde nicht auslösen.

Das könnte die Leitungen überhitzen und insbesondere in Verteilerdosen mit schlechter Verkabelung schlimmstenfalls zu Bränden führen.
 
  • Gefällt mir
Reaktionen: highco, bullit1, thelittledevil und eine weitere Person
juwa schrieb:
Über eine normale Steckdose gehen maximal sogar bis zu 3680W (16A bei 230V), schließt man dazu extern hinter der Absicherung noch 1000W über eine Solaranlage an, dann kann ein Gerät plötzlich bis 4680W Leistung ziehen. Der Sicherungsautomat würde nicht auslösen.

Das könnte die Leitungen überhitzen und insbesondere in Verteilerdosen mit schlechter Verkabelung schlimmstenfalls zu Bränden führen.
Weiß ich schon.
Das Problem hat man aber nur, wenn man wirklich noch andere Verbraucher anschließt, die mehr als 16A ziehen. Wenn man das nicht tut, oder diese Verbraucher zusätzlich absichert, braucht man auch die Verkabelung nicht ändern. Vor allem betreibt man eben nicht so große Verbraucher, da die im Normalfall die Sicherung auslösen.
Außerdem sind die Leute irgendwie erst so vorsichtig seit es diese Solaranlagen gibt. Dass die meisten Mehrfachsteckdosen nur 10A aushalten, hat auch niemanden interessiert.
 
juwa schrieb:
Um beim Thema zu bleiben, ich finde es lächerlich, dass so kleine Wechselrichterchen mit dem Internet verbunden bzw. Funken können werden, wozu soll das bei einer Balkonanlage gut sein? Wenn man auf Arbeit z.B. sieht, aha die Sonne scheint, dann schaltet man per Hand (oder Heimnetzsteckdose) die Waschmaschine ein.
Ergänzung ()

Diese mikrowechselrichter sind nicht nur für 600W Balkon Anlagen. Sie werden hier und da auch für größere Anlagen hergenommen. Und das aus gutem Grund. Das macht die verschattungsproblematik einfacher. Man hat keine Ellen langen strings mit hohen Spannungen oder viele Parallele mit hohen Strömen und dicken Leitungen, nicht einen zentralen riesigen wechselrichter der, wenn er ausfällt, alles stilllegt. Stattdessen hat man viele kleine wechselrichter an einer AC Leitung, direkt unter den Paneelen.

Die 1.500W Modelle mit 4 MPPT Eingängen gibt es nicht ohne Grund.

Die neuen Modelle gibt es ja sogar mit 400V Anschluss für 3 phasigen Netzbetrieb.

Es ist durchaus sinnvoll, solche Anlagen ordentlich zu Monitoren.

Ich glaube selbst bei einer kleinen 3kWp Anlage würde ich heute zwei oder gar drei wechselrichter vorsehen anstatt eines einzigen großen. Kommt aber alles auf den Einzelfall an.
 
Thaxll'ssillyia schrieb:
Das kenne ich auch, mir hat aber jemand gesagt dass dies nicht mehr für die neue HMS/HMT Serie von Hoymiles funktioniert, die gerade rausgekommen ist, sondern nur für die ältere HM. Und ich hab nur die neue verbaut.
Die HMS und HMT Serie sendet im 868 und 915 Mhz Band anstatt im 2.4 Ghz Band (HM-Serie).
Daher wohl erstmal inkompatibel.
Müsste sich mal jemand mit Programmiererfahrung die Arbeit machen und sich das mal genauer ansehen.

Bis dahin bleibt dir wohl nur, die DTU-Pro-S für die HMT/HMS Serie zu kaufen.

Persönlich bin ich kein Freund der neuen Serie.
Mir gefällt einfach das BC05 System nicht. BC01 ist da mMn deutlich besser.

tx3a schrieb:
Ich benutze auch einen Hoymiles mit ahoy(ähnlich OpenDTU). Die zusätzlichen Möglichkeiten sind für normale User nicht so interessant. Aber man kann damit den Strom auch abregeln ...
um das Ding direkt am Akku zu betreiben.
Es müssen nicht unbedingt die PV-Module direkt an den Eingang.
Geht auch PV > MPPT-Laderegler > 24/48V Speicher > Wechselrichter.

Wäre in dem Fall unsinnig, den WR dauerhaft mit 600W einpeisen zu lassen bis der Speicher leer ist, wenn das gar nicht selbst verbraucht (sondern dem Netzbetreiber geschenkt wird)
 
  • Gefällt mir
Reaktionen: spcqike
Wer über Batteriespeicher für seine Balkonanlage nachdenkt, sollte sich mal Off-Grid Inverter genauer ansehen.
So oder so kommt man da um kleinere bis mittlere Umbauarbeiten im Verteilerkasten nicht herum, wenn man es richtig machen will. Dabei wird ein Teil der Hausverteilung eine Quasi-Inselanlage. Diese Inverter können technisch nicht ins Netz einspeisen. Was sie von der Solaranlage bekommen, wird in die Batterie geladen oder direkt auf dem angeschlossenen Netzbereich verbraucht. Wenn von der Solaranlage nichts mehr kommt und die Batterie leer ist, dann bedient sich der Inverter aus dem angeschlossenen Hausnetz. Dabei wird je nach Modell zuerst in DC gewandelt und dann kommt das erst in den Inverterteil. Eine Rückeinspeisung ins Netz ist also ausgeschlossen. Die können sich auch nicht aufs Netz aufsyncronisieren, die müssen am Ausgang also einen Inselbereich vorfinden.

Da bei der Installation in die Hausverteilung eingegriffen werden muss, kann das aber wirklich nur von Fachpersonal integriert werden. Ich bau bei einem Bekannten gerade so eine Anlage ein.
 
Zuletzt bearbeitet:
Darknesss schrieb:
um das Ding direkt am Akku zu betreiben.
Es müssen nicht unbedingt die PV-Module direkt an den Eingang.
Geht auch PV > MPPT-Laderegler > 24/48V Speicher > Wechselrichter.

So in der Art habe ich es auch vor. Hab nur gelesen, dass der HM-600 bei 24V am Eingang noch nicht losgeht. Es braucht wohl noch einen DC-DC-Stepup wandler dazwischen, um auf den MPTT Bereich zu kommen? So 29V und mehr.

Laut Datenblatt soll er zwar bei 22V anfangen, und runter bis 16V laufen, was ja alles bereits zu wenig wäre für ne 24V Batterie. aber …. Keine Ahnung. Kann es noch nicht testen.

Leider machen Akkus sowas dann wieder dolle teuer und zum Teil unrentabel. Ich hab zwar das Glück kostenlos Akkus zu bekommen, die haben allerdings ihre besten Jahre bereits hinter sich (4 gebrauchte 6V 220Ah. Ich hoffe mal, dass sie in Summe noch 24V und 50-100Ah haben. Mal gucken)
 
Die Insellösung hat natürlich auch etwas, hat aber auch Nachteile.

Intressant wäre hier eher mal ein Hybrid-Wechselrichter mit max. 600W Ausgangsleistung, der mit 24/48V Speichern umgehen kann. PV-Eingang dann entweder wie beim MIC 600 mit 2+ Modulen oder mit 4 MPPT´s für bis zu 4 Module.

spcqike schrieb:
So in der Art habe ich es auch vor. Hab nur gelesen, dass der HM-600 bei 24V am Eingang noch nicht losgeht. Es braucht wohl noch einen DC-DC-Stepup wandler dazwischen, um auf den MPTT Bereich zu kommen?

Nö, brauchst du nicht.
Der HM-600 hat einen Betriebsspannungsbereich von 16-60V der zugleich auch der MPPT-Bereich ist.
Maximum Input Voltage: 60V
MPPT Voltage Range: 16-60V
Peak Power MPPT Voltage Range: 29-48V
Start-up Voltage: 22V
Maximum input Current: 2x11,5A

Mit einem 24V System liegst du MPPT-Bereich, aber nicht im Peak Power MPPT-Bereich.
Der WR erreicht bei 24V die Maximalleistung nicht (24V x 11,5A = 276W x 2 = 552W) weil der max. Eingangstrom auf 11,5A begrenzt ist.

Bei 24V legt der los, weil >22V

Der DC-DC Step up wird bei einem 12V System benötigt.
MPPT-Bereich ist eig. "egal", da nur die Eingangspannung zählt. Früher hat man den MPPT-Bereich bei Akkubetrieb gezielt gemieden oder Firmware mit deaktiviertem MPPT verwendet.
 
  • Gefällt mir
Reaktionen: spcqike
spcqike schrieb:
Die 1.500W Modelle mit 4 MPPT Eingängen gibt es nicht ohne Grund.
Welche Modelle haben das?
Darknesss schrieb:
Die HMS und HMT Serie sendet im 868 und 915 Mhz Band anstatt im 2.4 Ghz Band (HM-Serie).
Daher wohl erstmal inkompatibel.
Müsste sich mal jemand mit Programmiererfahrung die Arbeit machen und sich das mal genauer ansehen.
Ist schon teilweise dekodiert, wohl nur eine Frage der Zeit. Das Problem ist eher, dass man dafür andere Hardware braucht. Zumindest wenn man schon einen HM-* hat ist das doof.
Darknesss schrieb:
um das Ding direkt am Akku zu betreiben.
Es müssen nicht unbedingt die PV-Module direkt an den Eingang.
Geht auch PV > MPPT-Laderegler > 24/48V Speicher > Wechselrichter.
Coole Idee, hab ich gar nicht dran gedacht.
 
tx3a schrieb:
Welche Modelle haben das?
Vmtl.
Deye SUN1300-2000
Huaya HY-1200-2000
Hoymiles HMS 1600-2000
wobei das erstmal jemand testen müsste.

Die HM 1200-1500 haben 2 MPPT´s wobei an jeden 2 Module parallel angeschlossen sind.
tx3a schrieb:
Ist schon teilweise dekodiert, wohl nur eine Frage der Zeit. Das Problem ist eher, dass man dafür andere Hardware braucht. Zumindest wenn man schon einen HM-* hat ist das doof.
Dann hoffen wir mal, dass die Programmierer an die ganzen HM- Besitzer denken, damit beide Funkmodule gleichzeitig betrieben werden können.

Auch bei der Regelung könnte man noch einiges miteinbauen.
Muss bisher alles extern geregelt werden.
 
Darknesss schrieb:
Intressant wäre hier eher mal ein Hybrid-Wechselrichter mit max. 600W Ausgangsleistung, der mit 24/48V Speichern umgehen kann.
Das Problem bei nicht-Inselanlagen ist halt: wie verhindert man, das man mit der Batterie das Versorgernetz speist. Ich glaube keiner verschleißt gerne seine Batterie für den Nachbar.
Um das zu verhindern muss der WR eben zwischen Netz und Verbrauchern klemmen und den Leistungsfluss überwachen, oder er muss wissen was am Zähler passiert. Und das ist bei so günstigen Kleinanlagen eben zu komplex und teuer. Abgesehen von einigen Bastellösungen hab ich da auch noch nichts fertiges auf dem Markt gesehen.
Meiner Meinung nach ist so ein Off-Grid Inverter aktuell der günstigste Einstieg, wenn man mit dem Gedanken eines Batteriespeichers spielt. Denn nur so kann man sichergehen, das man mit der Batterie nur seinen Eigenbedarf deckt und man bekommt keinen Ärger mit dem Netzanbieter, weil der Inverter gar nicht einspeisen kann. Also braucht man an sich nicht mal eine BKW anmelden, es geht den Netzbetreiber schlicht nichts an.

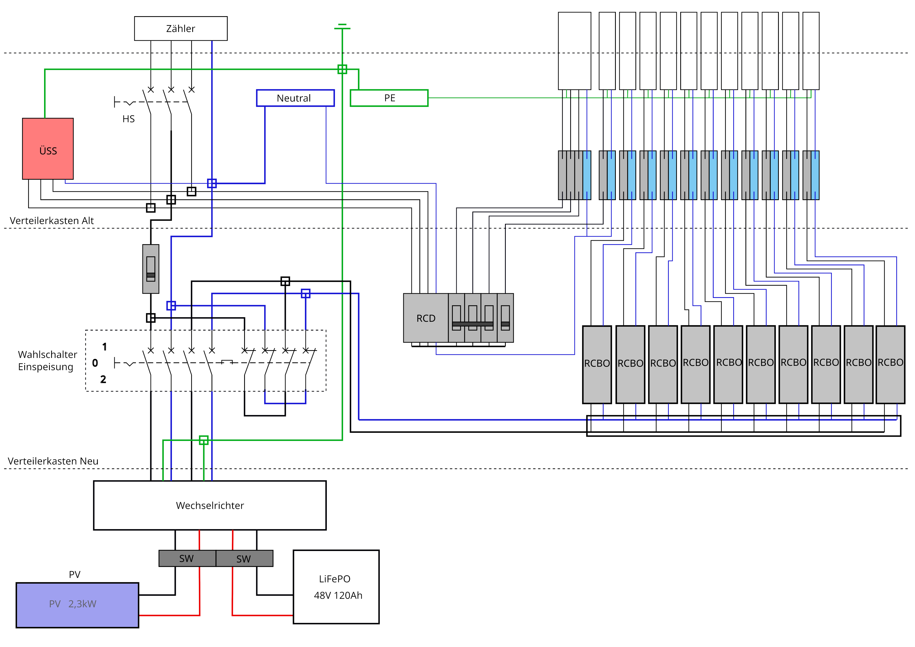
Mit 5kW WR, 6kWh Batteriespeicher, 2,3kW Solar und neuem Hausverteilerkasten bin ich aktuell bei unter 6000€, und damit läuft alles im Haus bis auf Herd, Backofen und einer Notsteckdose über das Inselsystem.
Schaltplan.png
 
Zuletzt bearbeitet:
ghecko schrieb:
Das Problem bei nicht-Inselanlagen ist halt: wie verhindert man, das man mit der Batterie das Versorgernetz speist.
Wenn man nicht mit festen Werten und Timern arbeiten will, brauchts dafür halt einen Zwischenzähler.

Fertig gibts in dem niedrigen Leistungsbereich leider momentan noch nichts allzu günstiges.
Der SDM630 wäre eine Wahl für technisch versierte (funktioniert mit den Growatt MIC und der Hoymiles DTU-Pro derzeit ja schon).
Bei Bastellösungen werden derzeit bereits IR-Leseköpfe oder Shelly3EM als "günstiger" Ersatz für den EM24 oder SDM630 eingesetzt. Sowas könnte man auch profesionell lösen (Verzögerung der Messwerte spielt dabei ja keine allzu große Rolle. Im Gegensatz zur Nulleinspeisung darf ja einsgepeist werden)
Ergänzung ()

ghecko schrieb:
Mit 5kW WR, 6kWh Batteriespeicher, 2,3kW Solar und neuem Hausverteilerkasten bin ich aktuell bei unter 6000€, und damit läuft alles im Haus bis auf Herd, Backofen und einer Notsteckdose über das Inselsystem.
Nicht schlecht.
Welchen WR hast du im Einsatz?
 
Zuletzt bearbeitet:
Obwohl die Sicherheitslücke bereits seit Januar 2023 bekannt ist, ...
@Frank
Das Vorhandensein der Lücke wird schon seit Monaten unter jedem BKW-Angebot mit Deye-WR bei MyDealz erwähnt und afair haben da auch schon letztes Jahr Leute berichtet, dass die den Hersteller kontaktiert haben und der zuerst nicht reagiert hat.

Google findet auf Anhieb Oktober 2022:
https://www.photovoltaikforum.com/t...n2000-erfahrungen/?postID=2846951#post2846951

Und genau da ist das Problem bei dem ganzen IoT Zeugs.
Der Kram wird gebaut, mit Software versehen und mit was Pech wars das dann für immer.
Nur wenn der Shitstorm zu groß wird regt sich was.

Selbst mit geschlossener Lücke würde ich vermutlich eher zu nem HM-600 greifen.
Aber im Grunde warte ich drauf, dass die Grünen mal den Arsch bewegen und die Änderungvorschläge des VDE umsetzt, speziell die Erlaubnis ein BKW auf nem Zähler ohne Rücklaufsperre (legal) zu nutzen.
 
  • Gefällt mir
Reaktionen: juwa und spcqike
Habe selbst mehrere Deye Mikrowechselrichter im Einsatz und hab schon im November 22 mit dem besagten Thema gehadert. Schlussendlich landeten die Geräte in einem seperaten Wlan und ich habe dann auch flott die Firmware aktualisiert.

Wohlgemerkt: Es betrifft nur den LOGGER, nicht die Firmware des Wechselrichters selbst ! Dieses Modul ist ein klassisches IOT Gerät und wird wohl auch in vielen anderen Geräten auch noch stecken. Somit liegt hier wohl die Schuld beim Hersteller dieses Wlan Moduls ( High Fly Shanghai ).

Deye fertig und verkauft selbst.
Es gibt Rebrandings unter Bosswerk, Huayu, Turbo Energy, Marsrock, Revolt.....usw

Für die Solarfreaks:
ja die MPPT/ Port und das WLAN sind da den Hoymiles Produkten out of the box überlegen. Der Hoymiles bietet mit seiner DTU (open DTU) den Smarthome Freaks aber mittlerweile auch einiges !
 
Bin immer wieder überrascht wie Technik feindlich man hier in einem Computer Forum eingestellt ist.
Ich habe mir den Deye Mikrowechselrichter für meine selbst zusammen gestellte MiniPV gekauft, gerade weil er integriertes WLAN hat und man sehen kann was man gerade einspeist ohne weiteres gebastel oder weitere Zukäufe.
Braucht man das, bestimmt nicht, ich möchte es aber haben und damit bin ich ja nicht alleine.
Es ist ja auch praktisch, man sieht was man an welchen Tagen einspeist je nach Wetter und der Positionierung, auch spannend um sich dem Thema einer ausgewachsen PV Anlage zu nähern.
Finde es z.B. auch nett, dass mir meine Waschmaschine mitteilt, wenn Sie fertig ist oder ich sie aus der Ferne einschalten kann.

Das Sicherheitsproblem war bei Kauf schon bekannt, aber da gab es schon die Lösung dafür.
Dass es nun per OTA gefixt wurde, umso besser. Natürlich sollte man nicht vergessen, dass man das AP Passwort manuell ändern muss.
 
  • Gefällt mir
Reaktionen: R-Liner
Typisch Deutschland, viel von erneuerbare Energie reden, aber kein Mut zu höheren Leistungen bei den Balkonkraftwerk haben. Peinlich, alles nur um die eigene Energiewirtschaft nicht zu gefährden und die machen sich die Taschen voll.
 
Zurück
Oben