Frage zu PCIe lane sharing auf Asus ROG Strix X670E-A

Oy, einfach danach schauen welche M2 direkt an die CPU angebunden sind. Also nicht am Chipsatz.
Auch wenn es nur 4.0 er sind. Sollte eine 5.0 kommen kann man die andere ohne Stress einfach in den Steckplatz stecken der am Chipsatz ist.
Warum, die direkt angebunden zuerst? Da am Chipsatz der meist mit 4 Lanes verbunden ist, auch usb, TB, oder Lanes von PCi-Express Steckplätzen verbunden sind, teilen die sich dann die Lanes zur CPU.
1732451146513.png
 
AB´solut SiD schrieb:
Oy, einfach danach schauen welche M2 direkt an die CPU angebunden sind. Also nicht am Chipsatz.
Auch wenn es nur 4.0 er sind. Sollte eine 5.0 kommen kann man die andere ohne Stress einfach in den Steckplatz stecken der am Chipsatz ist.
Warum, die direkt angebunden zuerst? Da am Chipsatz der meist mit 4 Lanes verbunden ist, auch usb, TB, oder Lanes von PCi-Express Steckplätzen verbunden sind, teilen die sich dann die Lanes zur CPU.
Anhang anzeigen 1547440
Ah, ok! Danke für den Hinweis.
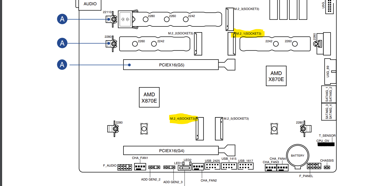
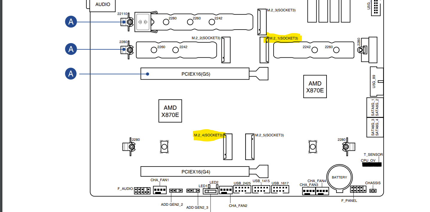
Was ich an dem Board wenig intuitiv finde: rechts neben dem 2ten A Slot von oben (Slot M2.2) befindet sich der Slot M2.1
Den kann ich ohne den Schraubendreher zur Hand zu nehmen, nutzen.

Durch die Bezeichnung 2.1 und 2.2 hätte ich jetzt geraten, dass der 2.1 dann auch direkt an der CPU hängt.

Warum wählt Asus da dann eine so irreführende Bezeichnungs-Strategie?
 
Ja, das ist bei Asus etwas weird....aber da tun sich alle Mainboardhersteller nichts, in Punkto PCIe-Lanes ist das echt sowas von unübersichtlich...

EDIT: Das hier sagt das Handbuch bzgl. M2-Slots
1732462928932.png


Das heißt wenn du deinen PCIe 16x-Slot nicht auf 8x drosseln willst, solltest du M.2-1 und M.2-4 oder M.2-5 nutzen.

Das war mit ein Grund, warum ich kein X870-Board, sondern ein X670 genommen habe.
X870 und X870E sind was PCIe-Lanes angeht in meinen Augen Fehlkonstruktionen.
 
Zuletzt bearbeitet:
Maine schrieb:
X870 und X870E sind was PCIe-Lanes angeht in meinen Augen Fehlkonstruktionen.

Eigentlich ginge es noch - aber die Hersteller haben allesamt den Pflicht-USB4-Chip an vier CPU-Lanes angebunden.
Was übrigens von AMD nicht vorgeschrieben war; die erlauben auch, den AsMedia-Chip an den Chipsatz anzubinden. Macht nur keiner.
So degradiert man vier CPU-Lanes von PCIe 5.0 auf 4.0 (mehr kann der AsMedia-Chip nicht) und hat nur noch einen Vierersatz CPU-Lanes übrig, bevor der Graka Lanes abgeknapst werden. Eine echte Glanzleistung.
 
  • Gefällt mir
Reaktionen: AB´solut SiD
Sapphire Forum
Zurück
Oben