GIGABYTE X670 GAMING X AX V2 Vollbelegung M2 nvme und 4090 Geforce Lanes/Lesitung weg ?!?

zario

Newbie
Registriert
Jan. 2024
Beiträge
2
Ahoi an Alle,

erster Post und bitte um Verständnisfrage .
Möchte folgende Komponenten zusammenbauen.

Gigabyte X670 Gaming X AX V2 +2*16GB Corsair
CPU 7800X3D
RTX 4090
Jetzt kommt die Frage.
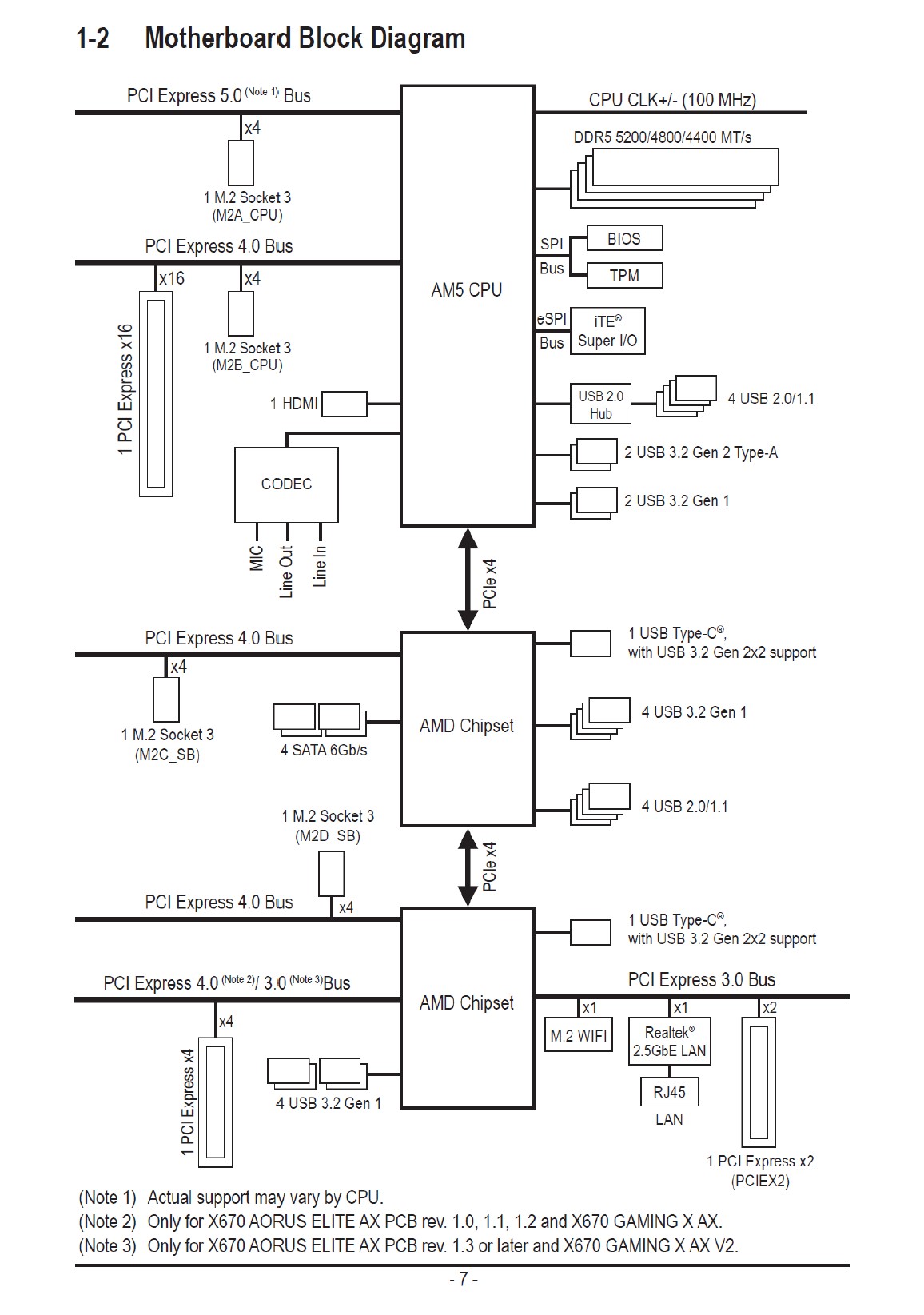
Kann ich ALLE M2 belegen ohne dass die GraKa die Lanes gekappt bekommt ?!
Rein sollen 3 x M2 mit PCI X 4 und eine M2 mit PCI X3 plus 1 SSD als BackUp
Ich blicke da noch nicht ganz durch.
Hab im Anhang MB Pics eingefügt.

Danke im Vorraus
 

Anhänge

  • Screenshot 2024-01-08 133612.jpg
    Screenshot 2024-01-08 133612.jpg
    284,5 KB · Aufrufe: 485
  • Screenshot 2024-01-08 134003.jpg
    Screenshot 2024-01-08 134003.jpg
    233,6 KB · Aufrufe: 425
Wenn du volle Bestückung der M.2 Steckplätze fährst, dann hat die Grafikkarte immer noch ihre 16 Lanes. Da wird nichts gekappt oder dergleichen.

M2A ist direkt an die CPU per PCIe Gen 5 angebunden. M2B nutzt PCIe Gen 4 direkt an der CPU. M2C ist am AMD Chipsatz per PCIe Gen 4 angebunden, der wiederum per PCIe Gen 4 x4 an der CPU. M2D ist genauso angebunden.

Kannst dir bei AMD ansehen, was die CPU alleine an Lanes bereitstellt und ggf. der Chipsatz selber:
https://www.amd.com/en/product/12731
 
Bei 4 M.2 SSDs werden wahrscheinlich einige von den SSD anschlüssen gekappt.
Sollte aber in deinem Handbuch zum Mainboard stehen. (RTFM)
 
  • Gefällt mir
Reaktionen: GALAX-ZERO
Sapphire Forum
Zurück
Oben