Hat jemand die Western Digital Scorpio 250GB 8MB IDE 2,5 Zoll ?

Timo42

Cadet 2nd Year
Registriert
Juni 2005
Beiträge
26
Moin !

Hat jemand von Euch die Western Digital Scorpio 250GB 8MB IDE 2,5 Zoll und könnte bitte mal HDTach oder HDTune drüberlaufen lassen ?

In meinem Samsung Notebook X20 ist noch die Original-Festplatte verbaut (Hitachi HTS421210H9AT00, 100 GB bzw. 95 GB real, 4.200 U/min., 8 MB Cache) und ich überlege - vorallem aus Performancegründen - eine neue Platte einzubauen.

Alternativ würde für mich auch die 160er-IDE-2,5Zoll-Platte von Samsung in Frage kommen (Samsung HM160HC), von der habe ich aber schon Screenshots von HDTach und HDTune gefunden, welche sehr beeindruckend sind !
Scheint wohl daran zu liegen das nur eine Platter verbaut ist (sehr hohe Datendichte) ?!
Außerdem soll das (eine Platter anstatt zwei oder mehr) auch Vorteile bringen hinsichtlich Lautstärke und Wärmeentwicklung habe ich irgendwo an anderer Stelle gelesen ?!

Bzw. hat jemand evtl. die (baugleiche ?) SATA-Version ?
Habe jetzt rausgefunden das - leider - 2 Platter verbaut werden (zumindest beim SATA-Modell), leider, da dadurch geringere Datendichte.

http://www.legitreviews.com/article/509/

Aus dem Alternate-Bewertungs-System habe ich folgende Daten kopiert:

Reale Größe: 232 Gbyte

HD Tune
minimal 31,7 Mbyte/s
maximal 64,6 MByte/s
mittel 49,2 Mbyte/s
Zugriffszeit 17,2 ms
Temperatur 51 °C im Dauerbetrieb


Gruß Timo
 

Anhänge

  • HDTune Festplatte eigener Rechner.jpg
    HDTune Festplatte eigener Rechner.jpg
    238,9 KB · Aufrufe: 307
Zuletzt bearbeitet:
ich habe zwar keine 250 aber eine 120er drin, vllt hilft dir das weiter...
davor hatte ich eine samsung, die ist aber leider abgeraucht. :mad:
screenshot hab ich leider keinen mehr...

Western Digital Scorpio

option.gif
i_info.gif
Beschreib.: 8 MB Cache
option.gif
i_fat.gif
Kapazität: 120.0 GB
option.gif
i_takt.gif
Umdrehungen: 5400 Upm
option.gif
i_sonst.gif
Interface: ATA 133
option.gif
i_randw.gif
DataSpeed: avg 40,5 MB/s
option.gif
i_blitz.gif
AccessTime: 16,6 ms
option.gif
i_grad.gif
Temperatur: 37 °C
option.gif
i_mb.gif
Anschluss: Primary Master
 
Zuletzt bearbeitet:
Ich finde es ja mal wieder ziemlich interessant, das Samsung selbst Hitachi-Platten verbaut :evillol:

Die scheinen ja wirklich Vertrauen in ihre eigenen Produkte zu haben :freak:
Aber gut, das bestätigt nur meine Abneigung gg Samsung-Festplatten...
 
Was hältst du von Seagate?

Da halte ich pers. sehr viel von.
Habe selbst eine im NB drin.
 

Anhänge

  • HDTune aktuelle 160er von Samsung 2,5 Zoll mit 1 Platter.png
    HDTune aktuelle 160er von Samsung 2,5 Zoll mit 1 Platter.png
    39,3 KB · Aufrufe: 290
Was willst du denn jetzt überhaupt?

Samsung oder WD oder was ganz anderes?
 
Moin !

Auf Seagate bin ich von X1800er angesprochen worden.
Im Prinzip suche ich - wie weiter oben steht - eine hauptsächlich performantere Platte gegenüber meiner jetzt verbauten und schwanke zwischen der Western Digital WD2500BEVE und der Samsung HM160HC, es sei denn jemand kann mir noch eine bessere vorschlagen ?!

Größe mindestens 160 GB, besser mehr
Nur ein Modell mit 5.400 U/min. (guter Kompromiß aus Lautstärke und Performanz)
Preislich attraktiv (die Samsung und die Western Digital liegen beide bei ~ 0,35 Euro/GB)

Die Samsung ist performanter und die Western Digital ist größer.

Gruß Timo
 
Zuletzt bearbeitet:
Persönlich würde ich zu WD greifen, könntest dich aber auch nochmals bei Seagate umsehen.
Gegen Samsung hab ich irgendwie ne Abneigung (nur bei Festplatten).

Wenn man im Internet regelmäßig Userberichte liest, scheinen Samsung-Platten schon gerne mal auszufallen (macht zumindest auf mich so den Eindruck...)
 
stimmt, ich bin einer der geschädigten, ne samsung kommt mir nie wieder rein ;)

WD oder Seagate, da kann nix falsch machen...
in meinem rechner werkelt ne seagate und im notebook jetzt eine WD...
 
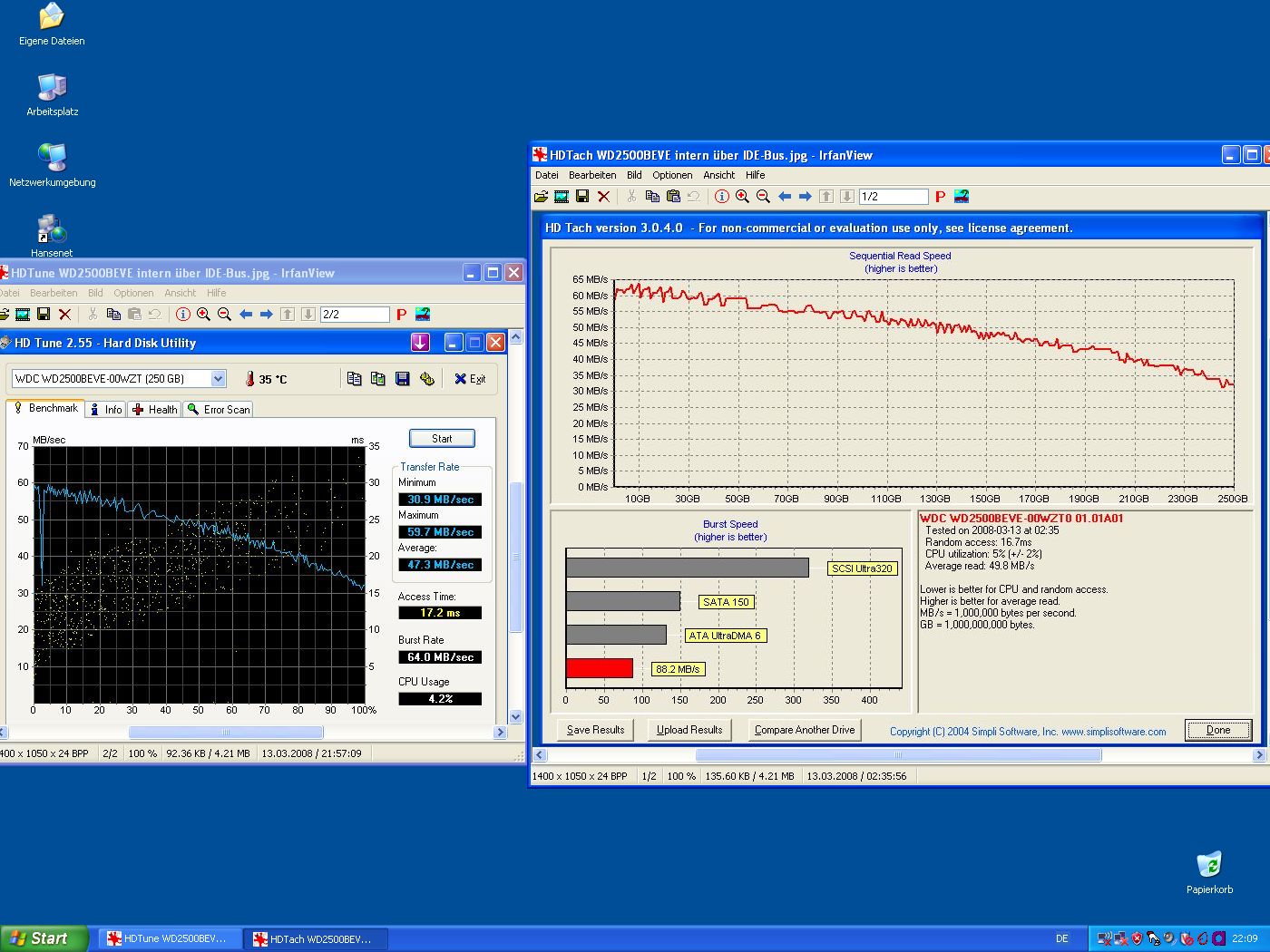
Guten Abend !

Ich habe mich für die Western Digital WD2500BEVE entschieden.
Dies ist die größte derzeit erhältliche (vielleicht sogar jemals gebaute ?!) 2,5-Zoll-IDE-Festplatte.

Sie ist zwar einen kleinen Tick lauter (Grundrauschen) als die original verbaute Hitachi-Platte (4.200 U/min.) aber ich denke mal dies liegt in der Natur der Sache.
Der gefühlte Geschwindigkeitszuwachs ist jedenfalls berauschend !

Für alle potentiellen Käufer habe ich einen Screenshot rangehängt, welcher die Ergebnisse von HDTach und HDTune zeigen.

Gruß Timo
 

Anhänge

  • WD2500BEVE HDTune und HDTach.jpg
    WD2500BEVE HDTune und HDTach.jpg
    240,7 KB · Aufrufe: 434
Zurück
Oben