TeamViewer Motive 3

Test iPhone 17 Pro Max im Test: Apples orangefarbener Dampfhammer

kicos018 schrieb:
Wie andere schon geschrieben haben, es spricht absolut nichts gegen eine 0% Finanzierung bei solchen Summen. Im Gegenteil, meist macht es sogar mehr Sinn, da du so mehr Geld anlegen und höhere Renditen erwirtschaften kannst.
Wer ein Handy für 0% finanziert, der legt sein Geld nicht an, da er kein Geld zum Anlegen hat.
Da fehlt es schlicht an der finanziellen Intelligenz.
 
  • Gefällt mir
Reaktionen: Seven2758, Ph4ntom, Pheenox und eine weitere Person
BobHB schrieb:
Wer ein Handy für 0% finanziert, der legt sein Geld nicht an, da er kein Geld zum Anlegen hat.
Jo, das würde nur klappen wenn man das Geld für das 1200€ Handy Bar liegen hat. 12*100€ kostenfrei finanziert und sofort aber die "übrigen" 1100€ anlegt. Macht wohl nur kaum jmd.

Edit: minimal "spart" man allerdings, weil bei der letzten Rate in 12 Monaten die 100€ ca 2-3% weniger wert haben.
 
  • Gefällt mir
Reaktionen: Johannes659 und Salamimander
Independent schrieb:
Ich habe mir das Pro Max Modell geholt und komme vom 13 Pro Max… was ein Sprung.

Fehlt nur noch das neue IPad… kommt noch :)
Ich habe auch noch das 13 Pro Max, was ist denn der große Sprung zum 17er im Vergleich?
Danke
 
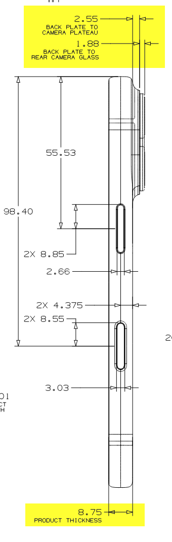
Zum Thema Maße des iPhones folgender Hinweis.
Die Werte für z.B. die Dicke (bzw. Tiefe) des iPhoen 17 pro die bei Apple angegeben werden (8,75 mm) treffen nur auf den Hauptteil des Körpers zu. Das dürfte glaube ich allen bekannt sein.
Die Werte aus den von mir hier zitierten Bildern von @Azeron und @Mimir sind aber definitv falsch.
Das iPhone 17 pro hat an der Kamera eine gesammt Dicke von 13,18 mm und nicht von 9,9 mm.
Das könnt Ihr in den Accessory Design Guidelines bei Apple nachlesen.
Siehe Seite 321:
1760690365908.png


Keine Ahnung wie eure Quelle da auch lediglich 9,9 mm kommt. Die 11,25 mm bei iPhone 13 pro stimmen aber.

Azeron schrieb:
Und was die Größe und das Gewicht angeht: Subjektiv.

Als das iPhone 2007 erschien, gab es auch Leute die meinten es wäre zu schwer (Timestamp)

und zu groß (Timestamp)

Ist alles relativ und wie man sieht, gewöhnt man sich mit der Zeit an die Größe und ans Gewicht. Wäre dem nicht so, wären die Smartphones über die Jahre nie größer geworden sondern immer noch so winzig und federleicht wie damals vor knapp 20 Jahren wo sie als "sehr schwer" und "sehr groß" bezeichnet wurden.

Das iPhone 17 Pro ist für mich von der Größe und dem Gewicht her noch ok. Das Max wäre mir im Vergleich mit dem Pro zu groß (aber nicht zu schwer). In 10 Jahren könnten die Standard-Smartphones aber weiter langsam immer größer werden sodass in 10 Jahren das normale Pro so groß ist wie heute das Max und das Max dann nochmal ne Ecke größer und dann würde ich in 10 Jahren das normale Pro auch wieder im Vergleich zum Max von der Größe her Ok finden.

Das 17 Pro ist ja auch ne klitzekleine Spur größer als das 13 Pro das ich vorher hatte und da sagte ich eigentlich schon dass das 13 Pro von der Größe her noch passt aber nicht mehr größer sein sollte. Es wird eben nur sehr langsam immer größer sodass man sich dran gewöhnt.
Anhang anzeigen 1666460

Mimir schrieb:
Nö, "langsam größer" wird das nicht wirklich. Die Breite ist seit dem iPhone 6 Plus identisch geblieben:

Anhang anzeigen 1666465

Und ja, aufgrund der Tatsache, dass die Ränder ringsrum gleich dick sind, aber das Seitenverhältnis des Displays nicht quadratisch ist, ist es bei gleichem Seitenverhältnis mit den nun dünneren Rändern zwangsweise etwas höher geworden (seit dem 16 Pro max mit 6,9 Zoll). Aber wichtig für die Bedienung ist hauptsächlich, dass die Breite des Gehäuses gleich bleibt.

Ich schätze mal, dass 7,0 oder sogar 7,1 zoll bei gleicher Breite noch möglich sind, wenn man die Ränder noch weiter minimiert oder irgendwann ganz los wird.
Wobei es mir auch lieber wäre, wenn auch die Höhe nicht weiter anwächst und man lieber das Seitenverhältnis wieder ein kleines bisschen zusammenstaucht. Aber Apple wollte halt aus irgend nem Grund das Seitenverhältnis nicht anrühren, als sie von den 6,7 auf 6,9 Zoll durch die dünneren Rändern gewechselt haben.
 
  • Gefällt mir
Reaktionen: Haplo, mazO!, Azeron und eine weitere Person
BobHB schrieb:
Wer ein Handy für 0% finanziert, der legt sein Geld nicht an, da er kein Geld zum Anlegen hat.
Da fehlt es schlicht an der finanziellen Intelligenz.
Das halt ne irreführende Aussage, weil auch jemand mit finanzieller Intelligenz die 0% Finanzierung mitnimmt, um eben mehr Geld zum Anlegen zu haben.
Nur weil jemand etwas finanziert ist er nicht dumm was Geld anbelangt. Und nur weil jemand etwas Bar kauft, ist es noch lange keine "finanziell intelligente" Entscheidung.
 
  • Gefällt mir
Reaktionen: Drummermatze, Vendetta192, ElliotAlderson und 9 andere
Rote Rose schrieb:
Wer kauft sich denn bitte ein orangenes Handy? Ein Telefon hat Silber oder Schwarz zu sein. Das wirkt edel, schlicht, ordentlich. Nicht so ein grelles etwas, das aussieht wie eine Warnweste.
Geschmackssache. Soll Leute geben, die keine Minimalisten sind. Tatsächlich sind sogar die Leute, die sich für Minimalisten halten, meist keine.
Rote Rose schrieb:
Früher, als man noch Telefone mit Antenne hatte, da waren die aus Metall und haben Gewicht gehabt.
Aluminium ist ein Metall. Antennen haben auch heutige Mobiltelefone noch, braucht man schließlich zwingend. Sie ragen nur nicht mehr heraus.
Und mit über 200 Gramm ist das iPhone 17 Pro Max durchaus ziemlich schwer, was Smartphones betrifft. Wovon redest du hier überhaupt? 😅
Rote Rose schrieb:
Heute haben die Dinger Farben, die es nicht mal in der Natur gibt.
Entschuldige, aber was ist das denn für ein krasser Unsinn? 😅
 
Wie schaut das denn mit der realen Kratzanfälligkeit aus?

Das"Scratchgate" war ja Social Media-üblich ein Hype, aber man liest schon, dass gerade der eloxierte Kamerabuckel ein Problem ist.

Ich nutze seit Release ein 13 Pro Max ohne Hülle und habe jetzt nach 4 Jahren die ersten zwei Kratzerchen (1-2 mm) produziert, weil es mir auf nen Fliesenboden gefallen ist. Ich befürchte, dass wird das 17 Pro Max nicht so lang durchhalten.
 
Toller Artikel mit atemberaubenden Foto-Aufnahmen. Ein Kamera Test von einem Handy mit solchen Motiven ist selten und ich danke für die schönen Bilder und den Test!
Für mich persönlich tut es das "normale" iPhone 17, hab kürzlich von meinem Iphone SE geupdatet, da mit dem neuesten iOS alles nur noch geruckelt hat und der Akku sowieso tot war. Bin jedenfalls zufrieden.
 
  • Gefällt mir
Reaktionen: kim88
@<NeoN>

Normal ist es viel Widerstandsfähiger als Edelstahl und ich denke du wirst auch viel mehr feine Kratzer im 13Pro haben als du auf die schnelle siehst.
Ich bisher noch kein iPhone ohne Hülle und ohne viele Kratzer gesehen.

Allerdings hat Apple allgemein Probleme mit einer funktionierenden Beschichtung.

Meine alten Hope Bremsen am MTB waren auch aus ALU/Eloxal und da hats eher die Steine als die Beschichtung zerkratzt.

Die AW9 meiner Frau hat schon viel Farbe verloren, sieht eher nach lackiert aus.
Eventuell ist hier Silber die bessere Wahl, war bei uns leider nicht kurzfristig lieferbar.
 
  • Gefällt mir
Reaktionen: <NeoN>
ueg schrieb:
Der einzige unterschied ist der Kamerasensor mit mehr Pixeln. Diese „200 mm Brennweite“ ist genau das selbe wie ein Bild mit der 100mm Brennweite aufnehmen und dann den interessanten Bereich ausschneiden.
Das stimmt leider nicht. Nur der Bildausschnitt ist in dem Fall identisch.
Die Tiefenwirkung durch die Kompression entfernter Objekte ist bei 200 mm trotzdem anders als bei 100 mm.
 
  • Gefällt mir
Reaktionen: nlr
  • Gefällt mir
Reaktionen: shaggy86
Wer eine orangenes iPhone kauft, trägt auch Jogginghosen in der Öffentlichkeit.
 
Sardellenpizza schrieb:
Die Tiefenwirkung durch die Kompression entfernter Objekte ist bei 200 mm trotzdem anders als bei 100 mm.
Aber es sind ja keine 200mm, nicht mal 100mm da sich diese Brennweiten auf Kleinbild beziehen. Und die Tiefenwirkung kommt eigentlich durch den Standort also den Abstand zum Motiv zustande, nicht durch die Brennweite an sich. Die kommt nur durch die unterschiedlichen Sensorgrößen ins Spiel.
SKu schrieb:
Wer eine orangenes iPhone kauft, trägt auch Jogginghosen in der Öffentlichkeit.
Wenn die farblich passen, warum nicht ;).
 
  • Gefällt mir
Reaktionen: Grundgütiger
SKu schrieb:
Wer eine orangenes iPhone kauft, trägt auch Jogginghosen in der Öffentlichkeit.
Also hat, wer ein orangenes iPhone kauft, demnach die Kontrolle über sein Leben verloren? :D

SKumon digitiert zuuuuu ... Lagerfeldomon.

Lagerfeldomon. Level: Champion. Geschmack als objektiv darstellendes Digimon. Typus: Virus. Attacke: Polemikbombe :P :D
 
  • Gefällt mir
Reaktionen: Drummermatze, Alphanerd, tidus1979 und eine weitere Person
  • Gefällt mir
Reaktionen: Solavidos, RedDragon83 und Salamimander
kicos018 schrieb:
Das halt ne irreführende Aussage, weil auch jemand mit finanzieller Intelligenz die 0% Finanzierung mitnimmt, um eben mehr Geld zum Anlegen zu haben.
Nur weil jemand etwas finanziert ist er nicht dumm was Geld anbelangt. Und nur weil jemand etwas Bar kauft, ist es noch lange keine "finanziell intelligente" Entscheidung.
Es ist eine Verbindlichkeit! Ein Konsumkredit! Somit kannst du es drehen und wenden wie du willst.
 
  • Gefällt mir
Reaktionen: AtsmPrime
SKu schrieb:
Wer eine orangenes iPhone kauft
Halb so schlimm. Gibt schon Fälle, wo es nicht bei orange bleibt. ^^ Mal schauen, ob hier auch ein Artikel kommt.
 
  • Gefällt mir
Reaktionen: CMDCake
Sardellenpizza schrieb:
Das stimmt leider nicht. Nur der Bildausschnitt ist in dem Fall identisch.
Die Tiefenwirkung durch die Kompression entfernter Objekte ist bei 200 mm trotzdem anders als bei 100 mm.
Es ist immer nur der Bildausschnitt mit Distanz zum Objekt

Ein KB (x1.0) Objektiv an MF ( je nach dem x0,6)hat eine andere Brennweite genauso wie an APSC (x1,5).

Die 100mm sind real nur 25-30mm., bei den anderen Modellen wurde einfach nur ein kleinere Sensor verbaut um auf die selbe Brennweite zu kommen.
Der 12MP Sensor war kleiner, hier genügen dann 7-10mm um auf 100mm/KB zu kommen.
 
Ich würde mir aktuell verm. das Xioami 17 Pro Max kaufen. Das schaut einfach viel interessanter aus von der technologischen Perspektive her. Das iPhone wirkt doch sehr altbacken im Vergleich und wirklich besser ist es auch nie, dafür aber deutlich teurer, selbst in der kleinsten Sparausstattung. In einer vergleichbaren Speicherkonfiguration muss man sogar fast das Doppelte zahlen. Puh.....
 
Zurück
Oben