TeamViewer Motive 3

Mainboardsuche für 9800X3D oder 9950X3D

@Questionmark Ja habe auch Arbeitskollegen,bei den ist erst kürzlich der 9800X3D defekt gegangen. Auf Asus und msi Board. Ich habe PBO deaktiviert. Frag mich aber warum AMD bei dem 9800X3D überhaupt es wieder freigegeben hat an der Spannung zu drehen.
 
@Seriousjonny007 Ab wann wird da denn was genau limitiert? Also denke 2-3 M.2 SSDs und 3 SATA SSDs werden schon realistisch bei mir sein.
 
Joker87 schrieb:
Ab wann wird da denn was genau limitiert?
Mach Dir darüber keine Gedanken. Man sollte nur auf ein 89 Euro Board mit 4 Phasen ohne Kühlung keinen 16 Kerner packen.

PS: Ach, ich glaube deine Frage bezog sich auf das Lane Sharing der NVMe, nicht die VRM. Sorry.

Beim Asus TUF B850 Plus wird der PCIe X16 G4 deaktiviert, wenn der M.2_3 benutzt wird.
*** The PCIEX16(G4) shares bandwidth with M.2_3. The PCIEX16(G4) will be disabled when M.2_3 runs.
https://www.asus.com/de/motherboard...uf-gaming/tuf-gaming-b850-plus-wifi/techspec/
 
Bei vielen Boards wird schon bei 3 m.2 SSDs limitiert. Sprich, die Grafikkarte würde dann nur noch mit 8 Lanes laufen.
 
  • Gefällt mir
Reaktionen: Joker87
Also wenn du alle 3 M2 Slots belegst wird der 3. auf 2 Lanes gedrosselt.
1759833119697.png
 
Könnte man sagen, dass bei den M.2 immer einer frei bleiben muss? Ich habe zumindest den Eindruck.
 
Aber PCIe 4.0 x2 ist noch immer so schnell wie PCIe 3.0 x4 also ~3500MB/s
 
Portal501 schrieb:
Sprich, die Grafikkarte würde dann nur noch mit 8 Lanes laufen.
Hast du kaum noch, da die GPU und M.2_1 direkt an der CPU hängen und der Rest am Chipsatz. Bei Intel war das nur ein Thema, da die CPU insgesamt nur 16 PCIe 5.0 Lanes hat.

Bei den M.2 Slots wird dann entweder nen PCIe Slot (nicht der primäre) oder neuerdings der USB 4.0 Controller beschränkt.

Joker87 schrieb:
Könnte man sagen, dass bei den M.2 immer einer frei bleiben muss?
Eigentlich nicht. Du musst halt schauen was dafür anderes abgeschaltet und ob du das überhaupt brauchst. Beim Asrock Nova gibt es meines Wissens durch cleveres Design und den X870E gar kein Lane Sharing.
 
  • Gefällt mir
Reaktionen: Joker87
Keine Ahnung was du dir für Gedanken darüber machst, da du ja nur 1x NVME und ein paar SATA anstecken willst. Auch eine 2. NVME SSD ist noch kein Problem. Erst ab der 3. beginnt das Sharing, was aber mit ~3500MB/s noch immer schnell ist
 
Naja ich mache mir lieber Gedanken als später etwas zu kaufen was ich nicht brauche oder etwas nicht zu kaufen was ich evtl. brauche ;)
 
Wenn du mehr PCIe Lanes brauchst musst du auf Threadripper umsteigen die haben bis zu 92 PCIe Lanes.
Die Ryzen haben nur 28 Lanes.
Davon gehen 16 zur Grafikkarte, 4 zur 1. NVME Steckplatz und der rest ist aufgeteilt
 
Seriousjonny007 schrieb:
Die Ryzen haben nur 28 Lanes.
Davon gehen 16 zur Grafikkarte, 4 zur 1. NVME Steckplatz und der rest ist aufgeteilt
Ja, die CPU alleine. Aber dafür ist ja der Chipsatz X870 oder X870E (2x X870) da. Der hat auch eigene Lanes.
 
@cvzone Die werden aber auch nur über die 4 bzw 8 übrigen PCIe Lanes gesplittet.
Aus z.b 4 PCIe 5.0 lassen sich 8 PCIe 4.0 oder 16 PCIe 3.0 machen.
Du darfst nicht vergessen USB zwackt da auch schon was ab.
 
Kauf dir ein beliebiges X670-E Board und du hast nur keinen USB4. Thema Lanesharing damit beendet.Habe aus genau dem Grund... Habe aktuell 2x NVME auf dem Board und will noch mindestens eine weitere, ein X670-E gekauft um genau das Problem nicht zu haben.
Da für mich weder Asrock noch Asus (ASRock wegen früherer Probleme und Asus wegen Eigenerfahrung) nicht ins Gehäuse kommen, hab ich mich für das Gigabyte Aorus X670-E Master entschieden. Da der einzige Unterschied zwischen 870 und 670 der USB4 Port ist, den ich nicht nutzen würde, da ich keine Geräte dafür nutze, war der kauf dann ziemlich schnell klar.
 
Seriousjonny007 schrieb:
Die werden aber auch nur über die 4 bzw 8 übrigen PCIe Lanes gesplittet.
Die Lanes werden nicht gesplittet. Aber die 4 Lanes zwischen dem Chipsatz und der CPU bilden natürlich ein Engpass in der Datenübertragung.

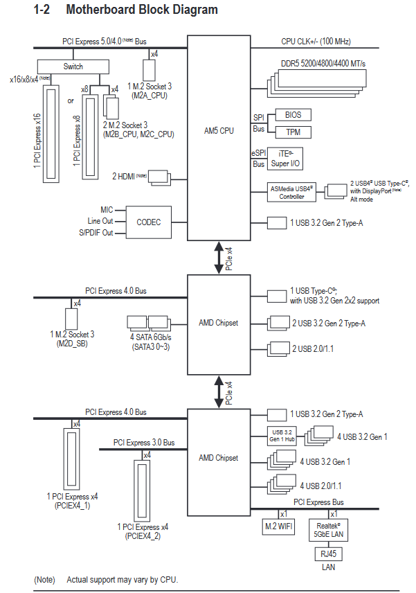
Siehe Blockdiagramm des X870E. Würden die immer nur weiterverteilt, würde bei der Reihenschaltung des X870E am Ende ja gar nichts mehr vorhanden sein und da hängt ja noch einiges dran.

x870e.png
 
Du hast dir das Diagramm aber schon angesehen oder?
Es werden ganz genau 4 PCIe 5.0 Lanes für alles geteilt.
Aber es bleiben immer nur 4 PCIe 5.0 Lanes
 
Seriousjonny007 schrieb:
Aber es bleiben immer nur 4 PCIe 5.0 Lanes
Die Geräte teilen sich die Bandbreite dieser x4 5.0 Lanes zur CPU, aber der Chipsatz hat eigene Lanes. Ansonsten wäre es ja auch überhaupt nicht möglich so viele Geräte mit zwei Chipsätzen an die CPU anzuschließen, da PCIe Lanes Punkt zu Punkt Verbindungen sind.
 
IBISXI schrieb:
Was meinst Du damit?
Gab hier auch nen Bericht dazu:

https://www.computerbase.de/news/ma...e-3-40-senkt-die-soc-voltage-weiter-ab.94110/

Hab das gleiche Brett (B850 Pro-A) wie du hier am laufen,mit einem 9950X3D und Corsair DDR5 64GB PC 6000 CL30 VENGEANCE.
Mittlerweile mit Bios 3.50...alles bis jetzt ohne Probleme.
1x Corsair MP700 PRO/PCIe Gen5 x4 NVMe M.2 SSD
1x Corsair MP600 PRO XT/PCIe Gen4 x4 NVMe M.2 SSD
2x Samsung 870 EVO/SATA III
Die 9070XT läuft natürlich auch voll angebunden.

Verstehe aber auch die Leute die nach den Berichten über ASRock erstmal Abstand nehmen.
Jeder wie er möchte.
 
Zuletzt bearbeitet:
DarkInterceptor schrieb:
Kauf dir ein beliebiges X670-E Board und du hast nur keinen USB4. Thema Lanesharing damit beendet.Habe aus genau dem Grund... Habe aktuell 2x NVME auf dem Board und will noch mindestens eine weitere, ein X670-E gekauft um genau das Problem nicht zu haben.

Das ist Blödsinn:
1759835407746.png


Wenn der 1. M2 Slot belegt ist dann hast du PCIe 5.0 x4
Wenn der 1. & 2. M2 Slot belegt ist dann hast du nur mehr PCIe 5.0 x2

Bei M2 Slot 3 & 4 das gleiche.
Wenn der 3. M2 Slot belegt ist dann hast du PCIe 4.0 x4
Wenn der 3. & 4. M2 Slot belegt ist dann hast du nur mehr PCIe 4.0 x2

Steht genau so auf in der Spec des 400€ teuren GIGABYTE X670E AORUS Master
 
Sapphire Forum
Zurück
Oben