Alternate 5

Nachfolger für SATA?

Schlapp5

Cadet 4th Year
Registriert
Juni 2024
Beiträge
78
Grüßt,

Wird es einen Nachfolger für SATA geben?

Gefühlt ist bei diesem Thema tote hose und M2, was einfach nur PCIe das für Speicher zweck entfremdet wurde, ist zwar schneller aber viele zwecke nicht gerade praktisch. Hot-Swap ist damit, soweit ich weiß, auch nicht möglich. Wie auch die begrenzte Möglichkeit RAIDs. Die einzige alternative für Speicher ist Serial Attached SCSI, aber das ist auch Schweine teuer. Zumindest was ich weiß.

Was denkt ihr darüber?

Ich zu meinem Teil würde mir eine Weiterentwicklung wüschen.
Ich habe schon 23TerraByte an Platten, die sichern zu wollen dauert ewig und SSDs sind kein ersatz, außer ich möchte arm werden.
 
Dir ist aber schon klar, dass deine HDDs nicht durch das SATA Interface gebremst werden, oder?

Und wenn PCIe für die Anbindung von Speichermedien verwendet wird, dann ist das auch genau das, eine Verwendung, nicht eine Zweckentfremdung...
 
  • Gefällt mir
Reaktionen: Don-DCH
U.2/U.3 ist der Nachfolger, der es wohl nie in den Desktop schaffen wird. Was eigentlich auch nur PCIe mit Kabel ist. Macht ja auch Sinn.
Aber auf dem Desktop werden wir uns weiterhin mit M.2 begnügen müssen. SATA wird auch vorerst nicht verschwinden.
 
  • Gefällt mir
Reaktionen: CaptainPicard und AB´solut SiD
M.2 definiert erstmal nur eine Schnittstelle, die nicht zwangsläufig auf PCI Express hindeuten muss. Nur kann.
Aktuell fällt mir kein konkreter Anlass ein, die SATA-Schnittstelle in Rente zu schicken. HDDs reizen sie in der Regel kein bisschen aus und für normale SSDs, welche per SATA angeschlossen sind, reicht die Bandbreite auch mehr als aus.

Für Server gäbe es da noch die SAS-Schnittstelle, die eine höhere theoretische Bandbreite erreicht.
 
JumpingCat schrieb:
Hot-Swap ist per Definition schon seit PCI möglich.



Wie meinst du das? Das Protokoll / Stecker ist doch nicht für das RAID-Level zuständig.
PCI reagiert soweit ich weis nicht im laufenden betrieb auf Veränderungen auf die Nutzung, wäre mir auch neu wenn du im laufenden betrieb die m2 SSD ein und raustecken kannst wie es dir bleibt.

PCI ist eine rein CPU getriebene Schnittstelle, die Erweiterung ist nur Sperlich möglich und RAID läuft zwangsläufig über die CPU. Da sehe ich das problem, wie soll man ein Stapel SSDs bewirtschaften, wenn die lanes eine so begrenze Ressource sind. Bei SATA kann das eine Controller-Karte übernehmen. Ihr könnt mich gerne korrigieren.
 
Schlapp5 schrieb:
und RAID läuft zwangsläufig über die CPU
Echte Hardware-Raidcontroller sind doch eh schon seit über 20 Jahren ausgestorben, weit vor der Ablösung von SATA durch M.2. Aus gutem Grund wohlgemerkt.
Schlapp5 schrieb:
Bei SATA kann das eine Controller-Karte übernehmen. Ihr könnt mich gerne korrigieren.
Auch PCIe kann man über Controller vervielfachen. Oder halt über Multiplexer jedem Slot nur eine Lane zuteilen. Das Problem ist ja die eigentliche Anforderungen an die Geschwindigkeit des Bus-Systems. Wenn man heutige SSDs auslasten will, kommt man aktuell nicht an PCIe vorbei. Und damit auch nicht an der Pinkapazität des CPU-Sockels. Wenn man auf Bandbreite verzichten kann, lässt sich das Problem im Handumdrehen lösen. Aktuelle Chipsätze auf Mainboards machen nichts anderes.
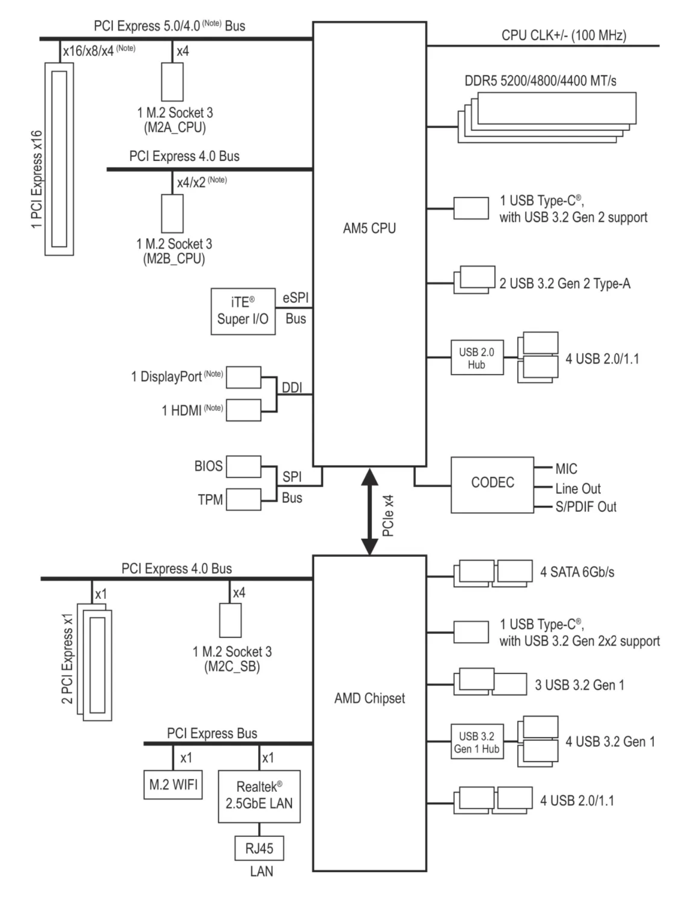
Screenshot 2025-02-07 at 20-58-38 GIGABYTE B850 AORUS Elite WIFI7 ICE ab € 231 15 (2025) Preis...png
 
Zuletzt bearbeitet:
Schlapp5 schrieb:
Wird es einen Nachfolger für SATA geben?

Gefühlt ist bei diesem Thema tote hose
Sobald es irgendwann mal HDDs im Privatkundensektor gibt, welche die SATA Schnittstelle auch ausreizen können, könnte es einen Nachfolger geben, vorher fehlt einfach der Markt dafür.

Ich habe Schweirgkeiten nachzuvollziehen wo Du da aktuell ein Problem siehst. SATA ist für HDDs immer noch schnell genug, keine Festplatte schafft das aktuell SATA auszureizen, SSDs schließt man als NVME intern direkt an PCIe an oder extern über USB 3.2/4, die gehören auch nicht mehr an SATA, das war nur eine Übergangslösung als SSDs noch "langsam" waren (Hotswap geht da auch, kein Problem). Sicherungsmedien kann man über USB 3.2/4 anbinden (auch hier limitiert bei einer HDD wieder das Medium und nicht die Schnittstelle) oder man sichert über das Netzwerk (1GBit/10GBit/40GBit) an eine andere Stelle. SATA ist hier nirgendwo das Problem.

Ich sehe daher einfach nicht warum man einen Nachfolger für SATA im Desktop brauchen sollte, meine SATA Ports sind seit Jahren vollständig deaktiviert bei mir, HDDs stecken im NAS, da habe ich u.a. einen SATA-basierten RAID-6 aus 8x 16TB, der dank SSD Cache super-schnell ist, weil auch hier 8 SATA Ports gebündelt sind und somit erneut nicht die Schnittstelle sondern das Medium limitiert und gesichert wird über das Netzwerk zu einem anderen NAS oder auf eine externes Medium (wo wieder nicht SATA sondern das Medium limitieren würde).

Vielleicht kannst Duncohtmal genauer beschreiben wo Du mit SATA ein Problem siehst, ich bin ehrlich gesagt froh das ich die Kabelei los bin.
 
Schlapp5 schrieb:
Grüßt,

Wird es einen Nachfolger für SATA geben?
gibt es, nennt sich auf Protokollebene NVMe und auf Anschlussebene gibt's einen ganzen haufen um das zu verbinden.
M.2, U.2, U.2, usw..
Schlapp5 schrieb:
PCIe das für Speicher zweck entfremdet wurde, ist zwar schneller aber viele zwecke nicht gerade praktisch.
zweckentfremdet wurde da nichts. Vorher war der SATA controller viaPCIe verbunden, jetzt geht's direkt zum SSD Controller. So ist PCI(e) schon gedacht.
Durch den gespaarten bekommt man auch das meiste an Performancegewinn, da so 10-20% niedrigere Latenzen zustande kommen
Schlapp5 schrieb:
Hot-Swap ist damit, soweit ich weiß, auch nicht möglich
Geht mit jeder PCIe Karte.
Schlapp5 schrieb:
. Wie auch die begrenzte Möglichkeit RAIDs.
Habe schon RAID mit knapp 3 Stellig NVMe SSDs gesehen geht.
Aber RAID ist im Heimbetrieb eher nie sinnvoll.
Schlapp5 schrieb:
Ich habe schon 23TerraByte an Platten, die sichern zu wollen dauert ewig und SSDs sind kein ersatz, außer ich möchte arm werden.
Wie machst du denn Backups? Versionierte Backups, die nur die Aenderungen sichern geht auch bei dem zehnfachen deiner Daten zuhause sehr schnell

Schlapp5 schrieb:
wäre mir auch neu wenn du im laufenden betrieb die m2 SSD ein und raustecken kannst wie es dir bleibt.
kann man..

Schlapp5 schrieb:
PCI ist eine rein CPU getriebene Schnittstelle,
nein.
Schlapp5 schrieb:
die Erweiterung ist nur Sperlich möglich und RAID läuft zwangsläufig über die CPU.
Ist doch super. Hardware RAID ist fast nie sinnvoll. Und es gibt NVMe Hardware RAID Controller.
Schlapp5 schrieb:
Da sehe ich das problem, wie soll man ein Stapel SSDs bewirtschaften, wenn die lanes eine so begrenze Ressource sind.
Mehr lanes an einer SSD bedeuten nicht unbedingt bessere Performance. Du kannst auch 10 SSDs an einer Lane haben.
 
  • Gefällt mir
Reaktionen: rhewa und KillerCow
denke die m.2 sata war eines der Nachfolger?

Die letzte Sata revision war in 2021.

Die Sata Board Member sind:

Dell Inc.
Intel Corporation
Marvell Semiconductor
Microchip Technology
Seagate Technology
Western Digital Corporation
 
Zensored schrieb:
denke die m.2 sata war eines der Nachfolger?
das war nicht wirklich ein Nachfolger, nur der Anschluss war da anders. Halt statt ein SATA Port ein M.2 Port. Die Geschwindigkeit und das Protokoll war da gleich.
M.2 SATA ist allerdings Tot, neue Boards können sowas garnicht mehr.
 
  • Gefällt mir
Reaktionen: Zensored
Für mechanisch rotierende Festplatten ist SATA immer noch völlig ausreichend.
Für Flash Speicher gibt es M2 (in Servern vergleichbares), SATA ist da zu langsam.
Optische Laufwerke sind quasi Tod.
Externe Anbindungen laufen über USB.

Früher gab es noch serielle und parallele Schnittstellen, PATA, SCSI, ... .
Da wird sich SATA mit einreihen, dann heißt es: Es war einmal.

Bei den AM5 Chipsätzen kann man die SATA Ports am Chip auch mit PCIe Funktionalität belegen.
Von PCIe gibt es eh meistens zu wenig.
Vermutlich wird es nicht mehr lange dauern und es wird Mainboards ohne SATA geben.

Ich habe auch nur noch einen SATA Port mit einem optischen Laufwerk belegt, damit dürfte ich hier vermutlich schon zur Minderheit gehören.
 
SATA3 / 6G war die letzte Ausbaustufe, eine Weiterentwicklung wird nicht mehr stattfinden. Der Bedarf wird nicht mehr gesehen, das macht einen Nachfolger auch unwahrscheinlich. Die Anzahl an SATA-Ports auf Boards ist im allgemeinen auch rückläufig.

Im Consumerbereich können ein Großteil der Nutzer NVMe benutzen, meistens im M.2-Format. Im Enterprisebereich existiert SATA noch für Bootlaufwerke und Storage, die M.2-Bootlaufwerke werden aber bald auch NVMe-Laufwerke werden und für Storage gibt es bereits einen Pfad weg von SATA zu günstigeren SAS-Laufwerken als Einstieg oder ebenfalls NVMe, je nach dem wen man fragt.

Für größere Deployments im Consumerbereich, #Datahoarder, kann man sich mit SAS-Infrastruktur behelfen, an die man SATA-Laufwerke anschließt. Die Extrakosten für einen SAS HBA sind überschaubar.

Festplatten sind aber auch 2025 einfach nicht schnell genug. Eine Weiterentwicklung des Protokolls bzw. ein Nachfolger würde dir da auch nichts brauchen. Und Dual-Actuator-HDDs sind noch eine winzige Nische und selbst die sind kaum schnell genug für 6G. Ob sie da jemals rauskommen wird die Zeit zeigen. Ich bezweifel es eigentlich und falls doch, dann wird das aber trotzdem nicht ausreichend sein um SATA nochmal weiterzuentwickeln.
 
Schlapp5 schrieb:
Wird es einen Nachfolger für SATA geben?
Man muss sich nur den Wikipedia-Artikel zu Serial-ATA anschauen, um zu wissen dass es seit 2013 SATA Express 8 und 16 GBit/s gibt.

Da SSDs immer weiter von SATA auf NVME umschwenken und das Maximum dort ebenfalls 16 GBit/s beläuft, gäbe es in Bezug auf die Geschwindigkeit bei entsprechender Implementierung jetzt keine signifikanten Vorteile - mit Ausnahme, dass die M.2-Schnittstelle kompakter ist und sich entsprechende SSDs platzsparender unterbringen lassen.

Abseits von SSDs kann man ja schon froh sein, wenn die Transferraten über 2,5 GBit/s hinausgehen - was aber mehr der Technik der Datenträger (meist HDD) und weniger an der Schnittstelle liegt.

Schlapp5 schrieb:
Ich habe schon 23TerraByte an Platten, die sichern zu wollen dauert ewig und SSDs sind kein ersatz, außer ich möchte arm werden.
Zeit ist nur ein Faktor in Bezug auf Datenverarbeitung.
Zumal es eher selten vorkommen dürfte, dass Du komplette 23 TByte bewegen müsstest.
 
Ja, ok u2 kannte ich bisher nicht. Habe auch kein Mainboard auf dem Konsumer Markt gefunden der das hat. Was ich schade finde aber war

Wenn PCI Hot-swap fähig ist, ist es ja auch super. Die Hardware wirkt nicht so robust.

Eine ssd über USB zu nutzen ist absoluter Krebs. Mag sein das die Schnittstelle schnell genug ist, aber stabil und sicher ist was anders. Mir fliegt zu häufig im Betrieb ein Speicher Medium über USB raus, weil irgendwas auf dem Bus passierte.

Es mag auch stimmen das für hdds sata gut genug ist. Da sag ich auch nichts gegen. Aber ich möchte irgendwann irgendwie weg davon. Denn wenn ich Archive auf hdds habe möchte ich Stunden warten.
Ich habe noch keine Idee was kommen wird. Ich mag sata schon sehr aber ich möchte sowas schneller, aber kein gefrikel auf dem Mainboard. Ich hoffe dass kann man nachvollziehen.

Was nutzt man in der Film Industrie, die haben doch auch riesige Datenmengen an Film Material?
 
Schlapp5 schrieb:
Mir fliegt zu häufig im Betrieb ein Speicher Medium über USB raus, weil irgendwas auf dem Bus passierte.
Dann solltest du dringen mal gucken, was bei dir schief ist.
 
  • Gefällt mir
Reaktionen: madmax2010
ghecko schrieb:
U.2/U.3 ist der Nachfolger, der es wohl nie in den Desktop schaffen wird
Doch doch, ist nur extrem selten. Mein Pro WS X570-ACE hat U.2. (brauch ich für Sata witzigerweise)
Das Ding gab es ganz normal beim Versandhändler, somit sollte es noch als "normales Konsumerprodukt" zählen.

Ich muss auch ganz ehrlich sagen, 4 extra Sata Ports hätten stattdessen auch gereicht. :)
 
  • Gefällt mir
Reaktionen: ghecko
Alternate 4
Zurück
Oben