Onboard Soundchip nicht erkannt

StrangeAeons

Cadet 1st Year
Registriert
Dez. 2021
Beiträge
10
  • Prozessor (CPU): AMD Ryzen 7 3700x
  • Arbeitsspeicher (RAM): Crucial Ballistix 3200 MHz DDR4 2 x 16 GB
  • Mainboard: Asus TUF Gaming B550 plus
  • Netzteil: Be quiet! 620W
  • Gehäuse: Lian Li Lancool II
  • Grafikkarte: Radeon RX580 Nitro+ 8 GB
  • HDD / SSD: Samsung 860 Evo
Seit dem Wechsel des Prozessors (vorher AMD Ryzen 5 1600) habe ich keinen Sound mehr über das Mainboard. Angeschlossene Geräte werden nicht erkannt, der Realtek Treiber ist im Gerätemanager nicht aufgelistet (ist aber installiert).

Ich habe sämtliche mir bekannten und angelesenen Problemlösungen ohne Erfolg angewendet, namentlich:

  • Austausch des Mainboards (vorher Asus Prime B350M-A)
  • Neuinstallation von Windows (mehrfach, sowohl Windows 10 als auch 11)
  • Herunterladen der aktuellen Mainboardtreiber (alle und insbes. Audio)
  • Herunterladen des Realtek-Treibers (Treiber sind installiert, aber keine Anzeige im Gerätemanager)
  • Check der Lautsprecher (funktionieren an anderen Geräten)
  • Check aller Verkabelungen und Einbauten
  • BIOS Update
  • HD Audio im BIOS enabled

Woran liegt's? Kann es ein Prozessordefekt sein?
 
Zuletzt bearbeitet:
StrangeAeons schrieb:
Woran liegt's? Kann es ein Prozessordefekt sein?
Kann. Geht der Sound mit dem alten Prozessor noch? Und der 1600X lief auf demselben Board?
Ah, verstehe. Du hast CPU+Board getauscht.

Jetzt würde ich die Kiste mal mit einem Live Linux booten und schauen ob du damit Ton aus der Kiste bekommst. Wenn nicht, bitte das Terminal öffnen, lspci und aplay -l eingeben und die Ausgabe bitte hier Posten.
 
Den CMOS-Reset habe ich durchgeführt, Treiber neu installiert, so sieht es weiterhin aus:

1639426275590.png
 
Da scheint ein wichtiges Gerät zu fehlen.

Kontrolliere mal ob due bei den erweiterten Geräten, Sicherheitsgeräte und Softwaregeräte auch diese drin hast so wie bei mir.

1639426716972.png
 
Den Chipsatz hast du aber installiert, falls ja dann hat er nicht alles installiert.
Da fehlt die AMD PSP Device.

Von der ASUS Seite den Chipsatz installieren, scheint neuer als der von AMD oder die haben den gebrandet, also Zusatz Software mit eingeschrieben oder an das MB angepasst.

1639427408676.png
 
Also wenn auf zwei Mainboards der Audiokontroller vom Board fehlt. Der nachweislich auf dem alten Board und alter CPU da war, kann es doch nur an der neuen CPU liegen.
Oder sehe ich da was falsch?
 
Ein kaputter/fehlender Pin bei der CPU reicht aus, um den kompletten Onboard HD-Controller verschwinden zu lassen. Hatte das Problem selbst schon.

Wenn im Gerätemanager nichts auftaucht gibts auch kein Zielgerät, für welches man einen Treiber installieren könnte. Ich weiß aber auch nicht wie sich das genau unter Windows nennt.
 
Zuletzt bearbeitet:
Wenn dieses AMD PSP fehlt hatte ich schon die verschiedenste Fehler, aber fast nie reproduzierbar da kam immer was anderes oder manchmal auch lange Zeit nichts.
Kann schon sein das hier das Gerät gefehlt hat.

Da sind bei ihm aber keine Fehler wegen Sound im Gerätemanager.
Hat ASUS auch so eine Konsole wie MSI?
Bei mir steht nichts weiter darin da ich ein USB Headset von Logitech habe aber unten bei den Anschlüssen kann man die Zuordnung der einzelnen Buchsen ändern.

1639428103535.png

Ergänzung ()

Oh schau bitte mal hier nach, unter Systemsteuerung und dort unter Sound.
Was ist bei dir ausgewählt?
Dei mir mein Headset, bei dir sollte das 2 unter meinem ausgewählt sein.

1639428469606.png
 
Zuletzt bearbeitet:
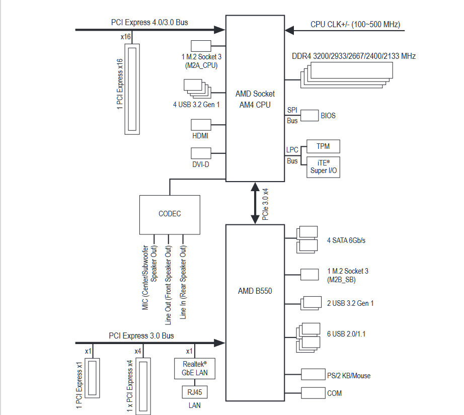
Der onboard Audio wird direkt über die CPU angebunden, also kann es nur an selbiger liegen.

Hab mir mal das Schaubild von GB gemobst. :)
1639428636809.png
 
  • Gefällt mir
Reaktionen: ghecko
Nachdem du den Chipsatz nochmal installiert hast solltest du auch den Soundtreiber nochmal installieren.
Hier wieder den von ASUS nehmen, dann sollten ein paar dieser Geräte unter

Audio, Video und Gamekontroller auftauchen.

1639429117514.png
 
Hmm ist vielleicht die Audiofunktion im BIOS abgeschaltet?
Falls du Windows 10 hast kannst du im BIOS mal diese TPM Teile abschalten, die hatten bei mir Probleme bereitet.
 
StrangeAeons schrieb:
Hab ich gemacht, leider nichts zu sehen im Gerätemanager.
Gut gemeinter Rat meinerseits, lass die CPU tauschen (wenn neu gekauft).
Ich bin der meinung, dass es an der CPU liegt.
 
  • Gefällt mir
Reaktionen: ghecko
TPM war ursprünglich aus, hab ich nur für Win 11 aktiviert. Audioaktivierung im BIOS hatte ich schon gecheckt.
Ergänzung ()

peterX schrieb:
Gut gemeinter Rat meinerseits, lass die CPU tauschen (wenn neu gekauft).
Ich bin der meinung, dass es an der CPU liegt.
Ja, wenn nicht Müritzer oder jemand anderes noch eine ganz schlaue Idee hat, werde ich das tun. :)
 

@peterX

Ja so langsam ist wohl die CPU der Übeltäter. Normaler weise müsste ja ein Gerät auftauchen aber gar nichts, das deutet auf die CPU hin.
Ein Check mit einem anderen Board würde Klarheit bringen. Wenn dort auch Sound weg ist, die CPU war es.
 
Sapphire Forum
Zurück
Oben