Würde ich zwar dafür habe ich leider nicht die richtige Kenntnis. Muss und will ich alles noch lernen. Weißt du welche Berufe es in diese Richtung gibt die man machen könnte. Wäre für mich langsam Zeit mal darüber nachzudenken was ich in paar Jahren werden will
Du verwendest einen veralteten Browser. Es ist möglich, dass diese oder andere Websites nicht korrekt angezeigt werden.
Du solltest ein Upgrade durchführen oder einen alternativen Browser verwenden.
Du solltest ein Upgrade durchführen oder einen alternativen Browser verwenden.
SMD Kondensator identifizieren
- Ersteller EminoHD
- Erstellt am
Fusionator
Commodore
- Registriert
- Juni 2020
- Beiträge
- 4.890
Zunächst mal kurz zum Fehler: Auf die schnelle habe ich nur diesen Plan gefunden:
https://www.badcaps.net/forum/showthread.php?t=90181&highlight=LA-F115P
Gehe ich da nach Plan + Boardview, ist es der PCB14, also 10uF 25V Größe 0805 (da war doch meine Vermutung ganz gut
)
Hier mal eine Übersicht über Elektroberufe:
https://www.aubi-plus.de/berufe/thema/berufe-mit-elektronik-23/
Elektroniker / Elektronikerin für Geräte und Systeme wäre etwas in die Richtung.
Danach learning on the Job (oder wie man das nennt). Privat kann man sich nebenbei mit Elektronik beschäftigen ohne Zeitdruck und nervende "Prozesse"
Youtube ist ein wahre Fundgrube für alles in Richtung Elektronik/Messen/Reparieren.
An deiner Stelle würde ich erstmal ganz unten Anfangen mit Funktion und Symbole der einzelnen Bauteile.
Und ganz wichtig: Ohmsches Gesetz kapieren! 😅
https://www.badcaps.net/forum/showthread.php?t=90181&highlight=LA-F115P
Gehe ich da nach Plan + Boardview, ist es der PCB14, also 10uF 25V Größe 0805 (da war doch meine Vermutung ganz gut
Es gibt wohl keinen Beruf, wo man Laptops reparieren lernt. Heutzutage wird doch nur noch getauscht.EminoHD schrieb:Muss und will ich alles noch lernen. Weißt du welche Berufe es in diese Richtung gibt die man machen könnte.
Hier mal eine Übersicht über Elektroberufe:
https://www.aubi-plus.de/berufe/thema/berufe-mit-elektronik-23/
Elektroniker / Elektronikerin für Geräte und Systeme wäre etwas in die Richtung.
Danach learning on the Job (oder wie man das nennt). Privat kann man sich nebenbei mit Elektronik beschäftigen ohne Zeitdruck und nervende "Prozesse"
Youtube ist ein wahre Fundgrube für alles in Richtung Elektronik/Messen/Reparieren.
An deiner Stelle würde ich erstmal ganz unten Anfangen mit Funktion und Symbole der einzelnen Bauteile.
Und ganz wichtig: Ohmsches Gesetz kapieren! 😅
Vielen Dank sollte ich den abgerissen auch ersetzten oder sollte das auch so laufen.Fusionator schrieb:Zunächst mal kurz zum Fehler: Auf die schnelle habe ich nur diesen Plan gefunden:
https://www.badcaps.net/forum/showthread.php?t=90181&highlight=LA-F115P
Gehe ich da nach Plan + Boardview, ist es der PCB14, also 10uF 25V Größe 0805 (da war doch meine Vermutung ganz gut)
Anhang anzeigen 1358944
Anhang anzeigen 1358945
Es gibt wohl keinen Beruf, wo man Laptops reparieren lernt. Heutzutage wird doch nur noch getauscht.
Hier mal eine Übersicht über Elektroberufe:
https://www.aubi-plus.de/berufe/thema/berufe-mit-elektronik-23/
Elektroniker / Elektronikerin für Geräte und Systeme wäre etwas in die Richtung.
Danach learning on the Job (oder wie man das nennt). Privat kann man sich nebenbei mit Elektronik beschäftigen ohne Zeitdruck und nervende "Prozesse"
Youtube ist ein wahre Fundgrube für alles in Richtung Elektronik/Messen/Reparieren.
An deiner Stelle würde ich erstmal ganz unten Anfangen mit Funktion und Symbole der einzelnen Bauteile.
Und ganz wichtig: Ohmsches Gesetz kapieren! 😅
Ich habe vielen Kondensatoren auf beispielsweise grafikkarten. Die müsste ich doch mit dem Multimeter messen können um zu schauen ob die passen würden
.one
Commodore
- Registriert
- Jan. 2022
- Beiträge
- 4.380
Das steht doch schon mehrmals im Thread...EminoHD schrieb:oder sollte das auch so laufen.
Fusionator
Commodore
- Registriert
- Juni 2020
- Beiträge
- 4.890
Das wird auch so laufen, wenn der schon vorher gefehlt hat. Schau dir mal einfach den Schaltplan an, wie viele Kondensatoren da parallel geschaltet sind (Seite 62).EminoHD schrieb:sollte ich den abgerissen auch ersetzten oder sollte das auch so laufen.
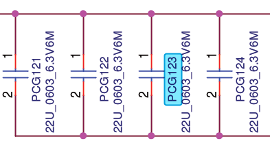
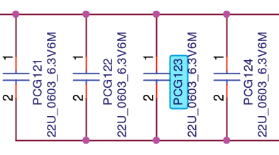
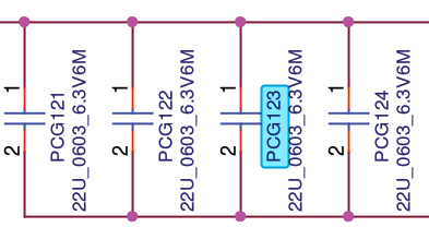
Das sollte der PCG123 sein.
Wie schon gesagt, wird das Board auch ohne den jetzt kurzgeschlossenen Kondensator laufen, sofern das der einzige Fehler ist. Prinzipiell kannst du Kondensatoren von anderen Boards recyclen, nur weiß ich jetzt nicht, ob sich auf Grafikkarten Kondensatoren mit 25V Spannungsfestigkeit finden.EminoHD schrieb:Ich habe vielen Kondensatoren auf beispielsweise grafikkarten.
Und die brauchst du zumindest auf der 19V Schiene.
Verstehe. Ich werde es die Tage mal probieren und Bescheid geben wie es lief.Fusionator schrieb:Das wird auch so laufen, wenn der schon vorher gefehlt hat. Schau dir mal einfach den Schaltplan an, wie viele Kondensatoren da parallel geschaltet sind (Seite 62).
Das sollte der PCG123 sein.
Anhang anzeigen 1358972
Wie schon gesagt, wird das Board auch ohne den jetzt kurzgeschlossenen Kondensator laufen, sofern das der einzige Fehler ist. Prinzipiell kannst du Kondensatoren von anderen Boards recyclen, nur weiß ich jetzt nicht, ob sich auf Grafikkarten Kondensatoren mit 25V Spannungsfestigkeit finden.
Und die brauchst du zumindest auf der 19V Schiene.
Vielen Dank und noch ein schönes Wochenende
Der Kondensator lässt sich nicht auslöten. Bei anderen Platinen funktioniert das ohne Probleme.
Kann es vielleicht daran liegen, das genau auf der anderen Seite der Platine auch die selben Kondensatoren sind ?
Und die irgendwie mit einander verbunden sind
250-350 grad habe ich probiert. Nichts ging
Kann es vielleicht daran liegen, das genau auf der anderen Seite der Platine auch die selben Kondensatoren sind ?
Ergänzung ()
Und die irgendwie mit einander verbunden sind
250-350 grad habe ich probiert. Nichts ging
Der Nachbar
Admiral
- Registriert
- Aug. 2007
- Beiträge
- 7.467
Bitte mal mit flussmitelangereicherten Lötzinn am Bauteil und Lötkolben nach helfen um den Schmelzpunkt ausreichend zu senken. Sonst hilft reines Flussmittel.
Eine ausreichend große Lötspitze, höhere Hitze und Dauer helfen ebenso bei mehrlagigen Platinen, die Hitze schneller abführen können.
Eine ausreichend große Lötspitze, höhere Hitze und Dauer helfen ebenso bei mehrlagigen Platinen, die Hitze schneller abführen können.
Fusionator
Commodore
- Registriert
- Juni 2020
- Beiträge
- 4.890
Welcher Lötkolben mit welcher Spitze?
Der Nachbar
Admiral
- Registriert
- Aug. 2007
- Beiträge
- 7.467
Mit ausreichend Löterfahrung kann man problemlos mit 450°C ent-, und löten.
Sonst mit dem Heißluftföhn die Platine vorwärmen.
Sonst mit dem Heißluftföhn die Platine vorwärmen.
Ergänzung ()
Ich habe auch eine Heißluftlötstation.
Wie lange soll ich den die Platine vorwärmen. Mit bis zu 350 grad hat sich bei mir garnichts gelöst. Auf einer anderen Platine habe ich es auch probiert und da war es kein Problem. Ging easy
Fusionator
Commodore
- Registriert
- Juni 2020
- Beiträge
- 4.890
Also mit einer Heißluftstation löten man so einen Kondensator ohne weiteres aus. Ist etwas schwer da eine pauschale Empfehlung, denn es sind 4 Parameter die man beachten sollte: Temperatur, Durchfluss, Durchmesser der Düse und Abstand zum Bauteil. Da kann man alles mögliche vergeigen. Zum Auslöten sollten aber z.B ~420°C 70L/min mit einer 5-6mm Düse funktionieren. Etwas Fluxpaste vorher drauf.
Eventuell braucht es ein bisschen mehr Durchfluss. Aber zu viel davon und es fliegen andere Bauteile mit weg.
Sind Stecker oder andere Plastikteile in der Nähe muß man dementsprechende Maßnahmen ergreifen.
Die Platine ist hoffentlich aus dem Laptop ausgebaut?
Pinzette zum greifen des Kondensators ist auch vorhanden?
Eventuell braucht es ein bisschen mehr Durchfluss. Aber zu viel davon und es fliegen andere Bauteile mit weg.
Sind Stecker oder andere Plastikteile in der Nähe muß man dementsprechende Maßnahmen ergreifen.
Die Platine ist hoffentlich aus dem Laptop ausgebaut?
Pinzette zum greifen des Kondensators ist auch vorhanden?
Fusionator
Commodore
- Registriert
- Juni 2020
- Beiträge
- 4.890
Parameter Nr. 5: Die Leiterplatte und ihre Beschaffenheit 
Zum Auslöten verwenden viel etwas höhere Temperatur. Aber nicht übertreiben, wenn man z.B. einen Chip retten will.
Aber mit deiner schrägen Meißelspitze und genügend SnPb-Lötzinn sollte das doch auch funktionieren.
Du wirst die Temperatur wohl etwas höher drehen müssen, da es kein JBC ist. Für eine Kondensator wirds ja wohl trotzdem taugen.
Zum Auslöten verwenden viel etwas höhere Temperatur. Aber nicht übertreiben, wenn man z.B. einen Chip retten will.
Aber mit deiner schrägen Meißelspitze und genügend SnPb-Lötzinn sollte das doch auch funktionieren.
Du wirst die Temperatur wohl etwas höher drehen müssen, da es kein JBC ist. Für eine Kondensator wirds ja wohl trotzdem taugen.
Hat bei 440 grad mit der Heißluft lötstation geklappt. Muss jetzt mal schauen ob das Ding wieder läuft
Nach dem ich einen der Kondensatoren abgenommen habe und abgeschaltet habe ist der andere durchgerannt der daneben ist und danach auch der dritte.
Habe jetzt 3 neue Kondensatoren angelötet. Jetzt wird die Stelle zwar nicht mehr heiß aber angehen tut es trotzdem nicht. Irgendwo anders liegt dann bestimmt das Problem
Ergänzung ()
Nach dem ich einen der Kondensatoren abgenommen habe und abgeschaltet habe ist der andere durchgerannt der daneben ist und danach auch der dritte.
Habe jetzt 3 neue Kondensatoren angelötet. Jetzt wird die Stelle zwar nicht mehr heiß aber angehen tut es trotzdem nicht. Irgendwo anders liegt dann bestimmt das Problem
Zuletzt bearbeitet:
Jetzt hast du halt den Fall, der in der ersten Antwort schon beschrieben wurde.
Die defekten Kondensatoren sind nicht die Ursache, sondern nur ein Symptom des Problems. Ohne tiefgreifende Kenntnisse der Pläne und das richtige Messequipement wird das ganze halt nichts. Es hat schon einen Grund, warum man bei solchen Defekten nicht zum löten anfängt, sondern das Mainboard ersetzt.
2 Möglichkeiten bleiben dir.
1. Lass es sein und besorg dir Ersatz
2. Suche dir einen Spezialisten dir das repariert oder (mit sehr viel Glück) dir das ganze erklärt und zeigt
Die defekten Kondensatoren sind nicht die Ursache, sondern nur ein Symptom des Problems. Ohne tiefgreifende Kenntnisse der Pläne und das richtige Messequipement wird das ganze halt nichts. Es hat schon einen Grund, warum man bei solchen Defekten nicht zum löten anfängt, sondern das Mainboard ersetzt.
2 Möglichkeiten bleiben dir.
1. Lass es sein und besorg dir Ersatz
2. Suche dir einen Spezialisten dir das repariert oder (mit sehr viel Glück) dir das ganze erklärt und zeigt
Naicon
Lieutenant
- Registriert
- Dez. 2021
- Beiträge
- 744
Müsste ja dann ein Problem mit der Spannung an dem jeweiligen Punkt sein, wie bekommt man denn sonst Kerkos kurzgeschlossen?
Welche Nennspannung hatten die neuen Kondensatoren, die du eingebaut hast? 50V? 100V?
10µ/100V gibt es vermutlich garnicht in 0805 wenn ich mal überlege.
25V Kondensatoren finde ich schon etwas knapp gewählt bei 19V. Spannungsfestigkeit von MLCC sinkt ja auch im Alter.
Welche Nennspannung hatten die neuen Kondensatoren, die du eingebaut hast? 50V? 100V?
10µ/100V gibt es vermutlich garnicht in 0805 wenn ich mal überlege.
25V Kondensatoren finde ich schon etwas knapp gewählt bei 19V. Spannungsfestigkeit von MLCC sinkt ja auch im Alter.
Ranayna
Fleet Admiral
- Registriert
- Mai 2019
- Beiträge
- 10.428
Die Keramikkondensatoren sind aber mechanisch ziemlich anfaellig. Wenn @EminoHD da jetzt ewig dran rumgeloetet hat, ist es durchaus moeglich das benachbarte Kondensatoren in Mitleidenschaft gezogen wurden.
Und das Bild aus #6 zeigt auch ganz klar, das da ein mechanischer Schaden vorliegt. Da ist ziemlich eindeutig eine Komponente abgerissen.
Und das Bild aus #6 zeigt auch ganz klar, das da ein mechanischer Schaden vorliegt. Da ist ziemlich eindeutig eine Komponente abgerissen.
Ergänzung ()
Echt? Davon habe ich noch nie gehoert. Tatal und Elektrolytkondensatoren altern, ja. MCLL haben weniger Kapazitaet bei hoeherer Spannung. Aber das alte MLCC weniger spannungsfest werden, habe ich noch nicht gehoert.Naicon schrieb:Spannungsfestigkeit von MLCC sinkt ja auch im Alter.
Ähnliche Themen
- Antworten
- 8
- Aufrufe
- 2.177
- Antworten
- 22
- Aufrufe
- 7.017
- Antworten
- 26
- Aufrufe
- 4.319
O
- Antworten
- 21
- Aufrufe
- 16.465
- Antworten
- 19
- Aufrufe
- 4.078