Facharbeit Induktion

  • Ersteller Ersteller vanKuchen
  • Erstellt am Erstellt am
V

vanKuchen

Gast
Moin Leute,
ich schreibe grade mehr oder weniger an meiner Facharbeit in Physik rum...
Ich muss nun einen Grafen mit experimentellen und theoretischen Werten vergleichen.
Mein Problem ist nun, das ich nich weiß, ob die experimentellen Werte "gut" sind oder nicht.
Könnt ihr mir irgendwie helfen? Also vielleicht einen Denkanstoß geben oder einfach eure Meinung schreiben?


Vielen Dank!

Fabian

edit: Rot ist Theorie und Grün ist Praxis...
 

Anhänge

  • Spule.JPG
    Spule.JPG
    52,2 KB · Aufrufe: 584
Meiner Meinung nach passt dein Ergebnis gut bis sehr gut!

Bei der Beurteilung muss man natürlich immer die Relationen beachten. Dass bei einem Versuchsaufbau mit besseren Geräten am Ende die besseren Messwerte rauskommen steht wohl außer Frage.

Ich geh mal davon aus, dass du die zur Verfügung stehenden Geräte in deiner Schule benutzt hast, welche sicherlich nicht das Optimum von der Messgenauigkeit bieten werden.
Mit deinen Messwerten im niedrigen Frequenzbereich bewegst du dich ca. 10% unter der errechneten Kurve, was ich als "akzeptabel" werten würde. Allerdings bleibst du mit deinen Werten auch nahezu konstant unter der theoretischen Kurve was wiederum gut ist, da es dem "Charakter" der theoretischen Kurve entspricht.

Auch sehr schön zu sehen an deiner Messkurve ist der Spannungsabfall bei zunehmender Frequenz.

Dass der Abstand zwischen den beiden Kurven bei der höheren Frequenz so klein wird liegt evtl mit an der logarithmischen Darstellung.

PS: was genau wurde denn da gemessen?
 
Okay, danke für deine Antwort!
Gemessen habe ich einfach eine Schaltung mit Spule und Widerstand...
da dann über einen Generator mitm Leistungsverstärker 20 Frequenzen reingejagt und dann am Widerstand gemessen mit einem Oszilloskop wie groß die Ausgangsspannung ist.
Der ganze Aufwand um den induktiven Widerstand zu sehen/messen/wasauchimmer...

und nein, die logartihmitische Darstellung hat nichts mit den Abständen zu tun...
da hab ich einfach geraten bei den Werten, weil das Oszilloskop quasi nichts mehr angezeigt hat :D

Ich denke mal, das deine Antwort mir schon geholfen hat, so in der Art werde ich das auch ins Ergebnis reinschreiben...
 
Sieht schon mal gut aus. Zeichne mal die Fehlerbalken ein, dann siehst du auch, wie weit du von der "Theorie" weg bist. Wie hast du die kurve für die Theorie berechnet?! Hast du die Herstellerangaben der Bauteile genommen, oder hast du sie nachgemessen?

Ein Tip für die Zukunft beim "logarithmischen" Messen: Wenn du dir sicher bist, dass du keine Spitzen etc im Diagram hast, reicht es in 3er-Schritten zu messen - also 10,30,100,300,... Dann liegen die Werte etwas gleichmäßig im Diagram.

Interessant ist auch noch die Grenzfrequenz etc.
 
Hm also das mit dem Raten würde ich mir evtl. noch mal überlegen. Ich denke dein Lehrer wird "sein" Oszilloskop schon kennen. Und wenn du ihm dann auf einmal lauter Messwerte präsentierst wird ihm das zu denken geben.

Nur meine Meinung, kommt natürlich auch drauf an wie sehr du dich für deine Arbeit interessierst und ob es was gescheites werden soll. Wenn es dir eh "wurscht" is dann lasses halt so, muss jeder selber wissen.

Was du noch versuchen könntest wäre ein anderes Messgerät zu benutzen. Ideal wäre ein digitales Messinterface für den PC. Ich weiß nicht was ihr an eurer Schule so da habt, an meiner Schule hatten wir eins das hieß "CASSY".
damit solltest du auch bei höheren Frequenzen wie 10000 Hz keine Probleme bekommen.

Falls du keine andere Möglichkeit findest, dann besprech das ganze doch mal mit deinem Lehrer. Kannst ja du eigentlich nichts dafür wenn deine Schule so "schlecht" ausgerüstet ist. ;)
 
Raten war auch eher im übertragenen Sinne gemeint, weil man das Fenster des Oszilloskops so stark vergößern musste, dass es doch shcon ziemlich krass flimmerte und der GTraf stark verschwommen war. Deshalb das "raten"...
Digital ist nicht drin... und zum Oszilloskop, da haben wir hier mindestens 5 Stück von, und alle steinalt habe ich das Gefühl... ich bin ja schon froh, überhaupt so nah an der Theorie zu liegen.

Dass es den anschein hat, es die arbeit wäre mir egal, liegt hautsächlich dadran, dass ich jetzt schon 4 stunden dran arbeite und langsam keine Lus tmehr habe...
und gemessen habe ich nich logarithmisch, wie denn auch bitte? ich habe bloß die X-Achse so anzeigen lassen, damit ein breiteres Spektrum in den Grafen "passt". ALso letzendlich nur zu Zwecken der Anschaulichkeit.

Grenzfrequenz? DU meinst bei einer Frequenzweiche? Das ist in Arbeit, aber nur mit einem induktiven Widerstand meines erachtens ncht möglich. oder klärt mich auf ;)
 
Mach mal Zeichnung deiner Schaltung. Wo hast du genau die Spannung abgenommen? Es sieht nämlich stark nach nen RL-Tiefpass aus. Dann wäre die Grenzfrequenz gerade fg=R/(2*PI*L).

Falls es ein Tiefpass ist, wäre es nicht schlecht es log-log zu plotten.

Logarithmisch Messen heist: Wenn du weist, dass du es später logarithmisch auftragen willst, dann geht man wie oben beschrieben vor. Das macht die Arbeit leichter. ;)

4 Stunden ist normal, wenn man keine Erfahrung hat, wie man auswertet.
 
naja, ich werte ja nicht nur aus... mach ja auch noch andere sachen...

ah ok, jetzt weiß ich was du mit Grenzfrequenz meinst.
Das werd ich auch auf jeden Fall mit hineinnehmen, danke! ;)
 

Anhänge

  • Versuchsaufbau Spule.JPG
    Versuchsaufbau Spule.JPG
    24,3 KB · Aufrufe: 527
Und mach die Verbindungen zwischen deinen Messpunkten weg! Die sind sowieso nicht zu gebrauchen und die suggerieren nur eine Kontinuitaet die so nicht vorhanden ist.

Ansonsten so machen wie der Goetterwind das gesagt hat:)
 
Zuletzt bearbeitet:
MR.FReeZe schrieb:
Und mach die Verbindungen zwischen deinen Messpunkten weg!

hö? Welche Verbindungen? ist aber vielleicht nicht deutlich genug...
dann kommt das auch nich auf die what-to-do-list... *Seufz*
 
Ich mein die in der Grafik in deinem ersten post^^also ich seh da welche...
 
sorry,
war gestern schon etwas spät und ich etwas verwirrt..

Zu den Messpunkten, das finde ich ist ansichtssache, und ich weiß auch gar nicht, wie
ich die bei Ragtime wegmachen soll... Das ist leider ursprünglich für den Mac gemacht worden udn daher ist die Windowsversion nicht so dolle...
aber was solls, was man nicht alles für Lehrer macht :rolleyes:
 
Gerade Verbindungen sind vom physikalischen Sichtpunkt (fast) immer falsch. Außerdem weist du ja nicht, wie es dazwischen aussieht...

(Ein Spline oder B-Spline wäre da besser, aber das ist nicht ganz so wichtig, da dass nur schöner, aber nicht unbedingt richtiger macht)

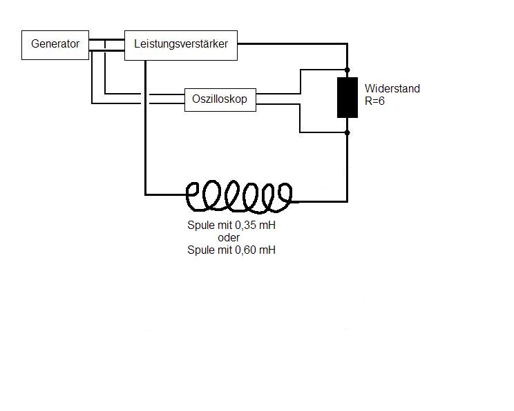
Hast du noch nen richtigen Schaltplan? Üblicherweise wird für einen Tiefpass das in etwa so gezeichnet. Die Zeichnung ist vielleicht als Versuchsaubau brauchbar, aber nicht als Schaltplan (außerdem ist darin noch ein Fehler beim Widerstand).
 
Naja,
ich kann ja mal Nachgucken, ob ich die Einstellung finde...
Das ist ein RL Tiefpass und einen Schaltplan habe ich nich,
für den Versuch hab ich einfach ne Spule genommen, 2 Widerstände zu nem 6 OHm R parallel geschaltet und das dann verkabelt...

Zum Fehler in der Zeichnung, meinst du das Die Einheit vom Widerstand fehlt? Paint kennt das Symbol nicht und aus dem Formeleditor konnte ich das nicht hineinkopieren. Aber gelöst hab ich das Problem ;)
 
Warte mal, ich male dir mal Einen, allerdings nur Skizze - ich mach ja nicht deine Arbeit - moment...

Ich hatte eigentlich erwartet, dass du das selbst hinkriegst, wenn ich dir schon ein Beispiel gebe. Na gut der Link war im "so" versteckt...

Also, wie gesagt ne 20s-Paint-Mit-Maus-die-springt-Skizze :D

edit: wegen dem Omega Ω: Unter Zubehör->Systemprogramme findest du die Zeichentabelle ;) Was jetzt aber U und U' ist, findest du selber raus - ansonst wäre es zu einfach. Ist aber, glaube ich, nicht soo schwer. Auch, wie man das ohne Strich im hohlen Kreis rechts und links zeichnet :D

edit2:
Ich glaube aber, jetzt hat McClane, Mr.Freeze (salute!) und ich Dir genug geholfen, dass du das auch selbst hinkriegst...

edit3: Messgerät etc. ist natürlich nicht eingezeichnet bei mir, muss ich aber auch nicht...
 

Anhänge

  • skizze.JPG
    skizze.JPG
    12,4 KB · Aufrufe: 504
Zuletzt bearbeitet:
hmm,
finde ich ja nett, das ihr mir "helft" aber so langsma bekomme ich das Gefühl,
dass ihr beide mich hier für blöd hinstellt -.-

Meine wunderschöne Skizze sollte ja bloß den Versuchsaufbau bildlich darstellen. Ein Schlatplan sollte das nicht werden...
Aber ist schon ok. Möchte euch ja nicht nochmehr vor den Kopf stoßen. Das ganze ist hier eh schon ziemlich abgedriftet -.-
Die Verbindungen im Grafen bekomme ich nicht weg mit Ragtime... das funktioniert leider nicht...

ICh weiß wirklich nicht was ich von dem Träd halten soll... teilweise...
 
Zuletzt bearbeitet:
Sorry, wenn das so rüber kommt, ist aber nicht so gemeint...

Du kannst den Graph (den ersten, nicht die Skizze vom Aufbau) gern so lassen, dein Lehrer wird sich sicher nicht dran stören. Alternativ kannst du ja auch Excel nehmen oder OpenOffice zum Plotten...

Ach so: Warum Mr.Freeze und Ich das so genau nehmen? Mr.Freeze studiert Physik und ich bin grad dabei meinen Dr. in Physik zu machen. Vielleicht erklärt das das Ganze.

Also, nicht so ernst nehmen und Kopf hoch! Allerdings ist CB auch nicht ein Board um für andere die Arbeit/Hausaufgaben etc. zu machen. Daran solltest du auch immer denken!
 
Ach so, das erklärt natürlich vieles ;)

Ich bin ja auch gar nicht frustriert oder so, komme mit dem Thema insgesamt eigentlich sehr gut klar... denke ich zumindest...
Zu den Hausaufgaben: das habe ich auch niemals irgendwo verlang, ich wollte anfangs nur Denkanstöße bekommen, niemand sollte mir irgendetwas vorrechnen oder so.
Das ganze ist dann so ziemlich abgedriftet denke ich mal...

Aber trotzdem danke nochmal, wenn ich noch Fragen habe, dann schreib ich glaub ich einfach hier wieder rein oder euch beiden eine PN ;)

PS: an welchen Unis denn? Mein Interesse is geweckt ;)

mfG vanKuchen
 
Sorry, ich wollte dir ganz bestimmt nicht vor den Kopf stossen und es tut mir leid wenn es so ruebergekommen ist. Immerhin hab ich auchmal vor diesen Problemen gestanden (der Goetterwind wohl auch;) (Servus uebrigens:D)) und werde fuer die naechsten 3 wochen auch noch vor aehnlichen Problemen stehen (und das der Zeitdruck fuer eine Datenanalyse im Blockpraktikum noch wesendlich groesser ist).

Du wolltest Denkanstoesse haben und hast welche bekommen, auch wenn es teilweise Kleinigkeiten gewesen sein moegen.
Wenn du es ohne groesseren Aufwand nicht aendern kannst dann lass es mit den Messpunkten so.
Hat dir dein Lehrer eigentlich was gesagt wie du die Datenauswertung angehen sollst?
 
Zuletzt bearbeitet:
Ich hab keine größeren Hinweise bekommen eigentlich,
nur die logarithmische Darstellung.
Zur Auswertung, naja, ich schreib halt was ich denke, oder was schon gesagt wurde..
Mehr weiß ich auch nicht jetzt. Ich hab auch ein Maximum, als es sollte nichmehr als 15 Seiten sein, bin jetzt schon bei knapp 8 und hab erst 1/4 geschafft...
Also muss ich kürzen und weglassen. Natürlich kann ich Bücher nur über induktive Widerstände schreiben, hab aber leider nur ungefähr 3-4 Seiten..

Wo studiert ihr denn? Berichtet mal, das interessiert mich, Physikm ist toll, möchte das eigetnlich auch studieren ;)

mfG vanKuchen
 
Zurück
Oben