Kein Power SW

derAnonymus

Cadet 1st Year
Registriert
Jan. 2020
Beiträge
8
Ich habe mir ein neues MSI B365 VH Mainboard für meinen PC (Lenovo Legion Y520t) bestellt da ich ihn aufrüsten wollte und nun ist mir aufgefallen dass mein Computer keinen richtigen Power SW besitzt bzw. der Power Knopf über den in der Mitte des Bildes zu sehenden Stecker verbunden ist. Nun ist meine Frage ob es Adapter für diesen Stecker gibt oder was ich sonst machen kann.
IMG_20200128_165539816.jpg
 
Du kannst herausfinden, zu was für einer Komponente die einzelnen Adern gehen, diese dann aus dem Gehäuse nehmen und in passende 2-pin-Gehäuse einsetzen, die dann entsprechend auf Dein Board gesteckt werden. Oder Du schaust im Handbuch nach der Belegung und verfährst dann ähnlich.
 
Anpassbar. Die kleinen Nasen auf der Steckerseite ganz leicht anheben, schon lassen sich die Buchsen ziehen (Vorsicht: Sie brechen auch leicht bzw. sind auch schnell überdehnt).

Allerdings sollte man auch schon wissen, was am anderen Ende der Leitung sitzt.
 
Twostone schrieb:
Anpassbar. Die kleinen Nasen auf der Steckerseite ganz leicht anheben, schon lassen sich die Buchsen ziehen (Vorsicht: Sie brechen auch leicht bzw. sind auch schnell überdehnt).

Allerdings sollte man auch schon wissen, was am anderen Ende der Leitung sitzt.

Vielen Dank nur schaffe ich es nicht das Gehäuse wo der Switch drin ist zu öffnen aber es kommen 4 Kabel heraus.
15802279847835241559362283207434.jpg
 
BartS schrieb:
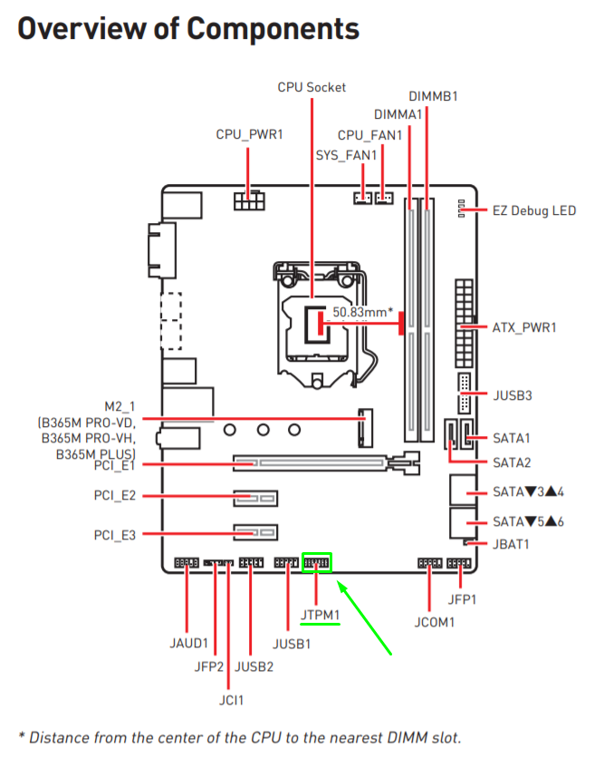
Also Laut Handbuch des B365M-PRO-VH soll es dafür ein Stecker geben (konnte das von dir genannte Modell nicht finden) ... LINK: https://download.msi.com/archive/mnu_exe/mb/M7C31v1.2.pdf

Vielleicht kannst du das ja mal prüfen?
Anhang anzeigen 871020
Anhang anzeigen 871021

Das ist das Modell. Danke für die schnelle Antwort. Da ich noch nie ein neues Mainboard in den PC eingebaut habe dachte ich ist ein Power SW Anschluss notwendig aber wenn es tatsächlich auch mit diesem Anschluss funktioniert bin ich erleichtert.
Danke für die schnelle Antwort.
 
Twostone schrieb:
Anpassbar. Die kleinen Nasen auf der Steckerseite ganz leicht anheben, schon lassen sich die Buchsen ziehen.
Aber wirklich ganz leicht mit ner Nähnadel o.ä.

Zur Pinbelegung
Schwarz = PWR+
Schwarz = PWR-
Schwarz = Reset+
Schwarz = Reset-
Schwarz = HDD-LED+
Schwarz = HDD-LED-
Schwarz = PWR-LED+
Schwarz = PWR-LED-
Oh Mann, wie ich diesen einfarbigen Schrott hasse!:grr:
 
Wäre aber soweit egal ob + oder -, bis auf die LEDs, da muss man drauf achten.
Passieren tut aber nichts, nur die LED leuchtet nicht wenn falsch gepolt.
 
Gibt es eine Seite wo es JTPM1 Verlängerungskabel gibt, ich habe nämlich nach vielen Minuten suchen kein Kabel gefunden, da mein Kabel sonst sehr stark unter Spannung stehen würde.
 
Wie kommst man eigentlich darauf, jemandem den Anschluss des Frontpanels an den TPM-Header zu empfehlen? TPM (Trusted Platform Modul) ist ein Chip, der Sicherheitsfunktionen bereitstellt....das hat nichts mit Frontpanel-Anschlüssen zu tun.
Wie @Twostone schon schrieb, hier wird nichts anderes übrig bleiben als den originalen Stecker auseinader zu nehmen und mit Einzel-Pin- oder 2-Pin-Gehäusen zu ersetzen.
 
  • Gefällt mir
Reaktionen: pedder59
Excavated schrieb:
Wie kommst man eigentlich darauf, jemandem den Anschluss des Frontpanels an den TPM-Header zu empfehlen? TPM (Trusted Platform Modul) ist ein Chip, der Sicherheitsfunktionen bereitstellt....das hat nichts mit Frontpanel-Anschlüssen zu tun.
Wie @Twostone schon schrieb, hier wird nichts anderes übrig bleiben als den originalen Stecker auseinader zu nehmen und mit Einzel-Pin- oder 2-Pin-Gehäusen zu ersetzen.

Wäre es nicht auch möglich einen neuen Power Switch Button zu kaufen und den dann ans Mainboard anzuschließen
 
derAnonymus schrieb:
nur schaffe ich es nicht das Gehäuse wo der Switch drin ist zu öffnen

Multimeter hast Du nicht?
 
AMD Ryzen 9 9950X3D2
Zurück
Oben