TeamViewer Motive 3

Kritische CPU-Temperatur trotz Wasserkühlung

Nordica

Cadet 1st Year
Registriert
Nov. 2005
Beiträge
11
Hallo zusammen.

Ist ne Weile her, aber bin grad etwas ratlos und wende mich daher an Euch...

Folgendes: Ich habe jetzt schon knapp ein Jahr eine WaKü, bei der nur die CPU gekühlt war,
jedoch wurde meine Grafikkarte immer recht heiß. Am Wochenende habe ich nun meine
Grafikkarte hinter der CPU mit in den Kühlkreislauf aufgenommen. Nun ist es so, dass
die CPU-Temperatur unter Vollast-Benchmarks weit über die kritischen 62 Grad steigt.
Das System ist jedoch vollständig entlüftet, die CPU hat die richtige Menge (Stecknadelkopf)
Wärmeleitpaste und der Kühler ist korrekt festgezogen. Desweiteren kommt mir der Durchfluss
mit 45 l/Stunde recht wenig vor. Ich bitte Euch daher um Rat.

Werte nach 5 Min. Volllast:
CPU > 65 Grad (42 Grad im Leerlauf)
Grafikkarte: 53 Grad
Durchflussmenge: 45 l/Stunde
Wassertemperatur: ca. 42 Grad (35 Grad im Leerlauf) - Ist recht warm in dem Raum

Mein System:
Prozessor: AMD Phenom II 940 (Standard-Takt & -Vcore)
Mainboard: DFI LANPARTY DK 790FXB-M2RSH
Speicher: 4GB OCZ Reaper DDR2-1066 (OCZ2RPR10664GK)
Grafikkarte: PowerColor HD4890 PCS+
Netzteil: be quiet! Dark Power Pro (650 Watt)
Festplatten: 2x Samsung SpinPoit F3 1TB

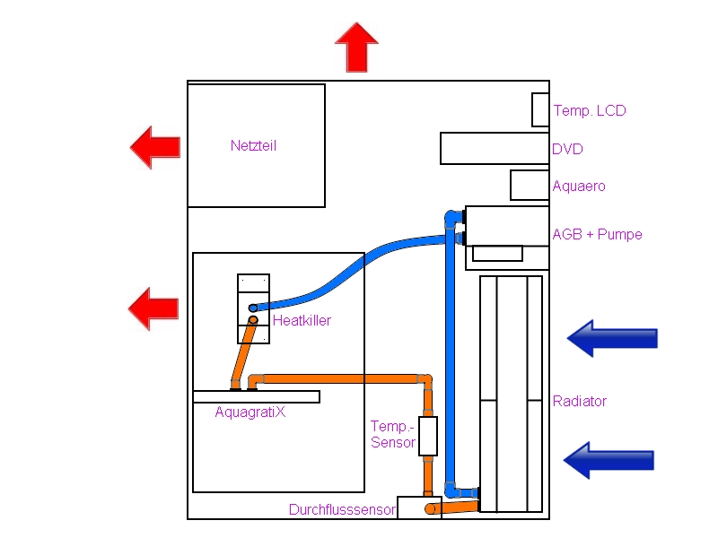
Meine Wasserkühlung:
Pumpe: DDC-1Plus 12V
CPU-Kühler: Watercool HK Rev. 3 LT
GPU-Kühler: AquagratiX für HD 4890 Typ 2
Radiator: Alphacool NexXxoS Xtreme II 240 Rev. 2
Lüfter: 4x Noiseblocker NB-Blacksilent XL2 Rev. 3 (Ja, alle saugen/blasen nach innen ;) )
AGB: XSPC Laing DDC Dual Bay 5,25''
Steuerung: Aquacomputer Aquaero 4.00 USB
Temperatursensor: Thermosensor In-Line 10/8mm
Durchflusssensor: Aquacomputer Durchflusssensor "high flow" G1/4
Schlauch: Innovatek PVC 10/8mm
Wasser: Innovatek Protect Fertiggemisch

Unten habe ich noch eine Skizze und 2 Fotos meine Wasserkühlung angehängt.


So long und danke im Voraus,
Matze
 

Anhänge

  • Skizze.jpg
    Skizze.jpg
    92,5 KB · Aufrufe: 815
  • 01.jpg
    01.jpg
    115,9 KB · Aufrufe: 863
  • 02.jpg
    02.jpg
    102,2 KB · Aufrufe: 767
naja ein 240er für GPU und QuadCore CPU ist doch ein bisschen untertrieben.
ob du nun 4 oder 2 lüfter ran machst, mehr als 2°C bringst du nicht raus.

Die Temps für einen 240er sind sagenhaft gut!
 
Auf welchen Wert hast du denn den Durchflusssensor im Aquaero kalibriert?

Und ein 240er für eine 4890 und einen Phenom II ist wirklich ein bisschen klein
 
Die Werte sind super und 65°C ist auch nicht schlimm für die CPU.
 
Für nen 240er sind die Temps ok...wenn du es kühler haben willst, brauchst du nen 360er Radi.
 
@crews:
Ich hatte gehofft, dass ein 240er dafür noch ausreichend ist. Doch geht die
Temperatur des Prozessors nur durch die Grafikkarte gleich so durch die Decke?
Ohne Grafikkarte, vor der Erweiterung war der Prozessor unter Dauer-Vollast bei max.
42 Grad.

@micha19722:
Der Durchflusssensor ist auf 169 Impulse/Liter kalibriert.

@Hansdampf12345:
Das denke ich schon, denn 62 Grad ist die vom Hersteller vorgegebene Maximaltemperatur
beim Phenom II.
 
Die Temps gehen noch. Allerdings bist Du jetzt in einem Bereich, in den die Wakü anfängt, in dem von dir gewünschten Temperaturbereich die Effektivität zu verlieren.
Ich stimmt meinen Vorrednern zu... mir dem Radi bist du etwas unterdimesioniert für bessere Temperaturen. Aber keine Panik, einfach nicht mehr Benchen, im normalen Betrieb reicht das noch locker.
 
Dann sind 45 Liter für eine Laing wirklich ein bisschen wenig. Auch wenn du ziemlich viele von den 90° Winkeln eingebaut hast. und dann auch noch 10/8er und dann auch noch die Billigwinkel.
 
micha19722 schrieb:
Dann sind 45 Liter für eine Laing wirklich ein bisschen wenig. Auch wenn du ziemlich viele von den 90° Winkeln eingebaut hast. und dann auch noch 10/8er und dann auch noch die Billigwinkel.

Das ist völlig wurscht, solange das Wasser noch fließt. High Flow wird munter überschätzt, das sind kaum 2° Unterschied zwischen den einzelnen Durchmessern. ;)

Auch die Winkel gehen noch, obwohl ich auch Rundungen vorziehen würde
 
micha19722 schrieb:
... und dann auch noch die Billigwinkel.

Die Winkel/Anschlüsse habe ich alle bei Aquatuning gekauft. Wenn ich das richtig sehe,
gibt es da für 10/8mm nur eine Art. Die unterscheiden sich nur bei den Schlauchverschraubungen (gerändelt, usw.). Oder irre ich mich?
 
ich hab meinen Phenom und meine 5870 mit einem Triple und einem Singleradiator verbunden. an alles superlangsame und supersilent lüfter mit 800rpm. und ich bekomm ich load auch mal ne gute 60grad hin.
 
PhreakMasta schrieb:
Die Winkel/Anschlüsse habe ich alle bei Aquatuning gekauft. Wenn ich das richtig sehe,
gibt es da für 10/8mm nur eine Art. Die unterscheiden sich nur bei den Schlauchverschraubungen (gerändelt, usw.). Oder irre ich mich?

Das ist völlig OK, lass dich nicht irre machen. In der Szene legen nur eben viele Wert auf die Optik und die stehen nicht auf die dünnen Schläuche und Schraubverschlüsse. Aber die sind absolut OK.
 
PhreakMasta schrieb:
Die Winkel/Anschlüsse habe ich alle bei Aquatuning gekauft. Wenn ich das richtig sehe,
gibt es da für 10/8mm nur eine Art. Die unterscheiden sich nur bei den Schlauchverschraubungen (gerändelt, usw.). Oder irre ich mich?

Die hier haben einen deutlich besseren Durchfluss:
http://www.caseking.de/shop/catalog/Wasserkuehlung/Anschluesse/10/8mm-Anschluesse/Bitspower-Anschluss-Winkel-1-4-Zoll-auf-10-8mm-drehbar-shiny-silver::12387.html


@S.V.K.: Das High flow überbewertet wird ist klar, ich habe meine Pumpe auch auf ca 90L/h gedrosselt, aber 45 Liter sind relativ wenig.

Und bei einem System das eh Unter/knapp dimensioniert ist zählt jedes einzelne Grad.
 
S.V.K. schrieb:
Das ist völlig OK, lass dich nicht irre machen. In der Szene legen nur eben viele Wert auf die Optik und die stehen nicht auf die dünnen Schläuche und Schraubverschlüsse. Aber die sind absolut OK.

Ok, hab ich mir schon gedacht :)

Also nen 360er Radi bekomm ich nicht so einfach in das Gehäuse, auch wenn das TT Armor
recht groß ist. Denkt ihr es reicht, wenn ich dort wo jetzt der hintere Gehäuselüfter sitzt noch
einen 120er Alphacool Xtreme Radi einbaue?
 
ab ca. 22l/h spielt es kaum eine rolle! ich habe meine laing auf 50% gedrosselt. es gibt kaum einen temp. unterschied zwischen 30l/h und 120l/h!!!!!! das macht vielleicht 1-3°C aus, mehr nicht.
Ergänzung ()

besser wäre, wenn du den radi extern nimmst! ich meinem case ist es über 40°C, aussentemperatur 30°C, h2o 32°C.
wenn du es intern verbaut hast, steigt automatisch die temperatur für das ganze kühlsystem.
 
micha19722 schrieb:
Die hier haben einen deutlich besseren Durchfluss:
http://www.caseking.de/shop/catalog/Wasserkuehlung/Anschluesse/10/8mm-Anschluesse/Bitspower-Anschluss-Winkel-1-4-Zoll-auf-10-8mm-drehbar-shiny-silver::12387.html


@S.V.K.: Das High flow überbewertet wird ist klar, ich habe meine Pumpe auch auf ca 90L/h gedrosselt, aber 45 Liter sind relativ wenig.

Und bei einem System das eh Unter/knapp dimensioniert ist zählt jedes einzelne Grad.

Dazu habe ich zwei Fragen:
1. Arbeitest Du für Caseking? Wenn ja:
2. Braucht ihr die Kohle wirklich so dringend?

12,- Euro für einen Winkel von 90° der besser ist, als ein andere 90° Winkel... bei selbem Winkel und selbem Innendurchmesser... jo, muß viel besser sein^^

Also, um es klar zu sagen; DER TAUSCH DER ANSCHLÜSSE BRINGT WENIGER ALS GAR NICHTS, DAS KOSTET NUR SINNLOS GELD!

Das System ist nur leicht unterdimensioniert. Durchfluss etc. bringen da gar nichts. Wenn er nicht bencht, ist alles OK. Also im Sommer nicht benchen und gut ist das. Und bei Zeiten mal ein besserer Radi...
 
@S.V.K.:

Nein ich arbeite nicht dort, ich kenne nur deren Produkte, da ich da selber einkaufe. Deswegen finde ich dort die Sachen im Shop schneller.

Die Preise diktiert eh Bitspower, die sind woanders nicht wesentlich günstiger.

Und wenn du mal beide Anschlüsse gleichzeitig in der Hand hast, und durchguckst kannst du schon sehen wo der Unterschied im Durchfluss sein soll.

Als ich "damals" umgerüstet habe (11/8 er Schlauch) war der Duchflussunterschied bei 3 Winkeln etwas über 10%. Also erzähle mir bitte nicht das die Winkel nicht bringen im Durchfluss.

Das sie teuer sind will und kann ich nicht absprechen, aber ICH bin bereit das zu zahlen. War eh nur als Anschauungsbeispiel gedacht. Die nicht drehbaren sind auch günstiger.

Mittlerweile bin ich eh bei 16/10, hat aber eigentlich nur optische Gründe, ich Regel die Pumpe eh immer runter das ich mich bei ca 90L/h einpendele. Aber mit je weniger Last die Pumpe diesen Durchfluss schafft, desto leisere arbeitet sie.
 
Ok, werd ich mir zu Herzen nehmen. Vielen Dank für die Antworten bis jetzt.

Ich bin auch noch auf der Suche nach einem vernünftigen Gehäuse.
Das TT Armor, das ich habe, ist noch die erste Generation = Stahl mit 16kg Leergewicht.
Mir deutlich zu schwer :D

Habt ihr ne Empfehlung welche Hersteller ich mit genauer anschauen sollte und von
welchen ich die Finger lassen sollte? Meine "System-Anforderungen" sind ja inzwischen
bekannt. ^^
 
AMD Ryzen 9 9950X3D2
Zurück
Oben