Hallo zusammen, ich habe hier bereits einiges gelesen aber ich bin gerade mit den möglichen Fehlerursachen und mangelndem Wissen über die Technik etwas überfordert. Ich wäre sehr dankbar für ein paar gute Ratschläge 
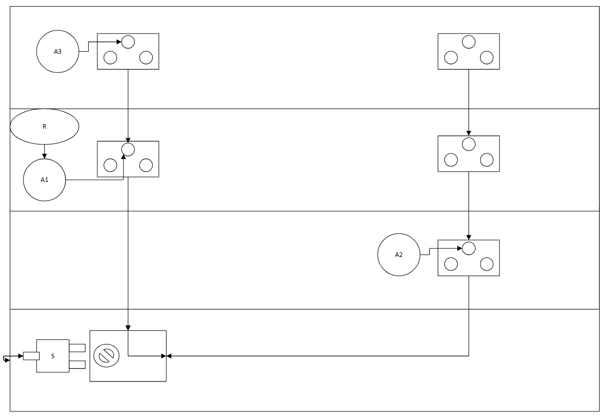
Ich nutze Moca um in einem Reihenhaus Accesspoints anzubinden. Anbei das Layout, der Router sitzt auf der mittleren Etage in der linken Hälfte und dort mit einem GoCoax Adapter a die TV Buchse angebunden. Generell gibt es zwei durchgeschliffene Leitungsarme die im Keller über einen Splitter zusammenlaufen und dort mit dem Kabelsignal versorgt werden.
Da ich kein Kabelfernsehen nutze, habe ich die Eingangsleitung abgesteckt. Nun zu meinem Problem: in jeweils einem der beiden Arme bekommen zwei Adapter eine Verbindung. Über den Splitter im Keller habe ich keine Verbindung in den rechten Arm bekommen. Also habe ich die Enden der Arme direkt verbunden und bekomme nun eine Verbindung von 1 zu 2. Wenn ich 3 hinzunehme nicht, solange 2 aktiv ist. Ich glaube verstanden zu haben, dass eine Sternschaltung besser aber nicht zwingend erforderlich ist? Also wäre ein Splitter am Router optimal, allerdings bekomme ich dann auch bereits bei nur 2 Adaptern kein Signal in den rechten Arm. Der Frequenzbereich des Splitters passt, ggfs. Ist die Dämpfung zu hoch, darum habe ich einen zweiten besorgt, hier das gleiche Ergebnis.
Folgende mögliche Fehler sehe ich:
-beide Splitter sind inkompatibel
-das Netz ist zu groß/lang mit dem Splitter
-die Adapter müssen anders Konfiguriert werden für eine Kommunikation über 3 Punkte
Ich nutze keinen Filter, da ich kein Anders Signal habe. Wäre der Trotz sinnvoll? Sollte ich ggfs. Die oberen Buchen noch m rechten Arm abtrennen um mögliche Störsignale zu reduzieren?
Hat jemand von euch andere Ideen?
Vielen Dank schon mal!
LG Hans
Ich nutze Moca um in einem Reihenhaus Accesspoints anzubinden. Anbei das Layout, der Router sitzt auf der mittleren Etage in der linken Hälfte und dort mit einem GoCoax Adapter a die TV Buchse angebunden. Generell gibt es zwei durchgeschliffene Leitungsarme die im Keller über einen Splitter zusammenlaufen und dort mit dem Kabelsignal versorgt werden.
Da ich kein Kabelfernsehen nutze, habe ich die Eingangsleitung abgesteckt. Nun zu meinem Problem: in jeweils einem der beiden Arme bekommen zwei Adapter eine Verbindung. Über den Splitter im Keller habe ich keine Verbindung in den rechten Arm bekommen. Also habe ich die Enden der Arme direkt verbunden und bekomme nun eine Verbindung von 1 zu 2. Wenn ich 3 hinzunehme nicht, solange 2 aktiv ist. Ich glaube verstanden zu haben, dass eine Sternschaltung besser aber nicht zwingend erforderlich ist? Also wäre ein Splitter am Router optimal, allerdings bekomme ich dann auch bereits bei nur 2 Adaptern kein Signal in den rechten Arm. Der Frequenzbereich des Splitters passt, ggfs. Ist die Dämpfung zu hoch, darum habe ich einen zweiten besorgt, hier das gleiche Ergebnis.
Folgende mögliche Fehler sehe ich:
-beide Splitter sind inkompatibel
-das Netz ist zu groß/lang mit dem Splitter
-die Adapter müssen anders Konfiguriert werden für eine Kommunikation über 3 Punkte
Ich nutze keinen Filter, da ich kein Anders Signal habe. Wäre der Trotz sinnvoll? Sollte ich ggfs. Die oberen Buchen noch m rechten Arm abtrennen um mögliche Störsignale zu reduzieren?
Hat jemand von euch andere Ideen?
Vielen Dank schon mal!
LG Hans