Katusch
Lieutenant
- Registriert
- Okt. 2007
- Beiträge
- 1.006
Hallo,
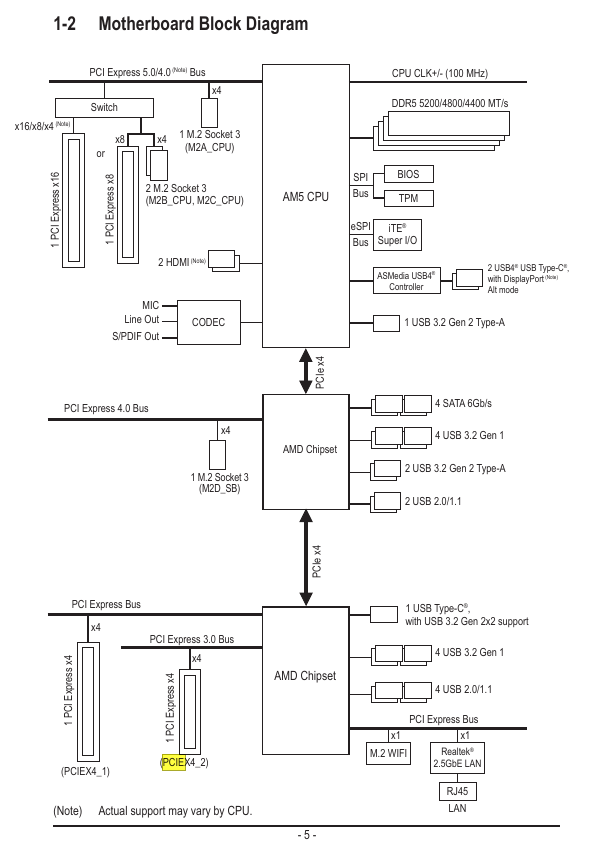
ich hab das X870E AORUS PRO mainboard gekauft, und beim Zusammenstellen frage ich mich jetzt wohin ich meine drei alten M2 ssds stecke.
Ich habe:
Samsung 870EVO 4TB
MX500 SSD 2TB
Samsung 970 EVO 1 TB
Auf dem Motherboard sind 4 Steckplätze. Eines davon ist laut Geizhals PCIe5. Aber aus dem Handbuch verstehe ich nicht welcher slot das ist (wahrscheinlich der "M2A_CPU"?).
Kann ich diesen slot freilassen, für wann ich in Zukunft mal eine PCIe5 SSD kaufe?
In welchem slot man die SSD mit dem Betriebsystem steckt ist egal oder?
ich hab das X870E AORUS PRO mainboard gekauft, und beim Zusammenstellen frage ich mich jetzt wohin ich meine drei alten M2 ssds stecke.
Ich habe:
Samsung 870EVO 4TB
MX500 SSD 2TB
Samsung 970 EVO 1 TB
Auf dem Motherboard sind 4 Steckplätze. Eines davon ist laut Geizhals PCIe5. Aber aus dem Handbuch verstehe ich nicht welcher slot das ist (wahrscheinlich der "M2A_CPU"?).
Kann ich diesen slot freilassen, für wann ich in Zukunft mal eine PCIe5 SSD kaufe?
In welchem slot man die SSD mit dem Betriebsystem steckt ist egal oder?
