X570S Welche M2 Slots verwenden?

Simanova

Vice Admiral
Registriert
Dez. 2012
Beiträge
6.801
Hallo zusammen,

ich plane eine Zwischenlösung mit einem Gigabyte X570S Board.

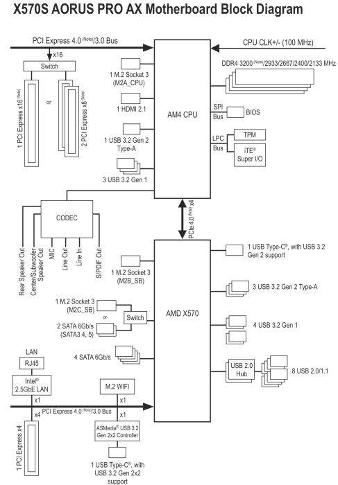
Das Board hat 3x M2 Slots. Ein Slot ist über CPU angebunden, zwei Slots über den Chipsatz.

Ich habe aktuell eine schnelle PCIe3.0 M2 SSD und eine mäßige PCIe3.0 M2 SSD als Datengrab,

und plane zusätzlich eine weitere PCIe4.0 M2 SSD.


Meine Frage: Welchen Slot für welche SSD?

2548980-n6.jpg
 
ich würde die 4.0 über die CPU und die beiden 3.0 über den chipsatz anbinden.
 
  • Gefällt mir
Reaktionen: Knighty, Darklordx, whats4 und eine weitere Person
Ich würde die Systemplatte direkt an die CPU anbinden und die anderen beiden an den Chipsatz. Musst du nur überlegen, ob du die 4.0 SSD als Systemplatte verwenden möchtest.
 
  • Gefällt mir
Reaktionen: whats4
Bedenke die Lage der Slots, die Größe der GPU und ggf. die Größe des CPU Kühlers.

Je nachdem muss für Bestückung des per CPU angebundenen M.2 Slots sowohl GPU als auch der CPU Kühler ausgebaut werden. In dem Fall hätte man später weniger Aufwand, wenn man für die neue M.2 NVME den untersten Slot freilässt, der besser zugänglich ist.

Ich selbst würde allerdings auch eher die schnelle NVME in den an der CPU hängenden Slot stecken, selbst wenn das mehr Aufwand ist und wahrscheinlich keinerlei spürbare Vorteile bringt.
 
vielleicht auch noch thermische Probleme im Auge behalten. Die SSDs in meinem Gigabyte werden je nach Platzierung und Case schon ordentlich warm. Mich stört es nicht, aber recherchiere mal die Temps der geplanten SSD und dein Setup
 
Simanova schrieb:
Meine Frage: Welchen Slot für welche SSD?
Wow, Marco, sogar mit Diagramm. Dann ganz klar: die schnellste SSD an die CPU oben, die anderen zwei an den Chipsatz. Bedenke natürlich, dass die unterste "M2C_SB" Dir 2xSATA Ports klauen wird (SATA3-4 und SATA3-5). Wenn Du alle 6 SATA-Ports braucht, dann kannst Du alternativ mittels eines Adapters eine weitere M.2-SSD anschließen - natürlich in dem untersten PCIe-Slot um der Graka keine Lanes zu klauen.
Mit gutem Kühler und Gen4-ready deklariert: https://www.amazon.de/dp/B094YBFZWV
 
Danke für die zahlreichen Antworten.

UweP44 schrieb:
Bedenke die Lage der Slots, die Größe der GPU und ggf. die Größe des CPU Kühlers.
Die GPU ist mit einem Riser-Kabel verbunden und hochkant im Gehäuse montiert. Daher alles schick.

fab.erg schrieb:
Die SSDs in meinem Gigabyte werden je nach Platzierung und Case schon ordentlich warm.
Das Mainboard hat eine passive Kühlung für SSD, ich hoffe die reicht. Theorethisch blaßen 3 Lüfter drüber und 3 saugen ab.

massaker schrieb:
Wenn Du alle 6 SATA-Ports braucht
Danke, voraussichtlich benötige ich gar keinen SATA Anschluss. Lediglich eine Soundkarte muss noch rein.


***

Das Thema wäre damit hinreichend gelöst.
 
  • Gefällt mir
Reaktionen: fab.erg
Zurück
Oben