Du verwendest einen veralteten Browser. Es ist möglich, dass diese oder andere Websites nicht korrekt angezeigt werden.
Du solltest ein Upgrade durchführen oder einen alternativen Browser verwenden.
Du solltest ein Upgrade durchführen oder einen alternativen Browser verwenden.
News B650(E)-Mainboards: Die Mittelklasse für Ryzen 7000 wird deutlich teurer
- Ersteller SVΞN
- Erstellt am
- Zur News: B650(E)-Mainboards: Die Mittelklasse für Ryzen 7000 wird deutlich teurer
ameisenbaer
Lieutenant
- Registriert
- Dez. 2017
- Beiträge
- 975
Chantal Shepard schrieb:Richtig. Der Unterschied ist: man kann auch ein günstigeres Z690 Board nehmen. Bei AM5 hast du keine Wahl.
Geh mal davon aus, dass sie nicht mehr nachproduziert werden...
B
Beg1
Gast
Fresh-D schrieb:Was willst du da abwägen? Die Preise der aktuellen Gen von AMD sind exorbitant höher als der Leistungszuwachs von AM4, wenn man das System hauptsächlich fürs spielen verwendet.
Zum zocken ist aktuell Intel und AM4/Zen3 die beste Wahl, wenn Geld nicht egal ist.
Habe doch eigentlich alles geschrieben.
Es geht ja nicht nur um Zen4 sondern auch um die AM5-Plattform, welche dann beim nächsten CPU-Upgrade eventuell noch verwendet werden kann.
Vielleicht setze ich auf ADL/RPL (je nachdem wie sich die Preise mit RPL Release entwickeln), dann habe ich zwar keine Upgrademöglichkeit, die Kosten wären aber auch geringer.
Rockstar85
Admiral Pro
- Registriert
- Sep. 2004
- Beiträge
- 9.404
Ich hoffe ja, dass dies so eintrifft.. dann wäre ein B650 Tomahawk für 250€ machbar und vllt kommt eine non Wifi Edition.
Sonst muss man sagen, dass das B650 Tomahawk von der Ausstattung das B550 Tomahawk übertrifft und eher am B660 Tomahawk WiFi Orientiert.
https://gzhls.at/blob/ldb/5/6/9/a/a2e2fb1276049350d0e06f4be5019f6f6cf8.pdf
@Beg1
Ich glaube nicht, dass Intels 13600K und 13700K billiger werden.. Ich rechne auch 400-450€ für den 13700K.. Ob dieser im Gesamtpaket Schneller ist, wage ich zu bezweifeln.. Intel wird hier massiv Watt draufgeben. Also muss man auch hier wieder Hand anlegen.. Mein B660 Setup wird deswegen ausziehen und ich werde die AM4 Plattform auftragen. nen Gebrauchter 5800X @100W PTT reicht mir dann lange genug. Und mein 12400 macht einen anderen Kumpel happy.
ameisenbaer
Lieutenant
- Registriert
- Dez. 2017
- Beiträge
- 975
Enigma schrieb:Das ist meiner Vorstellung nach nur ein PCI-Express Switch. Der ist für mich keine 5 Dollar Wert.
Wo gibt es denn einen PCIe4-Switch für 5 Dollar?
B
Beg1
Gast
Rockstar85 schrieb:Ich glaube nicht, dass Intels 13600K und 13700K billiger werden.. Ich rechne auch 400-450€ für den 13700K.. Ob dieser im Gesamtpaket Schneller ist, wage ich zu bezweifeln.. Intel wird hier massiv Watt draufgeben.
Ja die neuen CPUs werden wohl ähnlich viel kosten, aber Alder Lake könnte günstiger werden, dazu sind die Mainboardpreise etwas niedriger (Z690) und es gibt im Zweifelsfall auch noch DDR4.
Ich warte gespannt auf den Release und entscheide danach.
Rockstar85
Admiral Pro
- Registriert
- Sep. 2004
- Beiträge
- 9.404
@Beg1
Ja, aber dann kannst du auch einen 12600K nehmen.. Klar wird das 13400 (ADL) billiger als der 12600K, aber auch der Unterschied 12600K zu 13700K ist Vernachlässigbar (und der 13700K wird signifikant teurer).. Und ich verwette ne Kiste Bier drauf, dass ab Mitte 2023 nur noch Restbestände der D4 Modelle gibt.. So werden die Hersteller ihre teuren Produkte nicht los.
Ob ich neu, eine EOL Plattform kaufen würde? Da bin ich unsicher, zumal DDR5 die Zukunft ist.. Du hast das gleiche Problem dann beim nächsten Upgrade. Alles nicht so einfach. Ich hab beides Da.. Und komplett Neukaufen um dann DDR4 zu haben? Ich glaube dann würde ich auf D5 gehen.. Und dann nehmen sich Intel und AMD Exakt Null.
Ich würde, wenn die B650 Bretter unter 300€ sind, selbst auf AM5 aufrüsten.. Bekomme da ADL Leistung zu 5800X Verbrauch in allen Lebenslagen. Hätte ich LGA oder AM4, oder kauf ich Fertig PC, wäre die Grundlage eh eine andere. Ich plane meine Rechner aber auch nur für 3-4 Jahre Nutzungsdauer.
Ja, aber dann kannst du auch einen 12600K nehmen.. Klar wird das 13400 (ADL) billiger als der 12600K, aber auch der Unterschied 12600K zu 13700K ist Vernachlässigbar (und der 13700K wird signifikant teurer).. Und ich verwette ne Kiste Bier drauf, dass ab Mitte 2023 nur noch Restbestände der D4 Modelle gibt.. So werden die Hersteller ihre teuren Produkte nicht los.
Ob ich neu, eine EOL Plattform kaufen würde? Da bin ich unsicher, zumal DDR5 die Zukunft ist.. Du hast das gleiche Problem dann beim nächsten Upgrade. Alles nicht so einfach. Ich hab beides Da.. Und komplett Neukaufen um dann DDR4 zu haben? Ich glaube dann würde ich auf D5 gehen.. Und dann nehmen sich Intel und AMD Exakt Null.
Ich würde, wenn die B650 Bretter unter 300€ sind, selbst auf AM5 aufrüsten.. Bekomme da ADL Leistung zu 5800X Verbrauch in allen Lebenslagen. Hätte ich LGA oder AM4, oder kauf ich Fertig PC, wäre die Grundlage eh eine andere. Ich plane meine Rechner aber auch nur für 3-4 Jahre Nutzungsdauer.
Zuletzt bearbeitet:
B
Beg1
Gast
Rockstar85 schrieb:Ja, aber dann kannst du auch einen 12600K nehmen.. Klar wird das 13400 (ADL) billiger als der 12600K
Ob ich neu, eine EOL Plattform kaufen würde? Da bin ich unsicher, zumal DDR5 die Zukunft ist.. Du hast das gleiche Problem dann beim nächsten Upgrade. Alles nicht so einfach.
Ich möchte halt gerne 8 P-Cores und die kosten leider einen ziemlichen Aufpreis.
Weil ADL/RPL EOL ist war meine Überlegung AM5 zu nehmen, aber auch hier kann ich mir selbst mit DDR5 6000 nicht sicher sein, dass dieser in 2-3 Jahren noch "aktuell" ist.
Die Preise für die B650-Boards haben mir die Entscheidung nicht wirklich erleichtert...
Rockstar85
Admiral Pro
- Registriert
- Sep. 2004
- Beiträge
- 9.404
@Beg1
Der 13400 könnte ein kastrierter 12600K sein... also 6+4 oder so.. Das wäre für die Kosten ein guter Kompromiss.. Spannend wird, wie viel schneller er zum 12400 wird.. Intel wird sicher 200-300Mhz drauflegen, das wars dann aber auch.. Dann würde ich aber auch eh ein 12700K nehmen.
Ein 12700K mit einem PLimit von 150W sollte am Ende Effizient und Schnell sein und du hast 8 P Core.. Aber du hast halt auch eine EOL Plattform.. Kann man drehen und wenden, ist bei AMD und Intel mit den aktuellen Plattformen gleich.
Bestes ist derzeit 7600X mit 80W P Limit und dazu ein B650 Brett.. Und DDR6000 wird ne Weile Standard bleiben, da mache ich mir eher weniger Sorgen. Die Preise sind halt sowohl für B650 als auch DDR5 nicht ohne.. Da bekomm ich schon DDR3200 32GB, aber auch dieser Speicher ist irgendwann Alt.
Warten kann man also immer.. Man kauft eig auch immer eher nach Bedarf und nicht nach, was man in Zukunft kaufen könnte. Sorry aber ich würde mich an mein Portemonai richten und danach aussuchen.
Der 13400 könnte ein kastrierter 12600K sein... also 6+4 oder so.. Das wäre für die Kosten ein guter Kompromiss.. Spannend wird, wie viel schneller er zum 12400 wird.. Intel wird sicher 200-300Mhz drauflegen, das wars dann aber auch.. Dann würde ich aber auch eh ein 12700K nehmen.
Ein 12700K mit einem PLimit von 150W sollte am Ende Effizient und Schnell sein und du hast 8 P Core.. Aber du hast halt auch eine EOL Plattform.. Kann man drehen und wenden, ist bei AMD und Intel mit den aktuellen Plattformen gleich.
Bestes ist derzeit 7600X mit 80W P Limit und dazu ein B650 Brett.. Und DDR6000 wird ne Weile Standard bleiben, da mache ich mir eher weniger Sorgen. Die Preise sind halt sowohl für B650 als auch DDR5 nicht ohne.. Da bekomm ich schon DDR3200 32GB, aber auch dieser Speicher ist irgendwann Alt.
Warten kann man also immer.. Man kauft eig auch immer eher nach Bedarf und nicht nach, was man in Zukunft kaufen könnte. Sorry aber ich würde mich an mein Portemonai richten und danach aussuchen.
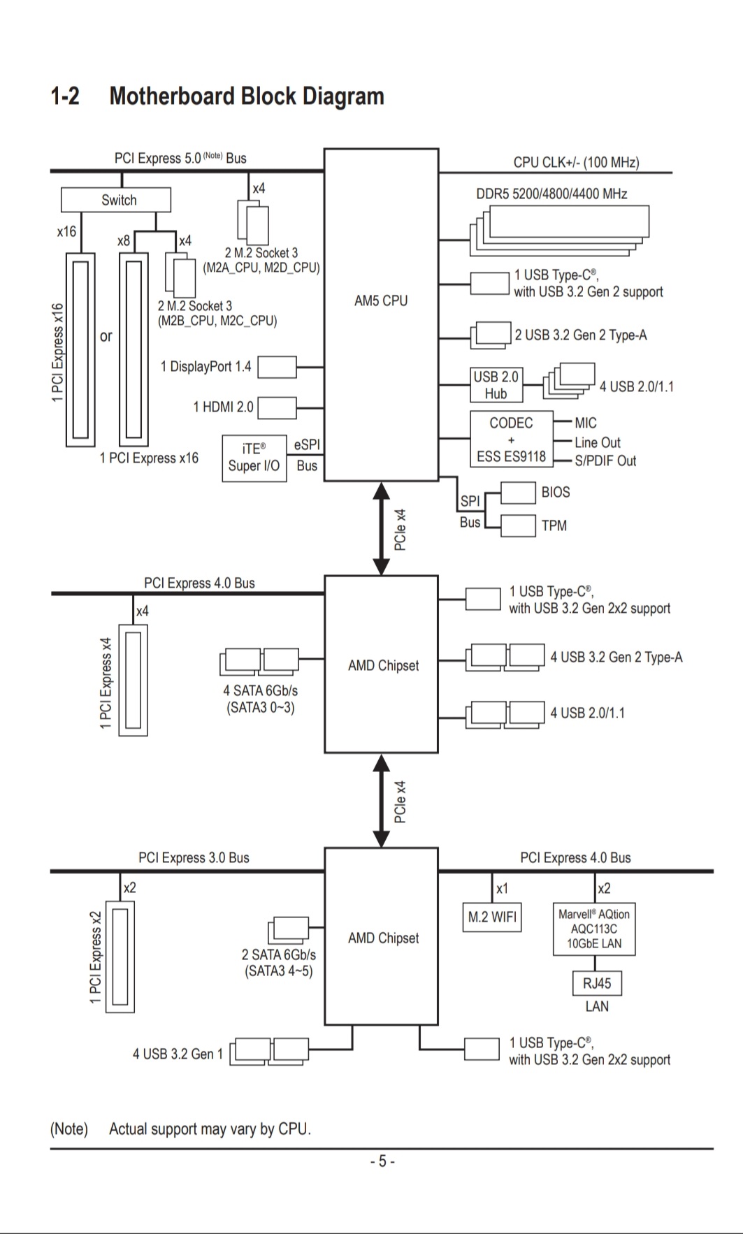
@schnufflon84 der Chipsatz hat auch Lanes, aber nur 4.0 und 3.0. Hier das Diagramm von deinem Aorus Xtreme:
Wie du siehst kannst du "ohne Kompromisse" nur 2 SSDs benutzen, und zwar in den oberen 2 M.2 Slots. Sobald du einen der beiden unteren benutzt, aktiviert sich der Switch und deine GPU ist nur noch mit ×8 angebunden. Die Chipsätze haben bei deinem Board mit M.2 dann gar nichts zu tun.
Rockstar85
Admiral Pro
- Registriert
- Sep. 2004
- Beiträge
- 9.404
@Rockstar85 habe bei Gigabyte mal gecheckt, LGA1700 hat auch schon Blockschaltbilder, auch B660
C
Chantal Shepard
Gast
ameisenbaer schrieb:Geh mal davon aus, dass sie nicht mehr nachproduziert werden...
Mein Z690 Board ist ja schon da.
UNRUHEHERD
Lt. Commander
- Registriert
- Mai 2013
- Beiträge
- 1.460
Ich fotografiere beruflich seit 7 Jahren mit einer gebrauchten DSLR für 150 EuroCl4whammer! schrieb:Bei DSLM Kameras reden die auch immer von 1500€ Einstieg, ist jetzt mit Mobos bald nicht anders![]()
Ergänzung ()
Wahrscheinlich kommt die mit Verspätung und ohne AnkündigungNorthstar2710 schrieb:Das es keine einstiegsklasse gibt? Denn kleiner als b650 wurde nicht angekündigt.
Rockstar85
Admiral Pro
- Registriert
- Sep. 2004
- Beiträge
- 9.404
@Rockstar85 was sagst du dann zu diesem hier? Wäre für mich schon ein Blender, finde ich schon schwach, vor allem fürs Flaggschiff. Zumal anscheinend Lanes vom 2ten Chipsatz ungenutzt bleiben?! 2 M.2 SSDs sind schon mau.
O
Onkel Föhn
Gast
Schade, dass die Industrie es NICHT dschäggt, dass sie mit ihren Preisen die Gamer vom PC weg lotsen und sie somit ihr eigenes Grab schaufeln ... 
MfG Föhn.
MfG Föhn.
Freiheraus
Lt. Commander
- Registriert
- Nov. 2017
- Beiträge
- 1.346
Dekadenz, Entartung, mehr fällt mir dazu nicht ein. Da werden einige Mobo-Hersteller unsanft auf dem Boden der Tatsachen aufschlagen. Die Mobo-Hersteller kommen nahezu ausschließlich aus Taiwan, der Neue Taiwan Dollar hat sich innerhalb eines Jahres so gut wie nicht verändert gegenüber dem Euro.
Heute ist 1 TWD = 0,032 EUR, vor einem Jahr war 1 TWD = 0,031 EUR. Also an der Währung kann es schon mal nicht liegen.
Heute ist 1 TWD = 0,032 EUR, vor einem Jahr war 1 TWD = 0,031 EUR. Also an der Währung kann es schon mal nicht liegen.
Adonay
Commander
- Registriert
- Apr. 2008
- Beiträge
- 2.094
Sehe ich genauso, vor allem wenn es dann nicht mal funtkioniert, die WLAN/BT Kombo von Intel auf den X570 Boards ist ja das letzte und bekommen die auch nicht in den Griff...Monarch2 schrieb:Vor allem WLAN, das nervt langsam wirklich.
Ähnliche Themen
M
- Gesperrt
- Antworten
- 9
- Aufrufe
- 1.008
- Antworten
- 14
- Aufrufe
- 7.789
- Antworten
- 108
- Aufrufe
- 31.864