- Registriert
- Juni 2010
- Beiträge
- 1.535
Guten Abend,
ich habe Probleme mit meinen WR/Speicher Avocado von Foxess und die Einbindung mit dem Smartmeter von Shelly.
Der WR lief mit händische Zwangsentladung 3 Wochen gut. Gestern hatte mein Bekannter Elektriker Zeit den Shelly zu installieren. Aber die Daten die das Shelly abgreift sind nicht stimmig und die KIs helfen mir auch nicht ( ETechnik trottel).
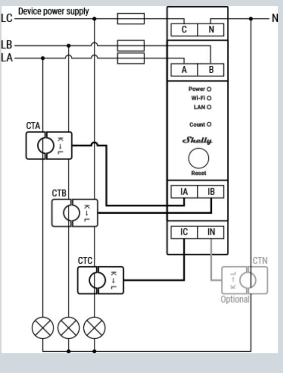
Shelly greift nach den Hauptschalter die 3 Phasen in fließrichtung zu den Sicherungen ab.
Dann bekomme ich folgendes ausgespuckt.


Die Batterie lädt dann auch aus dem Netz.
Invertiere ich im Shelly Phase a und c. Wird es was besser, aber auch noch nicht logisch.
Stelle ich die Ausgangsleistung auf ca. 220w und 500w bekomme ich verschiedene Hausbezüge bei eigentlich nahezu gleich bleibender Last.
220W:


500w.


Shelly im Schrank.

Was könnte ich noch probieren?
ich habe Probleme mit meinen WR/Speicher Avocado von Foxess und die Einbindung mit dem Smartmeter von Shelly.
Der WR lief mit händische Zwangsentladung 3 Wochen gut. Gestern hatte mein Bekannter Elektriker Zeit den Shelly zu installieren. Aber die Daten die das Shelly abgreift sind nicht stimmig und die KIs helfen mir auch nicht ( ETechnik trottel).
Shelly greift nach den Hauptschalter die 3 Phasen in fließrichtung zu den Sicherungen ab.
Dann bekomme ich folgendes ausgespuckt.


Die Batterie lädt dann auch aus dem Netz.
Invertiere ich im Shelly Phase a und c. Wird es was besser, aber auch noch nicht logisch.
Stelle ich die Ausgangsleistung auf ca. 220w und 500w bekomme ich verschiedene Hausbezüge bei eigentlich nahezu gleich bleibender Last.
220W:


500w.


Shelly im Schrank.

Was könnte ich noch probieren?









