Lian Li O11 Dynamic Evo - RGB-Leiste nach Austausch immer noch außer Funktion

captaincapri

Lieutenant Pro
🎂Rätsel-Elite ’17
Registriert
Dez. 2013
Beiträge
725
Liebes Caseking-Team, liebe Community,

ich habe ein merkwürdiges Problem mit meinem neuen O11D EVO.
Das Gehäuse kam mit einer (m.E.) defekten RGB-Leiste bei mir an. Nur eine LED (ganz oben) leuchtete dauerhaft orange. Andere Farbe konnte nicht eingestellt werden, M- und C-Knöpfe am Case außer Funktion:

20220130_214226.jpg


Nach kurzem und unkomplizierten Kontakt (Anfrage 232266) mit dem Caseking Email-Support wurde mir auf Basis der Fehlerbeschreibung und meinem Wunsch ein komplettes RMA für das Case zu vermeiden eine neue RGB-Leiste versprochen.
Diese kam ca. 3 Wochen später (musste aus China bestellt werden) bei mir an und wurde heute von mir verbaut.

Das Frontpanel (um den Power/Reset-Knopf) des O11D Evo ist vollständig angeschlossen:

1x Sata Power an PSU
1x 3pin/5V-RGB an Mainboard
Power SW, Reset SW, Power LED

Trotzdem funktioniert die neuen RGB-Leiste nicht.
Sie reagiert nicht auf die C- und M-Buttons an der Seite des Case.

Hier ein paar Bilder bzgl. der Verkabelung:

20220320_124955.jpg

a) Neue RBG-Leiste angeschlossen (keinerlei Reaktion)

20220320_125111.jpg

b) "Alte" RBG-Leiste angeschlossen (eine einzelne LED in Funktion (only orange))

20220320_125041.jpg

c) Nahaufnahme Kabelterminal

Die Kabel (RGB und Sata-Power) sehen okay aus, ich habe verschiedene RGB-Ports am Mainboard getestet und Sata-Power auf der PSU-Seite umgesteckt. Das kleine Kabelterminal (siehe Bild c) sieht auch okay aus.. ich wüsste aber mittlerweile wirklich nicht, was es abgesehen vom Kabelterminal sonst noch seien könnte, außer dass die neue RGB-Leiste zufällig ebenfalls DoA ist.

Grundsätzlich kann ich tendenziell auf RGB an der Gehäusefront verzichten. Ich mag es nur nicht, wenn Dinge aus unerfindlichen Gründen "out of the box" schon kaputt sind, irgendwie bezahlt man sie bei Anschaffung auch mit. Hoffe das ist nachvollziehbar.

Vielleicht hat ja noch jemand eine Idee, wie ich den Fehler selbst beheben und eine RMA vermeiden kann?

Liebe Grüße,
Der Captain
 
Hallo Der Captain,

kannst du mir ein paar gut erkennbare Fotos davon anfertigen, wie du den LED-Strip am Mainboard angeschlossen hast und den Typ des Mainboards nennen? Kannst du mir außerdem ein Foto der Rückseite deines nicht verbauten LED-Strips anfertigen?

Liebe Grüße
Mike
 
Hallo @Caseking-Mike,

Danke für Deine Rückmeldung.
Hier die gewünschten Fotos und Daten:

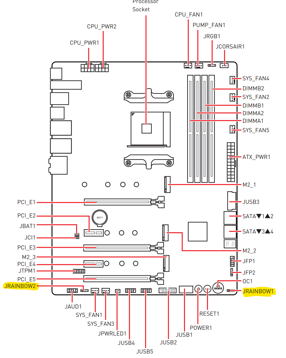
Mainboard: MSI X570 MEG ACE

Getestete Anschlüsse siehe hier:

megace.png


Aktuell angeschlossen auf Jrainbow1, unten rechts auf dem Board:

20220322_194610.jpg


Hier die weitere Verkabelung auf der Mainboard-Rückseite:

20220322_194502.jpg


Rückseite des "alten" orangeleuchtenden LED-Strips:

20220322_195636.jpg


Zum Vergleich der "neue" non-functional LED-Strip:

20220322_194708.jpg
20220322_194714.jpg


Sag gerne Bescheid, falls du noch was brauchst.

Liebe Grüße
 
Hallo captaincapri,

captaincapri schrieb:
Aktuell angeschlossen auf Jrainbow1, unten rechts auf dem Board:

[IMG]https://www.computerbase.de/forum/attachments/20220322_194610-jpg.1200295/[/IMG]

Kannst du noch ein Foto machen oder zumindest sicherstellen, dass du den Stecker auf diesem Header mit der Markierung an der richtigen Stelle angeschlossen hast?

Liebe Grüße
Mike
 
Hallo @Caseking-Mike,

Ich hab grade alles noch einmal feinsäuberlich aus und wieder eingesteckt. Der Stecker auf dem Board sitzt korrekt. Zudem habe ich erneut beide Jrainbow-Anschlüsse mit unterschiedlichen Verlängerungskabel getestet. Keine Verbesserungen. Irgendwas passt anderweitig nicht.

Liebe Grüße
 
Hallo captaincapri,

es gibt hier leider verschiedene mögliche Ursachen. Es könnte am Mainboard liegen, weshalb man theoretisch andere LEDs an den 3-Pin-Headern testen müsste, um das auszuschließen. Es kann auch sein, dass tatsächlich auch die zweite LED-Leiste defekt ist, was man theoretisch auch an einem anderen funktionierenden LED-Controller irgendeiner Art testen könnte. Ich kenne dieses spezifische Motherboard nicht und möchte auch nicht ausschließen, dass es einfach ein Softwareproblem ist, aber es sieht eher nicht danach aus. Zu guter Letzt kann es auch sein, dass der Stecker auf den Mainboard-Headern falsch aufgesteckt wurde, sodass V+ und Ground vertauscht worden sind und damit die LED-Leisten zerstört wurden. Letzteres ist leider eine sehr häufige Fehlerquelle.

Möchtest du die beiden defekten Strips für eine Prüfung auf falsche Polarität zurückschicken (wir können das mit einem Multimeter testen) und dann eine weitere Ersatzlieferung?

Liebe Grüße
Mike
 
Caseking-Mike schrieb:
Zu guter Letzt kann es auch sein, dass der Stecker auf den Mainboard-Headern falsch aufgesteckt wurde, sodass V+ und Ground vertauscht worden sind und damit die LED-Leisten zerstört wurden. Letzteres ist leider eine sehr häufige Fehlerquelle.
Verpolung geht m.E. bei JRGB (12V), also 4-pin tatsächlich sehr schnell. Bei JRAINBOW (5V) passt der Stecker aber (ohne Gewalt) nur in einer Orientierung.
Ob es am Board liegt teste ich nochmal eingehend. Da ich dann eh den PC zerlegen muss, würde ich mich zwecks rma für das ganze case melden.
Wenn der Fehler behoben ist, sage ich aber auch bescheid.
Danke dir schon mal.

Liebe Grüße
 
captaincapri schrieb:
Verpolung geht m.E. bei JRGB (12V), also 4-pin tatsächlich sehr schnell. Bei JRAINBOW (5V) passt der Stecker aber nur in einer Orientierung.

Das kommt auf den Stecker an. Wenn da ein Pin-Loch geschlossen ist, dann sollte es nur in einer Richtung passen, aber das ist ja nicht immer der Fall und für mich vom Foto her nicht ersichtlich. Auch der 3-Pin-Header ist ja 4 Pins breit und häufig werden auch einfach reguläre 4-Pin-Stecker verwendet.

Sag Bescheid!

Liebe Grüße
Mike
 
  • Gefällt mir
Reaktionen: captaincapri
Hallo @Caseking-Mike,

Ich habe mir ein neues Board (nzxt b550 n7) gekauft, in nzxt cam stundenlang rumprobiert, ein casemod Pro kit an mein seasonic gx 850 geklemmt, die Verkabelung gecheckt und leider ist immer noch kein Leben im LED-Strip.
Ich bin jetzt grundsätzlich so happy mit dem build, dass ich das Case so behalten würde. Wäre es für euch machbar mir einen kleinen storecredit wegen dem Problem einzuräumen. Damit wäre die Sache für mich gegessen.

20220326_113000.jpg

Liebe Grüße und Danke für deine Bemühungen!
 
@Caseking-Mike
Klar, das wäre auch in Ordnung. Könntest ihr dann auch die kleine Anschlussplatine und die beiden Kabel mitschicken? Dann hätten wir m.E. alles ausgeschlossen.
 
Hallo captaincapri,

die Bearbeitung der Anfrage verzögert sich leider noch etwas, aber ich werde dir im Laufe der Woche bezüglich der Vorgehensweise Bescheid geben können.

Liebe Grüße
Mike
 
  • Gefällt mir
Reaktionen: captaincapri
Hallo captaincapri,

es ist uns lieber, das Problem selbst zu lösen, weshalb wir noch einmal so eine LED-Leiste sowie die Anschlussplatine und Kabel anfordern werden. Die Teile werden wieder ungefähr so lange unterwegs sein wie bei der letzten Reklamation. Ich bitte also noch um etwas Geduld. Sag mir bitte Bescheid, wenn die Teile bei dir angekommen sind, ob das Problem damit behoben werden konnte.

Liebe Grüße
Mike
 
@Caseking-Mike
Danke für eure und speziell deine Hilfe!
Es war das Board. Nach Austausch läuft jetzt alles wie es soll :schluck:

20220429_113227.jpg
 
  • Gefällt mir
Reaktionen: Caseking-Mike
Alles klar, sieht gut aus. Dann müsstest du jetzt für alle Fälle noch eine Ersatzleiste übrig haben. :)

Liebe Grüße
Mike
 
  • Gefällt mir
Reaktionen: captaincapri
Hallo liebes Caseking-Team,

ich habe leider genau das selbe Problem mit meinem O11D Evo. Hab das Gehäuse vor etwa einem Jahr bei euch bestellt.
Bisher hat auch alles bestens funktioniert.
Dann vor zwei Tagen hatte ich ganz oben nur noch eine grüne LED die leuchtete und seit heute geht gar nichts mehr.
Ich denke, ich werde wohl auch das Board austauschen müssen.
Ist es möglich das Board über euch zu bestellen?

Viele Grüße

Oliver
 
Hallo Oliver,

bitte schick mir mal deine Kunden- oder Bestellnummer sowie ein, zwei Fotos des Problems per E-Mail an "mike@caseking.de" (Du wirst mir hier im Forum noch keine PMs schreiben können.)

Liebe Grüße
Mike
 
Lian Li Combo AIO
Zurück
Oben