Mainboard und Prozessor

Drewkev schrieb:
DDR5 steckt noch in Kinderschuhen & bringt keinen Mehrwert, vor allem nicht bei dem finanziellen Aufwand.

Dein aktueller Arbeitsspeicher mit 2133MHz ist genau dasselbe, nur mit DDR4 statt DDR5 & stammt aus 2014, also den Anfangszeiten von DDR4.
Interessant.
Hab eben die Crucial 3200 bestellt. 2 Kits je 16gb
 
  • Gefällt mir
Reaktionen: smeck
@kittysabs:
also ein 32GB-dualkit? gut.

bitte darauf achten den in die richtigen slots zu stecken (siehe MB-handbuch; sollte zweiter und vierter vom CPU-sockel aus sein) und dann das XMP laden. hinweis dazu: alles über 2400 ist beim 7700K OC des speichercontrollers, kann also sein dass es mit 3200 nicht läuft.
 
Zuletzt bearbeitet:
Deathangel008 schrieb:
@kittysabs:
bitte darauf achten den in die richtigen slots zu stecken (siehe MB-handbuch; sollte zweiter und vierter vom CPU-sockel aus sein) und dann das XMP laden. hinweis dazu: alles über 2400 ist beim 700K OC des speichercontrollers, kann also sein dass es mit 3200 nicht läuft.

hier ist ein Screenshot aus dem Handbuch
1644479913852.png




aber warum ich bestimmte Plätze nehmen muss und warum verstehe ich nicht so ganz...

Und XMP...kann im Bios keine Profile aktivieren/laden bzw. da steht "XMP not supportet" im Bios und bei den Profilen steht auch "none" bei allen Rams. Heißt das einfach, dass meine aktuellen Rams keine XMP-Funktion haben??
Ergänzung ()

und hier noch ein Screenshot vom MSI Afterburner während Dying Light 2 mit Settings auf Hoch.
Warum das Game bei mir so besch... aussieht, versteh ich auch noch nicht

1644483138379.png
 
Zuletzt bearbeitet:
kittysabs schrieb:
aber warum ich bestimmte Plätze nehmen muss und warum verstehe ich nicht so ganz...
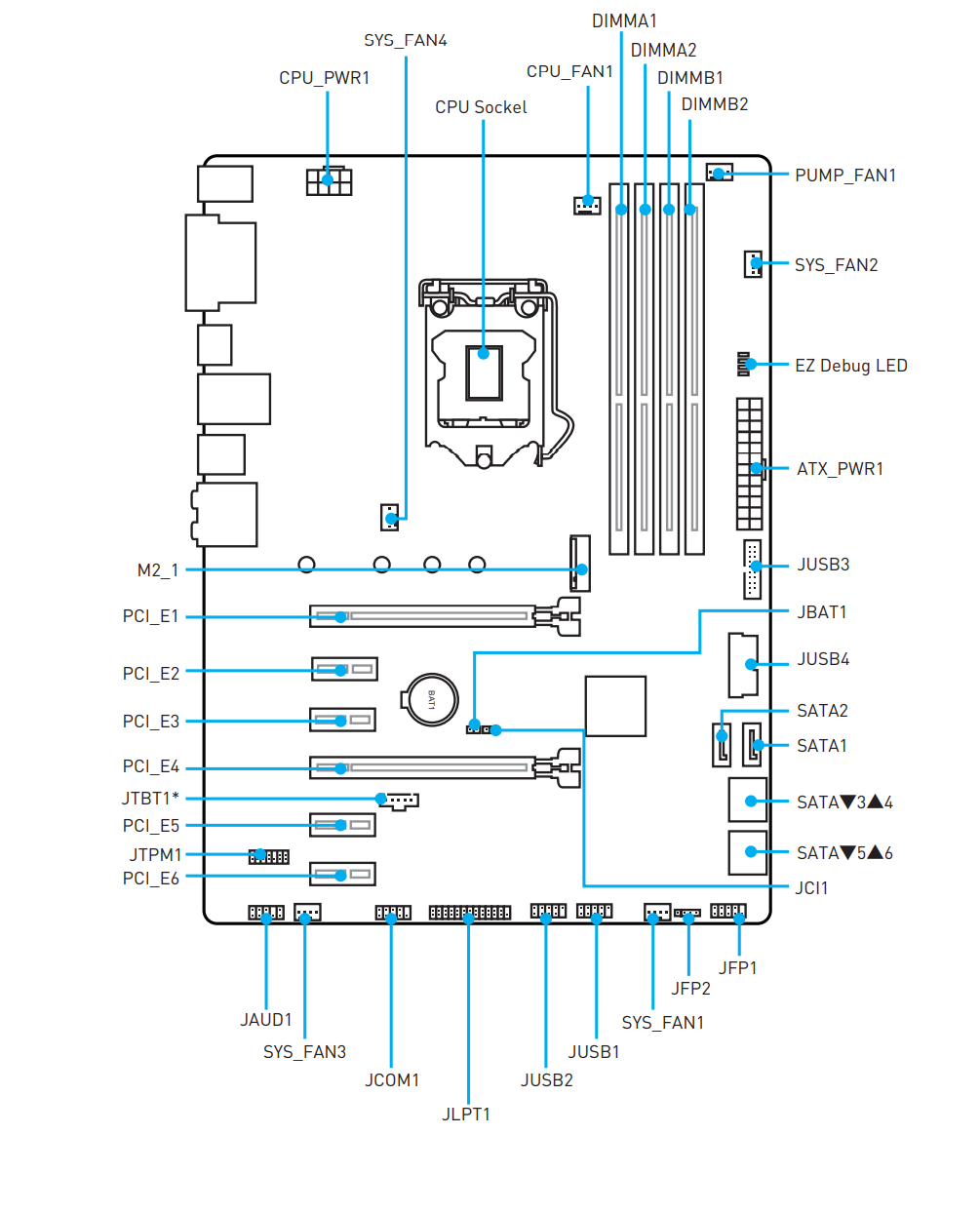
Damit der Arbeitsspeicher im sogenannten "Dual Channel" Betrieb laufen kann, was die Performance erhöht,
müssen die Arbeitsspeicher-Riegel auf zwei verschiedene Speicherkanäle aufgeteilt werden.

Du siehst anhand der Bezeichungen in dem Schaubild die vier Arbeitsspeicher-Steckplätze: A1, A2 und B1, B2.
Speicherkanal A mit zwei Steckplätzen und Speicherkanal B mit zwei Steckplätzen.

Willst du dort zwei Arbeitsspeicher-Riegel einbauen, sollte einer in Kanal A und einer in Kanal B eingesteckt werden.
Üblicherweise nutzt man dazu die beiden Steckplätze A2 und B2.

Es kann sein das das im Mainboard-Handbuch auch so beschrieben ist.
Also wie man einen, zwei oder vier Riegel idealerweise einbauen sollte.

----------------

Die meisten Arbeitsspeichermodule bieten verschiedene Geschwindigkeits-Profile. Diese sind in einem kleinen Speicher (SPD genannt, Serial Presence Detect) auf den Speicherriegeln hinterlegt.
In der Regel bezeichnet man diese Funktion als XMP (Extreme Memory Profiles). Manche Mainboard-Hersteller verwenden auch eigene Bezeichnungen dafür.
Dort ist in der Regel ein Grundprofil hinterlegt. Das wird dann vom BIOS ausgelesen und geladen. So ein Profil besteht aus Taktrate, Betriebsspannung und diversen Timings und Subtimings.
Sind dort mehrere Profile hinterlegt, kannst du diese im BIOS auswählen. Wenn keine hinterlegt sind, dann eben nicht.

Auslesen kannst du diese Profile z.B. mit Thaiphoon Burner http://www.softnology.biz/files/thphn167.zip.
Dazu gehst du auf den Reiter "EEPROM" und dann "Read SPD..."

----------------

Dein Intel Core i7-7700K, eine 4-Kern CPU von Ende 2016, ist zwar auch heute noch OK, aber eine aktuelle CPU wäre dann doch spürbar leistungsstärker.
Was Arbeitsppeicher angeht, so wäre alles was schneller laufen soll als DDR4-2400 für diese CPU eine Übertaktung, die funktionieren kann, aber nicht muss.
 
Zuletzt bearbeitet:
  • Gefällt mir
Reaktionen: smeck
kittysabs schrieb:
aber warum ich bestimmte Plätze nehmen muss und warum verstehe ich nicht so ganz...
du musst es auch nicht verstehen, es reicht wenn du es einfach befolgst.

msi z270-a pro manual ram.png
wie man hier noch deutlicher sehen kann gibt es zwei speicherkanäle. die will man beide nutzen, singlechannel kann richtig hart leistung kosten.

Und XMP...kann im Bios keine Profile aktivieren/laden bzw. da steht "XMP not supportet" im Bios und bei den Profilen steht auch "none" bei allen Rams. Heißt das einfach, dass meine aktuellen Rams keine XMP-Funktion haben??
richtig, dein aktueller RAM hat kein XMP.

Warum das Game bei mir so besch... aussieht, versteh ich auch noch nicht
ich kenne das game nicht, aber sieht schon irgendwie unscharf aus. evtl ne leicht negative skalierung eingestellt? einfach mal etwas mit den grafiksettings rumprobieren?
 
  • Gefällt mir
Reaktionen: smeck und kawanet
KnolleJupp schrieb:
Auslesen kannst du diese Profile z.B. mit Thaiphoon Burner http://www.softnology.biz/files/thphn167.zip.
Dazu gehst du auf den Reiter "EEPROM" und dann "Read SPD..."
So sieht das aus wenn ich einen Riegel auslese:
1644489981108.png



Scheint also keine XMP Funktion zu besitzen oder ?
Ergänzung ()

Deathangel008 schrieb:
du musst es auch nicht verstehen, es reicht wenn du es einfach befolgst.

Haha...ja mache ich :D Der neue Ram kommt wohl morgen.

Jedoch bin ich mir recht sicher, dass auch neuer CPU hermuss...hm
 
@kittysabs:
nein, dein aktueller RAM hat immer noch kein XMP. sonst hätten wir dich schon längst darum gebeten das mal zu laden.

edit: die frage ob dir irgendwo CPU-power fehlt hast du immer noch nicht beantwortet...
 
Zuletzt bearbeitet:
kittysabs schrieb:
Jedoch bin ich mir recht sicher, dass auch neuer CPU hermuss...hm
Nein. Dein Arbeitsspeicher ist aktuell das schwächste Glied in der Kette.

Ob danach der Prozessor zu schwach ist, werden wir sehen.
 
  • Gefällt mir
Reaktionen: smeck
Drewkev schrieb:
Nein. Dein Arbeitsspeicher ist aktuell das schwächste Glied in der Kette.

Ob danach der Prozessor zu schwach ist, werden wir sehen.
okay gut, aber warum nicht einen höheren Frequenzwert? 3900 zB?
 
3900 was? MHz? Das gibt es nicht bei einem Arbeitsspeicher. Wenn dann 3866MHz oder 4000MHz.

Und warum nicht direkt so einen hat einerseits mit den Timings zu tun und andererseits mit der CPU. Bevor der Ballistix nicht mehr mitmacht, scheitert es in der Regel an der CPU. Die bestimmt nämlich auch, wie hoch man takten kann.

Und 4000MHz wirst du bei deiner CPU sehr wahrscheinlich eh nicht zum Laufen kriegen, da dessen Speichercontroller mit gerade mal DDR4-2400MHz spezifiziert ist. Alles darüber ist OC, kann funktionieren, muss aber ned.
 
  • Gefällt mir
Reaktionen: smeck
@kittysabs:
warum ausgerechnet 3900? und an welchen entsprechenden RAM denkst du da?

zum einen P/L, zum anderen steigt mit dem takt auch die chance dass es im XMP nicht mehr ohne weiteres läuft. zur erinnerung: alles über 2400 (CL17) ist beim 7700K OC des speichercontrollers. bei aktuellen CPUs wäre es 3200 (CL22).
 
Bei vier Riegeln statt zwei sind die möglichen Taktraten meist niedriger (weil vier Riegel die CPU mehr "belastet" als zwei), nicht selten wird (bei Ryzen) eine höhere DRAM Voltage benötigt (1.4V) und die Aufrüstbarkeit auf 64GB ist halt auch nicht gegeben.
 
  • Gefällt mir
Reaktionen: smeck
Sapphire Forum
Zurück
Oben