Asus ROG Crosshair X870E Hero AMD X870E So.AM5 Fragen zu M2 SSD und PCIE Steckplatz

Status
Für weitere Antworten geschlossen.

Soonwald

Cadet 1st Year
Registriert
Mai 2016
Beiträge
13
Hallo zusammen,

da der Speicher und die Highend- Grafikkarten immer teurer werden, habe ich mir einen neuen Gaming PC gegönnt und in Einzelteilen bestellt. Verstehe aber dieses Heruntertakten der Grafikkarte, bei gleichzeitiger Benutzung von M2 SSd´s nicht.

Ausgangslage:
Mainboard: Asus ROG Crosshair X870E Hero AMD X870E So.AM5
CPU: AMD Ryzen 9 9950X3D 16x 4.30GHz So.AM5 WOF
Grafik: RTX 5090
Speicherlaufwerk: M.2 PCIe 4.0 x 5 / PCIE 5.0 x2

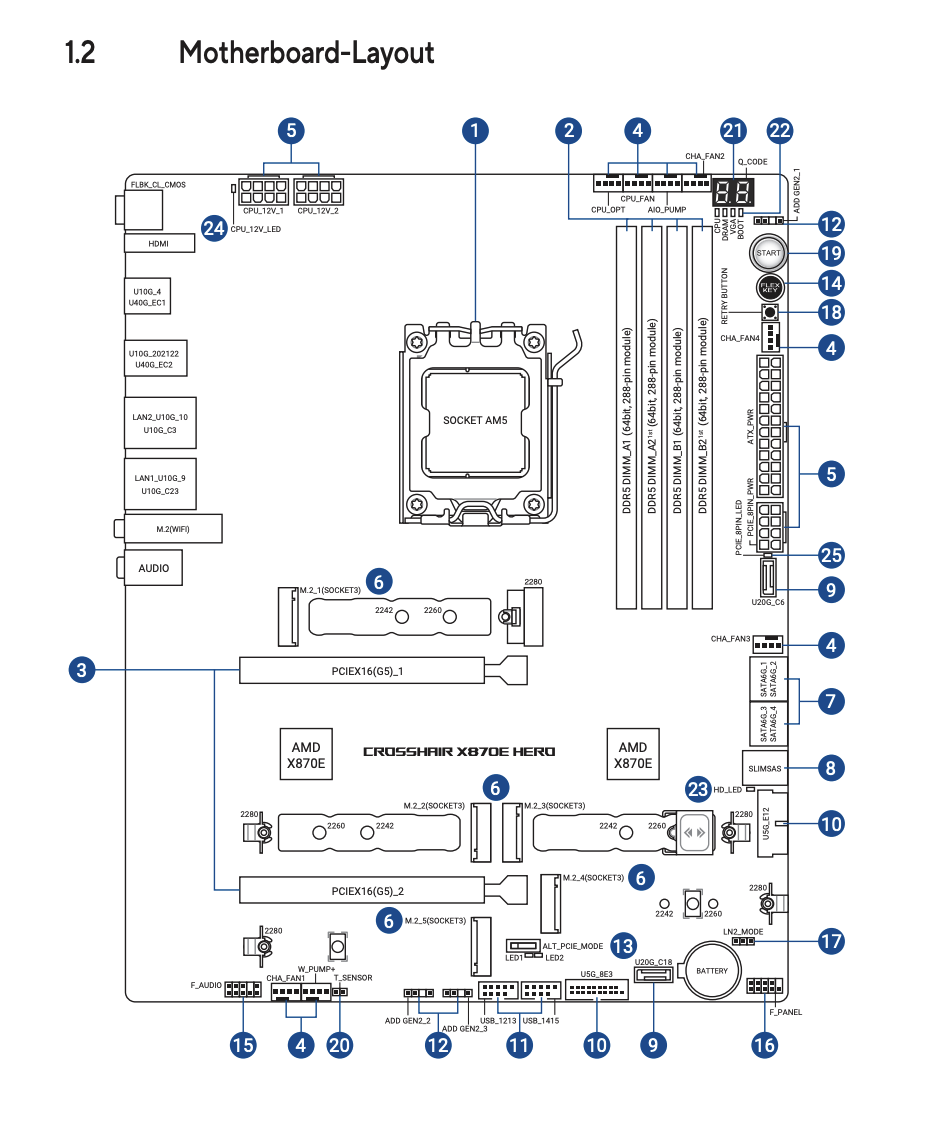
Im Handbuch vom Mainboard ist angegeben: Siehe unten. Bedeute das, dass sobald ich eine M.2 betreibe, meine Grafikkarte im PCIe Steckplatz 1 von 16x auf 8x heruntergefahren wird?

Viele Grüße

Bildschirmfoto 2026-01-07 um 11.34.16.png

Bildschirmfoto 2026-01-07 um 11.33.44.png
 
Soonwald schrieb:
Bedeute das, dass sobald ich eine M.2 betreibe, meine Grafikkarte im PCIe Steckplatz 1 von 16x auf 8x heruntergefahren wird?
Nein.

Einfach M.2_1 nutzen.

Soonwald schrieb:
da der Speicher und die Highend- Grafikkarten immer teurer werden
Soonwald schrieb:
Asus ROG Crosshair X870E Hero
Devise war "(sehr) teuer = (augenscheinlich) "gut" = wird gekauft"? 🫠

Sorry, aber nen Mainboard für über 500 € gekauft haben (was es sicherlich nicht gebraucht hätte) und dann so ne Frage stellen... 🫠
 
  • Gefällt mir
Reaktionen: K3ks und MadDog
Warum nimmst du dann nicht m.2_4 und m.2_5 und ignorierst m.2_2 und m.2_3?
Hat halt damit zu tun, wie viele PCIe-Lanes die CPU bieten kann und wie viel der Chipsatz. m.2_2 und m.2_3 sind wohl auch über die CPU angebunden und die anderen am Chipsatz.
 
  • Gefällt mir
Reaktionen: h00ver und Soonwald
nein, m.2.1 nutzen
habe das gleiche setup
 
  • Gefällt mir
Reaktionen: Soonwald
Holzfällerhemd schrieb:
Warum nimmst du dann nicht m.2_4 und m.2_5 und ignorierst m.2_2 und m.2_3?
Hat halt damit zu tun, wie viele PCIe-Lanes die CPU bieten kann und wie viel der Chipsatz. m.2_2 und m.2_3 sind wohl auch über die CPU angebunden und die anderen am Chipsatz.
Vielen Dank für Deine Hilfe, ich dachte das die anderen Steckplätze eine langsamere Anbindung haben, als die, die direkt über die CPU laufen.
 
bitte nicht so unfreundlich, der Dude hat nur eine Frage gestellt
Dankeeee
 
  • Gefällt mir
Reaktionen: -=:Cpt.Nemo:=- und duskstalker
@midwed & @Neodar Leute trinkt erst mal nen Kaffee oder Tee und seit etwas freundlicher!
 
  • Gefällt mir
Reaktionen: duskstalker
MAYvonBlei schrieb:
Doch, wenn er eine M.2 SSD im M.2_2 oder M.2_3 betreibt, dann ja.
ja daher steht da ja auch EINE in m.2.1
 
MAYvonBlei schrieb:
Doch, wenn er eine M.2 SSD im M.2_2 oder M.2_3 betreibt, dann ja.
Der TE schreibt von einer M.2. Ergo einfach M.2_1 nutzen und keinerlei Einschränkungen haben. Alles andere ist hypothetisch und theoretisch...

Soonwald schrieb:
Speicherlaufwerk: M.2 PCIe 4.0 x 5 / PCIE 5.0 x2
Soonwald schrieb:
sobald ich eine M.2 betreibe

-=:Cpt.Nemo:=- schrieb:
*seid - seidseit.de

Und spar dir einfach diese(n) "Belehrung"(sversuch) ;)
 
Zuletzt bearbeitet:
@midwed Genau, trotzdem ist ein generelles "nein" falsch.
 
Soonwald schrieb:
, ich dachte das die anderen Steckplätze eine langsamere Anbindung haben, als die, die direkt über die CPU laufen.
Viele Mainboards haben im Handbuch ein sogenanntes Blockdiagramm. Dir siehst du, was und wie über die CPU bzw. den Chipsatz angebunden ist. Schau es dir einfach mal an, dann wist du das schon verstehen.
 
  • Gefällt mir
Reaktionen: MAYvonBlei und Soonwald
MAYvonBlei schrieb:
Genau, trotzdem ist ein generelles "nein" falsch.
Wer steckt denn die M.2, wenn es nur eine zu nutzen gibt, nicht in M.2_1? 🤨

Es ist zudem kein "generelles nein". Ergibt sich aus dem Beitrag, Kontext und Bild (Handbuch). Unnötige Beiträge die keinen Benefit bieten...
 
  • Gefällt mir
Reaktionen: sucuk_mit_eii
Ein "Nein" ohne ein "Wenn" ist generell. Unnötige Beiträge sind meisten einsilbige Antworten die auf die Probleme nicht komplett angehen. Wenn der TE sind in 2 Wochen eine 2te M.2 holt, sollte sie nicht in M.2_2 und M.2_3 stecken, wenn er den ersten PCIE-Steckplatz nicht "einschränken" will. Ausführliche Antworten für einen Anfänger haben deutlich mehr Benefit.
 
  • Gefällt mir
Reaktionen: Soonwald
Wenn [...]. Alles Theorie. Die Frage des TE wurde mit einem Post beantwortet. Fertig.

Du hast dem TE mit keinem deiner "Beiträge" geholfen. Also null Benefit von deiner Seite aus. Daher lieber mal den Ball sehr flach halten.

Aber das scheint ja offenbar 'Struktur' zu haben bei dir 🥴
+ Ignore. Nur gestänkert. Braucht kein Mensch.
 
midwed schrieb:
*seid - seidseit.de

Und spar dir einfach diese(n) "Belehrung"(sversuch) ;)
Das war keine Belehrung sondern eine Aufforderung!
Auch wenn du sachlich es gut geklärt hast ist dein Umgangston gerade in dem Thread sehr unfreundlich und herablassend.
 
  • Gefällt mir
Reaktionen: MAYvonBlei
Und was intereressiert mich eine "Aufforderung" von dir? Genau, nichts. :)

Alles subjektiv zu sehen wie der Umgangston ist. Von mir aus kannst du das sehen wie du willst, mir egal.

Ich brauch aber keine "Rückmeldung" von dir zu meinen Beiträgen (in diesem Thread), hab ich nie darum gebeten.

Aber da du ja auf "Aufforderungen" stehst: Lass es sein mich zu irgendwas aufzufordern.

Dem TE wurde bei seiner im Startpost gestellten Frage geholfen - so viele Beiträge danach haben null Benefit gebracht.
 
Status
Für weitere Antworten geschlossen.
Zurück
Oben