Hi,
ich habe einen neuen Raspberry Pi 2.
Dieser hat einen 4-poligen klinkenausgang, der zweimal Audio, einmal Video und einmal Masse mitbringt.
Ich habe NOOBs, OSMC und openElec mit diversen Einstellungen probiert. Bei Noobs kann man sogar den display mode per Tastatur wählen. Wenn ich Composite wähle, ertönt ein tiefes Brummen über dem roten audio Stecker. Es gibt kein Bild. Wenn ich den roten Stecker in den Composite Eingang vom Receiver stecke (also bewust falsch) passiert nichts. An einem anderen Fernseher ist es das gleiche (ohne Receiver). Über HDMI klappt alles, ich brauche aber Composite.
Kann es sein, dass die 4-poligen nicht standartisiert sind, und die Pinbelegung falsch ist, oder was könnte es sein, was mir hier Probleme macht.
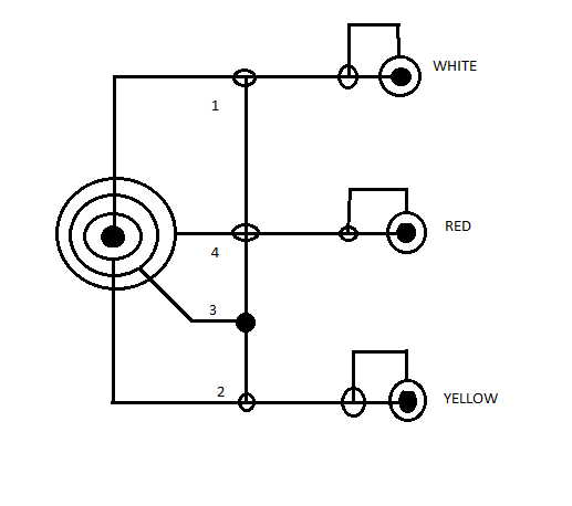
Ich hab hier mal die Pinbelegung vom Raspberry:
http://www.elektronik-kompendium.de/sites/raspberry-pi/1907291.htm
und im Anhang ist die selbstgemalte Pinbelegung meines Kabels, sind die unterschiedlich?

ich habe einen neuen Raspberry Pi 2.
Dieser hat einen 4-poligen klinkenausgang, der zweimal Audio, einmal Video und einmal Masse mitbringt.
Ich habe NOOBs, OSMC und openElec mit diversen Einstellungen probiert. Bei Noobs kann man sogar den display mode per Tastatur wählen. Wenn ich Composite wähle, ertönt ein tiefes Brummen über dem roten audio Stecker. Es gibt kein Bild. Wenn ich den roten Stecker in den Composite Eingang vom Receiver stecke (also bewust falsch) passiert nichts. An einem anderen Fernseher ist es das gleiche (ohne Receiver). Über HDMI klappt alles, ich brauche aber Composite.
Kann es sein, dass die 4-poligen nicht standartisiert sind, und die Pinbelegung falsch ist, oder was könnte es sein, was mir hier Probleme macht.
Ergänzung ()
Ich hab hier mal die Pinbelegung vom Raspberry:
http://www.elektronik-kompendium.de/sites/raspberry-pi/1907291.htm
und im Anhang ist die selbstgemalte Pinbelegung meines Kabels, sind die unterschiedlich?
