Timme5
Cadet 3rd Year
- Registriert
- Juli 2018
- Beiträge
- 52
Einen schönen guten Abend wünsche ich der Runde.
Ich habe, nach meinem kleinen Upgrade von CPU, Mainboard und RAM, nun entdeckt, dass meine GPU anscheinend nur auf PCIe x8 4.0 läuft. Näheres erkläre ich unten in den beschriebenen Punkten und den angehangenen Screenshots.
1. Nenne uns bitte deine aktuelle Hardware:
(Bitte tatsächlich hier auflisten und nicht auf Signatur verweisen, da diese von einigen nicht gesehen wird und Hardware sich ändert)
2. Beschreibe dein Problem. Je genauer und besser du dein Problem beschreibst, desto besser kann dir geholfen werden (zusätzliche Bilder könnten z. B. hilfreich sein):
Meine Grafikkarte läuft anscheinend nur mit dem Bus Interface PCIe x8 4.0 anstatt x16 4.0.
3. Welche Schritte hast du bereits unternommen/versucht, um das Problem zu lösen und was hat es gebracht?
Zustand des Bus Interface in folgenden Szenarien gemäß GPU-Z
Idle: PCIe x8 4.0
Nach 15 Sekunden Rendertest: PCIe x8 4.0
Zustand des Bus Interface in folgenden Szenarien gemäß AIDA64 Extreme
Idle: PCIe x8 4.0
Nach mehreren Minuten GTA 5: PCIe x8 4.0
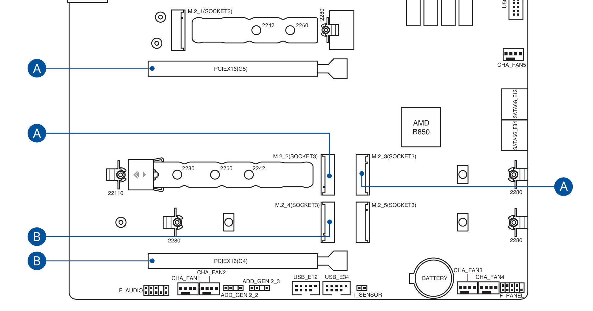
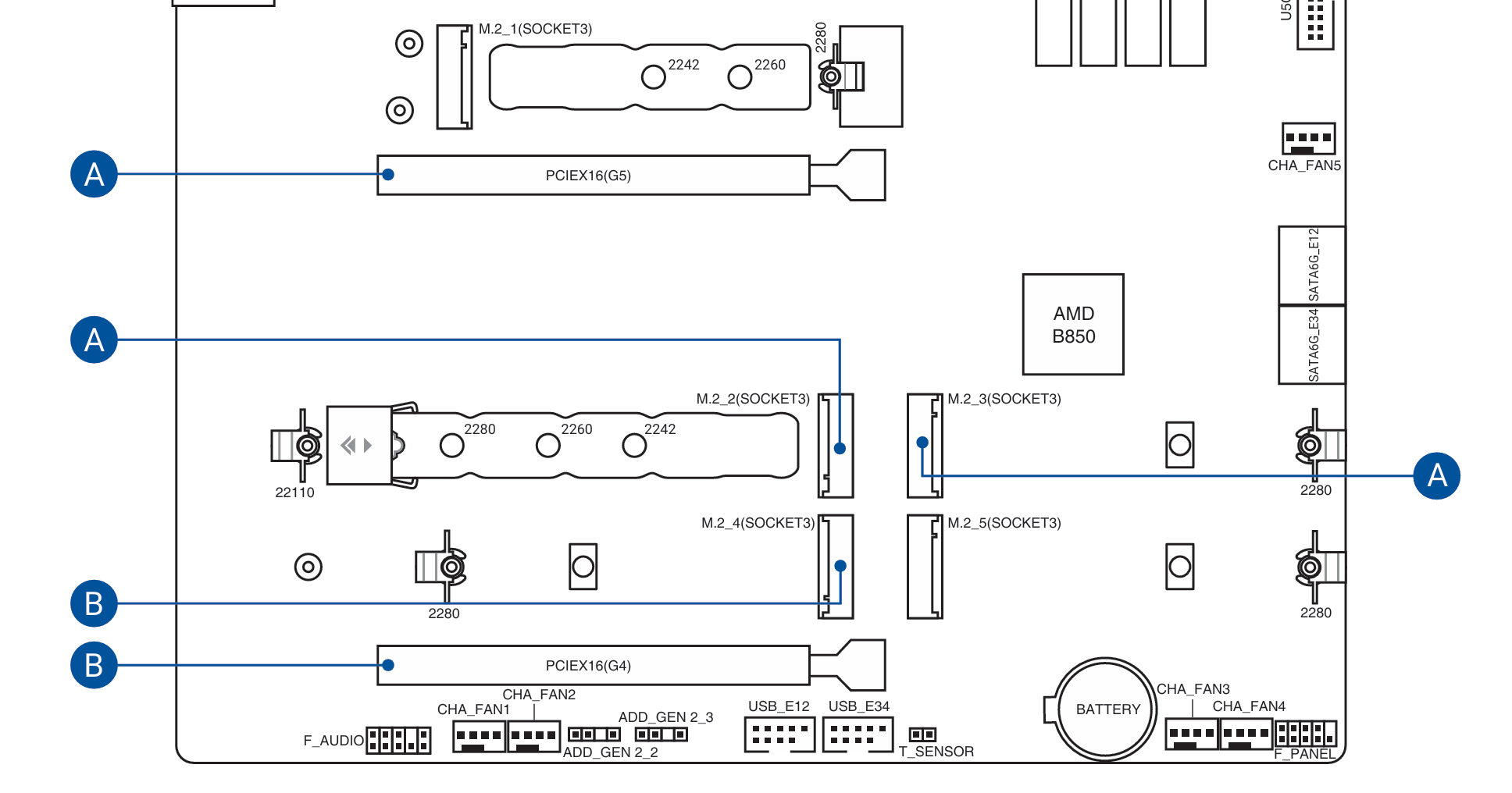
M.2 SSD umgesteckt, da ich die Vermutung hatte, dass hier Lanes belegt werden -> dem ist anscheinend nicht so.
Die M.2 SSDs habe ich vorher und jetzt, nach dem Umstecken und Testen, wieder in der geplanten Dauerposition. Die Dauerposition habe ich im zweiten Bild rot markiert.
Danke schonmal für eure Hilfe!
Ich habe, nach meinem kleinen Upgrade von CPU, Mainboard und RAM, nun entdeckt, dass meine GPU anscheinend nur auf PCIe x8 4.0 läuft. Näheres erkläre ich unten in den beschriebenen Punkten und den angehangenen Screenshots.
1. Nenne uns bitte deine aktuelle Hardware:
(Bitte tatsächlich hier auflisten und nicht auf Signatur verweisen, da diese von einigen nicht gesehen wird und Hardware sich ändert)
- Prozessor (CPU): AMD Ryzen 7 9800X3D
- Arbeitsspeicher (RAM): Corsair Vengeance RGB 2 x 32 GB
- Mainboard: ASUS ROG STRIX B850-E Gaming WIFI
- Netzteil: Gigabyte UD1000GM PG5 (PCIe 5.0) 1000W
- Gehäuse: Lian Li PC-O11 Dynamic
- Grafikkarte: Gigabyte AORUS RTX 3090 Ti WATERFORCE EXTREME
- HDD / SSD: Sabrent 500 GB M.2 NVMe SSD, WD SN850X 2TB M.2 NVMe SSD + 3 SATA SSD + 1 SATA HDD
- Weitere Hardware, die offensichtlich mit dem Problem zu tun hat (Monitormodell, Kühlung usw.): ...
- Wird ein sog. "PCIe Riserkabel" genutzt? Nein, direkt ins Mainboard eingesteckt und natives 12VHPWR Kabel vom Netzteil
2. Beschreibe dein Problem. Je genauer und besser du dein Problem beschreibst, desto besser kann dir geholfen werden (zusätzliche Bilder könnten z. B. hilfreich sein):
Meine Grafikkarte läuft anscheinend nur mit dem Bus Interface PCIe x8 4.0 anstatt x16 4.0.
3. Welche Schritte hast du bereits unternommen/versucht, um das Problem zu lösen und was hat es gebracht?
Zustand des Bus Interface in folgenden Szenarien gemäß GPU-Z
Idle: PCIe x8 4.0
Nach 15 Sekunden Rendertest: PCIe x8 4.0
Zustand des Bus Interface in folgenden Szenarien gemäß AIDA64 Extreme
Idle: PCIe x8 4.0
Nach mehreren Minuten GTA 5: PCIe x8 4.0
M.2 SSD umgesteckt, da ich die Vermutung hatte, dass hier Lanes belegt werden -> dem ist anscheinend nicht so.
Die M.2 SSDs habe ich vorher und jetzt, nach dem Umstecken und Testen, wieder in der geplanten Dauerposition. Die Dauerposition habe ich im zweiten Bild rot markiert.
Danke schonmal für eure Hilfe!


