Du verwendest einen veralteten Browser. Es ist möglich, dass diese oder andere Websites nicht korrekt angezeigt werden.
Du solltest ein Upgrade durchführen oder einen alternativen Browser verwenden.
Du solltest ein Upgrade durchführen oder einen alternativen Browser verwenden.
Intel i7 10700KF bei 100° mit AiO
- Ersteller ugur44
- Erstellt am
Hi Im Fabz
Lt. Junior Grade
- Registriert
- Sep. 2015
- Beiträge
- 490
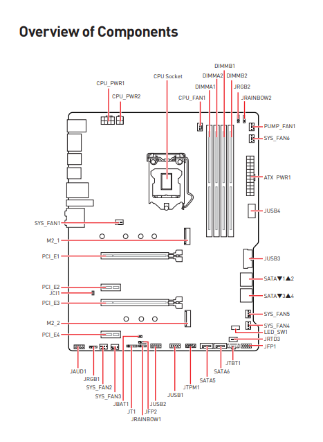
Dein Mainboard hat (ganz oben rechts) einen PUMP_FAN1, konnte jetzt auf die schnelle aber nicht herauslesen wie der standardmäßig konfiguriert ist.
Am besten mal im BIOS auf 12V fixieren, und dann mal die Pumpe anfassen ob die dann überhaupt spürbar läuft, nicht dass die Pumpe defekt ist.
- Registriert
- Feb. 2006
- Beiträge
- 2.329
@Mojo1987
@Hi Im Fabz
Danke schon mal für die Tips, werds zu hause gleich mal testen. Eure Erklärungen machen mich optimistisch weil der Anschluss heisst ja nicht grundlos Pump Fan
@Hi Im Fabz
Danke schon mal für die Tips, werds zu hause gleich mal testen. Eure Erklärungen machen mich optimistisch weil der Anschluss heisst ja nicht grundlos Pump Fan
- Registriert
- Feb. 2006
- Beiträge
- 2.329
OK, also hab jetzt neue Wärmeleitpaste drauf und habe den Stecker an den Pump_Fan gesteckt, Cpu war zumindest im Idle bei unter 30°, aber unter Last wieder bei 100 -.-
Hab nur kurz Cyberpunk angemacht und CPU war direkt überhitzt
Hab nur kurz Cyberpunk angemacht und CPU war direkt überhitzt
- Registriert
- Feb. 2006
- Beiträge
- 2.329
Wenn ich einen hier hätte dann sehr gerne :/Moeller13 schrieb:Kannst du es mal mit einem Luftkühler gegentesten?
moreno111 schrieb:Wieviel Spannung liegt bei deinem 10700er eigentlich an??
Habe nichts geändert im BIOS. CPU-Z zeigte mir bei Vollast 1,25V-1,3V an
- Registriert
- Feb. 2006
- Beiträge
- 2.329
Pumpe ist am CPU Fan und Radiotor ist nach wie vor kühlMoeller13 schrieb:Was hast du denn für eine Pumpengeschwindigkeit eingestellt?
Wird der Radiator mittlerweile warm, seitdem die Anschlüsse unten sind?
Senvo
Admiral
- Registriert
- Aug. 2014
- Beiträge
- 7.951
Hast du ein Stetoskop? Wenn nein, kannst du ein Schraubenzieher nehmen, die Spitze auf die Pumpe, und den Griff an dein Ohr. So solltest du hören ob die Pumpe läuft (dazu aber den kleinen Lüfter auf der Einheit abschalten).
Kannst du den Radiator Probehalber mal auf das Gehäuse legen, so das dieser höher ist als die Pumpe? Muss ja nicht fest sein - nur um ein Fehler durch die Ausrichtung zu erkennen.
Kannst du den Radiator Probehalber mal auf das Gehäuse legen, so das dieser höher ist als die Pumpe? Muss ja nicht fest sein - nur um ein Fehler durch die Ausrichtung zu erkennen.
- Registriert
- Feb. 2006
- Beiträge
- 2.329
Habe das Problem gelöst...im Endeffekt lag es daran bzw war der Fehler der, genau nach Anleitung zu montieren....Laut Anleitung sollte man angeblich die Distanzscheiben auf der Vorderseite des Mainboards verwenden, was aber dazu geführt hat, dass Die Cpu und der Kühler keinen Kontakt hatten....
Nun ist die CPU im Idle bei 25° und unter Last bei Maximal 50°.
Trotzdem danke an alle die geholfen haben
Nun ist die CPU im Idle bei 25° und unter Last bei Maximal 50°.
Trotzdem danke an alle die geholfen haben
Ähnliche Themen
- Antworten
- 10
- Aufrufe
- 806
- Antworten
- 6
- Aufrufe
- 1.534
- Antworten
- 4
- Aufrufe
- 1.154
- Antworten
- 22
- Aufrufe
- 1.819
- Antworten
- 17
- Aufrufe
- 3.161