Guten Tag,
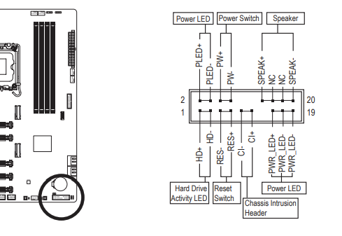
Ich hatte mein altes mainboard z690 a wifi von msi ausgetauscht, mit dem Gigabyte b760 da mein altes kaputt war. Nun beim zusammen bauen war ich am Ende angelangt ( mein Freund baute alles ein), schließlich sind wir an ein JUSB 3 Stecker angelangt und haben auf dem neuen Mainboard nicht den JUSB3 vorgefunden. Am alten mainboard befindet sich ein solcher slot, der pc ging dann natürlich nicht an was damit zusammen hängen muss. Ich bitte um Hilfe
Ich hatte mein altes mainboard z690 a wifi von msi ausgetauscht, mit dem Gigabyte b760 da mein altes kaputt war. Nun beim zusammen bauen war ich am Ende angelangt ( mein Freund baute alles ein), schließlich sind wir an ein JUSB 3 Stecker angelangt und haben auf dem neuen Mainboard nicht den JUSB3 vorgefunden. Am alten mainboard befindet sich ein solcher slot, der pc ging dann natürlich nicht an was damit zusammen hängen muss. Ich bitte um Hilfe