Du verwendest einen veralteten Browser. Es ist möglich, dass diese oder andere Websites nicht korrekt angezeigt werden.
Du solltest ein Upgrade durchführen oder einen alternativen Browser verwenden.
Du solltest ein Upgrade durchführen oder einen alternativen Browser verwenden.
Neuer PC startet nach Zusammenbau nicht
- Ersteller Jan526262
- Erstellt am
JpG
Commodore
- Registriert
- Aug. 2004
- Beiträge
- 4.153
Jan526262 schrieb:Das BIOS Update habe ich schon gemacht
Ich wiederhole mich echt ungern, aber wie hast du ein BIOS-Update gemacht, wenn die Kiste nicht läuft?!?
@Amasov bedeutet noch lange nicht, dass auch das richtige Kabel am richtigen Ort eingesteckt ist.
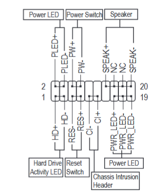
Tausch mal die Stecker vom Reset Switch mit denen vom Power Switch. Danach beide (Reset als auch Power) betätigen.
Das wäre nicht der erste PC, wo beide vertauscht waren bzw. wo einer von beiden nicht funktioniert.
Sind das gebrauchte Komponenten?
Das wäre nicht der erste PC, wo beide vertauscht waren bzw. wo einer von beiden nicht funktioniert.
Sind das gebrauchte Komponenten?
Ok, ich hätte es als Frage formulieren sollen, nicht als Bestätigung.JpG schrieb:@Amasov bedeutet noch lange nicht, dass auch das richtige Kabel am richtigen Ort eingesteckt ist.![]()
Kann ma jemand das beamen erfinden, dann würd ich mir das mal kurz anschaun. Übers Forum fragen wir nächstes Jahr noch ..... übrigens, ist das nicht verkehrt ? Jan sagt was, wir fragen .. läuft das nicht andersrum ?
Zuletzt bearbeitet:
Ich baue es nur in ein neues GehäuseJpG schrieb:Ich wiederhole mich echt ungern, aber wie hast du ein BIOS-Update gemacht, wenn die Kiste nicht läuft?!?
@Amasov bedeutet noch lange nicht, dass auch das richtige Kabel am richtigen Ort eingesteckt ist.![]()
Restart001
Commodore
- Registriert
- Sep. 2021
- Beiträge
- 4.753
Da wird sich auch nix tun, die BIOS Version wird nicht passen.Jan526262 schrieb:Es tut sich rein nicht.
Cassius1985
Captain
- Registriert
- Sep. 2004
- Beiträge
- 3.679
Knergy schrieb:Unwahrscheinlich/Unmöglich. Auf der Rückseite sieht man den 6+2, der zweite 6+2 kann nicht weit davon entfernt sein. Zudem sind laut Produktbildern bei Corsair beide 6+2 ungesleevt, während im 8-CPU-Anschluss ein gesleevtes Kabel steckt.
Vermutlich kommt man bei dem technischen Unverständnis aber mit Ferndiagnosen nicht weit, z.Bsp. hat des 6+2 ohne Grafikkarte im PC garnichts verloren. Es ist immerhin ein modulares Netzteil!
Stimmt, trotzdem schaut das Kabel komisch aus.
SCHARFE Bilder und mal ein wenig sauber geschriebener Text, WAS denn alles schon gemacht wurde, würden unwahrscheinlich viel helfen.
fixedwater
Vice Admiral
- Registriert
- Feb. 2018
- Beiträge
- 6.178
Ah, in diesem Satz verbirgt sich eine total spannende Information, die vielleicht auch mal schon im Eingangspost hätte stehen sollen: Das System ist vorher schon mal gelaufen und kam nur in ein neues Gehäuse? Wurde dann auch genau überprüft, dass die Positionen der Abstandshalter übereinstimmen? Welches Gehäuse? Bisschen mehr als "eins von Enermax" darf da schon mal als Info kommen.Jan526262 schrieb:Ich baue es nur in ein neues Gehäuse
So
Mein Problem ist das der nich funktioniert. Ich habe meine Komponenten nur in ein neues Gehäuse gebaut. Ich hatte mal das Mainboard zu gigabyte geschickt die haben dann für mich das BIOS update gemacht. Ich bin noch ein Anfänger Ich entschuldige mich wenn ich mich noch nicht so mit PCs auskenne .Naja Das Mainboard bekommt ja strom das ist ja schon was .Beim Rest müßtet ihr mir helfen.
Mein Problem ist das der nich funktioniert. Ich habe meine Komponenten nur in ein neues Gehäuse gebaut. Ich hatte mal das Mainboard zu gigabyte geschickt die haben dann für mich das BIOS update gemacht. Ich bin noch ein Anfänger Ich entschuldige mich wenn ich mich noch nicht so mit PCs auskenne .Naja Das Mainboard bekommt ja strom das ist ja schon was .Beim Rest müßtet ihr mir helfen.
Ergänzung ()
Enermax Starryfort sf30fixedwater schrieb:Ah, in diesem Satz verbirgt sich eine total spannende Information, die vielleicht auch mal schon im Eingangspost hätte stehen sollen: Das System ist vorher schon mal gelaufen und kam nur in ein neues Gehäuse? Wurde dann auch genau überprüft, dass die Positionen der Abstandshalter übereinstimmen? Welches Gehäuse? Bisschen mehr als "eins von Enermax" darf da schon mal als Info kommen.
Restart001
Commodore
- Registriert
- Sep. 2021
- Beiträge
- 4.753
Das ist das einzige was dir helfen könnte wenn die BIOS Version passt.Noninterlaced schrieb:CMOS Reset laut Mainboard Handbuch gemacht?
Wurden beim Tausch des Gehäuses noch weitere Komponenten getauscht? Wurde etwas im alten Gehäuse vergessen, z.Bsp. eine Festplatte?
Wenn des System sauber heruntergefahren wurde und danach getauscht worden ist, braucht es weder einen Reset vom Mainboard noch sonstwas. Irgendwas anderes ist hier schief gelaufen. Seien es nun vergessene Bauteile, falsch angesteckte Stecker oder falsche Abstandshalter....
Wenn des System sauber heruntergefahren wurde und danach getauscht worden ist, braucht es weder einen Reset vom Mainboard noch sonstwas. Irgendwas anderes ist hier schief gelaufen. Seien es nun vergessene Bauteile, falsch angesteckte Stecker oder falsche Abstandshalter....
Ich habe alles abgesteckt und ins neue Gehäuse montiert. Als ich gemerkt hab das es nich funktioniert habe ich das Netzteil mit einer büro klammer über Brücke da gingen auch das rgb an .Also kann es vielleicht sein das das Mainboard zu wenig Strom verteilt. Weil der rgb Streifen leuchtet ja und der brauch ja nicht viel strom
fixedwater
Vice Admiral
- Registriert
- Feb. 2018
- Beiträge
- 6.178
Wie bereits geschrieben: Stecker falsch oder Abstandshalter. Sitzen auch wirklich nur da Abstandshalter, wo auch Schrauben hingehören?
Ash1983
Lieutenant
- Registriert
- Apr. 2012
- Beiträge
- 531
Das wird daran liegen, dass die Netzteilsicherung nicht ausgeschaltet wurde, was ich persönlich beim Zusammenbau erstmal tun würde. Lässt sich auch an Steckdosen beobachten ein solches Geblitze, nicht weiter schlimm.Jan526262 schrieb:Wenn denn 24 polligen Stecker ins Mainboard stecke kommt so ein Art blitz
Du solltest dich aber ein wenig sortieren und auf Rückfragen so ausführlich wie möglich beantworten, ziehe keine eigenen Schlüsse, schildere nur Beobachtungen, die Schlüsse zieht dann jemand von hier. Und versetze dich vorher mal in die Lage der potentiellen Helfer: Man kennt die Situation vor Ort nicht und benötigt Informationen, also schilderst du dein Vorgehen so präzise wie möglich, die Info, dass das System zuvor in einem anderen Gehäuse lief, gehört zum Beispiel in den allerersten Post, dann hätten sich die ganzen Fragen bzgl. Inkompatibilität wegen vermuteter veralteter BIOS-Version gar nicht erst ergeben.
JpG
Commodore
- Registriert
- Aug. 2004
- Beiträge
- 4.153
Ich auch. Zu trollverdächtig hier.Amasov schrieb:Ich bin raus ...
"Neuer PC startet nicht"
"Ist nur ein neues Gehäuse, alles andere ist alt"
fixedwater
Vice Admiral
- Registriert
- Feb. 2018
- Beiträge
- 6.178
Und die Abstandshalter? Offensichtlich machst Du lieber neue Fragen auf, statt erstmal die offen stehenden zu bearbeiten... so wird das nix. Aber naja, whatever.Jan526262 schrieb:kommt so ein Art blitz
Restart001
Commodore
- Registriert
- Sep. 2021
- Beiträge
- 4.753
Hast denn ein anderes Arbeitsspeichermodul da das du testen könntest? 4GB würden auch funzen.
Ähnliche Themen
- Antworten
- 31
- Aufrufe
- 1.446
- Antworten
- 50
- Aufrufe
- 3.704
- Antworten
- 10
- Aufrufe
- 1.083
- Antworten
- 15
- Aufrufe
- 1.322