Schickes AM5-Board für den Heimserver

foofoobar

Rear Admiral
Registriert
Dez. 2011
Beiträge
5.724
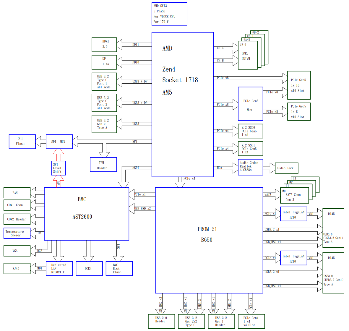
Das ist das erste "Server"-Board mit AM5 bei dem mir die Topologie gefällt:

Topologie-H13SAE-MF.png


https://www.supermicro.com/en/products/motherboard/h13sae-mf

Leider habe ich im Manual nichts zu Bifurcation gefunden, aber der Rest gefällt.
 
  • Gefällt mir
Reaktionen: andy_m4 und mindwarper
Die Topologie, vergleiche die mal mit den anderen "Server"-Boards am Markt.
Und bei dem Brett gibt es sogar Audio/RS232 und der x4 Slot ist auch nach unten offen so das man längere Karten einstecken kann. Und auch die beiden x8 Slots sind mechanisch als x16 ausgeführt.
Und der µATX Formfaktor.
 
Ich weiß nicht wie das bei AM5 ist aber bei AM4 ist der Idle Stromverbrauch recht hoch, da die kaum über C2 hinaus kommen, jedenfalls war das, das was ich beobachten konnte.
Ich bin daher zu Intel gegangen, weil dort der Idle-Verbrauch bei 9W liegt (inkl. 3 SSDs + m2.SSD) - bei meinem 2700X liegt der bei über 30W
 
Intel lässt sich auf jeden Fall ECC vergolden, und wahrscheinlich fehlen noch andere Features wenn man nicht die extra teuren CPUs kauft.

Aber vielleicht kann trotzdem jemand über den aktuellen Idle-Verbrauch unter Linux/AM5 berichten.
10 Watt mehr oder weniger sind ja aktuell 2€/Monat:

$ python3 -c "print (0.01 * 24 * 365 / 12 * 0.28)"
2.044
$
 
Schön das es für AM5 jetzt auch was brauchbares gibt und nicht nur irgendwelche lächerlichen Spielzeugboards.

Das mit dem Verbrauch solltest du aber auf jeden Fall in Erfahrung bringen. Die Boards machen viel aus beim Betrieb.
 
Ich plane aktuell mit Zen5 neue HW, ich beobachte aber trotzdem schon den Markt und wollte meinen Fund hier mitteilen, gibt sicherlich noch andere die derartiges suchen und bisher frustriert waren.
 
Ist ein nettes MB, aber definitiv kein Server-MB.

Jeder, der Supermicro kennt, weiß, dass die schwarzen Bretter eher sowas wie Consumer/Prosumer-Bretter darstellen, hierzulande sehr exotisch für diesen Zweck.
Serverboards sind von Supermicro eigentlich immer grün.

Bei AMD und Supermicro geht's erst bei den Epyc-Brettern so richtig los mit Serverauslegung.

Dieses Brett hier passt also in keine richtige Sparte. Es ist ein Hybrid aus verschiedenen Welten. Das haben wir AMD zu verdanken, die es im Gegensatz zu Intel ja ermöglichen auch auf Consumerbrettern ECC zu verwenden (ob dort ECC so funktioniert wie erwartet ist ohnehin eine andere Geschichte).
 
proserpinus schrieb:
Ist ein nettes MB, aber definitiv kein Server-MB.

Jeder, der Supermicro kennt, weiß, dass die schwarzen Bretter eher sowas wie Consumer/Prosumer-Bretter darstellen, hierzulande sehr exotisch für diesen Zweck.
Serverboards sind von Supermicro eigentlich immer grün.
Deswegen habe ich Server in Anführungszeichen gesetzt, und in der Überschrift Heimserver geschrieben.
Es fehlt aber eigentlich nichts was einen Server ausmacht, bis auf schneller höher weiter.
proserpinus schrieb:
Bei AMD und Supermicro geht's erst bei den Epyc-Brettern so richtig los mit Serverauslegung.

Dieses Brett hier passt also in keine richtige Sparte. Es ist ein Hybrid aus verschiedenen Welten. Das haben wir AMD zu verdanken, die es im Gegensatz zu Intel ja ermöglichen auch auf Consumerbrettern ECC zu verwenden (ob dort ECC so funktioniert wie erwartet ist ohnehin eine andere Geschichte).
Hier steht explizit ECC-Support: https://www.amd.com/en/product/12751
ECC Support: Yes (Requires mobo support)
 
foofoobar schrieb:
Ja das steht sehr oft da, seit es AMD Ryzen gibt. Is nix neues.
Ändert nix an meiner Skepsis, dass das immer so funktioniert wie gedacht, vor allem auf Consumerbrettern.

Auf so einem Brett wie hier hat man aber gute Chancen.

Es ist dennoch kein Serverbrett. Man kann sich das schon einreden, ändert aber nix an den Tatsachen.
Eine bellende Katze bleibt immer noch eine Katze, auch wenn sie den einen oder anderen Hund damit täuschen kann ;)
 
Welches Feature fehlt dir?
 
Wegen dem Support für Bifurcation habe ich beim Support angefragt, der ist mit einem neuen Firmware-Release geplant:
We will have this feature in new bios, target to release in February.

BTW: Gibt es eigentliche PCIe-Karten auf M.2 mit PCIe-Switch drauf?
 
proserpinus schrieb:
Ändert nix an meiner Skepsis, dass das immer so funktioniert wie gedacht, vor allem auf Consumerbrettern.
Bei einem "B650 Extreme Gaming Military Ultra" wäre die Skepsis sicher angebracht. Wenn Supermicro ECC-Support angibt kann man meiner Meinung nach schon davon ausgehen, dass er auch funktioniert.

proserpinus schrieb:
Es ist dennoch kein Serverbrett. Man kann sich das schon einreden, ändert aber nix an den Tatsachen.
Mit einem BMC und Intel-Server-NICs ist das hier kein Consumer-Board (egal welche Farbe die PCB hat). Sicher ist es auch kein richtiges Enterprise-Board wo man sein Mission-Critical ERP für 3000 User drauf hat. Prosumer trifft es da schon eher und ein Server-Board ist es auch, wenn auch nicht für jede Art von Server.

ASRock Rack hat mit dem B650DU4 (und diversen anderen) ja was ähnliches im Angebot und beim normalerweise gut informierten Level1Techs wird spekuliert, dass die eigentliche Zielgruppe für diese Boards Hyperscale ist. Viele günstige kleinere AM5-Knoten von denen auch mal einzelne Ausfallen können statt weniger großer und teurer EPYC-Knoten halte ich zumindest für einen plausiblen Anwendungsfall.

Es fällt mir jedenfalls schwer anzunehmen, dass die private HomeLab- und Heimserver-Szene groß genug ist damit sich die Entwicklung solcher Boards lohnt.
 
  • Gefällt mir
Reaktionen: proserpinus
TheCadillacMan schrieb:
ASRock Rack hat mit dem B650DU4 (und diversen anderen) ja was ähnliches im Angebot und beim normalerweise gut informierten Level1Techs wird spekuliert, dass die eigentliche Zielgruppe für diese Boards Hyperscale ist. Viele günstige kleinere AM5-Knoten von denen auch mal einzelne Ausfallen können statt weniger großer und teurer EPYC-Knoten halte ich zumindest für einen plausiblen Anwendungsfall.
Die Topologie von dem Asrock-Ding ist nicht besonders toll, und auch die Topologie von dem Tomcat CX S8016 (S8016AGM2NR) ( https://www.tyan.com/Motherboards_S8016_S8016AGM2NR ) ist auch alles andere als prickelnd.
TheCadillacMan schrieb:
Es fällt mir jedenfalls schwer anzunehmen, dass die private HomeLab- und Heimserver-Szene groß genug ist damit sich die Entwicklung solcher Boards lohnt.
Andere Firmen sind da auch aktiv:
https://www.heise.de/news/Server-Mainboards-fuer-Ryzen-7000-9069214.html
 
foofoobar schrieb:
Aber vielleicht kann trotzdem jemand über den aktuellen Idle-Verbrauch unter Linux/AM5 berichten.
10 Watt mehr oder weniger sind ja aktuell 2€/Monat:
Die bisher erschienenen Raphael CPUs scheinen da nicht besser oder schlechter zu sein als die AM4 Vermeers. Der Game Changer im Idle-Verbrauch ist hier wohl eine monolithische CPU, so wie es bei den AMD-APUs mit G- oder GE-Suffix der Fall ist - die Chiplet-CPUs ziehen wohl mehr Strom aufgrund ihres Aufbaus. Leider habe ich keinen eigenen Vergleichswert (noch), ich beziehe meine Infos auch nur aus dem Netz und die Aussagen zu Idle-Verbräuchen sind nach wie vor rar gesät.
Ich liebäugel für einen möglichen neuen Home Server aktuell mit den 8000G, mal schauen, was die so mitbringen. Schade, dass es keine monolithischen Ryzens ohne iGPU gibt..
 
Supermicro ist schon extrem dreist:

dreist.jpg
 
Zurück
Oben