Kein Bild und USB Erkennung mehr nach CPU Wechsel auf 5800x3d

Ok, ich nenne dir in paar Minuten das Ergebnis:

Läuft seit 15 Minuten funktioniert aber leider immer noch nicht :/
 
Zuletzt bearbeitet:
Dann müssen wir mortweiter machen, muss jetzt schlafen, viel Glück noch.
 
  • Gefällt mir
Reaktionen: Scarhead117
Hi

Ist natürlich schwer aus der Ferne zu sagen was nicht stimmt, nur du sitzt vor dem Rechner.

Sofern du aber alle Punkte wirklich korrekt abgearbeitet hast, kann es eigentlich nur eine nicht passende BIOS Version sein.
mfg
Ergänzung ()

Edit:
Sehr selten, aber eventuell ist die neue CPU auch einfach defekt DOA (Dead on arrival)
 
Moin, also ich habe Mal in der Kompatibilität Liste nachgeschaut siehe hier:

Demnach sollte 5800x3d ab BIOS Version F30 funktionieren. Ich habe f37 und f37a darauf installiert. Das ist unteranderem mit agesa irgendwas. Kann es sein dass ich dieses agesa gar nicht habe und deshalb vielleicht weder f37 noch f37a nehmen muss sondern eins zwischen f30 - f37? Siehe hier:
https://www.gigabyte.com/de/Motherboard/X570-AORUS-ELITE-rev-10/support#support-dl

https://www.gigabyte.com/de/Motherboard/X570-AORUS-ELITE-rev-10/support#support-dl-bios

Übrigens ich habe das alte Mainboard also das normale aorus Elite x570 keine Ahnung warum in dem Link die rev 1.0 steht und ob meine damit inbegriffen ist. Ich habe nämlich schon gesehen dass andere f37c genutzt haben aber das ist auf der Seite die oben sind gar nicht mit aufgelistet.
 
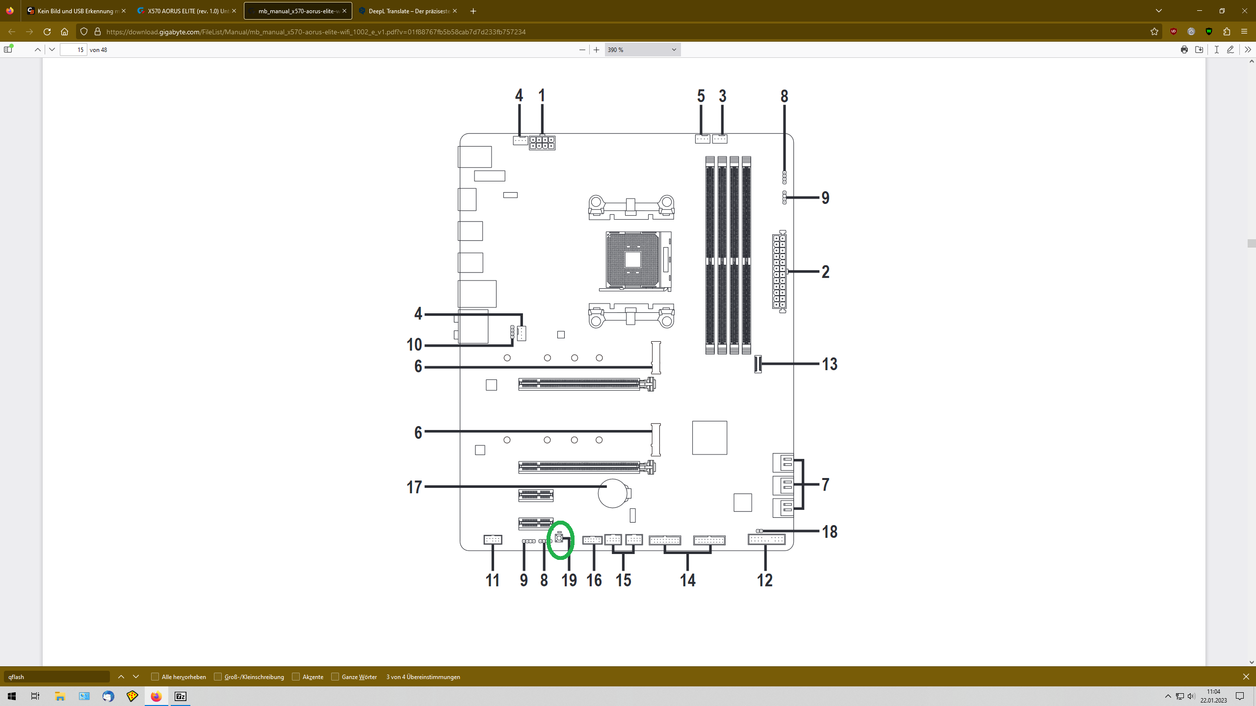
QFLASH_PLUS (Q-Flash Plus-Taste) befindet sich auf dem Mainboard
Mit Q-Flash Plus können Sie das BIOS aktualis ieren, wenn Ihr System ausgeschaltet ist (S5-Shutdown-Status). Speichern Sie das neueste
BIOS auf einem USB-Stick und stecken Sie ihn in den dafür vorgesehenen Port, und schon können Sie das BIOS
automatisch flashen, indem Sie einfach die Q-Flash Plus-Taste drücken. Das QFLED blinkt, wenn der BIOS-Abgleich
und die Flash-Aktivitäten beginnen und hören auf zu blinken, wenn das Haupt-BIOS-Flashing abgeschlossen ist.

1. es darf keine CPU im Sockel sein
2. es gibt einen speziellen USB Port der extra nur für Q-Flash ist (müsste an der Blöende gekennzeichent sein)
3. Den USB Stick mit dem Bios in den Q_Flash USB einstecken
4. Den Q-Flash Button am Mainboard drücken um den Vorgang zu starten (nicht über den Powerstarter starten!!!)
5. Abwarten

Screenshot (162).png
 
  • Gefällt mir
Reaktionen: Scarhead117
Geringverdiener schrieb:
QFLASH_PLUS (Q-Flash Plus-Taste) befindet sich auf dem Mainboard
Mit Q-Flash Plus können Sie das BIOS aktualis ieren, wenn Ihr System ausgeschaltet ist (S5-Shutdown-Status). Speichern Sie das neueste
BIOS auf einem USB-Stick und stecken Sie ihn in den dafür vorgesehenen Port, und schon können Sie das BIOS
automatisch flashen, indem Sie einfach die Q-Flash Plus-Taste drücken. Das QFLED blinkt, wenn der BIOS-Abgleich
und die Flash-Aktivitäten beginnen und hören auf zu blinken, wenn das Haupt-BIOS-Flashing abgeschlossen ist.

1. es darf keine CPU im Sockel sein
2. es gibt einen speziellen USB Port der extra nur für Q-Flash ist (müsste an der Blöende gekennzeichent sein)
3. Den USB Stick mit dem Bios in den Q_Flash USB einstecken
4. Den Q-Flash Button am Mainboard drücken um den Vorgang zu starten (nicht über den Powerstarter starten!!!)
5. Abwarten

Hi Geringverdiener, wie das flashen funktioniert weiß ich bereits. Ich habe ja Version f37 und f37a genauso installiert und im BIOS mit einsetzen meiner alten CPU prüfen können.

Die Frage ist eher meine vorherige Nachricht, wobei jetzt meine BIOS von f37a auf f36 downgrade und gucke ob dann ein Bild angezeigt wird.
 
Scarhead117 schrieb:
f37a auf f36 downgrade
das wid nicht helfen, der X3D wird ja erst korrekt ab F37a erkannt. Wird zwar auch mit älteren BIOS Versionen booten, aber dann auf 3400 oder 3600Mhz festgenagelt sein.

Du bekommst aber wieder ein Bild mit dem 3600X? Falls ja, würde ich dann mal schauen, welches BIOS aktuell tatsächlich installiert ist (im BIOS gucken oder mit CPU-Z).
 
  • Gefällt mir
Reaktionen: Scarhead117
Jaay das stimmt der downgrade auf f36 hat nichts gebracht. Im BIOS stand ich habe Version f37 und f37a ich muss diese dann wieder runterladen installieren und den Prozessor nochmals wechseln anschließend kann ich bei CPU z Nachschauen. Das mache ich aber erst etwas später und dann melde ich mich.

Bin eher dazu geneigt die CPU zurückzusenden weil nichts funktioniert. Dieses hin und her mit dem wechsel der CPU und den kühler sowie das flashen der BIOS Versionen sind sehr mühsam.

CPU Z und BIOS dürften eigentlich auch nichts unterschiedliches anzeigen. Das habe ich nie gehabt.
 
Zuletzt bearbeitet:
Scarhead117 schrieb:
CPU Z und BIOS dürften eigentlich auch nichts unterschiedliches anzeigen. Das habe ich nie gehabt.
hab mich da vielleicht missverständlich ausgedrückt.

Wenn du mit aktuellem BIOS ein Bild mit dem 3600x aber nicht dem X3D bekommst, dann fällt mir auch nichts mehr ein.
Schau dann noch mal ganz genau, ob alle Pins gerade sind beim X3D. Wenn da alles i.O ist, dann ist die vielleicht tatsächlich tot angekommen.
 
  • Gefällt mir
Reaktionen: Scarhead117
Hallo zusammen also ich habe etliche Male die neue CPU eingebaut und versucht meinen Rechner zum laufe zu bringen. Das hat aber nicht geklappt. Die alte CPU läuft jedoch. Sowohl unter f36 f37 f37a. Auch wenn die neue CPU nicht funktioniert hat, hat unter den selben Einstellungen die alte CPU funktioniert.

Einziges was ich noch denke weshalb die neue CPU nicht läuft ist evtl die Einstellung im BIOS.

Siehe Bild. Muss da etwas anders sein?
 

Anhänge

  • IMG20230122173016.jpg
    IMG20230122173016.jpg
    1,5 MB · Aufrufe: 284
  • IMG20230122172955.jpg
    IMG20230122172955.jpg
    1,4 MB · Aufrufe: 287
Zuletzt bearbeitet:
Nö, nicht das ich wüßte, sieht gut aus, bis auf CSM, aber das hat was mit damit zu tun wie Windows installiert wurde, bzw. auch mit der Struktur des Bootlaufwerks, genauer gesagt mit der Partitionierung, falls du auf Win11 updaten möchtest, muss CSM aus sein, aber das ist ein anderes Thema.

Scheinbar ist tatsächlich die CPU defekt, schick sie zurück und warte auf Ersatz.
 
  • Gefällt mir
Reaktionen: Scarhead117
Danke für die Antwort. Win11 ist schon installiert. Ich leite die Zurücksendung der cpu ein. Gekauft habe ich die bei Mindfactory ich hoffe die machen keine Probleme.
 
Mehr als du versucht hast, aknnst du ja nicht machen, neustes BIOS ist drauf, mit der alten CPU läuft es, jetzt ind die am Zug
 
  • Gefällt mir
Reaktionen: Scarhead117
Ich hätte noch eine kurze Frage. Ich hatte 2x g.skill Trident Z Arbeitsspeicher schon vor 2 oder 3 Jahren gekauft und vor 2 Wochen ca 2 neue. Leider laufen 4 Arbeitspeicher sehr instabil, weswegen ich die 2 neuen wieder zurücksenden möchte aber durch die ganzen Umbauten weiss ich nicht mehr welche die 2 neuen waren. Die Zahlen der Verpackung stehen nicht für die Artikel Nummer weswegen ich nicht weiss welche die 2 neuen sind und eigentlich habe ich immer 1mit3 und 2mit4 eingesteckt.. wisst ihr wie ich herausfinden kann welche die neuen sind? Ich schick euch Mal ein Bild der neuen Verpackung und aller Riegel hier zu.
Ergänzung ()

Bzw gehören c und b zusammen oder c und c und b und b und da wo 2022 Dezember steht müssten die neuen sein?
 

Anhänge

  • IMG_20230111_193507.jpg
    IMG_20230111_193507.jpg
    4,1 MB · Aufrufe: 276
  • IMG20230111193433.jpg
    IMG20230111193433.jpg
    1,2 MB · Aufrufe: 266
  • IMG20230111193414.jpg
    IMG20230111193414.jpg
    1,9 MB · Aufrufe: 258
  • IMG20230111193218.jpg
    IMG20230111193218.jpg
    3,9 MB · Aufrufe: 262
  • IMG20230122192330.jpg
    IMG20230122192330.jpg
    2,7 MB · Aufrufe: 276
Zuletzt bearbeitet:
21C gehören zusammen und 10B gehören zusammen
 
  • Gefällt mir
Reaktionen: Scarhead117
Danke für die Antwort. Ich kann also auch sehr stark davon ausgehen, dass die CPUS von DEZ 2022 die neuen sind oder?
 
Die mit Dez 2022 hast Du ganz bestimmt nicht vor 2 Jahren gekauft =D
Ja, das sind die neuen.
 
Soo ich hab's mal wieder hinbekommen, dass der Rechner nicht mehr läuft... Kurze Frage. Wenn ich die CPU einbaue und nur auf den Strom Knopf des Gehäuse auf an stelle dann fangen nach einigen Sekunden meine rams an zu leuchten. Wenn ich die CPU raus nehme und auf den Strom Knopf klicke dann fangen auch die RAMs nicht an zu leuchten. Heißt also am Sockel und an der CPU liegt's nicht oder? Die sind Heil? Habe Mal ein Bild von der CPU ( 3600er) Sockel und den Knopf den ich meine beigefügt. Im sockel der CPU ist ein wenig Wärmeleitpaste wie ihr sehen könnt. Wisst ihr evtl wie ich den Sockel sauber machen muss? Habe gesehen dass es mit Alkohol gehen soll.. könnt ihr mehr dazu sagen??
 

Anhänge

  • IMG20230122234407.jpg
    IMG20230122234407.jpg
    3 MB · Aufrufe: 277
  • IMG20230122234348.jpg
    IMG20230122234348.jpg
    3,7 MB · Aufrufe: 279
  • IMG20230122234550.jpg
    IMG20230122234550.jpg
    978,8 KB · Aufrufe: 281
Zuletzt bearbeitet:
Ich musste leider erfahren dass mein 2. Sockel für den Arbeitsspeicher defekt ist. Ich dachte dass es vielleicht an den verbauten RAM Riegel liegt aber das ist nicht so denn keins der 4 Riegel lässt den pc starten wenn er im 2. Slot ist aber der PC geht an wenn jeder Riegel im 4. Slot ist. Deshalb ging der PC vorhin auch nicht mehr an nachdem ich die Riegel tauschen wollte. Das ist sehr unschön, weil mein Mainboard immer den 2 und 4. Sockel braucht um 3 und 4 anschließen zu können. Gibt es eine Möglichkeit dies umzustellen evtl im BIOS oder wieder heil zu Bekommen?
Ich habe schon versucht den 2. Slot einfach auszulassen aber das funktioniert nicht. Also Slot 1 3 und 4 zu belegen aber dann geht der Rechner nicht an. Ich kann den Rechner also momentan nur mit einen Riegel nutzen.
 
Zuletzt bearbeitet:
Zurück
Oben