Lüfter laufen auf 100% und werden nicht im Bios angezeigt

Mactiniv5

Cadet 1st Year
Registriert
Apr. 2024
Beiträge
11
Hallo liebe Community,

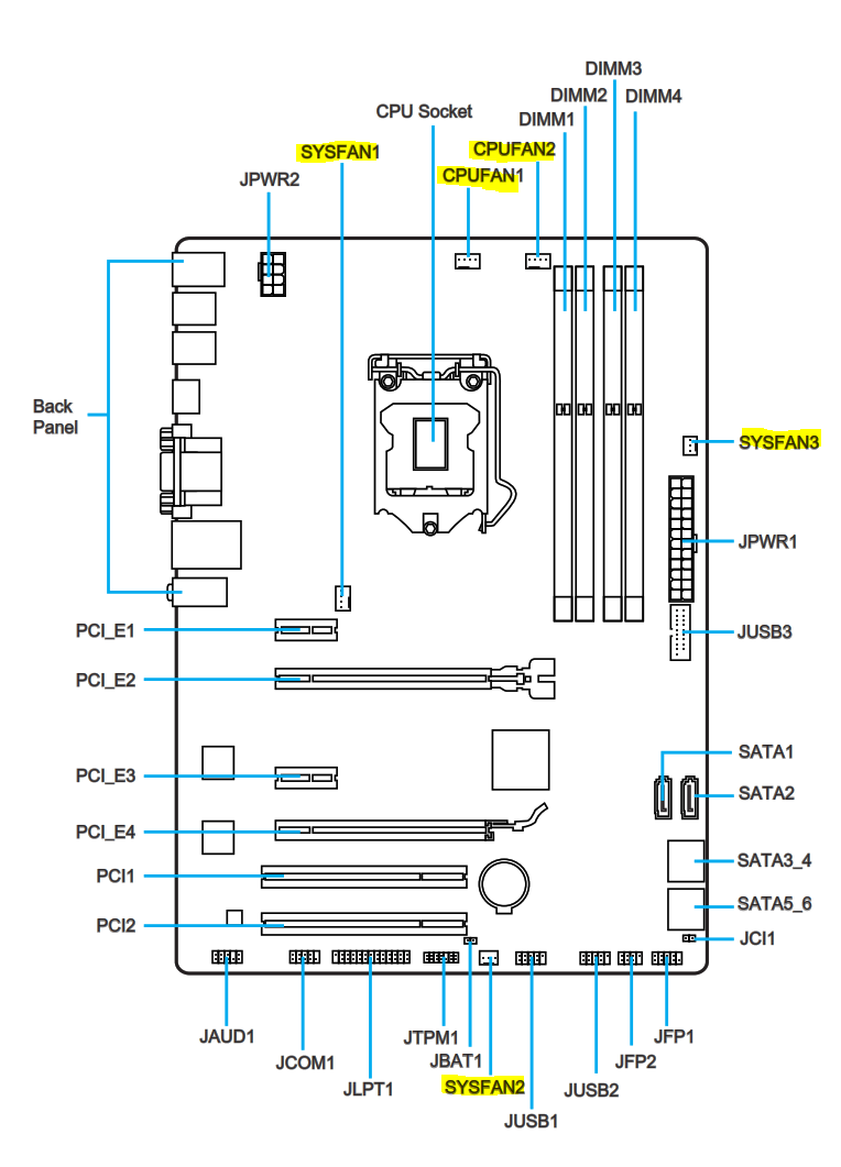
ich habe folgendes Problem: ich habe einen PC zusammengebaut mit dem Mainboard MSI Z97 PC-Mate. Alle Lüfter (Gehäuse und CPU) haben lediglich einen 3-Pin Anschluss. Der CPU-Lüfter ist ganz normal im Steckplatz für den CPU-Lüfter und die Gehäuselüfter sind mit einer Daisy-Chain verbunden und in einem SysFan Anschluss auf dem Mainboard. Leider laufen diese nun immer alle auf 100% und werden nicht geregelt. Im Bios werden keine Geschwindigkeiten erkannt und ich kann den Modus leider nicht von PWM auf DC wechseln. Zum Test habe ich einen PWM 4-Pin Lüfter als CPU-Lüfter angeschlossen. Dieser wird dann ganz normal vom System in der Geschwindigkeit geregelt. Was kann ich tun?
 
Das Tool sagt: Ne lass mal. Also keine RPM´s und werden nicht erkannt. Wenn ich einen 4-Pin Lüfter anschließe wird dieser zwar erkannt (RPM), auch vom System geregelt, lässt sich aber nicht über die Software steuern.
 
Hier !
 

Anhänge

  • WhatsApp Image 2024-04-12 at 11.46.26.jpeg
    WhatsApp Image 2024-04-12 at 11.46.26.jpeg
    402,5 KB · Aufrufe: 239
Ja da schon, in der Software leider nicht und die werden nicht vom System geregelt. Das ist ja eigentlich mein Hauptproblem. Komisch das in meinen Antworten die Zitierung nicht angezeigt wird..
 
Es gibt einige Boards die "sparen" dort.
Hatte ich auch schon.

Anschlüsse:

1712915707165.png



1712915771057.png


RTFM ;)

SYSFAN 2 & 3 haben NO USE anstatt SENSE
Quasi nur ein 12V Anschluss
 
Zuletzt bearbeitet:
Nö, CPU 1 und 2 bei dem Board sind 4 Pin PWM!

Prüfe nochmal, was du da gebastelt hast.

1712915775196.png
 
Wenn man nach sucht, kann das Board scheinbar nur PWM. Also kannst du deine Nicht-PWM-Lüftern damit nicht regeln.
 
RaptorTP schrieb:
Es gibt einige Boards die "sparen" dort.
Bei Asrock habe ich mich einmal per Mail über die bescheidenen Einstellmöglichkeiten beschwert und habe 3 Tage später ein Custom Bios mit mehr Möglichkeiten bekommen.

Notfalls also einfach mal den Support anschreiben.
 
  • Gefällt mir
Reaktionen: CloudConnected
Mactiniv5 schrieb:
Zum Test habe ich einen PWM 4-Pin Lüfter als CPU-Lüfter angeschlossen. Dieser wird dann ganz normal vom System in der Geschwindigkeit geregelt.

Hat er doch extra. Quasi sich erst gemeldet als er gemerkt hat, er kommt nicht weiter.


Questionmark schrieb:
Nö, CPU 1 und 2 bei dem Board sind 4 Pin PWM!

Prüfe nochmal, was du da gebastelt hast.
Lesen hilft ;)
 
Drewkev schrieb:
Keine Geschwindigkeiten ohne PWM ist aber klar.
Natürlich zeigen 3Pin Lüfter auch die Drehzahl an, der Unterschied zu 4Pin ist die Steuerung.
3Pin über Spannung 0-12V und 4Pin über PWM (12V Stöße).
 
eben nicht:

1712916099007.png


Weil "billo-Board"
Hatte sowas schon bei nem Gigabyte Sparboard.

@Questionmark - mach es doch wie @ruthi91 - der hat ne Brille auf. :daumen:
 
Zuletzt bearbeitet:
RaptorTP schrieb:
eben nicht:

Anhang anzeigen 1473809

Weil "billo-Board"
Hatte sowas schon bei nem Gigabyte Sparboard.

@Questionmark - mach es doch wie @ruthi91 - der hat ne Brille auf. :daumen:d
Du bist der Burner Raptor! hab den jetzt mal auf SysFan1 gesteckt: Läuft!! Jetzt bleibt nur noch das Problem mit dem CPUFan der sich dauerhaft für den Start in den Orbit warmläuft. Zu dem Board: wie kann man denn diesen Anschluss MITTEN AUF DAS BOARD HAUEN? Kabelmanagement Ade! Aber echt danke für deine Hilfe, das hat schonmal die hälfte meines Problems gelöst!
 
  • Gefällt mir
Reaktionen: RaptorTP
@Mactiniv5 Wenn zumindest der eine Anschluss regelbar ist, kannst du ja auch so einen Splitter verwenden für die anderen Lüfter : Amazon Link

Ich erinner mich auch grade grob, damals hatte ein Freund ein MSI Z97-G43 und auch dort waren die Lüfteranschlüsse so verbastelt. Keine Ahnung was MSI in der Generation geritten hat.
 
Danke für deine Antwort. Bin am überlegen ob ich einfach einen neuen Kühler mit einem 4-Pin Anschluss bestelle. Hab da leider am falschen Ende gespart ..
 
Lian Li O11 Vision-M
Zurück
Oben