Prisoner.o.Time
Fleet Admiral
- Registriert
- Mai 2010
- Beiträge
- 10.044
Hallo zusammen,
nachdem mein Projekt nun ein erfolgreiches Ende genommen hat, wollte ich an dieser Stelle mal ein paar (viele) Bilder zu dem Projekt teilen.
Kurz zur Vorgeschichte:
Wir wohnen seit kurzer Zeit in einer Kellerwohnung. Wurde "frisch" saniert und durch ein paar Spielereien wie drei Klimasplit Geräte ausgestattet. Praktisch zum Heizen / Kühlen / Entfeuchtet. Allerdings befinden die sich in "allen" Räumen außer in dem Bad. Dort haben wir zwar ein kleines Fenster, jedoch ist das so schlecht zu erreichen und auch relativ klein, weshalb wir da kaum ran kommen und zum Lüften nach dem Duschen reicht der Luftzug auch bei weitem nicht
Aus diesem Grund war ich auf der Suche nach einem Badlüfter welchen ich unkompliziert und mit der Option diesen wieder zu entfernen, montieren kann. Passenden Lüfter hab ich dann über Amazon als China Import gefunden. Der Lüfter alleine war aber leider nur die halbe Miete. Musste da noch etwas dran rum basteln um das ganze "smart" zu machen. Ziel war es diesen in mein Homematic IP System ein zu binden.
Das war der Plan. Nun zu den einzelnen Schritten:
-) Badlüfter gekauft, alte Verkabelung entfernt und an ein paar Ecken den Dremel angesetzt.
-) Bidirektionalen Motor für die Lüfterklappe auf der Rückseite gekauft, in das Gehäuse geklebt und mit dessen mittels kurzer Strippe verbunden.
-) Selbstklebender wärmeisolierender Schaumstoff zur Isolierung der Lüftungsklappen gekauft und an der Rückseite angebracht.
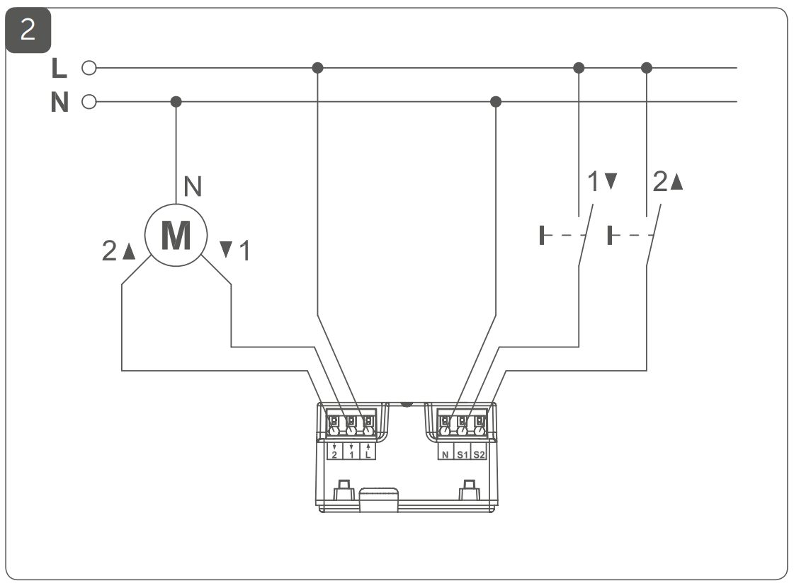
-) Homematic IP Unterbauschaltaktor und Homematic IP Rolladenaktor gekauft und ebenfalls in das Gehäuse geklebt.
-) Gehäuse für Schmelsicherung incl. passender Sicherung gekauft.
-) Stromkabel in passender Länge plus Stecker gekauft
-) Anschließend wurde alles ordentlich mit Litzen, Adernendhülsen und Wago Klemmen verkabelt.
-) Kontakte mit Heißklebepistole versiegelt (Funkensprung bei Feuchtigkeit).
-) Kabel mit Kabelbinder zusammen gepackt.
-) Restliche Kabel plus Klemmen in den kleinen Schacht gepackt wo sich die alte Verkabelung befand.
-) Gehäuse im Außenbereich mit Styropor fixiert und anschließend mit Brunnenschaum verklebt.
-) Sack mit lose Mineralfaser gekauft und den Freiraum um das Gehäuse des Lüfters isoliert.
-) Insektenschutzgitter mit Revisionsklappe gekauft und vor dem Lüfter mit Brunnenschaum verklebt.
-) Überstehenden Brunnenschaum entfernt und mit Spezialkleber bzw. Verputz vor äußere Einflüsse isoliert.
Hier sämtliche Bilder zu dem Projekt:













Hier noch mal kurz die Einkaufsliste
Lüfter - https://www.amazon.de/dp/B0837NKBW6
Fliegenschutzgitter mit Revisionsklappe - https://www.amazon.de/dp/B09M44N6B6
Bidirektionaler Motor - https://www.amazon.de/dp/B07BVCRZ68
Unterputzwandaktor - https://www.amazon.de/dp/B06XY8BYNW
Rollladenaktor - https://www.amazon.de/dp/B06XY8BYNW
Funkwandtaster - https://www.amazon.de/dp/B00ZQG6RA0
Wärmeisolierender Schaumstoff - https://www.amazon.de/dp/B077NM5FW9
Halterung Feinsicherung - https://www.amazon.de/dp/B07H95D6YG
Feinsicherung - https://www.amazon.de/dp/B09JZHMJNR
Wago Klemmen - https://www.amazon.de/dp/B07VCTR6JB
Wago Klemmen - https://www.amazon.de/dp/B07VCTS7VD
Brunnenschaum - https://www.obi.de/pu-schaeume/soudal-brunnenschaum-750-ml/p/9175563
Spezialkleber - https://www.obi.de/kleber/uhu-poly-max-montagekleber-power-schwarz-425-g/p/8368482
0815 Verputz, Litzen, Adernendhülsen, Stromkabel, Stromstecker, ec.
Nachfolgend noch der ursprüngliche Post:
nachdem mein Projekt nun ein erfolgreiches Ende genommen hat, wollte ich an dieser Stelle mal ein paar (viele) Bilder zu dem Projekt teilen.
Kurz zur Vorgeschichte:
Wir wohnen seit kurzer Zeit in einer Kellerwohnung. Wurde "frisch" saniert und durch ein paar Spielereien wie drei Klimasplit Geräte ausgestattet. Praktisch zum Heizen / Kühlen / Entfeuchtet. Allerdings befinden die sich in "allen" Räumen außer in dem Bad. Dort haben wir zwar ein kleines Fenster, jedoch ist das so schlecht zu erreichen und auch relativ klein, weshalb wir da kaum ran kommen und zum Lüften nach dem Duschen reicht der Luftzug auch bei weitem nicht
Aus diesem Grund war ich auf der Suche nach einem Badlüfter welchen ich unkompliziert und mit der Option diesen wieder zu entfernen, montieren kann. Passenden Lüfter hab ich dann über Amazon als China Import gefunden. Der Lüfter alleine war aber leider nur die halbe Miete. Musste da noch etwas dran rum basteln um das ganze "smart" zu machen. Ziel war es diesen in mein Homematic IP System ein zu binden.
Das war der Plan. Nun zu den einzelnen Schritten:
-) Badlüfter gekauft, alte Verkabelung entfernt und an ein paar Ecken den Dremel angesetzt.
-) Bidirektionalen Motor für die Lüfterklappe auf der Rückseite gekauft, in das Gehäuse geklebt und mit dessen mittels kurzer Strippe verbunden.
-) Selbstklebender wärmeisolierender Schaumstoff zur Isolierung der Lüftungsklappen gekauft und an der Rückseite angebracht.
-) Homematic IP Unterbauschaltaktor und Homematic IP Rolladenaktor gekauft und ebenfalls in das Gehäuse geklebt.
-) Gehäuse für Schmelsicherung incl. passender Sicherung gekauft.
-) Stromkabel in passender Länge plus Stecker gekauft
-) Anschließend wurde alles ordentlich mit Litzen, Adernendhülsen und Wago Klemmen verkabelt.
-) Kontakte mit Heißklebepistole versiegelt (Funkensprung bei Feuchtigkeit).
-) Kabel mit Kabelbinder zusammen gepackt.
-) Restliche Kabel plus Klemmen in den kleinen Schacht gepackt wo sich die alte Verkabelung befand.
-) Gehäuse im Außenbereich mit Styropor fixiert und anschließend mit Brunnenschaum verklebt.
-) Sack mit lose Mineralfaser gekauft und den Freiraum um das Gehäuse des Lüfters isoliert.
-) Insektenschutzgitter mit Revisionsklappe gekauft und vor dem Lüfter mit Brunnenschaum verklebt.
-) Überstehenden Brunnenschaum entfernt und mit Spezialkleber bzw. Verputz vor äußere Einflüsse isoliert.
Hier sämtliche Bilder zu dem Projekt:













Hier noch mal kurz die Einkaufsliste
Lüfter - https://www.amazon.de/dp/B0837NKBW6
Fliegenschutzgitter mit Revisionsklappe - https://www.amazon.de/dp/B09M44N6B6
Bidirektionaler Motor - https://www.amazon.de/dp/B07BVCRZ68
Unterputzwandaktor - https://www.amazon.de/dp/B06XY8BYNW
Rollladenaktor - https://www.amazon.de/dp/B06XY8BYNW
Funkwandtaster - https://www.amazon.de/dp/B00ZQG6RA0
Wärmeisolierender Schaumstoff - https://www.amazon.de/dp/B077NM5FW9
Halterung Feinsicherung - https://www.amazon.de/dp/B07H95D6YG
Feinsicherung - https://www.amazon.de/dp/B09JZHMJNR
Wago Klemmen - https://www.amazon.de/dp/B07VCTR6JB
Wago Klemmen - https://www.amazon.de/dp/B07VCTS7VD
Brunnenschaum - https://www.obi.de/pu-schaeume/soudal-brunnenschaum-750-ml/p/9175563
Spezialkleber - https://www.obi.de/kleber/uhu-poly-max-montagekleber-power-schwarz-425-g/p/8368482
0815 Verputz, Litzen, Adernendhülsen, Stromkabel, Stromstecker, ec.
Nachfolgend noch der ursprüngliche Post:
Hallo zusammen,
nachdem ersten alles immer unerwartet und zweitens anders als man es denkt kommt, steh ich jetzt vor einem kleinen Problem.
Wollte bei uns im Bad unserer Kellerwohnung, einen Abluftventilator für das Entlüften einbauen. Hab mir da auch was passendes bestellt damit ich weder bohren noch sonst groß nen Aufwand habe, diesen zu montieren bzw. in mein Smart Home (Homematic IP) zu integrieren. Naja zu mindest Dachte ich mir das so.
Um diesen Lüfter geht es: https://www.amazon.de/dp/B0837NKBW6
Mein Plan war eigentlich den Lüfter an eine Funksteckdose zu hänge, das ganze sowohl an einen Funkschalter als auch mit einem Zeitprofilg bzw. evtl. sogar einer Regelung mit % Feuchtigkeit XY koppel. Dachte zu dem Zeitpunkt aber auch, dass sobald der Lüfter angeht, die Klappen auf der Rückseite (wollte ich zusätzlich mit Wärmeisolierenden Schaumstoff versehen) sich durch den Luftzug öffnen. Dem ist leider nicht so.
Statt dessen ist die Kordel an der Vorderseite welche man zum Einschalten verwenden kann so konzepiert, dass diese via Feder die Klappe auf oder zu macht. Und das ist jetzt auch mein Problem. Ich bekomm die Klapppen nicht mehr auf. Oder hab sie halt dauerhaft offen, was sich im Winter extrem negativ auf meine Heizkostenrechnung auswirken dürfte.
Würde mir nun gern nen Motor zulegen den ich ebenfalls an eine Funksteckdose hänge und ggf gleich miteinander koppel. Die Frage ist nun, welchen Motor brauch ich und wie realisier ich das am einfachsten? Vom Prinzip reicht einer der quasi an der Strippe (Feder) ca 10cm zieht und dann diese Position hällt.
Weiß nur nicht wonach ich genau ausschau halten soll. 220v wären aber vorteilhaft. Habt ihr ne Idee wie ich passendes finde?
Bilder kann ich gerne noch machen und nachreichen, bin aber vorhin erst auf Arbeit angekommen, weshalb ich das erst in der Früh machen könnte.
Vielen Dank schon mal :-)
Zuletzt bearbeitet: