Hallo Zusammen
Ich habe meinen neuen Computer zusammengebaut, jedoch habe ich ein paar Problemchen.
Der Computer startet nur per internen Board Grafik und dies auch noch mit Problemen.
Hier meine Specs:
Prozessor: AMD Ryzen 7 7800X3D
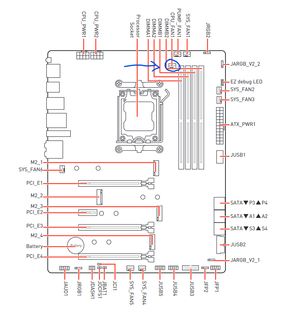
Mainboard: MSI PRO X670-P WIFI
RAM: Corsair Vengeance (2 x 16GB, 6400 MHz, DDR5-RAM, DIMM)
Grafikkarte: Sapphire Radeon RX 7900 XTX Pulse
CPU-Lüfter: be quiet! Dark Rock Pro 4
Speicher: Samsung 990 Pro (1000 GB, M.2 2280)
Netzteil: be quiet! Pure Power 12 M (1000 W)
Wenn ich die Graffikarte eingebaut habe, erhalte ich kein Bild über die Grafikkarte.
Ebenfalls wenn ich die funktionierende gtx 1080ti von meinem Bruder einbaue funktioniert diese auch nicht.
Wenn dieGrafikkarte angeschlossen ist und ich das DP-Kabel startet Windows über die onboard Grafik.
Beim Start leuchten die easy debug-leds auf dem Mainboard bei CPU rot und bei DRAM orange. Danach kommt das Grüne boot Licht.
Was komisch ist, dass der CPU-Lüfter sich nicht dreht.
Das Mainboard habe ich bereits einmal ausgetauscht und ein neues erhalten, jedoch verhaltet sich der Computer exakt gleich.
Vielen Dank im Voraus für eure Hilfe
Ich habe meinen neuen Computer zusammengebaut, jedoch habe ich ein paar Problemchen.
Der Computer startet nur per internen Board Grafik und dies auch noch mit Problemen.
Hier meine Specs:
Prozessor: AMD Ryzen 7 7800X3D
Mainboard: MSI PRO X670-P WIFI
RAM: Corsair Vengeance (2 x 16GB, 6400 MHz, DDR5-RAM, DIMM)
Grafikkarte: Sapphire Radeon RX 7900 XTX Pulse
CPU-Lüfter: be quiet! Dark Rock Pro 4
Speicher: Samsung 990 Pro (1000 GB, M.2 2280)
Netzteil: be quiet! Pure Power 12 M (1000 W)
Wenn ich die Graffikarte eingebaut habe, erhalte ich kein Bild über die Grafikkarte.
Ebenfalls wenn ich die funktionierende gtx 1080ti von meinem Bruder einbaue funktioniert diese auch nicht.
Wenn dieGrafikkarte angeschlossen ist und ich das DP-Kabel startet Windows über die onboard Grafik.
Beim Start leuchten die easy debug-leds auf dem Mainboard bei CPU rot und bei DRAM orange. Danach kommt das Grüne boot Licht.
Was komisch ist, dass der CPU-Lüfter sich nicht dreht.
Das Mainboard habe ich bereits einmal ausgetauscht und ein neues erhalten, jedoch verhaltet sich der Computer exakt gleich.
Vielen Dank im Voraus für eure Hilfe