Fireplace Motiv 2 Neu
TeamViewer Motive 4

Schwarzer Bildschirm nach BIOS Update und weiße boot LED

ChrischaanH

Cadet 1st Year
Registriert
Jan. 2025
Beiträge
11
[Bitte fülle den folgenden Fragebogen unbedingt vollständig aus, damit andere Nutzer dir effizient helfen können. Danke! :)]

1. Nenne uns bitte deine aktuelle Hardware:
(Bitte tatsächlich hier auflisten und nicht auf Signatur verweisen, da diese von einigen nicht gesehen wird und Hardware sich ändert)
  • Prozessor (CPU): Ryzen 5 5600x
  • Arbeitsspeicher (RAM): Corsair Vengeance RGB Pro / DDR4 / 2*32GB /3600 MHz
  • Mainboard: MSI B550 Gaming Plus
  • Netzteil: Pure Power 11 700 W
  • Gehäuse: Aerocool Hive ARGB
  • Grafikkarte: ASUS GTX 1080 ti
  • HDD / SSD: 3*Samsung 970 Pro SSD
  • CPU Lüfter: Dark Rock tf 2
  • Weitere Hardware, die offensichtlich mit dem Problem zu tun hat (Monitormodell, Kühlung usw.):

2. Beschreibe dein Problem. Je genauer und besser du dein Problem beschreibst, desto besser kann dir geholfen werden (zusätzliche Bilder könnten z. B. hilfreich sein):
...

3. Welche Schritte hast du bereits unternommen/versucht, um das Problem zu lösen und was hat es gebracht?
...


P.S.: Beachte auch die verschiedenen angepinnten Themen und die Forensuche. Möglicherweise findest du da bereits die Lösung zu deinem Problem.
Moin liebe Community,

heute muss ich meinen ersten Beitrag schreiben da mein System nicht rund läuft, ich hoffe ich kann euch genug Informationen geben das ihr mir helfen könnt.

Kurz zum Thema, da mein alter PC beim hochfahren ratterte und klapperte wollte ich mir nun nach 10 Jahren und einer Elektroausbildung später einen neuen gönnen.

Gesagt getan, vor Weihnachten alle Teile bestellt und nun am 02.01 den PC endgültig zusammengebaut. Das erste Problem folgte auf dem Fuße das Netzteil war kaputt also musste ich mir notgedrungen ein nicht modulares Netzteil bestellen (siehe oben). Soweit so gut, ich konnte den PC ganz normal hochfahren, habe ihn auch soweit eingerichtet und an dieser Stelle wäre auch alles gut gewesen, wenn ich nicht der Meinung gewesen wäre, noch ein BIOS-Update machen zu müssen. Dummerweise habe ich das Ganze so verstanden, dass man mit den ersten anfängt und sich bis zu den letzten durcharbeitet, die im August 2024 veröffentlicht werden. Also alle Updates von der offiziellen MSI Seite runtergeladen, gepackt und auf einen USB Stick gepackt, ins BIOS gegangen und das erste Update in den BIOS Flasher geladen. Das Update startete, der Balken lief auch bis 100%, danach wurde mein Bildschirm schwarz. Wenn ich jetzt meinen PC starte, läuft die Debug-LED von der CPU über VGA und RAM durch und stoppt schließlich beim Booten, aber der Bildschirm bleibt jedes Mal schwarz.

Ich bin jetzt so vorgegangen, dass ich alle Teile einmal ausgebaut habe, bis auf das Motherboard selbst, dann habe ich den PC wieder an den Strom angeschlossen und dann habe ich alle Teile wieder eingebaut und wieder gestartet.

Der Bildschirm bleibt schwarz.

Netzstecker ziehen und JBat für 20 Sekunden kurzschließen, PC anschließen und neu starten.

Bildschirm bleibt schwarz

Netzstecker ziehen, Rom-Batterie entfernen, 24-poligen Stecker des MBoards und 8-poligen Stecker der CPU abziehen, 2 Stunden warten

Bildschirm bleibt schwarz

Ich habe beide HDMI-Anschlüsse meiner Grafikkarte ausprobiert und noch einmal überprüft, ob der Monitor richtig angeschlossen ist.

Bildschirm bleibt schwarz

Ich bin mit meinem Latein am Ende, aber am Ende hätte ich das mit dem BIOS-Update mal gelassen.

Ich hoffe ihr habt noch einen Tipp oder eine Lösung die man ausprobieren kann, ich habe schon überlegt ob es vielleicht möglich ist das letzte Update einfach über die Flash Back Funktion zu laden, aber wenn ich den USB einstecke und den Flash Button drücke startet es nicht von alleine.

Ich würde mich über eine Antwort freuen.

Mit freundlichen Grüßen
Christoph
 
Zuletzt bearbeitet:
Wenn du nicht einmal das Mainboard nennst, kann dir hier keiner helfen.
 
  • Gefällt mir
Reaktionen: Wo bin ich hier
ChrischaanH schrieb:
das letzte Update einfach über die Flash Back Funktion zu laden, aber wenn ich den USB einstecke und den Flash Button drücke startet es nicht von alleine.
Da das Mainboard aktuell noch unbekannt ist, aber es wohl eine Flashback Funktion gibt, dann sollte das der richtige Weg sein. Im Handbuch oder auf der Herstellerseite steht dazu üblicherweise alles zum genauen Vorgehen.

Edit:
https://download-2.msi.com/archive/mnu_exe/mb/MPGB550GAMINGPLUS_DE.pdf
Seite 51:
1735998300787.png

https://de.msi.com/support/technical_details/MB_Flash_BIOS_Button
USB FAT32-Format wichtig!
 
Zuletzt bearbeitet:
  • Gefällt mir
Reaktionen: ChrischaanH und AMD-Flo
ChrischaanH schrieb:
Dummerweise habe ich das Ganze so verstanden, dass man mit den ersten anfängt und sich bis zu den letzten durcharbeitet, die im August 2024 veröffentlicht werden
Das war noch nie so. Man nimmt immer das neuste, außer es sind zwischenschritte nötig, die dann auch extra da stehen.

Und man guckt auch vorher, welches installiert ist, denn es ist ja Schwachsinn ein älteres zu nehmen, als das was drauf ist.


ChrischaanH schrieb:
Wenn ich jetzt meinen PC starte, läuft die Debug-LED von der CPU über VGA und RAM durch und stoppt schließlich beim Booten, aber der Bildschirm bleibt jedes Mal schwarz.
Herzlichen Glückwunsch, wenn du Pech hast, hast jetzt ein BIOS drauf, welches deine CPU nicht unterstützt


ChrischaanH schrieb:
Welches denn genau?
 
AMD-Flo schrieb:
Wenn du nicht einmal das Mainboard nennst, kann dir hier keiner helfen.
Hatte ich eingetragen eben war aber als ich das gepostet habe wieder weg habe die Information nun noch mal nachgetragen Sorry :D
Ergänzung ()

Wo bin ich hier schrieb:
Da das Mainboard aktuell noch unbekannt ist, aber es wohl eine Flashback Funktion gibt, dann sollte das der richtige Weg sein. Im Handbuch oder auf der Herstellerseite steht dazu üblicherweise alles zum genauen Vorgehen.

Edit:
https://download-2.msi.com/archive/mnu_exe/mb/MPGB550GAMINGPLUS_DE.pdf
Seite 51:
Anhang anzeigen 1564865
https://de.msi.com/support/technical_details/MB_Flash_BIOS_Button
USB FAT32-Format wichtig!
Probiere ich gleich mal auf ich halte dich auf den laufenden :)

Hatte noch gelesen das man beim Flashen die Graka raus nehmen soll macht man das so ?
 
  • Gefällt mir
Reaktionen: AMD-Flo
ChrischaanH schrieb:
Mainboard: MSI B550 Gaming Plus
ChrischaanH schrieb:
Dummerweise habe ich das Ganze so verstanden, dass man mit den ersten anfängt und sich bis zu den letzten durcharbeitet, die im August 2024 veröffentlicht werden. Also alle Updates von der offiziellen MSI Seite runtergeladen, gepackt und auf einen USB Stick gepackt, ins BIOS gegangen und das erste Update in den BIOS Flasher geladen. Das Update startete, der Balken lief auch bis 100%, danach wurde mein Bildschirm schwarz.
Falls es das "AMI BIOS 7C56v10" vom 2020-06-04 war, dann dürftest Du jetzt ein BIOS auf dem Mainboard haben, das Deine CPU Ryzen 5 5600X noch nicht unterstützt.

Dein Motherboard bietet zwar ein BIOS Flashback an, dazu benötigst Du aber einen USB-Stick mit dem richtigen, dem neuesten BIOS-File für den Reset.
 
  • Gefällt mir
Reaktionen: Maxysch
@SuperHeinz Das war das erste Update vom 04.06.24 ich habe da einen fehler gemacht und mich einfach schlecht informiert

Ja den habe ich habe den jetzt auch FAT 32 Formatier und der bootet jetzt auch hatte die vorher in einen unterordner drinne den habe ich jetzt raus gelöscht habe die datei in MSI.ROM umbenannt und jetzt heißt es abwarten
 
Wo bin ich hier schrieb:
Da das Mainboard aktuell noch unbekannt ist
Hat er aufgelistet B550 Gaming Plus.

Das dauert ewig mit dem Flashbutton, geduldig muss man dann schon sein.

Den richtigen USB-Port benutzen, sonst wird das nichts. Welcher das ist, ist im Handbuch beschrieben.
 
So also Update ist drauf jetzt bleibt er bei mir bei dem CPU Debug light stehen
 
Welche Version wurde geflasht? Aktelle nicht Beta Version wäre 7C56v1I vom 01.08.24.

Wie lange haste beim ersten Start gewartet? Das erste RAM Training kann durchaus ein paar Minuten dauern.

ChrischaanH schrieb:
jetzt bleibt er bei mir bei dem CPU Debug light stehen
CPU 8 PIN Stromanschluss auf dem Board angesteckt?
 
@mr.malcom Also ich habe die 7C56v1l geflasht. Der Pc ist danach wieder ausgegangen danach wieder angegangen soweit so gut das ist ja auch normal danach habe ich ca 20 Minuten gewartet aber danach ist nichts weiteres passiert

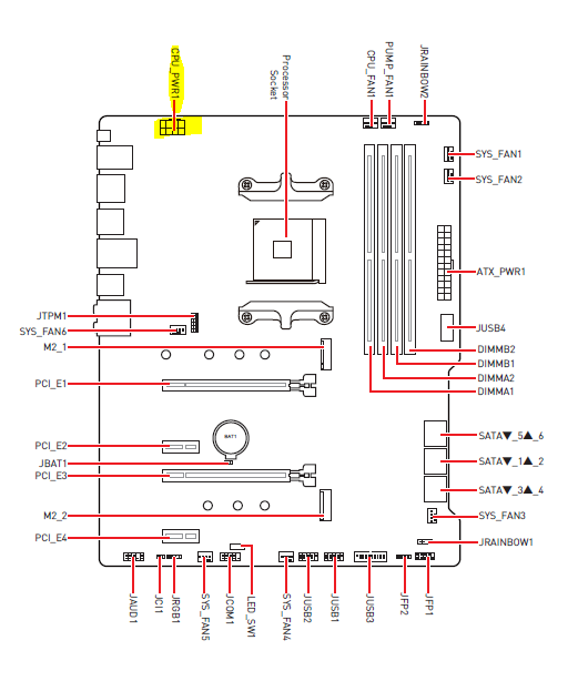
Habe vom 6 + 2 Stecker den 6 poligen eingesteckt die anderen beiden Pole passen nicht hatte ich aber auch vorher so gemacht und dann lief es. Also ich habe die Vermutung das entweder mein RAM einen weg hat oder meine CPU
 
ChrischaanH schrieb:
Habe vom 6 + 2 Stecker den 6 poligen eingesteckt die anderen beiden Pole passen nicht
Du hast hoffentlich NICHT den 6+2 Poligen VGA an den 4+4 CPU Power angeschlossen?

1736008145406.png


Ans Board gehören die 12V P4 Anschlüsse, NICHT die PCIe 6+2!
1736008271865.png
 

@ChrischaanH

Du hast ja auch ein MSI Board, die folgenden in den Spoiler verpackten Anleitungen habe ich aber auch bei anderen Boarherstellern verwendet.
CMOS Reset

Einen CMOS Reset führe ich folgender Maßen durch ( auch bei anderen PCs gehe ich immer so vor, bisher keine Probleme):

1. PC ausschalten (falls an ) und NT Schalter ausschalten (Wichtig beim späteren einstecken können sonnst Probleme auftauchen! )

2. PC Netzkabel entfernen ABER immer an der Steckdose.

3. Den PC Startknopf ein paar mal drücken und für 10 Sekunden festhalten um die Kondensatoren zu entleeren, das 2 - 3 mal machen.

4. CMOS Reset Kontakte mindestens 10 Sekunden überbrücken

( Falls kein Jumper zur Hand kann man zur Not auch die Kabel vom Reset Schalter, falls das Gehäuse einen hat, hier anschließen. Hat den Vorteil das sollte man RAM OC betreiben nicht immer den PC öffnen muss. Nur nicht vergessen das jetzt ein CMOS Reset durchgeführt wird wenn es heißt: „ Drück aufs Knöpfen, Max!“

Zur Not hilft ein einfacher metallischer Gegenstand, wie z.B. ein Schraubendreher oder eine Büroklammer )


5. NT Kabel anschließen und NT einschalten.

6. PC starten, das kann jetzt eine Weile dauern, mal 10 Minuten abwarten, ALLE Geräte müssen ja erst neu erkannt werden.

Normal startet der PC jetzt mit einem Bildschirm bei dem man mit den Tasten F1 und F2 bestätigen kann was als nächstes passieren soll.

BIOS Flashback durchführen

Mit M _ Flash ist ein zurück flashen nicht möglich, das funktioniert nur mit der Flashback Funktion!

Habe das MSI B550 UNIFY-X und bei dem habe ich schon einige BIOS Versionen vor und zurück geflasht, bei meinem anderen System mit einem MSI B450 MORTAR habe ich auch verschiedenen BIOS Versionen vor und zurück geflasht.

Das habe ich gemacht um beim RAM OC die BIOS Versionen zu vergleichen.

Man braucht keine Geräte abbauen, das funktioniert mit komplett zusammengebautem PC.

Ich mache den Flashback immer wie nachfolgend:

1. PC ausschalten und NT ausschalten

2. Strom Abstecken, immer an der Steckdose und nie am Kaltgerätestecker!

3. Den PC Einschalter ein paar mal ( 2- 3 mal ) drücken und jeweils für 10 sek. festhalten um die Kondensatoren zu entladen

4. Einen RAM Riegel entfernen und nur den in A2 verwenden. ( Das mache ich immer zur Sicherheit da es mit 2 RAM Riegeln schon mal Probleme gab. Muss nicht sein aber der Teufel steckt manchmal in Dingen an die man nicht denkt in dem Moment.)

5. CMOS Reset machen, über Steckbrücke, mindestens 10 Sekunden

6. USB Stick in die markierte Buchse neben den Flashback Schalter stecken

7. Strom verbinden

8. OHNE den PC zu starten NUR den Flashback Schalter drücken, 2 bis 3 Sekunden

Auf dem MB neben dem Schalter ist eine LED die sollte dann blinken.

ACHTUNG:

USB Stick NUR FAT 32 formatiert und nichts anderes wie ein Partitionierungschema UND nur die BIOS Datei drauf kopieren. Dann die Datei auf dem Stick umbenennen in MSI.ROM

ACHTUNG:

KEIN Schnellformatieren benutzen!

Zum formatieren die „Größe der Zuordnungseinheiten“ auf 4096 Bytes ( falls es bei dem USB auszuwählen ist, sonst auf Standard lassen ) einstellen, hatte damit die wenigsten Probleme.

Sollte die LED auf dem Board nur 3 mal schnell blinken ODER dauerhaft über längere Zeit leuchten ( mehr als 10 Minuten ), dann wurde der USB Stick nicht erkannt, kann manchmal passieren.

In diesem Fall einen anderen Stick versuchen, das ist mir auch passiert.

Da werden manchmal nicht alle Sticks erkannt.


Bitte darauf achten das es wenn möglich ein USB 2.0 Stick mit nicht mehr wie 8 GB Speichervolumen sein sollte, da gibt es die wenigsten Probleme mit.

Nach erfolgreichem flashen sollte der PC alleine neu starten.
Dieser Vorgang kenn eine Weile dauern!
NICHT zu früh abbrechen, da sonst die Initialisierung fehlschlagen kann.
Dann MUSS man nochmal einen CMOS Clear durchführen.

OHNE im BIOS etwas einzustellen das erste Mal komplett ins Windows booten lassen, da muss man ja zum anmelden erst mal eine neue PIN ( WINDOWS 11 ) erstellen ( war bei mir immer so ).

Den PC dann runter fahren und bei einem stromlosen PC den 2 RAM Riegel verbauen.

Jetzt den PC wieder normal starten.

Sollte es beim BIOS Flashback Vorgang weiterhin Probleme geben, dann hilft als vorletzter Versuch dieser Tipp:

ALLES ausbauen und NUR MB und NT verwenden ABER das NT NUR mit dem 24 PIN Stecker verbinden! Den 8 PIN ( oder beide falls man die verwendet hatte ) für die CPU weglassen!

Letzte Möglichkeit kostet 25 € + EINMALIGES Porto zum hinsenden, die Rücksendung ist in den 25 € enthalten und man muss das Board einschicken, direkt zu MSI Frankfurt, das ist vielleicht auch für Leute interessant die ein älteres MB haben bei der die Garantie und Gewährleistung abgelaufen ist um auf dem neusten Stand zu sein.
Auch wer sich nicht ans BIOS flashen wagen will kann diese Möglichkeit wählen.

Hier ist alles beschrieben.

Nicht für MB aus Netbook, Notebook, AIO PC oder Wind PC UND kein OEM z.B. Medion oder HP

https://msi-shop.de/bios-update/
 
Danke an alle beteiligten es hat funktioniert der PC läuft wieder :)

Danke Danke Danke
 
  • Gefällt mir
Reaktionen: bisy und Müritzer
Sapphire Forum
Zurück
Oben