Fireplace Motiv 1 Neu

U.2 SSD - Wird nicht erkannt?

lirin

Newbie
Registriert
Feb. 2022
Beiträge
5
Hallo zusammen,

als stolzer Besitzer eines "Premium" Mainboards von Supermicro (C7Z270-CG) habe ich mir - in der Hoffnung das die Leistung optimal verwendet wird - eine U.2 SSD (Wichtig U.2 nicht M.2 - Samsung SSD PM983 1,92 TB/MZQLB1T9HAJR-00007 ) gekauft.

Das Mainboard scheint sich allerdings zu weigern, die SSD zu erkennen. In dem Handbuch von Supermicro finde ich nur :
Two (2) U.2 Connectors for 2.5" SSD Drives << auf Seite 20

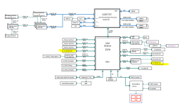
Das Blockschaltbild sieht für mich so aus, als sollte die U.2 SSD immer erkannt werden, auch wenn zusätzlich zwei M.2 SSD eingesteckt wurden (defacto sind beide M.2 Plätze bei mir belegt).

Ist es mglw. ein "inkompatibles Kabel?" (folgendes habe ich verwendet: CableDeconn Internes 12G Mini SAS HD zu U.2 / SFF-8643 zu SFF-8639 Kabel. Es passt elektrisch. Oder gibt es vielleicht noch Bios Parameter der aktiviert werden müsste?

Oder ist es mglw. die falsche SSD für den Anschluss? Habt Ihr noch Ideen?

Viele Grüße
 

Anhänge

  • Blockschaltbild.PNG
    Blockschaltbild.PNG
    132,7 KB · Aufrufe: 314
Zuletzt bearbeitet:
Also laut Deinem Blockdiagramm ist einer dieser zwei U.2-Anschüsse shared mit einem der M.2. Also wenn bei Dir beide M.2-Slots belegt sind, dann ist nur einer von den U.2 funktionsfähig. Probiere dann halt den anderen, wenn Du beim ersten Versuch Pech gehabt hast. Chance lag also bei 50% ;-)
 
Das habe ich leider schon versucht. Ist denn aus Eurer Sicht die Kombination Kabel + SSD + Mainboard in Ordnung? "Müsste" es eigentlich funktionieren?
 
Du hast zwei U.2 Anschlüsse, wovon einer mit einem M.2 geshared wird, also schon mal wegfällt. Wenn du das berücksichtigt hast, dann hast du mit deinem gekauften Kabel eine 1 zu 4 Chance den richtigen der 4 Anschlüsse zu erwischen. <-- Unfug, da das Kabel nur einen Anschluss hat

Also hilft wohl nur probieren. Ob man im Bios noch explizit etwas deaktivieren kann, musst du schon selber nachschauen. Ich glaube aber eher nicht
 
Zuletzt bearbeitet:
Danke Jungs. Nur jetzt die spannende Frage - wenn es unter beiden Anschlüssen nicht funktioniert, heisst es, dass die SSD nicht korrekt funktioniert?

Kabel passt und sep. Konfiguration sollte Eurer Meinung nach auch nicht notwendig sein?
 
Wenn die SSD neu ist, gehe ruhig davon aus, dass die funktioniert.
Supermicro bietet ja auch selber ein entsprechendes Kabel an:
https://www.sona.de/supermicro-cbl-...9-frasl-u-2-with-4-pin-power-45cm-420225.html

Wie du erkennen kannst, ist das aber keine 75cm lang, was vermutlich auch der Grund ist, warum dein Kabel nicht funktioniert.

Am einfachsten wäre, wenn du die SSD irgendwo mal kurz ausprobieren könntest, wo sie sicher funktioniert. Aber welcher Laden hat schon U.2 Hardware rumstehen :rolleyes:
 
  • Gefällt mir
Reaktionen: lirin
Dein Bild war Gold wert. Mein Kabel mit diesem merkwürdigen und unförmigen SATA Stromstecker bei mir sah nach "zusätzlich" für SSDS aus. Tatsächlich muss dieses Kabel allerdings an das Netzteil angeschlossen werden - für Strom von der PSU.

Ich bin so ein Vollpfosten. Vielen dank an alle!
 
Ok, bei genauem(!) Betrachten des Amazon Bildes fällt mir auch gerade was auf :D🤦‍♂️
Da sind gar keine 4 Anschlüsse vorhanden, was ja auch logisch ist bei 4 Lanes :stock:
Vergiss also die Aussage in #4 mit der 1 zu 4 Chance 🤦‍♂️

lirin schrieb:
Tatsächlich muss dieses Kabel allerdings an das Netzteil angeschlossen werden
Ja, mit Spannung funktionieren elektrische Komponenten für gewöhnlich auch :D

Es ist wie beim Auto. Mit laufendem Motor kommt man auch besser vorwärts :schluck:
 
Zurück
Oben