Du verwendest einen veralteten Browser. Es ist möglich, dass diese oder andere Websites nicht korrekt angezeigt werden.
Du solltest ein Upgrade durchführen oder einen alternativen Browser verwenden.
Du solltest ein Upgrade durchführen oder einen alternativen Browser verwenden.
Tanzmusikus
Fleet Admiral
- Registriert
- Aug. 2010
- Beiträge
- 11.785
Ich habe da meine ganz eigenen Erfahrungen gemacht.
Ich bevorzuge es den Airflow des Gehäuses so zu konzipieren, dass die Lüfter an den Radiatoren möglichst viel frische Luft ansaugen können & die erwärmte Luft möglichst effektiv nach außen befördern.
Deshalb würde ich an Stellen mit Radiatoren die Luft nicht ansaugen, sondern immer raus blasen lassen.
In Deinem Falle würde ich es so machen:
1. Lüfter für vordere AiO (in der Front) rausblasend nach vorn verbauen
2. Lüfter für obere AiO (im Deckelbereich) rausblasend nach oben verbauen
3. Die Lüfter von hinten & unten frische Luft ansaugen lassen
Was bewirkt das?
Zu erwartende Probleme:
Ich bevorzuge es den Airflow des Gehäuses so zu konzipieren, dass die Lüfter an den Radiatoren möglichst viel frische Luft ansaugen können & die erwärmte Luft möglichst effektiv nach außen befördern.
Deshalb würde ich an Stellen mit Radiatoren die Luft nicht ansaugen, sondern immer raus blasen lassen.
In Deinem Falle würde ich es so machen:
1. Lüfter für vordere AiO (in der Front) rausblasend nach vorn verbauen
2. Lüfter für obere AiO (im Deckelbereich) rausblasend nach oben verbauen
3. Die Lüfter von hinten & unten frische Luft ansaugen lassen
Was bewirkt das?
- möglichst viel frische Luft im Gehäuse (also Kühlung von Board, RAM usw.usf.)
- schneller Abtransport der Wärme und somit maximale Leistung für CPU & GPU.
Zu erwartende Probleme:
- Um genug frische Luft für die zwei riesigen Radiatoren bereitstellen zu können, bedarf es evtl. recht hoher Drehzahlen des hinteren & (falls vorhanden) unteren Gehäuse-Lüfters.
- Bei dem Konzept könnte es also ein Unterdruck-System werden, welcher recht viel Staub einfängt.

Tanzmusikus
Fleet Admiral
- Registriert
- Aug. 2010
- Beiträge
- 11.785
Probiere einfach mal ein bisschen aus. Einige Tage/Wochen mal so ... dann wieder anders.
Ich finde es ja gerade so spannend, dass man da was entdecken und entwickeln kann. 👨🔧
Um eher den Staub aus dem Gehäuse zu befördern als die Wärme empfiehlt sich ein Überdruck-System.
Also mehr Luft rein als raus. Dann wird an allen kleinen offenen Stellen die Luft aus dem Gehäuse gedrückt.
Das geht auch mit kühler Luft, was vielleicht sogar ideal wäre, aber selten gibt es genug Möglichkeiten dafür.
In der Realität mit z.B. zwei Radiatoren hat man zumeist kaum noch Frischlufteingänge zur Verfügung.
Mir ist Deine Frage (1. Satz) zu unpräzise, um darauf gezielter antworten zu können. Wenn Du magst, dann formuliere es bitte nochmal neu (z.B. sind mit den Zahlen Lüfterslots gemeint oder AiO-Radiatoren?).
Also wichtig wäre mir, welche Lüfterslots das Gehäuse besitzt. Die oben drei geschriebenen?
Keine im Boden oder in der Seite?
Ich finde es ja gerade so spannend, dass man da was entdecken und entwickeln kann. 👨🔧
Um eher den Staub aus dem Gehäuse zu befördern als die Wärme empfiehlt sich ein Überdruck-System.
Also mehr Luft rein als raus. Dann wird an allen kleinen offenen Stellen die Luft aus dem Gehäuse gedrückt.
Das geht auch mit kühler Luft, was vielleicht sogar ideal wäre, aber selten gibt es genug Möglichkeiten dafür.
In der Realität mit z.B. zwei Radiatoren hat man zumeist kaum noch Frischlufteingänge zur Verfügung.
Mir ist Deine Frage (1. Satz) zu unpräzise, um darauf gezielter antworten zu können. Wenn Du magst, dann formuliere es bitte nochmal neu (z.B. sind mit den Zahlen Lüfterslots gemeint oder AiO-Radiatoren?).
Also wichtig wäre mir, welche Lüfterslots das Gehäuse besitzt. Die oben drei geschriebenen?
Keine im Boden oder in der Seite?
floq0r
Captain
- Registriert
- Mai 2010
- Beiträge
- 3.325
Das verstehe ich nicht, dann blase ich doch erst recht mehr Staub hinein?Tanzmusikus schrieb:Um eher den Staub aus dem Gehäuse zu befördern als die Wärme empfiehlt sich ein Überdruck-System.
Also mehr Luft rein als raus. Dann wird an allen kleinen offenen Stellen die Luft aus dem Gehäuse gedrückt.
Einleuchtender wäre mir, man würde zu diesem Zweck mehr Luft aus dem Case heraussaugen als hineinblasen. Dadurch verteilt sich die Zuluft ins Case auf eine größere Fläche (genannte kleine offene Stellen), die Strömungsgeschwindigkeit sinkt und damit auch die Wahrscheinlichkeit Staubpartikel mitzuführen.
Tanzmusikus
Fleet Admiral
- Registriert
- Aug. 2010
- Beiträge
- 11.785
Es geht dabei um Unter- oder Überdruck.
Probiere es doch mal aus: Stelle die Intake-Lüfter höher als die Outtake & umgekehrt.
( Bitte neben den reinen U/min auch die Grösse (92er, 120er, 200er) und die Anzahl beachten! )
Oder schau Dir dazu ein paar Videos im Netz an.
Stichworte wären z.B.: Airflow in a case/Luftstrom im Gehäuse, Überdruck(system, Unterdruck(system).
Um Staubeinsaugen zu verringern gibt es auch Gehäuse mit Staubfiltern - oder man baut diese nachträglich ein.
Der Druck ist der Schlüssel bei der Überlegung.
Kommt mehr Luft (mit Staub) ins Gehäuse, aber durch die Outtakes kaum wieder hinaus, dann sucht sich die Luft andere als die Hauptwege (z.B. kleine Ritzen, Spalten). An diesen Stellen wird der sich dort befindliche Staub dann mit nach außen befördert.
Beim Unterdrucksystem wird dann an den Nebenwegen (z.B. kleine Ritzen, Spalten) der Staub ins Gehäuse angesaugt.
Ob das in der Realität wirklich einen Unterschied macht, weiß selbst nicht so genau.
Man könnte auch ein eher ausgeglichenes System anstreben. Die Bedingungen dafür ändern sich allerdings häufig. Mal läuft die CPU heiß, mal eher die GPU ... oder beide ... oder beide nicht.
P.S.
Deine Theorie (im letzten Satz) klingt irgendwie auch einleuchtend. 👍
Probiere es doch mal aus: Stelle die Intake-Lüfter höher als die Outtake & umgekehrt.
( Bitte neben den reinen U/min auch die Grösse (92er, 120er, 200er) und die Anzahl beachten! )
Oder schau Dir dazu ein paar Videos im Netz an.
Stichworte wären z.B.: Airflow in a case/Luftstrom im Gehäuse, Überdruck(system, Unterdruck(system).
Um Staubeinsaugen zu verringern gibt es auch Gehäuse mit Staubfiltern - oder man baut diese nachträglich ein.
Der Druck ist der Schlüssel bei der Überlegung.
Kommt mehr Luft (mit Staub) ins Gehäuse, aber durch die Outtakes kaum wieder hinaus, dann sucht sich die Luft andere als die Hauptwege (z.B. kleine Ritzen, Spalten). An diesen Stellen wird der sich dort befindliche Staub dann mit nach außen befördert.
Beim Unterdrucksystem wird dann an den Nebenwegen (z.B. kleine Ritzen, Spalten) der Staub ins Gehäuse angesaugt.
Ob das in der Realität wirklich einen Unterschied macht, weiß selbst nicht so genau.
Man könnte auch ein eher ausgeglichenes System anstreben. Die Bedingungen dafür ändern sich allerdings häufig. Mal läuft die CPU heiß, mal eher die GPU ... oder beide ... oder beide nicht.
P.S.
Deine Theorie (im letzten Satz) klingt irgendwie auch einleuchtend. 👍
floq0r
Captain
- Registriert
- Mai 2010
- Beiträge
- 3.325
Ok, naja...
Der Staub haftet sich ja bekanntlich an allen möglichen Oberflächen an und bequemt sich nicht locker zu kleinen Öffnungen. Ohne empirische Kenntnis bleibe ich bei meiner Vermutung, dass ein Unterdrucksystem letztendlich staubärmer ist
Der Staub haftet sich ja bekanntlich an allen möglichen Oberflächen an und bequemt sich nicht locker zu kleinen Öffnungen. Ohne empirische Kenntnis bleibe ich bei meiner Vermutung, dass ein Unterdrucksystem letztendlich staubärmer ist
Tanzmusikus schrieb:Probiere einfach mal ein bisschen aus. Einige Tage/Wochen mal so ... dann wieder anders.
Ich finde es ja gerade so spannend, dass man da was entdecken und entwickeln kann. 👨🔧
Um eher den Staub aus dem Gehäuse zu befördern als die Wärme empfiehlt sich ein Überdruck-System.
Also mehr Luft rein als raus. Dann wird an allen kleinen offenen Stellen die Luft aus dem Gehäuse gedrückt.
Das geht auch mit kühler Luft, was vielleicht sogar ideal wäre, aber selten gibt es genug Möglichkeiten dafür.
In der Realität mit z.B. zwei Radiatoren hat man zumeist kaum noch Frischlufteingänge zur Verfügung.
Mir ist Deine Frage (1. Satz) zu unpräzise, um darauf gezielter antworten zu können. Wenn Du magst, dann formuliere es bitte nochmal neu (z.B. sind mit den Zahlen Lüfterslots gemeint oder AiO-Radiatoren?).
Also wichtig wäre mir, welche Lüfterslots das Gehäuse besitzt. Die oben drei geschriebenen?
Keine im Boden oder in der Seite?
Ja, ich denke auch, dass ich das probieren muss. Bin ein Theoretiker
Tanzmusikus
Fleet Admiral
- Registriert
- Aug. 2010
- Beiträge
- 11.785
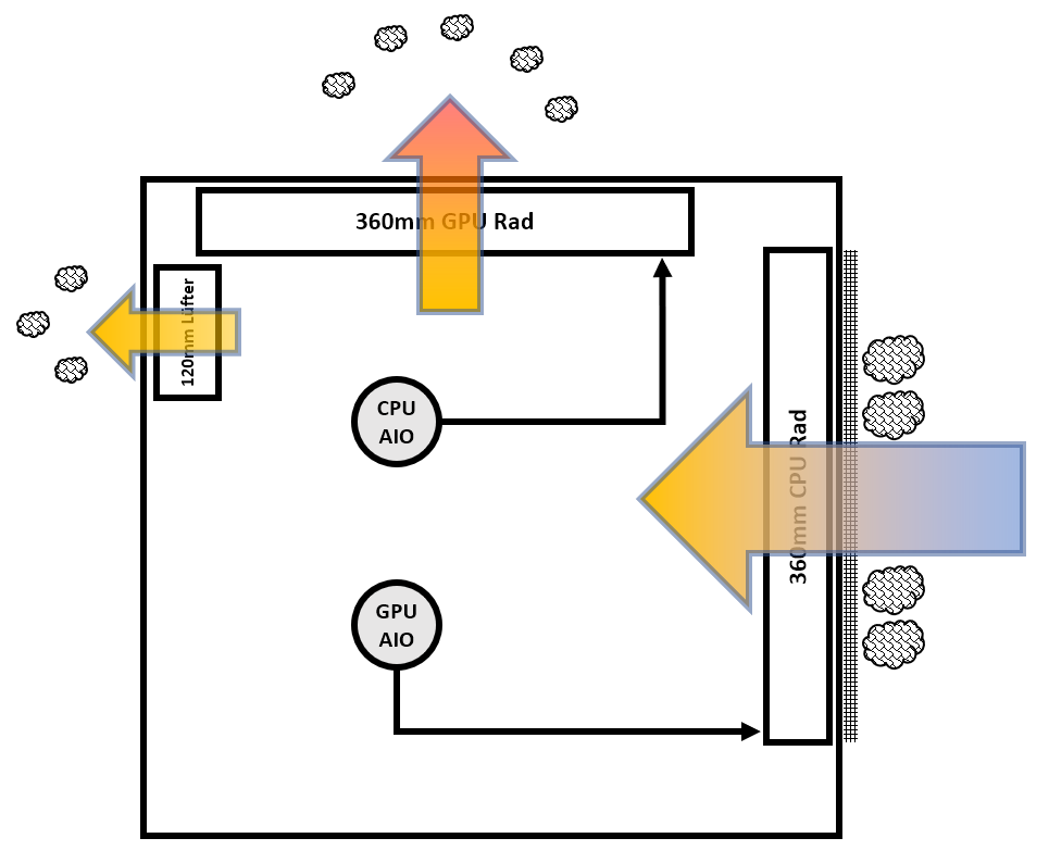
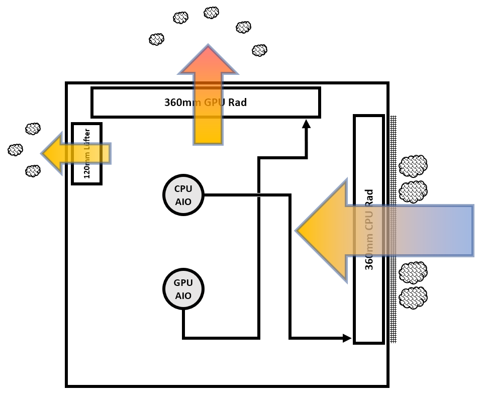
Sehr gute Zeichnung! So sieht das bei den meisten anderen PCs auch aus.
Und Du hast auch sehr schön die Temps mittels Farben dargestellt.
Somit ist Dir bewusst, dass das nicht optimal, aber vlt. die gerade machbare Lösung ist.
Etwas besser könnte es sein, wenn Du die Plätze der Radiatoren tauschst.
Aber ich weiß nicht, ob die Schläuche dafür lang genug sind.
Auch sollte sich der CPU-Radiator dann (obere Kante) höher als die Pumpe im Kühlblock auf der CPU befinden.
Sonst könnte die Pumper der CPU-AiO Luft ziehen & laut oder sogar defekt werden.
Und Du hast auch sehr schön die Temps mittels Farben dargestellt.
Somit ist Dir bewusst, dass das nicht optimal, aber vlt. die gerade machbare Lösung ist.
Etwas besser könnte es sein, wenn Du die Plätze der Radiatoren tauschst.
Aber ich weiß nicht, ob die Schläuche dafür lang genug sind.
Auch sollte sich der CPU-Radiator dann (obere Kante) höher als die Pumpe im Kühlblock auf der CPU befinden.
Sonst könnte die Pumper der CPU-AiO Luft ziehen & laut oder sogar defekt werden.
Ergänzung ()
Zuletzt bearbeitet:
Tanzmusikus schrieb:Sehr gute Zeichnung! So sieht das bei den meisten anderen PCs auch aus.
Und Du hast auch sehr schön die Temps mittels Farben dargestellt.
Somit ist Dir bewusst, dass das nicht optimal, aber vlt. die gerade machbare Lösung ist.
Etwas besser könnte es sein, wenn Du die Plätze der Radiatoren tauschst.
Aber ich weiß nicht, ob die Schläuche dafür lang genug sind.
Auch sollte sich der CPU-Radiator dann (obere Kante) höher als die Pumpe im Kühlblock auf der CPU befinden.
Sonst könnte die Pumper der CPU-AiO Luft ziehen & laut oder sogar defekt werden.
Merci
Jap, ich denke ich werde einfach beide Varianten probieren. Der Masterplan sieht aber erstmal eine CPU AIO vor (vermutlich nächstes Wochenende) und wenn ich mit all dem Spaß happy bin, gibt's einen Upgrade auf Dual AIO. Vermutlich direkt ein paar Wochen danach
Danke für die vielen tollen Tipps! Tolles Forum!
Ähnliche Themen
- Antworten
- 23
- Aufrufe
- 1.571
- Antworten
- 79
- Aufrufe
- 6.701
- Antworten
- 15
- Aufrufe
- 1.784