Du verwendest einen veralteten Browser. Es ist möglich, dass diese oder andere Websites nicht korrekt angezeigt werden.
Du solltest ein Upgrade durchführen oder einen alternativen Browser verwenden.
Du solltest ein Upgrade durchführen oder einen alternativen Browser verwenden.
Anleitung für Einbau der Grafikkarte Sapphire RX 6900 XT nitro+
- Ersteller DeafYakuza
- Erstellt am
- Registriert
- Sep. 2004
- Beiträge
- 69
Deathangel008 schrieb:@DeafYakuza: nein, so nicht richtig. zwei einzelne kabelstränge nehmen und jeweils einen 8pin verwenden.
edit:
die GPU ist nur der eigentliche grafikprozessor. ne graka ist deutlich mehr als nur die GPU. und es ist halt ne PCIe-karte. PCIe-stromanschlüsse gibt es nicht nur auf grakas.
was genau "verwirrt" dich daran? dieser anschluss ist für die stromversorgung der CPU zuständig. da ist "CPU" doch ne passende bezeichnung.
Irgendwo im YouTube habe ich gesehen, dass dort auch was von Anschlüsse gezeigt wurde, aber nun ist ok. :-)
Deathangel008
Grauer Jedi
- Registriert
- Jan. 2014
- Beiträge
- 85.172
@DeafYakuza: bitte was?
- Registriert
- Sep. 2004
- Beiträge
- 69
Und was ist mit dem Kabel von RGB, das die Anleitung mit der Überschrift "Synchronize Adressable RGB effects with the Motherboard."von der Grakka mir anzeigt, ist es noetig sie anzuschliessen?
Was ist damit gemeint, dass die Grakka synchronisieren werden muss/soll?
Was ist damit gemeint, dass die Grakka synchronisieren werden muss/soll?
Anhänge
Deathangel008
Grauer Jedi
- Registriert
- Jan. 2014
- Beiträge
- 85.172
@DeafYakuza:
das bezieht sich rein auf die beleuchtung. wenn dir das nicht wichtig ist musst das kabel nicht anschließen.
das bezieht sich rein auf die beleuchtung. wenn dir das nicht wichtig ist musst das kabel nicht anschließen.
- Registriert
- Sep. 2004
- Beiträge
- 69
Axo, alles klar... Gerne hätte ich es, da ich ja einen transparenten Glastür am Tower habe.Deathangel008 schrieb:@DeafYakuza:
das bezieht sich rein auf die beleuchtung. wenn dir das nicht wichtig ist musst das kabel nicht anschließen.
Ich finde das Video nicht mehr, da war ich vorhin ein wenig durcheinander. Egal, vergiss es.Deathangel008 schrieb:@DeafYakuza: bitte was?
loser
Lieutenant
- Registriert
- März 2013
- Beiträge
- 687
Dann nimm das Mainboard Handbuch und such den passenden Anschluss raus, dass ist nicht schwer.DeafYakuza schrieb:Gerne hätte ich es...
L
leonavis
Gast
Für RGB musst Du die anschließen, ja. Was für ein Mainboard hast Du denn?DeafYakuza schrieb:Und was ist mit dem Kabel von RGB, das die Anleitung mit der Überschrift "Synchronize Adressable RGB effects with the Motherboard."von der Grakka mir anzeigt, ist es noetig sie anzuschliessen?
Was ist damit gemeint, dass die Grakka synchronisieren werden muss/soll?
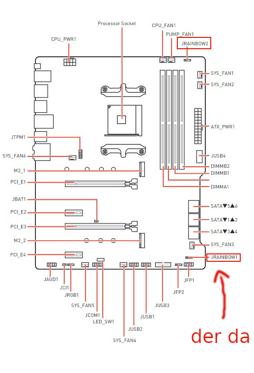
Edit: Nvm, schon gefunden. Die rot markierten sind für das RGB zuständig, da müsste einer reinpassen. Mein Tipp ist JRGB1, aber zu 100% weiß ich es nicht, benutze nie RGB.
Edit 2. Hab einen vergessen. Wahrscheinlich funktionieren JRGB1 und JRAINBOW1-2, einer gibt Standard-Farbe (JRGB1) und bei einem isses einstellbar (JRAINBOW1-2). Der zweite JRAINBOW findet sich übrigens oben rechts.
Edit 3 Verzeihung, die LED hat nix damit zu tun. Wie ich sehe hast Du einen 3-pin RGB Stecker, der muss wohl in den JRAINBOW, der JRGB hat nämlich vier Pins.
Anhänge
Zuletzt bearbeitet von einem Moderator:
- Registriert
- Sep. 2004
- Beiträge
- 69
leonavis schrieb:Für RGB musst Du die anschließen, ja. Was für ein Mainboard hast Du denn?
Edit: Nvm, schon gefunden. Die rot markierten sind für das RGB zuständig, da müsste einer reinpassen. Mein Tipp ist JRGB1, aber zu 100% weiß ich es nicht, benutze nie RGB.
Edit 2. Hab einen vergessen. Wahrscheinlich funktionieren JRGB1 und JRAINBOW1-2, einer gibt Standard-Farbe (JRGB1) und bei einem isses einstellbar (JRAINBOW1-2). Der zweite JRAINBOW findet sich übrigens oben rechts.
Edit 3 Verzeihung, die LED hat nix damit zu tun. Wie ich sehe hast Du einen 3-pin RGB Stecker, der muss wohl in den JRAINBOW, der JRGB hat nämlich vier Pins.
Aha, den Kabel, der für das zuständig ist, war sie leider nicht in der Verpackung zufinden.
L
leonavis
Gast
Hm ja, leuchten dürft's auch so, man kann's dann nur nicht steuern.DeafYakuza schrieb:Aha, den Kabel, der für das zuständig ist, war sie leider nicht in der Verpackung zufinden.
- Registriert
- Sep. 2004
- Beiträge
- 69
Hab den PC erstmals gestartet, leider bekomme ich kein Bild, um es zu booten. Die Graka ist wie ich es sehe, aus, bzw. keine Leuchten, dreht, oder arbeitet nicht, hm...
Deathangel008
Grauer Jedi
- Registriert
- Jan. 2014
- Beiträge
- 85.172
@DeafYakuza:
wie lange hast du gewartet? beim ersten systemstart kommt bei AM4 nicht sofort ein bild.
drehen sich andere lüfter, leuchten irgendwelche status-LEDs auf dem MB?
ansonsten: fotos vom gesamten aufbau, der kompletten verkabelung etc machen und hier posten.
wie lange hast du gewartet? beim ersten systemstart kommt bei AM4 nicht sofort ein bild.
drehen sich andere lüfter, leuchten irgendwelche status-LEDs auf dem MB?
ansonsten: fotos vom gesamten aufbau, der kompletten verkabelung etc machen und hier posten.
- Registriert
- Sep. 2004
- Beiträge
- 69
Ca. 1 Minute.
Ich mache gleich Fotos...
Ich mache gleich Fotos...
Zuletzt bearbeitet:
L
leonavis
Gast
Man sieht hier leider nicht, ob CPU_PWR1 angeschlossen ist. Oben links auf dem Mainboard liegt die Stromversorgung der CPU.
Edit: Kann man bei den Bildern nicht erkennen, wo leuchtet's denn? CPU? RAM? VGA?
Edit: Kann man bei den Bildern nicht erkennen, wo leuchtet's denn? CPU? RAM? VGA?
Zuletzt bearbeitet von einem Moderator:
- Registriert
- Sep. 2004
- Beiträge
- 69
Erstmal nur 2 Bilder.
Im ersten Bild, seht ihr, dass es am Mainboard leuchtet (siehe oben rechts).
Im zweiten Bild seht ihr, wie die Graka direkt von Netzteil angeschlossen ist siehe post #16 Bild 2 (ein wenig nach oben scrollen).
Im ersten Bild, seht ihr, dass es am Mainboard leuchtet (siehe oben rechts).
Im zweiten Bild seht ihr, wie die Graka direkt von Netzteil angeschlossen ist siehe post #16 Bild 2 (ein wenig nach oben scrollen).
Anhänge
Deathangel008
Grauer Jedi
- Registriert
- Jan. 2014
- Beiträge
- 85.172
@DeafYakuza:
und was genau leuchtet da?
warum steckt der RAM in den falschen slots? bitte MB-handbuch lesen.
warum wird das 24pin-kabel zwischen graka und MB gequetscht? die karte steckt richtig im slot?
wie in #35 angesprochen: CPU-stromstecker steckt drin?
bildschirm ist aber auch an der graka angeschlossen?
und was genau leuchtet da?
warum steckt der RAM in den falschen slots? bitte MB-handbuch lesen.
warum wird das 24pin-kabel zwischen graka und MB gequetscht? die karte steckt richtig im slot?
wie in #35 angesprochen: CPU-stromstecker steckt drin?
bildschirm ist aber auch an der graka angeschlossen?
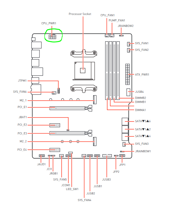
RAM nicht wie im Handbuch empfohlen installiert (Bild 1):
Grüne Markierung (Bild 2 - CPU_PWR1)
Ergänzung ()
@TE:leonavis schrieb:Man sieht hier leider nicht, ob CPU_PWR1 angeschlossen ist. Oben links auf dem Mainboard liegt die Stromversorgung der CPU.
Grüne Markierung (Bild 2 - CPU_PWR1)
Anhänge
Zuletzt bearbeitet:
loser
Lieutenant
- Registriert
- März 2013
- Beiträge
- 687
Sowas von überbewertet, man kann sich auch alles vorkauen lassen, vom Forum zum Beispiel.Nickel schrieb:Handbuch
Offensichtlich hat der Hilfesuchende keine Ahnung und nicht das geringste Interesse, dass zu ändern.
Ähnliche Themen
- Antworten
- 10
- Aufrufe
- 1.290
- Antworten
- 60
- Aufrufe
- 12.212
- Antworten
- 91
- Aufrufe
- 35.772
- Antworten
- 22
- Aufrufe
- 2.414